Vítejte na Elektro Bastlírn?
Nuke - Elektro Bastlirna
  Vytvořit účet Hlavní · Fórum · DDump · Profil · Zprávy · Hledat na fóru · Příspěvky na provoz EB

Vlákno na téma KORONAVIRUS - nutná registrace


Nuke - Elektro Bastlirna: Diskuzní fórum

 FAQFAQ   HledatHledat   Uživatelské skupinyUživatelské skupiny   ProfilProfil   Soukromé zprávySoukromé zprávy   PřihlášeníPřihlášení 

Oprava 4 vláknové LED žárovky
Jdi na stránku 1, 2  Další
 
Přidat nové téma   Zaslat odpověď       Obsah fóra Diskuzní fórum Elektro Bastlírny -> Osvětlovací technika
Zobrazit předchozí téma :: Zobrazit následující téma  
Autor Zpráva
kulikus



Založen: Dec 10, 2009
Příspěvky: 3092

PříspěvekZaslal: po březen 28 2022, 7:15    Předmět: Oprava 4 vláknové LED žárovky Citovat

Zkoušel jste někdo opravit žárovku v patici E24 na 240V ve skleněnné baňce se čtyřmi dlouhými LED ve tvaru vlákna?
Elektronika je na DPS v plechové patici té žárovky a překvapivě malinká. Trafo se tam myslím nevejde.

_________________
pro mládež - Hamíkův koutek
Návrat nahoru
Zobrazit informace o autorovi Odeslat soukromou zprávu Zobrazit autorovy WWW stránky
Crifodo



Založen: Oct 11, 2005
Příspěvky: 15004

PříspěvekZaslal: po březen 28 2022, 7:18    Předmět: Citovat

Jo.
http://www.ebastlirna.cz/modules.php?name=Forums&file=viewtopic&p=1199272#1199272

Je tam jen usměrňovač.
Návrat nahoru
Zobrazit informace o autorovi Odeslat soukromou zprávu Odeslat e-mail
mluno



Založen: Apr 18, 2011
Příspěvky: 261
Bydliště: Benešov (u Prahy)

PříspěvekZaslal: út březen 29 2022, 13:47    Předmět: Citovat

Je to marné, u těchto žárovek prostě odchází ta vlákna. Rozebral jsem takto 2 kusy a ještě jich mám plný šuplík a blikaly úplně stejně při napojení na laboratorní zdroj (je potřeba přes 300V DC, takže nestačí ledajaký zdroj). Takže spíš než o opravě by se dalo uvažovat o nějakém sloučení, ale to se bez poškození baňky neobejde.
Návrat nahoru
Zobrazit informace o autorovi Odeslat soukromou zprávu
rnbw



Založen: Mar 21, 2006
Příspěvky: 36947
Bydliště: Bratislava

PříspěvekZaslal: ne červenec 16 2023, 10:09    Předmět: Citovat

Jedine takyto pripad stoji za pokus o opravu. Na ziarovku padol kus omietky a prekvapivo sa nerozbila, zato ale nesvieti.


tesco_40w.jpg
 Komentář:
 Velikost:  184.6 kB
 Zobrazeno:  142 krát

tesco_40w.jpg


Návrat nahoru
Zobrazit informace o autorovi Odeslat soukromou zprávu
rnbw



Založen: Mar 21, 2006
Příspěvky: 36947
Bydliště: Bratislava

PříspěvekZaslal: ne září 03 2023, 15:39    Předmět: Citovat

Ziarovku som opravil - ale musel som rozbit sklo, inak sa do nej dostat neda. Takze teraz svieti, ale je rozbita Very Happy

LED filamenty su zapojene v serii. Jeden koniec ide cez graetz na paticu, na druhom je asi nejaky element obmedzujuci prud (k plosaku som sa nedostal).
Návrat nahoru
Zobrazit informace o autorovi Odeslat soukromou zprávu
Artaban001



Založen: Apr 01, 2004
Příspěvky: 10068
Bydliště: Pendrov

PříspěvekZaslal: ne září 03 2023, 16:52    Předmět: Citovat

Měl jsem filamentku ze 4-ma páskama a podle mě byl v soklu jen kondenzátor. Mikropásky byly rozděleny na dvě dvojice a ty byly spolu spojeny antiparalelně. Takže v každý půlvlně svítily dva mikropásky.
Návrat nahoru
Zobrazit informace o autorovi Odeslat soukromou zprávu Odeslat e-mail
rnbw



Založen: Mar 21, 2006
Příspěvky: 36947
Bydliště: Bratislava

PříspěvekZaslal: ne září 03 2023, 16:56    Předmět: Citovat

Takze tato je kvalitnejsia - menej blika.
Návrat nahoru
Zobrazit informace o autorovi Odeslat soukromou zprávu
Artaban001



Založen: Apr 01, 2004
Příspěvky: 10068
Bydliště: Pendrov

PříspěvekZaslal: st září 06 2023, 15:26    Předmět: Citovat

Ono stačí na to mrknout skrz baňku. Mikropásky mají rozlišení A-K pomocí dírky na jednom vývodu. Podle propojek poznáš, zda jsou všechny v sérii,nebo antiparalelně dvě sériový dvojice
Návrat nahoru
Zobrazit informace o autorovi Odeslat soukromou zprávu Odeslat e-mail
makak



Založen: Jul 28, 2019
Příspěvky: 637

PříspěvekZaslal: út červen 18 2024, 22:13    Předmět: Citovat

Máte někdo tušení, jak vlastně tyhle LED-ky fungují ? To je v té tyčince hromada malých ledek za sebou, nebo jak to je ? Jde na to zřejmě usměrněných 230 V, žádný stabilizátor tam patrně není. Tím pádem se taky dá očekávat, že to bude pěkně blikat, když to není ničím filtrované.
Návrat nahoru
Zobrazit informace o autorovi Odeslat soukromou zprávu
JirkaZ



Založen: Feb 26, 2021
Příspěvky: 3738

PříspěvekZaslal: st červen 19 2024, 8:14    Předmět: Citovat

Řešením místo spekulací je podívat se na svítící "žárovku" čidlem z fotodiody, připojeným k osciloskopu. Popř. na tyto frekvence stačí fototransistor.

Na 99,9% blikat bude, a to tak, že od 100% do 0, ale přece "kdo dnes řeší takové maličkosti", že...

Za pár let (pokud všeobecná magorárna bude postupovat stále stejně) budeme možná rádi, že vůbec bude čím to napájet.



transimpedance_photodiode_amplifier.png
 Komentář:
 Velikost:  8.56 kB
 Zobrazeno:  61 krát

transimpedance_photodiode_amplifier.png



_________________
Kdo chce, hledá způsob;
kdo ne - hledá důvod.

Ze dvou možností často volím tu třetí.
Návrat nahoru
Zobrazit informace o autorovi Odeslat soukromou zprávu
makak



Založen: Jul 28, 2019
Příspěvky: 637

PříspěvekZaslal: st červen 19 2024, 10:18    Předmět: Citovat

To je hezké! Ačkoliv jsem strojař, tohle zapojení fotodiody jsem použil v diplomce před více než čtyřiceti roky. V laborce jsem k tomu měřil linearitu přes několik řádů. Takže ano, můžu to zkusit.
Ale to blikání byla jen poznámka na okraj. Hlavní otázka je, jak to funguje ? Co je ukryto v té žluté tyčince ?
Návrat nahoru
Zobrazit informace o autorovi Odeslat soukromou zprávu
jasnap



Založen: Apr 03, 2023
Příspěvky: 105
Bydliště: Česká Třebová

PříspěvekZaslal: st červen 19 2024, 17:48    Předmět: Citovat

Žlutá hmota obsahuje luminofor(jako v zářivce)a pod ní jsou ledky, svítící v UV pásmu. UV vybudí luminofor ve viditelném spektru. Označení je COB. opravuji:COG (chip on glass-COB jsou pásky) Výhoda je ta, že svítí spojitě různou výkonovou křivkou např. pro akvárka, rostliny nebo se blíží dennímu světlu pro vysoké rozlišení barevného podání. U těch se udává CR index, čím víc se blíží 100, tím vyrovnanější spektrum vyzařuje.

Naposledy upravil jasnap dne čt červen 20 2024, 14:53, celkově upraveno 1 krát.
Návrat nahoru
Zobrazit informace o autorovi Odeslat soukromou zprávu
workhard



Založen: Jul 07, 2006
Příspěvky: 5471
Bydliště: Plzeň

PříspěvekZaslal: st červen 19 2024, 18:27    Předmět: Citovat

Už jsem to zkoušel i lámat a nic jsem v tom neviděl, tak nevím, jak to funguje Smile
_________________
Věci,které fungují,se ZÁSADNĚ neopravují...
Návrat nahoru
Zobrazit informace o autorovi Odeslat soukromou zprávu
makak



Založen: Jul 28, 2019
Příspěvky: 637

PříspěvekZaslal: čt červen 20 2024, 17:57    Předmět: Citovat

jasnap: tak to by byl normální princip všech "bílých" LED-ek, na tom nic není. Otázka zní, jak se do té tyčinky naskládá tolik miniaturních LED čipů, aby to šlo krmit rovnou ze sítě, tedy bez elekroniky, která napájí čipy konstantním proudem. Nějaká regulace proudu tam být musí, jinak by odchylky napětí sítě silně měnily svítivost.
Přece kvůli své chorobné zvědavosti nebudu kuchat novou fungující žárovku ? Smile
Návrat nahoru
Zobrazit informace o autorovi Odeslat soukromou zprávu
lubos1961



Založen: Jul 20, 2010
Příspěvky: 447
Bydliště: Nový Jičín

PříspěvekZaslal: pá červen 21 2024, 9:19    Předmět: Citovat

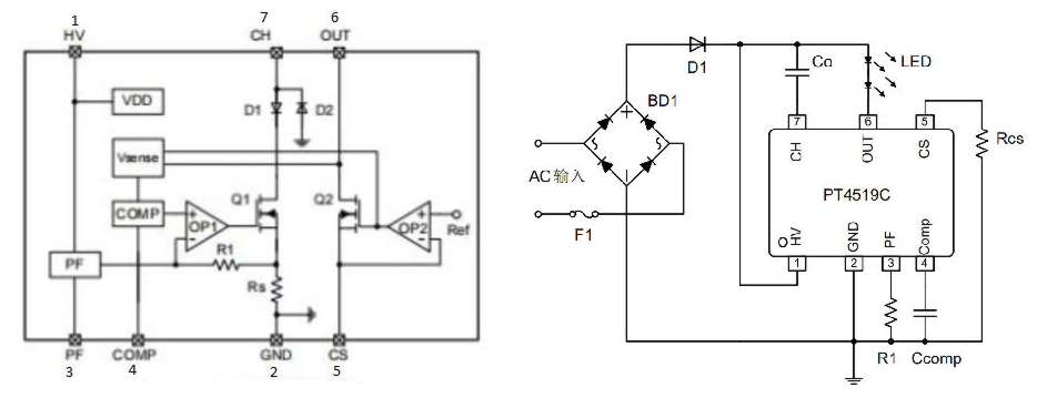
Co jsem já kuchal, tak tam samozřejmě řídící elektronika byla a dokonce měla i soft start. Na jedne tyčce jsem napočítal 24Led a napětí na ní naměřil něco kolem 68V.


elektonika.jpg
 Komentář:
 Velikost:  147.21 kB
 Zobrazeno:  89 krát

elektonika.jpg



24 led.jpg
 Komentář:
 Velikost:  117.93 kB
 Zobrazeno:  78 krát

24 led.jpg



PT4519C.jpg
 Komentář:
 Velikost:  28.25 kB
 Zobrazeno:  119 krát

PT4519C.jpg


Návrat nahoru
Zobrazit informace o autorovi Odeslat soukromou zprávu
Zobrazit příspěvky z předchozích:   
Přidat nové téma   Zaslat odpověď       Obsah fóra Diskuzní fórum Elektro Bastlírny -> Osvětlovací technika Časy uváděny v GMT + 1 hodina
Jdi na stránku 1, 2  Další
Strana 1 z 2

 
Přejdi na:  
Nemůžete odesílat nové téma do tohoto fóra.
Nemůžete odpovídat na témata v tomto fóru.
Nemůžete upravovat své příspěvky v tomto fóru.
Nemůžete mazat své příspěvky v tomto fóru.
Nemůžete hlasovat v tomto fóru.
Nemůžete připojovat soubory k příspěvkům
Můžete stahovat a prohlížet přiložené soubory

Powered by phpBB © 2001, 2005 phpBB Group
Forums ©
Nuke - Elektro Bastlirna

Informace na portálu Elektro bastlírny jsou prezentovány za účelem vzdělání čtenářů a rozšíření zájmu o elektroniku. Autoři článků na serveru neberou žádnou zodpovědnost za škody vzniklé těmito zapojeními. Rovněž neberou žádnou odpovědnost za případnou újmu na zdraví vzniklou úrazem elektrickým proudem. Autoři a správci těchto stránek nepřejímají záruku za správnost zveřejněných materiálů. Předkládané informace a zapojení jsou zveřejněny bez ohledu na případné patenty třetích osob. Nároky na odškodnění na základě změn, chyb nebo vynechání jsou zásadně vyloučeny. Všechny registrované nebo jiné obchodní známky zde použité jsou majetkem jejich vlastníků. Uvedením nejsou zpochybněna z toho vyplývající vlastnická práva. Použití konstrukcí v rozporu se zákonem je přísně zakázáno. Vzhledem k tomu, že původ předkládaných materiálů nelze žádným způsobem dohledat, nelze je použít pro komerční účely! Tento nekomerční server nemá z uvedených zapojení či konstrukcí žádný zisk. Nezodpovídáme za pravost předkládaných materiálů třetími osobami a jejich původ. V případě, že zjistíte porušení autorského práva či jiné nesrovnalosti, kontaktujte administrátory na diskuzním fóru EB.


PHP-Nuke Copyright © 2005 by Francisco Burzi. This is free software, and you may redistribute it under the GPL. PHP-Nuke comes with absolutely no warranty, for details, see the license.
Čas potřebný ke zpracování stránky 0.14 sekund