Vítejte na Elektro Bastlírn?
Nuke - Elektro Bastlirna
  Vytvořit účet Hlavní · Fórum · DDump · Profil · Zprávy · Hledat na fóru · Příspěvky na provoz EB

Vlákno na téma KORONAVIRUS - nutná registrace


Nuke - Elektro Bastlirna: Diskuzní fórum

 FAQFAQ   HledatHledat   Uživatelské skupinyUživatelské skupiny   ProfilProfil   Soukromé zprávySoukromé zprávy   PřihlášeníPřihlášení 

Tesla 814A
Jdi na stránku 1, 2  Další
 
Přidat nové téma   Zaslat odpověď       Obsah fóra Diskuzní fórum Elektro Bastlírny -> Opravy a restaurování starých elektropřístrojů
Zobrazit předchozí téma :: Zobrazit následující téma  
Autor Zpráva
Mek7



Založen: Jan 31, 2020
Příspěvky: 235
Bydliště: Zilina, SR

PříspěvekZaslal: ne březen 14 2021, 12:48    Předmět: Tesla 814A Citovat

Mam tu "na hranie" tuner Tesla 814A. Z vyroby ladi na CCIR rozsahu len po asi 102 MHz, chcel by som rozsah roztiahnut do 108 MHz.
Prikladam schemu vstupnej jednotky a ako vyzera zvnutra. Zakruzkoval som ladiacu cievku a kondik, ktore ovplyvnuju frekvenciu oscilatora, ale iba velmi malo, a ked sa mi aj podari dostat do ladenia stanicu vysielajucu na 106,9 MHz (najvyssia mozna, aka sa u nas da chytit), tak su vsetky stanice velmi, velmi slabe, iba sumia. Urcite treba doladit aj nieco dalsie, ale neviem co. Zatial som to vratil nazad tak ako to bolo. Na plosaku vo vstupnej jednotky nie je oznacene, ktora suciastka je ktora.
Signal kontrolujem v PC cez SDR pripojeny na 10,7 MHz vystup vstupnej jednotky.
Vela som hladal aj tu na fore, ktosi pisal, ze preladit to nie je nic tazke, ale nenasiel som, co vlastne treba urobit. K tejto vstupnej jednotke mam iba schemu, ziadnu dalsiu dokumentaciu - servisny manual pre 814A som nenasiel, a pre jej predchodcov 813A a 810A ano, ale tam je pouzita uplne ina vstupna jednotka.
Ako teda preladit vstupnu jednotku v tomto radiu do 108 MHz?



VstupnaJednotka-schema.jpg
 Komentář:
 Velikost:  157.15 kB
 Zobrazeno:  213 krát

VstupnaJednotka-schema.jpg



VstupnaJednotka.jpg
 Komentář:
 Velikost:  218.26 kB
 Zobrazeno:  209 krát

VstupnaJednotka.jpg



_________________
... byvaly spravca Hospudky u amplionu, Martinekk-ov brat Smile
Hras Scrabble? Skus SKREBL.EU - moj novy projekt.
Disclaimer: Nemam vystudovane elektro, je to len moje hobby.
"Failing to plan is planning to fail" (Alan Lakein)
Návrat nahoru
Zobrazit informace o autorovi Odeslat soukromou zprávu Zobrazit autorovy WWW stránky
jardafiala



Založen: Jun 20, 2010
Příspěvky: 2493
Bydliště: Česká Lípa

PříspěvekZaslal: ne březen 14 2021, 13:42    Předmět: Citovat

Schema je zde http://www.oldradio.cz/radtes.htm, jinak platí, že se musí sladit všechny části vstupní jednotky, nestačí přeladit oscilátor. je třeba naldit i vstupní obvod a směšovač. Přesný postup zkus někde najít, já si jen pamatuju, že bez měřicí techniky jsem ladil vlastnoručně postavenou vstupní jednotku tak, že spodek pásma se ladil změnou indukčnosti cívky laděného obvodu a vrch změnou kapacity, snad ti někdo poradí víc a přesněji k tomuto rádiu.
Návrat nahoru
Zobrazit informace o autorovi Odeslat soukromou zprávu Odeslat e-mail
Mek7



Založen: Jan 31, 2020
Příspěvky: 235
Bydliště: Zilina, SR

PříspěvekZaslal: ne březen 14 2021, 13:52    Předmět: Citovat

Jo, tu schemu mam (obrazok hore je z nej), ale servisny manual nie, teda nepoznam ani postup zladovania, preto sa pytam tu, ci sa to neda aj bez neho...
_________________
... byvaly spravca Hospudky u amplionu, Martinekk-ov brat Smile
Hras Scrabble? Skus SKREBL.EU - moj novy projekt.
Disclaimer: Nemam vystudovane elektro, je to len moje hobby.
"Failing to plan is planning to fail" (Alan Lakein)
Návrat nahoru
Zobrazit informace o autorovi Odeslat soukromou zprávu Zobrazit autorovy WWW stránky
sinclair



Založen: Feb 02, 2005
Příspěvky: 9923
Bydliště: Luhačovice

PříspěvekZaslal: ne březen 14 2021, 15:18    Předmět: Citovat

Stáhni si SM třeba k aparátu 813A. Vstupní jednotka je stejná.
Návrat nahoru
Zobrazit informace o autorovi Odeslat soukromou zprávu Odeslat e-mail
DKL



Založen: Mar 11, 2004
Příspěvky: 382
Bydliště: Sever jižní Moravy

PříspěvekZaslal: ne březen 14 2021, 15:31    Předmět: Citovat

Já bych namísto zásahů do laděných obvodů zkusil zvýšit ladicí napětí pro varikapy. U Moderata a podobných to fungovalo bez problémů.
Návrat nahoru
Zobrazit informace o autorovi Odeslat soukromou zprávu Odeslat e-mail
xsc



Založen: Sep 25, 2014
Příspěvky: 8482

PříspěvekZaslal: ne březen 14 2021, 15:37    Předmět: Citovat

Přesně. Ze všeho nejdřív bych zkusil nastavit ladící napětí na 32V, co dává ta MAA550, kam se to s ním povede naladit. Ono by to skoro mohlo stačit...
Návrat nahoru
Zobrazit informace o autorovi Odeslat soukromou zprávu
Mek7



Založen: Jan 31, 2020
Příspěvky: 235
Bydliště: Zilina, SR

PříspěvekZaslal: ne březen 14 2021, 16:23    Předmět: Citovat

Uz to mam, vdaka za radu. Pomohlo vytocit potenciometer R473 az na krajnu polohu, cim sa zvysilo maximalne ladiace napatie z 23 V na 30 V a ladenie do tych 108 MHz. Snad aj niekomu v buducnosti tato informacia pomoze Smile
_________________
... byvaly spravca Hospudky u amplionu, Martinekk-ov brat Smile
Hras Scrabble? Skus SKREBL.EU - moj novy projekt.
Disclaimer: Nemam vystudovane elektro, je to len moje hobby.
"Failing to plan is planning to fail" (Alan Lakein)
Návrat nahoru
Zobrazit informace o autorovi Odeslat soukromou zprávu Zobrazit autorovy WWW stránky
ZdenekHQ
Administrátor


Založen: Jul 21, 2006
Příspěvky: 25741
Bydliště: skoro Brno

PříspěvekZaslal: ne březen 14 2021, 17:48    Předmět: Citovat

Můj otec mně kdysi nadával, že moje konstrukce by vypadaly líp, kdybych tam ty součástky jen nasypal. Teď už chápu, kde jsem bral inspiraci.
_________________
Pro moje oslovení klidně použijte jméno Zdeněk
Správně navržené zapojení je jako recept na dobré jídlo.
Můžete vynechat půlku ingrediencí, nebo přidat jiné,
ale jste si jistí, že vám to bude chutnat[?
]
Návrat nahoru
Zobrazit informace o autorovi Odeslat soukromou zprávu Zobrazit autorovy WWW stránky
Mek7



Založen: Jan 31, 2020
Příspěvky: 235
Bydliště: Zilina, SR

PříspěvekZaslal: ne březen 14 2021, 18:05    Předmět: Citovat

OK, mal by som este jednu prosbu na skusenejsich...
od vyroby je to tak, ze po zapnuti pristroja alebo prepnuti na VKV, je defaultne prepnute na OIRT. Chcel by som to zmenit, aby default bolo CCIR.
Prikladam schemu predvolieb. Tipujem, ze to je tak kvoli diode D424. Na nu ide privod z kolektora T447 a pri nom je potenciometer R465, ktory podla servisneho manualu ovplyvnuje, kde bude spodok pasma OIRT. Tak sa z toho nejako neviem vysomarit, poradi niekto?



Capture.JPG
 Komentář:
 Velikost:  265.18 kB
 Zobrazeno:  276 krát

Capture.JPG



_________________
... byvaly spravca Hospudky u amplionu, Martinekk-ov brat Smile
Hras Scrabble? Skus SKREBL.EU - moj novy projekt.
Disclaimer: Nemam vystudovane elektro, je to len moje hobby.
"Failing to plan is planning to fail" (Alan Lakein)
Návrat nahoru
Zobrazit informace o autorovi Odeslat soukromou zprávu Zobrazit autorovy WWW stránky
msar



Založen: Apr 22, 2006
Příspěvky: 344
Bydliště: Hradec Králové

PříspěvekZaslal: ne březen 14 2021, 18:14    Předmět: Citovat

Řekl bych, že default nastavení dělá C421. Tak ho přepojit z báze T427 na T428
Návrat nahoru
Zobrazit informace o autorovi Odeslat soukromou zprávu Odeslat e-mail
Mek7



Založen: Jan 31, 2020
Příspěvky: 235
Bydliště: Zilina, SR

PříspěvekZaslal: ne březen 14 2021, 20:45    Předmět: Citovat

msar, velka vdaka, mal si pravdu, je to tak, pomohlo mi to Wink
_________________
... byvaly spravca Hospudky u amplionu, Martinekk-ov brat Smile
Hras Scrabble? Skus SKREBL.EU - moj novy projekt.
Disclaimer: Nemam vystudovane elektro, je to len moje hobby.
"Failing to plan is planning to fail" (Alan Lakein)
Návrat nahoru
Zobrazit informace o autorovi Odeslat soukromou zprávu Zobrazit autorovy WWW stránky
Ian



Založen: Sep 20, 2023
Příspěvky: 154
Bydliště: Brno venkov

PříspěvekZaslal: pá leden 16 2026, 0:30    Předmět: Citovat

Včera jsem se pustil do 814A, která mi tu nějakou dobu ležela. Po otevření mě bezděčně uniklo WOW - tohle je teda šílený stroj, žádný IO, těch tranzistorů všude a taky jak je to šásko našlápnuté, skoro veškeré místo využité.
Proměřil jsem koncové trandy a zběžně projel elektrolyty na ESR a kupodivu jsem nenašel žádný podezřelý, zelené jsem zatím všechny neprošel, ale z cca 10 náhodně měřených všechny v dobré kondici. Velký filtrační maďarský 4G7 r.v. 1977 taky OK.
Pak jsem se to odvážil zapnout. Pár spálených žároviček v podsvitu stupnice, ladění na FM jde ztuha na jednu stranu OK, zpátky prokluzuje, zřejmě zatuhlý ladící potenciometr. Dotykové senzory fungují jen dva 1 a 4, na zbytek se nedá přepnout. Hraje to, ale jeden kanál je slabý a bez basů. FM jde naladit, stereo nesvítí - ale zřejmě jen žárovička, napětí se na ní objeví.

Dneska jsem prohlídl senzorickou desku a našel jsem 6ks KF517A/B s uhnilými vývody - párkrát už jsem to viděl, ale měl jsem za to, že to bylo špatným mechanickým zacházením. Tady jde vidět bodová koroze a prostě to prorezivělo skrz - nožky jsou kovové a pozlacené. Zažili jste to někde?
Jal jsem se hledat šuplík zásoby a zjistil jsem, že Ačka nemám vůbec a buď jen B/C nebo bez. Nakonec jsem vždycky vzal originál, změřil hfe a dal tam s podobným. Tady to asi moc nesejde. Zajímavé, že některé 517 bez písmena mají až 200 a třeba C mělo jen 80. Nejhorší jsem našel s 23.

Zítra zkusím proměřit konec, zběžně jsem projel ESR všech elytů a všechny se tam zdají OK, takže ten slabý signal jde možná už z korekcí.
Návrat nahoru
Zobrazit informace o autorovi Odeslat soukromou zprávu
xsc



Založen: Sep 25, 2014
Příspěvky: 8482

PříspěvekZaslal: pá leden 16 2026, 2:08    Předmět: Citovat

Tohle uhnívání nohou je běžné a už se tady víckrát řešilo. Ještě víc pak ty nohy uhnívají, pokud jsou použity umělohmotné distanční sloupky.
Ty KF517 klidně můžeš běžně nahradit současným BC636 nebo BC327, v tomhle zapojení i 100mA KC307.
Za ty chybějící hloubky bude nejspíš moct nějaká zelenina. Taky je dobré vyměnit hovňák, který blokuje ladicí napětí.
Návrat nahoru
Zobrazit informace o autorovi Odeslat soukromou zprávu
Ian



Založen: Sep 20, 2023
Příspěvky: 154
Bydliště: Brno venkov

PříspěvekZaslal: so leden 17 2026, 0:54    Předmět: Citovat

Dneska jsem zkontroloval konce, hrají dobře, kondenzátory OK i zelené.
Nicméně po připojení signálu do vstupu magnetofon to hraje mono.
Konec jsem vyloučil, hraje pěkně stereo.
Takže to musí být v předzesilovači.
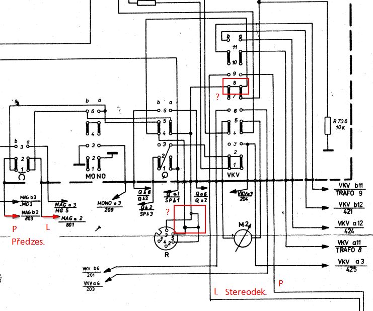
Koukal jsem do schéma a našel jsem tohle - není to chyba ve schématu?
1) Proč se L a P kanál ze stereodekodéru po stisku VKV spojí dohromady?
2) Proč zásuvka R (ma to být výstup rádia pro externí zesilovač) má všechno spojeno tak nějak divně dohromady?

Pozn.: v předzesilovači se zřejmě už někdo hrabal, jako kdyby někdo měnil oba BC413 je to tam škaredě zapájeno. Ale i pár ostatních spojů bylo pájených.



814A.jpg
 Komentář:
 Velikost:  83.97 kB
 Zobrazeno:  20 krát

814A.jpg


Návrat nahoru
Zobrazit informace o autorovi Odeslat soukromou zprávu
Hill
Administrátor


Založen: Sep 10, 2004
Příspěvky: 21046
Bydliště: Jičín, Český ráj

PříspěvekZaslal: so leden 17 2026, 6:44    Předmět: Citovat

Chyby ve schématu.
Zkontroluj, jestli to při tom letování někdo nesplácl podle něj.
Přepínače v nf dílu jsou zapojené stejně v 813A i 814A, tak si to porovnej.
Návrat nahoru
Zobrazit informace o autorovi Odeslat soukromou zprávu
Zobrazit příspěvky z předchozích:   
Přidat nové téma   Zaslat odpověď       Obsah fóra Diskuzní fórum Elektro Bastlírny -> Opravy a restaurování starých elektropřístrojů Časy uváděny v GMT + 1 hodina
Jdi na stránku 1, 2  Další
Strana 1 z 2

 
Přejdi na:  
Nemůžete odesílat nové téma do tohoto fóra.
Nemůžete odpovídat na témata v tomto fóru.
Nemůžete upravovat své příspěvky v tomto fóru.
Nemůžete mazat své příspěvky v tomto fóru.
Nemůžete hlasovat v tomto fóru.
Nemůžete připojovat soubory k příspěvkům
Můžete stahovat a prohlížet přiložené soubory

Powered by phpBB © 2001, 2005 phpBB Group
Forums ©
Nuke - Elektro Bastlirna

Informace na portálu Elektro bastlírny jsou prezentovány za účelem vzdělání čtenářů a rozšíření zájmu o elektroniku. Autoři článků na serveru neberou žádnou zodpovědnost za škody vzniklé těmito zapojeními. Rovněž neberou žádnou odpovědnost za případnou újmu na zdraví vzniklou úrazem elektrickým proudem. Autoři a správci těchto stránek nepřejímají záruku za správnost zveřejněných materiálů. Předkládané informace a zapojení jsou zveřejněny bez ohledu na případné patenty třetích osob. Nároky na odškodnění na základě změn, chyb nebo vynechání jsou zásadně vyloučeny. Všechny registrované nebo jiné obchodní známky zde použité jsou majetkem jejich vlastníků. Uvedením nejsou zpochybněna z toho vyplývající vlastnická práva. Použití konstrukcí v rozporu se zákonem je přísně zakázáno. Vzhledem k tomu, že původ předkládaných materiálů nelze žádným způsobem dohledat, nelze je použít pro komerční účely! Tento nekomerční server nemá z uvedených zapojení či konstrukcí žádný zisk. Nezodpovídáme za pravost předkládaných materiálů třetími osobami a jejich původ. V případě, že zjistíte porušení autorského práva či jiné nesrovnalosti, kontaktujte administrátory na diskuzním fóru EB.


PHP-Nuke Copyright © 2005 by Francisco Burzi. This is free software, and you may redistribute it under the GPL. PHP-Nuke comes with absolutely no warranty, for details, see the license.
Čas potřebný ke zpracování stránky 0.15 sekund