Vítejte na Elektro Bastlírn?
Nuke - Elektro Bastlirna
  Vytvořit účet
Hlavní · Fórum · DDump · Profil · Zprávy · Hledat na fóru


Nuke - Elektro Bastlirna: Diskuzní fórum

 FAQFAQ   HledatHledat   Uživatelské skupinyUživatelské skupiny   ProfilProfil   Soukromé zprávySoukromé zprávy   PřihlášeníPřihlášení 

Stavba "osciloskopu" na efekt
Jdi na stránku 1, 2, 3  Další
 
Přidat nové téma   Zaslat odpověď       Obsah fóra Diskuzní fórum Elektro Bastlírny -> Řešení problémů s různými konstrukcemi
Zobrazit předchozí téma :: Zobrazit následující téma  
Autor Zpráva
forbidden



Založen: Feb 14, 2005
Příspěvky: 9453
Bydliště: Brno (JN89GF)

PříspěvekZaslal: út leden 30 2024, 21:06    Předmět: Stavba "osciloskopu" na efekt Citovat

Sehnal jsem CRT B7S2 a 6LM4S. Už nějakou dobu si chci postavit k NF zesilovači takový ukazovátko hudby, jen pro efekt, nic víc. Nenasměroval by mě někdo k nějaké konstrukci pro inspiraci? S CRT nemám žádný zkušenosti, tak chci něco víceméně obšlehnout, nebo jen upravit.
Dík
Návrat nahoru
Zobrazit informace o autorovi Odeslat soukromou zprávu Zobrazit autorovy WWW stránky
Zaky



Založen: Oct 30, 2010
Příspěvky: 6997
Bydliště: Praha

PříspěvekZaslal: út leden 30 2024, 21:55    Předmět: Citovat

https://www.belza.cz/measure/skop-p.htm
_________________
Krátce před tím, než se to rozbilo, tak to ještě fungovalo...
Návrat nahoru
Zobrazit informace o autorovi Odeslat soukromou zprávu
jirka5



Založen: Sep 27, 2014
Příspěvky: 754
Bydliště: Very Stupid District, hned vedle okresu Postřižiny

PříspěvekZaslal: út leden 30 2024, 22:06    Předmět: Citovat

Na internetu zbylo už jen několik návodů na jednoduché osciloskopy, např od Danyka: https://danyk.cz/osc.html
od pana Belzy: http://belza.cz/measure/skop-p.htm
nebo od Martinky: http://www.emartinka.cz/index.asp?IDKategorie=4&IDClanku=18&Akce=clanek
Návod na jednoduchý osciloskop z VTM (7QR20, 2 x 6L43) z netu zmizel - můžu zaslat mailem.
Avšak podle mého názoru se dnes stavba osciloskopu vůbec nevyplatí. I u toho nejjednoduššího přístroje je nutné dokonalé stínění obrazovky a síťového transformátoru, jinak to nemá smysl. S tím souvisí nutnost dokonalého provedení skřínky, atd., atd.
Jednoduché kukátko na nf (BM370) lze koupit na netu nebo na burze tak do 500 Kč, nebo třeba na ali tohle:
https://vi.aliexpress.com/item/1005006446586461.html?
Obrazovky lze dobře prodat, stále je o ně zájem a utržené peníze použít na koupi malého biografu. Tak bych to asi řešil já.
Návrat nahoru
Zobrazit informace o autorovi Odeslat soukromou zprávu
forbidden



Založen: Feb 14, 2005
Příspěvky: 9453
Bydliště: Brno (JN89GF)

PříspěvekZaslal: út leden 30 2024, 22:10    Předmět: Citovat

Díky za odkazy, Nad BM370 jsem uvažoval, ale nechci zase celej oscilokop. Mám digitál Tektronix, toto má být opravdu jako "barevná hudba", nic víc.
Zatím jsem taky trochu pátral, ta 6LM4S má elmag. vychylování, to na NF sice nevadí, ale pro mě bude zřejmě snazší elstat.
Návrat nahoru
Zobrazit informace o autorovi Odeslat soukromou zprávu Zobrazit autorovy WWW stránky
jirka5



Založen: Sep 27, 2014
Příspěvky: 754
Bydliště: Very Stupid District, hned vedle okresu Postřižiny

PříspěvekZaslal: út leden 30 2024, 22:17    Předmět: Citovat

Jak píšu, ty obrazovky s elektrostatickýn vychylováním jsou strašně citlivý na vnější elektromagnetická pole. Báň je nutný strčit do stínicího krytu na míru z Fe plechu tloušťky min. 1,2 mm. Kterej zámečník ti dnes takovou rouru udělá a za kolik???
Návrat nahoru
Zobrazit informace o autorovi Odeslat soukromou zprávu
forbidden



Založen: Feb 14, 2005
Příspěvky: 9453
Bydliště: Brno (JN89GF)

PříspěvekZaslal: út leden 30 2024, 22:31    Předmět: Citovat

Nějaká vhodná trubka by se třeba našla. Když zapojím tu obrazovku jen takto, tak mi to zobrazí bod uprostřed ne? Tak budu moct snadno ověřit, jestli mi okolní elmag. pole naruší paprsek tak moc, že by mi třeba ujel z obrazovky. Pokud se bude třeba jen lehce chvět, je mi to jedno, na plánovaný účely to nevadí.
Návrat nahoru
Zobrazit informace o autorovi Odeslat soukromou zprávu Zobrazit autorovy WWW stránky
jirka5



Založen: Sep 27, 2014
Příspěvky: 754
Bydliště: Very Stupid District, hned vedle okresu Postřižiny

PříspěvekZaslal: út leden 30 2024, 22:47    Předmět: Citovat

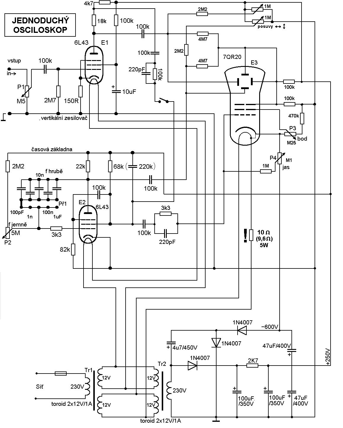
Tohle je upravený schéma toho kukátka z VTM. Hlavní změna spočívá v nahrazení klasického lampového síťového trafa dvěma 2 x 12 V transformátorky. Originál sem dát nemůžu, protože má přes 880 kB, když ho zmenším, tak je z toho rozplizlý nic. Dávám to sem jen tak pro inspiraci....


oscilo1.jpg
 Komentář:
 Velikost:  180.45 kB
 Zobrazeno:  225 krát

oscilo1.jpg


Návrat nahoru
Zobrazit informace o autorovi Odeslat soukromou zprávu
jirka5



Založen: Sep 27, 2014
Příspěvky: 754
Bydliště: Very Stupid District, hned vedle okresu Postřižiny

PříspěvekZaslal: út leden 30 2024, 22:55    Předmět: Citovat

Pokud tam nebudou žádná rušivá elmag. pole a nenaindukuje se žádné rušivé napětí na destičkách, tak by měl být statický bod uprostřed stínítka. Ovšem pozor! Na takový režim není obrazovka stavěná a v krátké době by ti ten bod vypálil do stínítka díru, takže zkoušet s co nejmenším jasem a opravdu jen po nezbytně dlouhou dobu!!!
Návrat nahoru
Zobrazit informace o autorovi Odeslat soukromou zprávu
Yarda1



Založen: Feb 11, 2009
Příspěvky: 2796

PříspěvekZaslal: st leden 31 2024, 4:12    Předmět: Citovat

Kdysi jsem si ubastlil "osciloskop" podle VTM, snad z roku 1961. Údajně převzaté z nějakého sovětského časopisu. Možná zrovna tenhle
jirka5 napsal(a):
Tohle je upravený schéma toho kukátka z VTM...
Ještě ho mám schovaný, ale už dlouho jsem ho nezapínal.
https://kutilska.poradna.net/files/69671-osc1-jpg

_________________
Ve strojovně je voda a na palubě se tančí.
Návrat nahoru
Zobrazit informace o autorovi Odeslat soukromou zprávu
Crifodo



Založen: Oct 11, 2005
Příspěvky: 15004

PříspěvekZaslal: st leden 31 2024, 5:25    Předmět: Citovat

Dočasnost českých webhostingů je trapná, s tím souhlas.
https://web.archive.org/web/20210404162853/http://pokusy.chytrak.cz/schemata/osciloskop.htm
přímo ukazovátko hudby je na http://www.pokusy.chytrak.cz/schemata/tubeamp/6p3samp.htm
Kus topenářské trubky uříznuté flexou jako stínicí kryt by neměl být až takový problém.
Návrat nahoru
Zobrazit informace o autorovi Odeslat soukromou zprávu Odeslat e-mail
Hill
Administrátor


Založen: Sep 10, 2004
Příspěvky: 21093
Bydliště: Jičín, Český ráj

PříspěvekZaslal: st leden 31 2024, 5:55    Předmět: Citovat

Už nevím, kde vyšel osciloskop se dvěma EL84 a 7QR20, ale stavěl jsem ho v roce 1969. Při tom jsem se taky pocvičil v přenášení obrazce plošných spojů fotocestou, prodávala se na to negativní souprava Grafolit.
Elektrická pole nevadila, destičky byly zatížené poměrně malými (což o rozměrech neplatí) anodovými odpory. Zato odstínit magnetická pole a najít správné umístění a polohu síťového trafa, to byl zážitek. Nakonec to spravil konzervový plech - jedno stínění těsně kolem baňky, kónus se opíral o tuším 8 špalíků z 2 mm letecké gumy, co jsem z ní jinak lepil řemínek ke gramofonu. A celé to bylo v rovné trubce asi o 5 mm na průměru větší, ze dna koukala jen patice. A ukazovalo to obdélník z multivibrátoru asi do 80 kHz krásně rovný, výše už se zmenšoval a kulatil. Na nf a hledání implsů v televizích ale stačil.
Ten biograf si pak brácha předělal do líp přenosného šasi a snad ho má dodnes.
Návrat nahoru
Zobrazit informace o autorovi Odeslat soukromou zprávu
ondraN



Založen: Aug 16, 2022
Příspěvky: 882
Bydliště: Roztoky

PříspěvekZaslal: st leden 31 2024, 7:51    Předmět: Citovat

Kdysi bylo v nějakém amáru uveřejněné naprosto jednoduché schéma tranzistorového osciloskopu Heathkit. První část vertikálnío zesilovače byla napájená dvojicí 1,5V AA článků. Ubastlil jsem to s obrazovkou B10S??? bez jakéhokoli krytí. malé tráfko vzadu co nejdále od obrazovky. citlivost 1mV/dílek byla skvělá a nějaký čas jsem s tím bastlil audio. Akorát nemohu zaboha najít, ve kterém amáru to bylo.
Návrat nahoru
Zobrazit informace o autorovi Odeslat soukromou zprávu Odeslat e-mail
forbidden



Založen: Feb 14, 2005
Příspěvky: 9453
Bydliště: Brno (JN89GF)

PříspěvekZaslal: st leden 31 2024, 9:26    Předmět: Citovat

Díky za tipy. Ještě mě zajímá jedna věc, některý ty schémata vůbec nepočítají s anodou. Ta moje B7S2 ji má, ale třeba ta 7QR20 ne? To má jen mřížky?
Návrat nahoru
Zobrazit informace o autorovi Odeslat soukromou zprávu Zobrazit autorovy WWW stránky
HF_Tech



Založen: Apr 25, 2022
Příspěvky: 2068

PříspěvekZaslal: st leden 31 2024, 9:42    Předmět: Citovat

Na zobrazení audia stačí použít moderní obvodové řešení. Je to až směšně jednoduché.


damp.jpg
 Komentář:
 Velikost:  83.54 kB
 Zobrazeno:  163 krát

damp.jpg


Návrat nahoru
Zobrazit informace o autorovi Odeslat soukromou zprávu
EKKAR



Založen: Mar 16, 2005
Příspěvky: 35109
Bydliště: Česká Třebová, JN89FW21

PříspěvekZaslal: st leden 31 2024, 9:58    Předmět: Citovat

forbidden napsal(a):
Díky za tipy. Ještě mě zajímá jedna věc, některý ty schémata vůbec nepočítají s anodou. Ta moje B7S2 ji má, ale třeba ta 7QR20 ne? To má jen mřížky?
Anoda bejvá vyvedená z boku na báni.
_________________
Nasliněný prst na svorkovnici domovního rozvaděče: Jó, paninko, máte tam ty Voltíky všecky...
A kutilmile - nelituju tě Mr. Green Mr. Green !!!
Návrat nahoru
Zobrazit informace o autorovi Odeslat soukromou zprávu Odeslat e-mail
Zobrazit příspěvky z předchozích:   
Přidat nové téma   Zaslat odpověď       Obsah fóra Diskuzní fórum Elektro Bastlírny -> Řešení problémů s různými konstrukcemi Časy uváděny v GMT + 1 hodina
Jdi na stránku 1, 2, 3  Další
Strana 1 z 3

 
Přejdi na:  
Nemůžete odesílat nové téma do tohoto fóra.
Nemůžete odpovídat na témata v tomto fóru.
Nemůžete upravovat své příspěvky v tomto fóru.
Nemůžete mazat své příspěvky v tomto fóru.
Nemůžete hlasovat v tomto fóru.
Nemůžete připojovat soubory k příspěvkům
Můžete stahovat a prohlížet přiložené soubory

Powered by phpBB © 2001, 2005 phpBB Group
Forums ©
Nuke - Elektro Bastlirna

Informace na portálu Elektro bastlírny jsou prezentovány za účelem vzdělání čtenářů a rozšíření zájmu o elektroniku. Autoři článků na serveru neberou žádnou zodpovědnost za škody vzniklé těmito zapojeními. Rovněž neberou žádnou odpovědnost za případnou újmu na zdraví vzniklou úrazem elektrickým proudem. Autoři a správci těchto stránek nepřejímají záruku za správnost zveřejněných materiálů. Předkládané informace a zapojení jsou zveřejněny bez ohledu na případné patenty třetích osob. Nároky na odškodnění na základě změn, chyb nebo vynechání jsou zásadně vyloučeny. Všechny registrované nebo jiné obchodní známky zde použité jsou majetkem jejich vlastníků. Uvedením nejsou zpochybněna z toho vyplývající vlastnická práva. Použití konstrukcí v rozporu se zákonem je přísně zakázáno. Vzhledem k tomu, že původ předkládaných materiálů nelze žádným způsobem dohledat, nelze je použít pro komerční účely! Tento nekomerční server nemá z uvedených zapojení či konstrukcí žádný zisk. Nezodpovídáme za pravost předkládaných materiálů třetími osobami a jejich původ. V případě, že zjistíte porušení autorského práva či jiné nesrovnalosti, kontaktujte administrátory na diskuzním fóru EB.


PHP-Nuke Copyright © 2005 by Francisco Burzi. This is free software, and you may redistribute it under the GPL. PHP-Nuke comes with absolutely no warranty, for details, see the license.
Čas potřebný ke zpracování stránky 0.17 sekund