Vítejte na Elektro Bastlírn?
Nuke - Elektro Bastlirna
  Vytvořit účet Hlavní · Fórum · DDump · Profil · Zprávy · Hledat na fóru · Příspěvky na provoz EB

Vlákno na téma KORONAVIRUS - nutná registrace


Nuke - Elektro Bastlirna: Diskuzní fórum

 FAQFAQ   HledatHledat   Uživatelské skupinyUživatelské skupiny   ProfilProfil   Soukromé zprávySoukromé zprávy   PřihlášeníPřihlášení 

LA4282 - funkce Mute - VYŘEŠENO
Jdi na stránku 1, 2  Další
 
Přidat nové téma   Zaslat odpověď       Obsah fóra Diskuzní fórum Elektro Bastlírny -> Součástky
Zobrazit předchozí téma :: Zobrazit následující téma  
Autor Zpráva
Michal22



Založen: Mar 28, 2012
Příspěvky: 8208
Bydliště: Brno

PříspěvekZaslal: po listopad 22 2021, 12:36    Předmět: LA4282 - funkce Mute - VYŘEŠENO Citovat

Ahoj,
nevěděl by někdo, jak funguje funkce Mute u obvodu LA4282?
Datasheet tady.
Nechápu z popisu, jestli je obvod umlčený ve chvíli, kdy je pin 8 připojený k Vcc, nebo jestli je umlčený tehdy, když není pin 8 spojený s Vcc.

Díky

_________________
Civilizace založená na oboustranné lepící pásce nemůže dobře skončit...
I kdyby se z tebe jednou stal král, neodsuzuj lidi, kteří ti nebudou provolávat slávu- raději se zeptej sám sebe, proč tomu tak není...


Naposledy upravil Michal22 dne čt listopad 25 2021, 18:38, celkově upraveno 1 krát.
Návrat nahoru
Zobrazit informace o autorovi Odeslat soukromou zprávu Odeslat e-mail
Zaky



Založen: Oct 30, 2010
Příspěvky: 6948
Bydliště: Praha

PříspěvekZaslal: po listopad 22 2021, 12:49    Předmět: Citovat

Chápu to tak, že sepnutím spínače ve schématu v datasheetu se mute aktivuje, tedy mute vstup bez napětí - zesilovač hraje, mute vstup přes příslušný R na napájení - zesilovač nehraje,
_________________
Krátce před tím, než se to rozbilo, tak to ještě fungovalo...
Návrat nahoru
Zobrazit informace o autorovi Odeslat soukromou zprávu
p32



Založen: Jan 13, 2007
Příspěvky: 16501
Bydliště: Olomouc

PříspěvekZaslal: po listopad 22 2021, 13:26    Předmět: Citovat

Přesně tak. Normálně to hraje a když to potřebuješ ztišit, tak stiskneš tlačítko. Vnitřní obvod je aktivován vnějším napětím přes ochranný rezistor.
Návrat nahoru
Zobrazit informace o autorovi Odeslat soukromou zprávu
termit256



Založen: Dec 06, 2007
Příspěvky: 10335

PříspěvekZaslal: po listopad 22 2021, 13:31    Předmět: Citovat

V datasheetu je napsano ze spinac v poloze ON udela funkci mute, vic to tam popsane neni, takze bych se taky priklanel k tomu co napsal Zaky.
Návrat nahoru
Zobrazit informace o autorovi Odeslat soukromou zprávu
Michal22



Založen: Mar 28, 2012
Příspěvky: 8208
Bydliště: Brno

PříspěvekZaslal: po listopad 22 2021, 14:18    Předmět: Citovat

Tak potom jsem v koncích - donesl mi kolega modul zesilovače s tímto obvodem, je to (pravděpodobně) z nějakých varhan.
LA4282 tam vyhořel, tak jej kolega vyměnil a nehrálo to.
Přinesl mi modul, já si připojil napájení a měřil napětí na výstupu.
Vzhledem k tomu, že je to zesilovač v třídě AB, předpokládám tedy, že by na výstupech měla být polovina napájecího napětí.
Ale naměřil jsem jen pár set milivolt.
Odběr by měl být kolem 60 mA v klidu, ale mě zdroj ukazoval jen 10 mA.
Když jsem si na vstup připojil generátor, tak na výstupu nebylo nic.

Tak jsem mu řekl, že je tenhle koncák vadný, že už to má za sebou.
Kolegovi se podařilo objednat ještě jeden, přímo z Mouseru, a dnes se mi dostal do ruk.
Vyměnil jsem tedy LA4282, měřím, a jsem zase tam, kde jsem byl předtím - na výstupu asi 190mV, odběr cca 10 mA, a samozřejmě nezesiluje.
Tak už nevím, kde může být problém.
Napájení na integráč jde, odpor z Mute mám vypájený pryč (čili jako by byl spínač rozepnutý), ale těch 10 mA odběru a 190 mV na výstupu je určitě špatně.
Co teď?
Další IO už na Mouseru nemají...

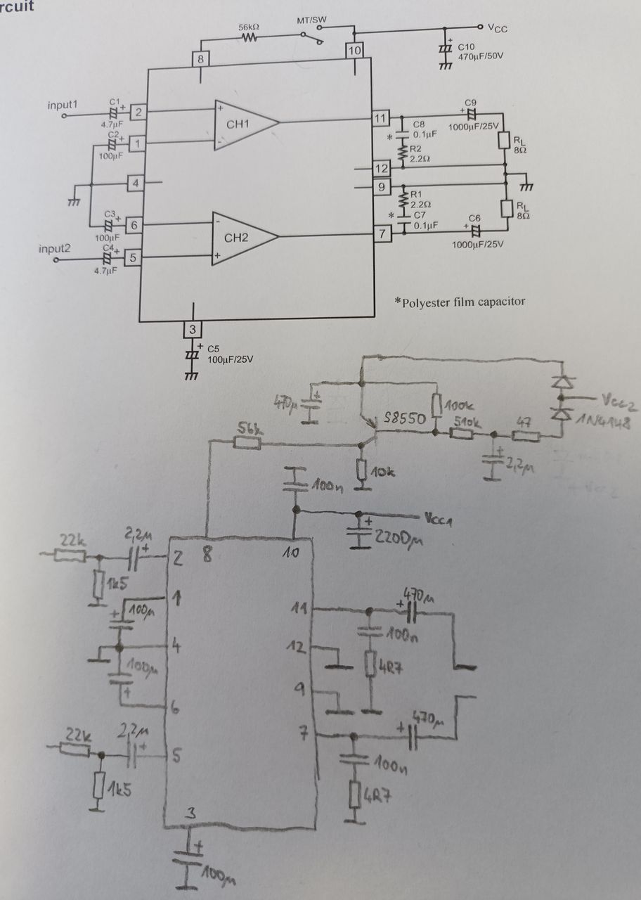
Pod katalogové zapojení jsem překreslil reálné zapojení z modulu.



LA4282.jpg
 Komentář:
 Velikost:  101.1 kB
 Zobrazeno:  192 krát

LA4282.jpg



_________________
Civilizace založená na oboustranné lepící pásce nemůže dobře skončit...
I kdyby se z tebe jednou stal král, neodsuzuj lidi, kteří ti nebudou provolávat slávu- raději se zeptej sám sebe, proč tomu tak není...
Návrat nahoru
Zobrazit informace o autorovi Odeslat soukromou zprávu Odeslat e-mail
Eleman



Založen: Feb 21, 2011
Příspěvky: 3556
Bydliště: Český Středozápad (JO70AD)

PříspěvekZaslal: po listopad 22 2021, 14:42    Předmět: Citovat

Některé obvody mají při Mute na výstupu (téměř) nulové ss napětí. Je to pravděpodobně dáno tím, že konce jsou pro snížení spotřeby uplně zavřené.
Nedávno jsem řešil něco podobného, typ IO už si nepamatuji. Na výstupu stejnosměrně cca 100mV a ticho. Taky jsem mysle, že IO v háji. Ale bylo zamutováno proraženým smd kondíkem na vstupu mute. Po jeho odpojení, resp. výměně vše OK. Tam se ale mutovalo připojením <3V na řídící vstup.

_________________
[size=9]Člověk se celý život učí jenom proto, aby ve stáří všechno zapomněl.
„Když už člověk jednou je, tak má koukat aby byl. A když kouká, aby byl, a je, tak má být to, co je, a nemá být to, co není, jak tomu v mnoha případech je.“ J. Werich
Návrat nahoru
Zobrazit informace o autorovi Odeslat soukromou zprávu Odeslat e-mail
termit256



Založen: Dec 06, 2007
Příspěvky: 10335

PříspěvekZaslal: po listopad 22 2021, 14:51    Předmět: Citovat

No a kdyz to mute pripojis/odpojis na napajeci napei, je tam nejaky rozdil?
Návrat nahoru
Zobrazit informace o autorovi Odeslat soukromou zprávu
hajeklubos



Založen: May 01, 2008
Příspěvky: 878
Bydliště: Praha 5

PříspěvekZaslal: po listopad 22 2021, 15:08    Předmět: Citovat

Michale,
změřil jsi to základní? Tedy co se děje na pinu 8 při "zamutováno/odmutováno".
Také si dávej bacha při testování na příliš velké napětí na pin MUTE. Při jednom takovém bastlení jsem odprásknul koncák v Soňáku. Možná také začít tím, že nabudíš vstupy 1kHz z generu a na výstupy osciloskop. To jen takový námět, jak bych do toho šel.
Přece to nevzdáš. Luboš
Návrat nahoru
Zobrazit informace o autorovi Odeslat soukromou zprávu
Michal22



Založen: Mar 28, 2012
Příspěvky: 8208
Bydliště: Brno

PříspěvekZaslal: po listopad 22 2021, 15:40    Předmět: Citovat

Když zapojím odpor 56kOhm mezi Vcc a pin 8, tak se odběr zvýší na 40 mA, na výstupu je cca 270mV stejnosměrných a žádný signál (do vstupů pouštím z telefonu 1kHz, amplituda cca 160 mV přímo na vstupních elytech).
_________________
Civilizace založená na oboustranné lepící pásce nemůže dobře skončit...
I kdyby se z tebe jednou stal král, neodsuzuj lidi, kteří ti nebudou provolávat slávu- raději se zeptej sám sebe, proč tomu tak není...
Návrat nahoru
Zobrazit informace o autorovi Odeslat soukromou zprávu Odeslat e-mail
Michal22



Založen: Mar 28, 2012
Příspěvky: 8208
Bydliště: Brno

PříspěvekZaslal: po listopad 22 2021, 15:43    Předmět: Citovat

Luboši, od začátku to zkouším tak, že si na vstup připojuji mobil s aplikací Generátor, na výstup se dívám osciloskopem.
Pokud mám pin 8 připojený přes odpor 56kOhm přímo na Vcc, tak je za odporem asi 1,28 V.

_________________
Civilizace založená na oboustranné lepící pásce nemůže dobře skončit...
I kdyby se z tebe jednou stal král, neodsuzuj lidi, kteří ti nebudou provolávat slávu- raději se zeptej sám sebe, proč tomu tak není...
Návrat nahoru
Zobrazit informace o autorovi Odeslat soukromou zprávu Odeslat e-mail
Michal22



Založen: Mar 28, 2012
Příspěvky: 8208
Bydliště: Brno

PříspěvekZaslal: po listopad 22 2021, 16:21    Předmět: Citovat

Elemane, přemýšlím o tom, ale proč tedy v datasheetu mají popsané vše tak, jak mají?
Navíc v tom reálném zapojení to tranzistor S8550 pouští z druhého zdroje Vcc2, kde může být maximálně 16V.

_________________
Civilizace založená na oboustranné lepící pásce nemůže dobře skončit...
I kdyby se z tebe jednou stal král, neodsuzuj lidi, kteří ti nebudou provolávat slávu- raději se zeptej sám sebe, proč tomu tak není...
Návrat nahoru
Zobrazit informace o autorovi Odeslat soukromou zprávu Odeslat e-mail
hajeklubos



Založen: May 01, 2008
Příspěvky: 878
Bydliště: Praha 5

PříspěvekZaslal: po listopad 22 2021, 18:36    Předmět: Citovat

Také mě vytáčí, když všechny součástky vypadají Ok a zařízení najede.
Jako poslední záchranu, bych vyndal oba výstupní kondy, nechal jenom oměřený Buscherot. Osciloskop přímo na šváb.Provizorně vyměnit ty 100mikra a vstupní kondy. Na vstupních pinech předpokládám změřený signál osciloskopem. MUTE zapojit provizorně podle "datašítu" Poslední možností je asi brouka vytáhnout , na nohy připojit těch pár součástek na hulváta a napájet to z cizího zdroje. To už je poslední test samotného švábu.
Pak už je konec. Ještě mě napadá, prohlédni lupou plošný spoj. U zesilovače Bavoráku jsem jednou našel nevýrazný zelený spoj na pinech švábu. Koncák dělal hrozný věci. Pomohlo silné proškrábání DPS. Tak ti přeju úspěch. V každém případě napiš jak jsi pochodil.
Luboš
PS na nějakém ruském servru jsem našel schema bez zapojené 8. Mělo by to hrát tedy s 8 ve vzduchu. Neověřeno!
Návrat nahoru
Zobrazit informace o autorovi Odeslat soukromou zprávu
Zaky



Založen: Oct 30, 2010
Příspěvky: 6948
Bydliště: Praha

PříspěvekZaslal: po listopad 22 2021, 20:21    Předmět: Citovat

Zkus změřit to napětí na pinu 8, když to má hrát. Jestli je opravdu dostatečně malé, případně tu nohu přes nějaký rezistor zkus uzemnit.
_________________
Krátce před tím, než se to rozbilo, tak to ještě fungovalo...
Návrat nahoru
Zobrazit informace o autorovi Odeslat soukromou zprávu
Michal22



Založen: Mar 28, 2012
Příspěvky: 8208
Bydliště: Brno

PříspěvekZaslal: po listopad 22 2021, 22:00    Předmět: Citovat

Zaky, ale kdy to má hrát?
Ten stav, kdy jsem odpojil pin 8 od všeho, by teoreticky měl znamenat, že je obvod "UnMute", ale v tu chvíli tam bylo skoro nic (nějakých 90 mV podle oscila), zesilovač nezesiloval, tak dost pochybuju o tom, že by přizemnění nějak pomohlo.
Ale klidně to zítra zkusím.

_________________
Civilizace založená na oboustranné lepící pásce nemůže dobře skončit...
I kdyby se z tebe jednou stal král, neodsuzuj lidi, kteří ti nebudou provolávat slávu- raději se zeptej sám sebe, proč tomu tak není...
Návrat nahoru
Zobrazit informace o autorovi Odeslat soukromou zprávu Odeslat e-mail
ok1hga



Založen: Nov 28, 2006
Příspěvky: 12563
Bydliště: Česká Třebová

PříspěvekZaslal: po listopad 22 2021, 22:18    Předmět: Citovat

tady ho taky mají . . .
ten zesik by neměl mít žádné záludnosti, pracovat by to mělo na první zapojení
kolik jsi připojoval napětí napájení ?
kolik měl zdroj naprázdno ? (max 32V)
taky si nejsem jistý jestli nemá být uzemněná vodivá ploška spojená s chladičem . . .
nebo naopak neuzemněná a k chladiči jen přes izolační podložku.
ta půlka napájení na nohách č.7 a č.11 musí být a pokud není, je obvod opět v háji.



LA4282-AKIRA CT-29K36ET.jpg
 Komentář:
 Velikost:  191.09 kB
 Zobrazeno:  175 krát

LA4282-AKIRA CT-29K36ET.jpg


Návrat nahoru
Zobrazit informace o autorovi Odeslat soukromou zprávu
Zobrazit příspěvky z předchozích:   
Přidat nové téma   Zaslat odpověď       Obsah fóra Diskuzní fórum Elektro Bastlírny -> Součástky Časy uváděny v GMT + 1 hodina
Jdi na stránku 1, 2  Další
Strana 1 z 2

 
Přejdi na:  
Nemůžete odesílat nové téma do tohoto fóra.
Nemůžete odpovídat na témata v tomto fóru.
Nemůžete upravovat své příspěvky v tomto fóru.
Nemůžete mazat své příspěvky v tomto fóru.
Nemůžete hlasovat v tomto fóru.
Nemůžete připojovat soubory k příspěvkům
Můžete stahovat a prohlížet přiložené soubory

Powered by phpBB © 2001, 2005 phpBB Group
Forums ©
Nuke - Elektro Bastlirna

Informace na portálu Elektro bastlírny jsou prezentovány za účelem vzdělání čtenářů a rozšíření zájmu o elektroniku. Autoři článků na serveru neberou žádnou zodpovědnost za škody vzniklé těmito zapojeními. Rovněž neberou žádnou odpovědnost za případnou újmu na zdraví vzniklou úrazem elektrickým proudem. Autoři a správci těchto stránek nepřejímají záruku za správnost zveřejněných materiálů. Předkládané informace a zapojení jsou zveřejněny bez ohledu na případné patenty třetích osob. Nároky na odškodnění na základě změn, chyb nebo vynechání jsou zásadně vyloučeny. Všechny registrované nebo jiné obchodní známky zde použité jsou majetkem jejich vlastníků. Uvedením nejsou zpochybněna z toho vyplývající vlastnická práva. Použití konstrukcí v rozporu se zákonem je přísně zakázáno. Vzhledem k tomu, že původ předkládaných materiálů nelze žádným způsobem dohledat, nelze je použít pro komerční účely! Tento nekomerční server nemá z uvedených zapojení či konstrukcí žádný zisk. Nezodpovídáme za pravost předkládaných materiálů třetími osobami a jejich původ. V případě, že zjistíte porušení autorského práva či jiné nesrovnalosti, kontaktujte administrátory na diskuzním fóru EB.


PHP-Nuke Copyright © 2005 by Francisco Burzi. This is free software, and you may redistribute it under the GPL. PHP-Nuke comes with absolutely no warranty, for details, see the license.
Čas potřebný ke zpracování stránky 0.18 sekund