Vítejte na Elektro Bastlírn?
Nuke - Elektro Bastlirna
  Vytvořit účet Hlavní · Fórum · DDump · Profil · Zprávy · Hledat na fóru · Příspěvky na provoz EB

Vlákno na téma KORONAVIRUS - nutná registrace


Nuke - Elektro Bastlirna: Diskuzní fórum

 FAQFAQ   HledatHledat   Uživatelské skupinyUživatelské skupiny   ProfilProfil   Soukromé zprávySoukromé zprávy   PřihlášeníPřihlášení 

Detekce síťového napětí
Jdi na stránku 1, 2  Další
 
Přidat nové téma   Zaslat odpověď       Obsah fóra Diskuzní fórum Elektro Bastlírny -> Poradna
Zobrazit předchozí téma :: Zobrazit následující téma  
Autor Zpráva
sewerman_cz



Založen: Feb 13, 2011
Příspěvky: 289
Bydliště: Brno

PříspěvekZaslal: út únor 02 2016, 21:27    Předmět: Detekce síťového napětí Citovat

Potřebuji detekovat síťové napětí pomocí MCU.
Nakreslil jsem jednoduché schémátko s optočlenem. Na webu jsem ale ještě nalezl obdobné schéma bez C1.
Je navržené schéma v pořádku?
Mám C1 nechat nebo vynechat?



signalizace 230V.png
 Komentář:

Stáhnout
 Soubor:  signalizace 230V.png
 Velikost:  8.68 kB
 Staženo:  172 krát

Návrat nahoru
Zobrazit informace o autorovi Odeslat soukromou zprávu Zobrazit autorovy WWW stránky
Sendyx



Založen: Jun 05, 2005
Příspěvky: 12487
Bydliště: Ostrava

PříspěvekZaslal: út únor 02 2016, 21:30    Předmět: Citovat

Proč tak složitě?
_________________
Curvetraceristé všech zemí spojte se!
Návrat nahoru
Zobrazit informace o autorovi Odeslat soukromou zprávu
Kvicala_r



Založen: Jan 19, 2005
Příspěvky: 3521
Bydliště: Haná / N.J.

PříspěvekZaslal: út únor 02 2016, 21:46    Předmět: Citovat

Pokud bys ten C1 vynechal, tak to budeš mít i s ohňostrojem - přes 100R by Ti ta zenerka asi dlouho nevydržela Smile
Návrat nahoru
Zobrazit informace o autorovi Odeslat soukromou zprávu
kachle



Založen: Nov 23, 2015
Příspěvky: 276

PříspěvekZaslal: út únor 02 2016, 22:06    Předmět: Citovat

Sendyx napsal(a):
Proč tak složitě?

Tak nekonstatuj a něco navrni. Od toho jsme tady.
Návrat nahoru
Zobrazit informace o autorovi Odeslat soukromou zprávu
sewerman_cz



Založen: Feb 13, 2011
Příspěvky: 289
Bydliště: Brno

PříspěvekZaslal: út únor 02 2016, 22:18    Předmět: Citovat

Možná složitě, ale doufám že bezpečně.
Nějaké doporučení pro návrh DPS?
Na desce bude dvakrát tento detektor a jednou relé pro spínání síťového napětí.
Návrat nahoru
Zobrazit informace o autorovi Odeslat soukromou zprávu Zobrazit autorovy WWW stránky
Zaky



Založen: Oct 30, 2010
Příspěvky: 6989
Bydliště: Praha

PříspěvekZaslal: út únor 02 2016, 22:22    Předmět: Citovat

Sice by to jednodušeji šlo, ale takhle je to pro ledku optočlenu bezpečnější, ještě bych mezi filtrační C a ledku přidal odpor, nějak se mi ta kombinace ledky přímo na velkém C nelíbí. A nastav proud ledkou dost malý, optočleny pokud možno nemají v klidovém stavu svítit, často to jinak nejde a i tady bude svítit pořád, tak ať ta ledka něco vydrží, proud fototranzistorem na druhé straně ti bude pro buzení brány MCU stačit taky malý, tak v tom není problém.
Návrat nahoru
Zobrazit informace o autorovi Odeslat soukromou zprávu
termit256



Založen: Dec 06, 2007
Příspěvky: 10335

PříspěvekZaslal: út únor 02 2016, 22:47    Předmět: Citovat

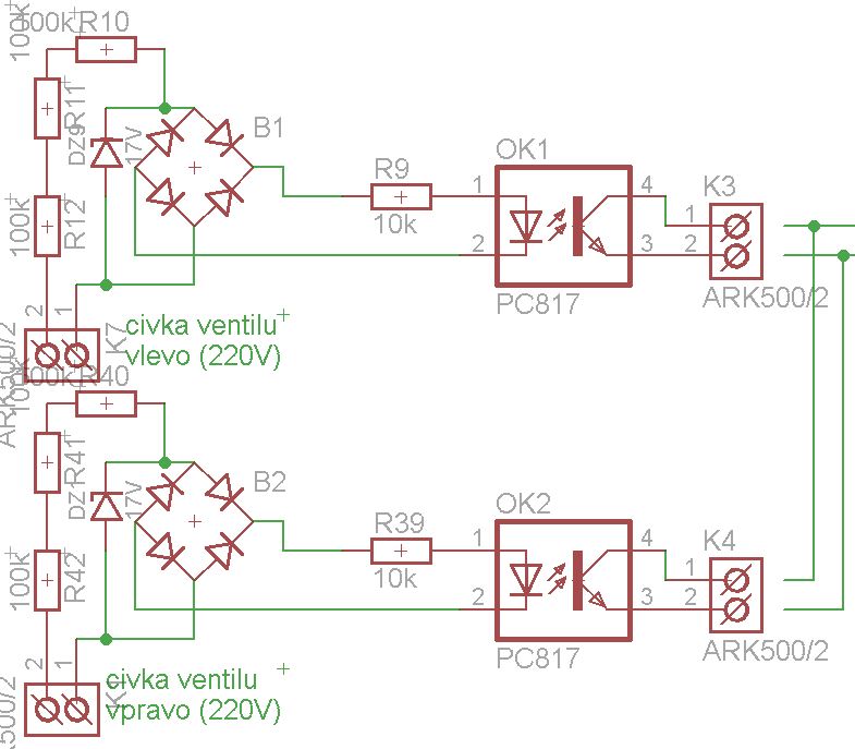
Pouzivam roky tohle a zadny problem.


AAA.JPG
 Komentář:

Stáhnout
 Soubor:  AAA.JPG
 Velikost:  74.77 kB
 Staženo:  144 krát

Návrat nahoru
Zobrazit informace o autorovi Odeslat soukromou zprávu
Michal22



Založen: Mar 28, 2012
Příspěvky: 8217
Bydliště: Brno

PříspěvekZaslal: út únor 02 2016, 22:58    Předmět: Citovat

Termite, ten můstek za zenerkou je tam už trochu zbytečný, ne?
_________________
Civilizace založená na oboustranné lepící pásce nemůže dobře skončit...
I kdyby se z tebe jednou stal král, neodsuzuj lidi, kteří ti nebudou provolávat slávu- raději se zeptej sám sebe, proč tomu tak není...
Návrat nahoru
Zobrazit informace o autorovi Odeslat soukromou zprávu Odeslat e-mail
Sendyx



Založen: Jun 05, 2005
Příspěvky: 12487
Bydliště: Ostrava

PříspěvekZaslal: st únor 03 2016, 0:28    Předmět: Citovat

Používám v mnoha přístrojích toto, s trochu jiným optronem, ev. pokud to má nějak řešit podpětí, tak jsou v sérii zenerky. Lze s výhodou aplikovat i na sekundár napájecího trafa přístroje.

http://images.elektroda.net/95_1266485807.jpg

_________________
Curvetraceristé všech zemí spojte se!
Návrat nahoru
Zobrazit informace o autorovi Odeslat soukromou zprávu
termit256



Založen: Dec 06, 2007
Příspěvky: 10335

PříspěvekZaslal: st únor 03 2016, 7:14    Předmět: Citovat

Michal22 napsal(a):
Termite, ten můstek za zenerkou je tam už trochu zbytečný, ne?


Ja to zapojeni obslehl tusim z nejakeho vstrikovaciho lisu a moc jsem nad tim nepremyslel. Je to napojeno na civku spinanou stykaci a v puvodnim zapojeni obcas odesel optoclen. Jako reseni poslal servis takove moduly kde bylo tohle a od te doby zadny problem. Mam dojem ze ta zenerka je ve skutecnosti transil.
Návrat nahoru
Zobrazit informace o autorovi Odeslat soukromou zprávu
Zaky



Založen: Oct 30, 2010
Příspěvky: 6989
Bydliště: Praha

PříspěvekZaslal: st únor 03 2016, 8:34    Předmět: Citovat

Můstek tam bude nejspíš proto, že zapojení je navrženo univerzálně, takže funguje po přivedení AC i DC napětí.
Návrat nahoru
Zobrazit informace o autorovi Odeslat soukromou zprávu
renda15



Založen: Nov 05, 2005
Příspěvky: 650
Bydliště: Liberec

PříspěvekZaslal: st únor 03 2016, 8:56    Předmět: Citovat

Zaky napsal(a):
Můstek tam bude nejspíš proto, že zapojení je navrženo univerzálně, takže funguje po přivedení AC i DC napětí.

To by ta zenerka ale musela být na výstupu můstku, takhle ti to při jedné polaritě stejně nepůjde. Pokud to je obousměrný transil tak to možné je.


Naposledy upravil renda15 dne st únor 03 2016, 8:57, celkově upraveno 1 krát.
Návrat nahoru
Zobrazit informace o autorovi Odeslat soukromou zprávu Odeslat e-mail
Zaky



Založen: Oct 30, 2010
Příspěvky: 6989
Bydliště: Praha

PříspěvekZaslal: st únor 03 2016, 8:57    Předmět: Citovat

Taky ta zenerka může být obousměrný transil.
Návrat nahoru
Zobrazit informace o autorovi Odeslat soukromou zprávu
renda15



Založen: Nov 05, 2005
Příspěvky: 650
Bydliště: Liberec

PříspěvekZaslal: st únor 03 2016, 8:58    Předmět: Citovat

to bylo myšlenkové souznění Smile
Návrat nahoru
Zobrazit informace o autorovi Odeslat soukromou zprávu Odeslat e-mail
p32



Založen: Jan 13, 2007
Příspěvky: 16545
Bydliště: Olomouc

PříspěvekZaslal: st únor 03 2016, 12:53    Předmět: Citovat

Souznění bylo hezké, ale to co nabídl Senadyx, tak plně postačuje. Má to být pro síťové napětí, ne pro menší, a to je jen střídavé. Jestli to chcete mít složitější, tak tam dejte rovnou jednoúčelový procesor a můžete ho přeprogramovávat. Laughing
Návrat nahoru
Zobrazit informace o autorovi Odeslat soukromou zprávu
Zobrazit příspěvky z předchozích:   
Přidat nové téma   Zaslat odpověď       Obsah fóra Diskuzní fórum Elektro Bastlírny -> Poradna Časy uváděny v GMT + 1 hodina
Jdi na stránku 1, 2  Další
Strana 1 z 2

 
Přejdi na:  
Nemůžete odesílat nové téma do tohoto fóra.
Nemůžete odpovídat na témata v tomto fóru.
Nemůžete upravovat své příspěvky v tomto fóru.
Nemůžete mazat své příspěvky v tomto fóru.
Nemůžete hlasovat v tomto fóru.
Nemůžete připojovat soubory k příspěvkům
Můžete stahovat a prohlížet přiložené soubory

Powered by phpBB © 2001, 2005 phpBB Group
Forums ©
Nuke - Elektro Bastlirna

Informace na portálu Elektro bastlírny jsou prezentovány za účelem vzdělání čtenářů a rozšíření zájmu o elektroniku. Autoři článků na serveru neberou žádnou zodpovědnost za škody vzniklé těmito zapojeními. Rovněž neberou žádnou odpovědnost za případnou újmu na zdraví vzniklou úrazem elektrickým proudem. Autoři a správci těchto stránek nepřejímají záruku za správnost zveřejněných materiálů. Předkládané informace a zapojení jsou zveřejněny bez ohledu na případné patenty třetích osob. Nároky na odškodnění na základě změn, chyb nebo vynechání jsou zásadně vyloučeny. Všechny registrované nebo jiné obchodní známky zde použité jsou majetkem jejich vlastníků. Uvedením nejsou zpochybněna z toho vyplývající vlastnická práva. Použití konstrukcí v rozporu se zákonem je přísně zakázáno. Vzhledem k tomu, že původ předkládaných materiálů nelze žádným způsobem dohledat, nelze je použít pro komerční účely! Tento nekomerční server nemá z uvedených zapojení či konstrukcí žádný zisk. Nezodpovídáme za pravost předkládaných materiálů třetími osobami a jejich původ. V případě, že zjistíte porušení autorského práva či jiné nesrovnalosti, kontaktujte administrátory na diskuzním fóru EB.


PHP-Nuke Copyright © 2005 by Francisco Burzi. This is free software, and you may redistribute it under the GPL. PHP-Nuke comes with absolutely no warranty, for details, see the license.
Čas potřebný ke zpracování stránky 0.17 sekund