Vítejte na Elektro Bastlírn?
Nuke - Elektro Bastlirna
  Vytvořit účet
Hlavní · Fórum · DDump · Profil · Zprávy · Hledat na fóru


Nuke - Elektro Bastlirna: Diskuzní fórum

 FAQFAQ   HledatHledat   Uživatelské skupinyUživatelské skupiny   ProfilProfil   Soukromé zprávySoukromé zprávy   PřihlášeníPřihlášení 

Pasivní LC filtr
Jdi na stránku 1, 2  Další
 
Přidat nové téma   Zaslat odpověď       Obsah fóra Diskuzní fórum Elektro Bastlírny -> Teorie
Zobrazit předchozí téma :: Zobrazit následující téma  
Autor Zpráva
Izmail



Založen: Sep 26, 2008
Příspěvky: 157

PříspěvekZaslal: po prosinec 01 2008, 18:08    Předmět: Pasivní LC filtr Citovat

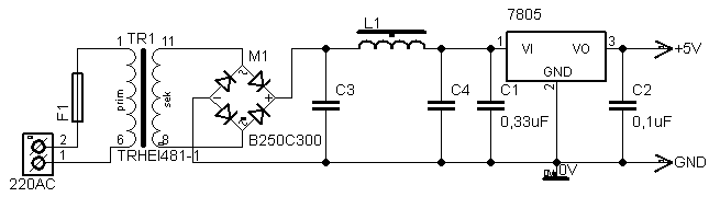
Zdravím, potřeboval bych poradit, jak vypočítat hodnoty kondenzátorů a tlumivky v pasivním LC filtru, který bude filtrovat zvlnění za usměrňovačem.
Na výstupu transformatoru bude podle katalogu 9V
Diky moc



screen.png
 Komentář:

Stáhnout
 Soubor:  screen.png
 Velikost:  2.07 kB
 Staženo:  242 krát

Návrat nahoru
Zobrazit informace o autorovi Odeslat soukromou zprávu
Andrea



Založen: Sep 07, 2007
Příspěvky: 9340

PříspěvekZaslal: po prosinec 01 2008, 19:14    Předmět: Citovat

Izmail napsal(a):
Zdravím, potřeboval bych poradit, jak vypočítat hodnoty kondenzátorů a tlumivky v pasivním LC filtru, který bude filtrovat zvlnění za usměrňovačem.
Na výstupu transformatoru bude podle katalogu 9V
Diky moc

A ta tlemifka je tam protože je to napsané v zadání nebo protože se nudíš?
Návrat nahoru
Zobrazit informace o autorovi Odeslat soukromou zprávu
Izmail



Založen: Sep 26, 2008
Příspěvky: 157

PříspěvekZaslal: po prosinec 01 2008, 19:17    Předmět: Citovat

Andrea napsal(a):
Izmail napsal(a):
Zdravím, potřeboval bych poradit, jak vypočítat hodnoty kondenzátorů a tlumivky v pasivním LC filtru, který bude filtrovat zvlnění za usměrňovačem.
Na výstupu transformatoru bude podle katalogu 9V
Diky moc

A ta tlemifka je tam protože je to napsané v zadání nebo protože se nudíš?
No nenudim se, ani to v zadani neni Very Happy.
Cetl jsem, ze je to lepsi filtrace nez s kondenzatorem Smile, tak proto.
Návrat nahoru
Zobrazit informace o autorovi Odeslat soukromou zprávu
Andrea



Založen: Sep 07, 2007
Příspěvky: 9340

PříspěvekZaslal: po prosinec 01 2008, 19:22    Předmět: Citovat

Izmail napsal(a):
No nenudim se, ani to v zadani neni Very Happy.
Cetl jsem, ze je to lepsi filtrace nez s kondenzatorem Smile, tak proto.

Ale když je za tím ten stabilík, tak je to celkem zbytečné.
Návrat nahoru
Zobrazit informace o autorovi Odeslat soukromou zprávu
pajosek2



Založen: Feb 24, 2007
Příspěvky: 3995
Bydliště: Zlínsko

PříspěvekZaslal: po prosinec 01 2008, 19:26    Předmět: Citovat

Ta tlumivka se používala pro zlepšení filtrace,ale dnes tohle řešení už není moc používané. Ten stabil na konci funguje jako polovodičová tlumivka nesrovnatelně líp a to bez ohledu na změny odebíraného proudu.
_________________
To,že někdo dělá věci jinak než by jsi je dělal Ty ještě neznamená,že to dělá špatně.

Nemám zájem o korekci pravopisu.
Návrat nahoru
Zobrazit informace o autorovi Odeslat soukromou zprávu Odeslat e-mail
Izmail



Založen: Sep 26, 2008
Příspěvky: 157

PříspěvekZaslal: po prosinec 01 2008, 19:26    Předmět: Citovat

Takže filtrační kondík bude bochatě stačit?
EDIT: Nebo spíš se zeptát takhle, bude stačit, když hodnotu kondíku určím ze vzorce Cf=(I*0,01)/Uzvl (zvlnění)?
V knížce mám ještě vzorec, ve kterém je arccos.
Návrat nahoru
Zobrazit informace o autorovi Odeslat soukromou zprávu
Crifodo



Založen: Oct 11, 2005
Příspěvky: 15004

PříspěvekZaslal: po prosinec 01 2008, 21:04    Předmět: Citovat

To byste se divili, jak se na takových tlumivkách dokážou vyskákat salonní hifisti. Jsou schopní zkoušet dvacetpět odrušení nesymetrických a kompenzovaných a na každé napsat epopej o pevných basech a jásavých výškách a hutných středech. K tomu blokovací kondy se zvukem chlupatým, zastřeným, lesklým, pravdivým, bezprostředním a co já vím. Stačí zabloudit na nejmenované fórum Twisted Evil
Návrat nahoru
Zobrazit informace o autorovi Odeslat soukromou zprávu Odeslat e-mail
tomasjedno



Založen: Oct 11, 2008
Příspěvky: 6630
Bydliště: ZZ9 Plural Z Alpha

PříspěvekZaslal: po prosinec 01 2008, 21:29    Předmět: Citovat

Izmail napsal(a):
Zdravím, potřeboval bych poradit, jak vypočítat hodnoty kondenzátorů a tlumivky v pasivním LC filtru, který bude filtrovat zvlnění za usměrňovačem.
Na výstupu transformatoru bude podle katalogu 9V
Diky moc


Jenom nezapomeň, že už nějakou dobu máme u nás nominálně 230V~ Razz
Návrat nahoru
Zobrazit informace o autorovi Odeslat soukromou zprávu
tomasjedno



Založen: Oct 11, 2008
Příspěvky: 6630
Bydliště: ZZ9 Plural Z Alpha

PříspěvekZaslal: po prosinec 01 2008, 21:31    Předmět: Citovat

Crifodo napsal(a):
To byste se divili, jak se na takových tlumivkách dokážou vyskákat salonní hifisti. Jsou schopní zkoušet dvacetpět odrušení nesymetrických a kompenzovaných a na každé napsat epopej o pevných basech a jásavých výškách a hutných středech. K tomu blokovací kondy se zvukem chlupatým, zastřeným, lesklým, pravdivým, bezprostředním a co já vím. Stačí zabloudit na nejmenované fórum Twisted Evil


No jo, oni poznají ušima i zlacené kontakty v zásuvce 230.
Návrat nahoru
Zobrazit informace o autorovi Odeslat soukromou zprávu
zdenoeddie



Založen: Oct 31, 2007
Příspěvky: 2577
Bydliště: uz len Presov :)

PříspěvekZaslal: po prosinec 01 2008, 21:34    Předmět: Citovat

Crifodo: super Laughing
a teraz vazne mam podobny dotaz
http://tubeamp.wz.cz/el84pp15w.php
dole na stranke je zdroj pre vyssie popisany zosilovac, zaujima ma ten s elektronkou, ale problem je tlmivka. Vy skusenejsi, musi tam byt/nemusi, nahradit ju odporom (akym)?
Dakujem
Návrat nahoru
Zobrazit informace o autorovi Odeslat soukromou zprávu Odeslat e-mail Zobrazit autorovy WWW stránky
Crifodo



Založen: Oct 11, 2005
Příspěvky: 15004

PříspěvekZaslal: po prosinec 01 2008, 21:37    Předmět: Citovat

tomasjedno napsal(a):

No jo, oni poznají ušima i zlacené kontakty v zásuvce 230.


Doufám že k tomu přiberou i opálenou hlínu 2x2,5 v acidurkách ve stoupačce k elektroměru a shnilé 15 let nečištěné kontakty nožovek ve skříni na baráku, takto v péči ČEZu Twisted Evil
Návrat nahoru
Zobrazit informace o autorovi Odeslat soukromou zprávu Odeslat e-mail
jandu



Založen: Feb 06, 2007
Příspěvky: 4509
Bydliště: vých.slovensko

PříspěvekZaslal: po prosinec 01 2008, 22:33    Předmět: Citovat

zdenoeddie napsal(a):
Crifodo: super Laughing
a teraz vazne mam podobny dotaz
http://tubeamp.wz.cz/el84pp15w.php
dole na stranke je zdroj pre vyssie popisany zosilovac, zaujima ma ten s elektronkou, ale problem je tlmivka. Vy skusenejsi, musi tam byt/nemusi, nahradit ju odporom (akym)?
Dakujem


Ale hej, tam má svoje opodstatnenie.

_________________
Elektronické súčiastky fungujú za pomoci dymu. Ak dym unikne, prestanú fungovať.
Návrat nahoru
Zobrazit informace o autorovi Odeslat soukromou zprávu Odeslat e-mail
BOBOBO
Doporučuje se dohled statného moderátora


Založen: Feb 25, 2008
Příspěvky: 21151
Bydliště: Rychnovsko

PříspěvekZaslal: út prosinec 02 2008, 6:55    Předmět: Citovat

Ano v případech mA odběrů v lampové technice měla tlumivka co do sebe . Tenkráte byl problém vyrobit "velké " kondíky na velké napětí . Měď a železo bylo za hubičku , práce taky . Dnes není problém koupit kondy velkých kapacit a tím filtraci zlepšit . Také bylo horší to , že usměrňovačky měly-mají proti polovodičům velký vnitřní odpor . Na tlumivce se také nezmaří tolik energie jako na odporu . Máš-li pro lampovou techniku tlumivku určenou na proud požadovaný , použij .
Návrat nahoru
Zobrazit informace o autorovi Odeslat soukromou zprávu
zdenoeddie



Založen: Oct 31, 2007
Příspěvky: 2577
Bydliště: uz len Presov :)

PříspěvekZaslal: út prosinec 02 2008, 8:51    Předmět: Citovat

BOBOBO napsal(a):
Ano v případech mA odběrů v lampové technice měla tlumivka co do sebe . Tenkráte byl problém vyrobit "velké " kondíky na velké napětí . Měď a železo bylo za hubičku , práce taky . Dnes není problém koupit kondy velkých kapacit a tím filtraci zlepšit . Také bylo horší to , že usměrňovačky měly-mají proti polovodičům velký vnitřní odpor . Na tlumivce se také nezmaří tolik energie jako na odporu . Máš-li pro lampovou techniku tlumivku určenou na proud požadovaný , použij .

No praveze tlumivku nemam ziadnu. Ale tak ak som dobre pochopil, staci ak tam dam velku kapacitu potom? Ak som robil klasicke mostikove zapojenie tak som pouzival 470uF, pripadne 2x220u, nudzovo 330uF. Ale tak usmernovac s elektronkou som este nerobil, preto som chcel vediet ci ta tlmivka tam musi byt. Takze asi nemusi, staci ak dam vyssiu kapacitu na filtraciu ok?
Návrat nahoru
Zobrazit informace o autorovi Odeslat soukromou zprávu Odeslat e-mail Zobrazit autorovy WWW stránky
BOBOBO
Doporučuje se dohled statného moderátora


Založen: Feb 25, 2008
Příspěvky: 21151
Bydliště: Rychnovsko

PříspěvekZaslal: út prosinec 02 2008, 9:20    Předmět: Citovat

Platí pro koncové stupně . Stupně budící a předzesilovací potřebují lepší "filtraci"-menší zvlnění napájecího napětí , ale jelikož odebírají malý , až velmi malý napájecí proud , lze použít-tedy používá se srážecí odpor a kond za ním .
Návrat nahoru
Zobrazit informace o autorovi Odeslat soukromou zprávu
Zobrazit příspěvky z předchozích:   
Přidat nové téma   Zaslat odpověď       Obsah fóra Diskuzní fórum Elektro Bastlírny -> Teorie Časy uváděny v GMT + 1 hodina
Jdi na stránku 1, 2  Další
Strana 1 z 2

 
Přejdi na:  
Nemůžete odesílat nové téma do tohoto fóra.
Nemůžete odpovídat na témata v tomto fóru.
Nemůžete upravovat své příspěvky v tomto fóru.
Nemůžete mazat své příspěvky v tomto fóru.
Nemůžete hlasovat v tomto fóru.
Nemůžete připojovat soubory k příspěvkům
Můžete stahovat a prohlížet přiložené soubory

Powered by phpBB © 2001, 2005 phpBB Group
Forums ©
Nuke - Elektro Bastlirna

Informace na portálu Elektro bastlírny jsou prezentovány za účelem vzdělání čtenářů a rozšíření zájmu o elektroniku. Autoři článků na serveru neberou žádnou zodpovědnost za škody vzniklé těmito zapojeními. Rovněž neberou žádnou odpovědnost za případnou újmu na zdraví vzniklou úrazem elektrickým proudem. Autoři a správci těchto stránek nepřejímají záruku za správnost zveřejněných materiálů. Předkládané informace a zapojení jsou zveřejněny bez ohledu na případné patenty třetích osob. Nároky na odškodnění na základě změn, chyb nebo vynechání jsou zásadně vyloučeny. Všechny registrované nebo jiné obchodní známky zde použité jsou majetkem jejich vlastníků. Uvedením nejsou zpochybněna z toho vyplývající vlastnická práva. Použití konstrukcí v rozporu se zákonem je přísně zakázáno. Vzhledem k tomu, že původ předkládaných materiálů nelze žádným způsobem dohledat, nelze je použít pro komerční účely! Tento nekomerční server nemá z uvedených zapojení či konstrukcí žádný zisk. Nezodpovídáme za pravost předkládaných materiálů třetími osobami a jejich původ. V případě, že zjistíte porušení autorského práva či jiné nesrovnalosti, kontaktujte administrátory na diskuzním fóru EB.


PHP-Nuke Copyright © 2005 by Francisco Burzi. This is free software, and you may redistribute it under the GPL. PHP-Nuke comes with absolutely no warranty, for details, see the license.
Čas potřebný ke zpracování stránky 0.17 sekund