Vítejte na Elektro Bastlírn?
Nuke - Elektro Bastlirna
  Vytvořit účet Hlavní · Fórum · DDump · Profil · Zprávy · Hledat na fóru · Příspěvky na provoz EB

Vlákno na téma KORONAVIRUS - nutná registrace


Nuke - Elektro Bastlirna: Diskuzní fórum

 FAQFAQ   HledatHledat   Uživatelské skupinyUživatelské skupiny   ProfilProfil   Soukromé zprávySoukromé zprávy   PřihlášeníPřihlášení 

Jednoduchý bzučák (návod)

 
Přidat nové téma   Zaslat odpověď       Obsah fóra Diskuzní fórum Elektro Bastlírny -> Poradna
Zobrazit předchozí téma :: Zobrazit následující téma  
Autor Zpráva
Artaban001



Založen: Apr 01, 2004
Příspěvky: 10068
Bydliště: Pendrov

PříspěvekZaslal: po prosinec 10 2007, 21:40    Předmět: Jednoduchý bzučák (návod) Citovat

V Jednom starém "Urob si sám" jsem narazil na schéma jednoduchého bzučáku, který zní příjemněji, než ty běžně prodávané piezosirénky.
Základním dílem je telefonní sluchátko 50R ze starého telefonu. Obvod se v případě SMD konstrukce lze zabudovat i do pouzdra sluchátka (já tam nacpal i klasickou). Provozní napětí je od 3V do 12V. Při 9V hlasitost více než dostačující..



bzucak z telefonni vlozky.png
 Komentář:

Stáhnout
 Soubor:  bzucak z telefonni vlozky.png
 Velikost:  1.55 kB
 Staženo:  702 krát



Naposledy upravil Artaban001 dne út prosinec 11 2007, 21:27, celkově upraveno 1 krát.
Návrat nahoru
Zobrazit informace o autorovi Odeslat soukromou zprávu Odeslat e-mail
EKKAR



Založen: Mar 16, 2005
Příspěvky: 34827
Bydliště: Česká Třebová, JN89FW21

PříspěvekZaslal: po prosinec 10 2007, 22:36    Předmět: Citovat

Dokonce v jedné starší publikaci Arendáše a Ručky, tuším se to jmenovalo Elektronika pro dům a zahradu, byl návod na bzučák z telefonního sluchátka s jedním trandem a jedním kondem - jen to sluchátko muselo být starší konstrukce s dělenou cívkou - jedna půlka byla kolektorové pracovní vinutí, druhá se zapojila jako budicí do báze trandu. Fungovalo to už od 1V a síla tónu se dala štelovat vzdáleností membrány od cívkových nástavců - u starých sluchátek šroubovacím krytem mušle, u novějších se musely vkládat podložky např. z papíru - pohledám a jestli najdu, vyvěsím sem...
_________________
Nasliněný prst na svorkovnici domovního rozvaděče: Jó, paninko, máte tam ty Voltíky všecky...
A kutilmile - nelituju tě Mr. Green Mr. Green !!!
Návrat nahoru
Zobrazit informace o autorovi Odeslat soukromou zprávu Odeslat e-mail
Milan121



Založen: Dec 07, 2005
Příspěvky: 726

PříspěvekZaslal: po prosinec 10 2007, 23:12    Předmět: Citovat

Máš recht Ekkare,taky jsem to stavěl jako kluk.Sluchátko kovové takové to na rozšroubování,cívky se rozpojily,kondenzátor M1 a odpor mám dojem 1 kilo.Jako okruhoměr jedinečné.Tranzistor 103NU70.
Návrat nahoru
Zobrazit informace o autorovi Odeslat soukromou zprávu
EKKAR



Založen: Mar 16, 2005
Příspěvky: 34827
Bydliště: Česká Třebová, JN89FW21

PříspěvekZaslal: po prosinec 10 2007, 23:42    Předmět: Citovat

Přesně, jen u mne to byl KC507...
_________________
Nasliněný prst na svorkovnici domovního rozvaděče: Jó, paninko, máte tam ty Voltíky všecky...
A kutilmile - nelituju tě Mr. Green Mr. Green !!!
Návrat nahoru
Zobrazit informace o autorovi Odeslat soukromou zprávu Odeslat e-mail
helios



Založen: Aug 08, 2007
Příspěvky: 2914
Bydliště: Tryskáčovo na Záhorí.

PříspěvekZaslal: út prosinec 11 2007, 0:58    Předmět: Citovat

ARTABAN:

Ja som tento bzučiak staval pred mnohými rokmi, použil som trand KC... s veľkým zosilnením a svorky skúšačky boli v sérii s budiacim odporom báze. Pískalo to aj pri skúšanom odpore do 1MOhm, čo som využíval pri meraní zvodov v zariadeniach. Napájanie plochou baterkou, funguje to dodnes. Ako skúšačka výborná vec. Cool

_________________
Keď Vám hodia pod nohy polená, zakúrte s nimi.
Návrat nahoru
Zobrazit informace o autorovi Odeslat soukromou zprávu Odeslat e-mail
Radix



Založen: Nov 14, 2006
Příspěvky: 2633

PříspěvekZaslal: út prosinec 11 2007, 9:27    Předmět: Citovat

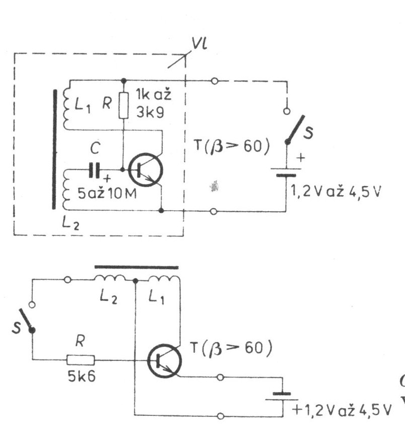
Bzučák.


NF.out.jpeg
 Komentář:

Stáhnout
 Soubor:  NF.out.jpeg
 Velikost:  48.31 kB
 Staženo:  616 krát

Návrat nahoru
Zobrazit informace o autorovi Odeslat soukromou zprávu
PabloXx
Neregistrovaný





PříspěvekZaslal: út prosinec 11 2007, 9:47    Předmět: Citovat

K tej prvej scheme - baza toho tranzistora je spojena zo zemou, ma to tak byt?
Návrat nahoru
helios



Založen: Aug 08, 2007
Příspěvky: 2914
Bydliště: Tryskáčovo na Záhorí.

PříspěvekZaslal: út prosinec 11 2007, 12:44    Předmět: Citovat

PabloXx napsal(a):
K tej prvej scheme - baza toho tranzistora je spojena zo zemou, ma to tak byt?


Báza tranzistora NEMÁ byť spojená so zemou, je to chyba pri kreslení, tak by to nefungovalo. Smile

_________________
Keď Vám hodia pod nohy polená, zakúrte s nimi.
Návrat nahoru
Zobrazit informace o autorovi Odeslat soukromou zprávu Odeslat e-mail
valla



Založen: Feb 12, 2006
Příspěvky: 614

PříspěvekZaslal: út prosinec 11 2007, 17:53    Předmět: Citovat

preco si nespravis multi vybrator z dvoma bc547?????jednoduche jak facka
Návrat nahoru
Zobrazit informace o autorovi Odeslat soukromou zprávu
EKKAR



Založen: Mar 16, 2005
Příspěvky: 34827
Bydliště: Česká Třebová, JN89FW21

PříspěvekZaslal: út prosinec 11 2007, 17:53    Předmět: Citovat

To Radix - jo, to je VONO, to první zapojení. Když jsem to coby šlusmetr na kontrolu svodů vytáhnul z kufříku na vojně, řehtala se půlka roty. Jenže pak si to půjčil jeden, druhej - a do dvou neděl musel skladník zakázat další fasování vojenských bakelitových 50Ohm sluchátek, protože mu povážlivě docházela zásoba...

To Valla: Dvoutrandový multivibrátor nemá to kouzlo minima součástek a navíc není ochotný kmitat už s tak malým napájecím napětím, jako výše představený s jedním trandem, eventuálně i vestavěný přímo do mušle sluchátka...

_________________
Nasliněný prst na svorkovnici domovního rozvaděče: Jó, paninko, máte tam ty Voltíky všecky...
A kutilmile - nelituju tě Mr. Green Mr. Green !!!
Návrat nahoru
Zobrazit informace o autorovi Odeslat soukromou zprávu Odeslat e-mail
Artaban001



Založen: Apr 01, 2004
Příspěvky: 10068
Bydliště: Pendrov

PříspěvekZaslal: út prosinec 11 2007, 21:31    Předmět: Citovat

PabloXx napsal(a):
K tej prvej scheme - baza toho tranzistora je spojena zo zemou, ma to tak byt?


Dík za upozornění, samozřejmě být nemá. Už by to mělo být v cajku.
Návrat nahoru
Zobrazit informace o autorovi Odeslat soukromou zprávu Odeslat e-mail
feryakt
Neregistrovaný





PříspěvekZaslal: pá prosinec 28 2007, 15:06    Předmět: Citovat

Existuje jednoduchý tzv.souměrný bzučák


BZUCAK.pdf
 Komentář:

Stáhnout
 Soubor:  BZUCAK.pdf
 Velikost:  74.92 kB
 Staženo:  1373 krát

Návrat nahoru
Zobrazit příspěvky z předchozích:   
Přidat nové téma   Zaslat odpověď       Obsah fóra Diskuzní fórum Elektro Bastlírny -> Poradna Časy uváděny v GMT + 1 hodina
Strana 1 z 1

 
Přejdi na:  
Nemůžete odesílat nové téma do tohoto fóra.
Nemůžete odpovídat na témata v tomto fóru.
Nemůžete upravovat své příspěvky v tomto fóru.
Nemůžete mazat své příspěvky v tomto fóru.
Nemůžete hlasovat v tomto fóru.
Nemůžete připojovat soubory k příspěvkům
Můžete stahovat a prohlížet přiložené soubory

Powered by phpBB © 2001, 2005 phpBB Group
Forums ©
Nuke - Elektro Bastlirna

Informace na portálu Elektro bastlírny jsou prezentovány za účelem vzdělání čtenářů a rozšíření zájmu o elektroniku. Autoři článků na serveru neberou žádnou zodpovědnost za škody vzniklé těmito zapojeními. Rovněž neberou žádnou odpovědnost za případnou újmu na zdraví vzniklou úrazem elektrickým proudem. Autoři a správci těchto stránek nepřejímají záruku za správnost zveřejněných materiálů. Předkládané informace a zapojení jsou zveřejněny bez ohledu na případné patenty třetích osob. Nároky na odškodnění na základě změn, chyb nebo vynechání jsou zásadně vyloučeny. Všechny registrované nebo jiné obchodní známky zde použité jsou majetkem jejich vlastníků. Uvedením nejsou zpochybněna z toho vyplývající vlastnická práva. Použití konstrukcí v rozporu se zákonem je přísně zakázáno. Vzhledem k tomu, že původ předkládaných materiálů nelze žádným způsobem dohledat, nelze je použít pro komerční účely! Tento nekomerční server nemá z uvedených zapojení či konstrukcí žádný zisk. Nezodpovídáme za pravost předkládaných materiálů třetími osobami a jejich původ. V případě, že zjistíte porušení autorského práva či jiné nesrovnalosti, kontaktujte administrátory na diskuzním fóru EB.


PHP-Nuke Copyright © 2005 by Francisco Burzi. This is free software, and you may redistribute it under the GPL. PHP-Nuke comes with absolutely no warranty, for details, see the license.
Čas potřebný ke zpracování stránky 0.59 sekund