Vítejte na Elektro Bastlírn?
Nuke - Elektro Bastlirna
  Vytvořit účet Hlavní · Fórum · DDump · Profil · Zprávy · Hledat na fóru · Příspěvky na provoz EB

Vlákno na téma KORONAVIRUS - nutná registrace


Nuke - Elektro Bastlirna: Diskuzní fórum

 FAQFAQ   HledatHledat   Uživatelské skupinyUživatelské skupiny   ProfilProfil   Soukromé zprávySoukromé zprávy   PřihlášeníPřihlášení 

Asus WL-300g - uprava zapojenia PoE 802.3af

 
Přidat nové téma   Zaslat odpověď       Obsah fóra Diskuzní fórum Elektro Bastlírny -> Výpočetní technika
Zobrazit předchozí téma :: Zobrazit následující téma  
Autor Zpráva
rnbw



Založen: Mar 21, 2006
Příspěvky: 36982
Bydliště: Bratislava

PříspěvekZaslal: út srpen 09 2022, 11:17    Předmět: Asus WL-300g - uprava zapojenia PoE 802.3af Citovat

Stary AP Asus WL-300g ma vraj podporu PoE podla 802.3af, ale nefunguje to so switchom Cisco.

Nesplna to totiz standard - nefunguje s PoE switchami, ktore napajanie posielaju medzi piny 1,2 a 3,6 (802.3af mode A). Funguje len s inline injectorom, ktory dava napajanie medzi pinmi 4,5 a 7,8 (802.3af mode B).

Zapojenie je dost zjednodusene - menic je natvrdo pripojeny medzi piny 4,5 a 7,8.

Chcel by som to upravit, aby to bolo podla standardu a teda fungovalo.

Pozeral som nejake schemy - spravne by tam mali byt dva usmernovace (jeden z pinov 1,2-3,6 a druhy z 4,5-7,8). Pri datovych pinoch by mali byt pripojene na stred primarneho vinutia oddelovacieho trafa.

Pre "blbe" class 0 zariadenie by snad na identifikaciu mal stacit odpor 25K (za usnermenim) bez potreby nejakych IO.

Dalej bude potrebne upravit 75Ω ukoncenie datovych parov - do serie s odpormi pridat kondenzatory 10nF.

Bude to fungovat alebo som na nieco zabudol?



poe_kta1136.png
 Komentář:
Tu vidiet 25.5K odpor
 Velikost:  30.52 kB
 Zobrazeno:  76 krát

poe_kta1136.png



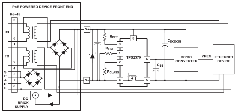
poe_tps2370.png
 Komentář:
Tu vidiet zapojenie usmernovacov
 Velikost:  31.81 kB
 Zobrazeno:  80 krát

poe_tps2370.png



poe_rj45.png
 Komentář:
Tu vidiet zapojenie 75R odporov pri RJ45
 Velikost:  131.13 kB
 Zobrazeno:  83 krát

poe_rj45.png


Návrat nahoru
Zobrazit informace o autorovi Odeslat soukromou zprávu
rnbw



Založen: Mar 21, 2006
Příspěvky: 36982
Bydliště: Bratislava

PříspěvekZaslal: út srpen 09 2022, 19:29    Předmět: Citovat

Este mi jedna vec napadla - a to bude asi najvacsi problem. Na vstupe je elyt 47uF/100V. Ten bude asi uspesne branit v identifikacii 25K odporu.

Riesenia s PD IO pripajaju menic (aj s elytom) az pri zvyseni napatia (napr. nad 40V).
Návrat nahoru
Zobrazit informace o autorovi Odeslat soukromou zprávu
Zobrazit příspěvky z předchozích:   
Přidat nové téma   Zaslat odpověď       Obsah fóra Diskuzní fórum Elektro Bastlírny -> Výpočetní technika Časy uváděny v GMT + 1 hodina
Strana 1 z 1

 
Přejdi na:  
Nemůžete odesílat nové téma do tohoto fóra.
Nemůžete odpovídat na témata v tomto fóru.
Nemůžete upravovat své příspěvky v tomto fóru.
Nemůžete mazat své příspěvky v tomto fóru.
Nemůžete hlasovat v tomto fóru.
Nemůžete připojovat soubory k příspěvkům
Můžete stahovat a prohlížet přiložené soubory

Powered by phpBB © 2001, 2005 phpBB Group
Forums ©
Nuke - Elektro Bastlirna

Informace na portálu Elektro bastlírny jsou prezentovány za účelem vzdělání čtenářů a rozšíření zájmu o elektroniku. Autoři článků na serveru neberou žádnou zodpovědnost za škody vzniklé těmito zapojeními. Rovněž neberou žádnou odpovědnost za případnou újmu na zdraví vzniklou úrazem elektrickým proudem. Autoři a správci těchto stránek nepřejímají záruku za správnost zveřejněných materiálů. Předkládané informace a zapojení jsou zveřejněny bez ohledu na případné patenty třetích osob. Nároky na odškodnění na základě změn, chyb nebo vynechání jsou zásadně vyloučeny. Všechny registrované nebo jiné obchodní známky zde použité jsou majetkem jejich vlastníků. Uvedením nejsou zpochybněna z toho vyplývající vlastnická práva. Použití konstrukcí v rozporu se zákonem je přísně zakázáno. Vzhledem k tomu, že původ předkládaných materiálů nelze žádným způsobem dohledat, nelze je použít pro komerční účely! Tento nekomerční server nemá z uvedených zapojení či konstrukcí žádný zisk. Nezodpovídáme za pravost předkládaných materiálů třetími osobami a jejich původ. V případě, že zjistíte porušení autorského práva či jiné nesrovnalosti, kontaktujte administrátory na diskuzním fóru EB.


PHP-Nuke Copyright © 2005 by Francisco Burzi. This is free software, and you may redistribute it under the GPL. PHP-Nuke comes with absolutely no warranty, for details, see the license.
Čas potřebný ke zpracování stránky 0.15 sekund