Vítejte na Elektro Bastlírn?
Nuke - Elektro Bastlirna
  Vytvořit účet Hlavní · Fórum · DDump · Profil · Zprávy · Hledat na fóru · Příspěvky na provoz EB

Vlákno na téma KORONAVIRUS - nutná registrace


Nuke - Elektro Bastlirna: Diskuzní fórum

 FAQFAQ   HledatHledat   Uživatelské skupinyUživatelské skupiny   ProfilProfil   Soukromé zprávySoukromé zprávy   PřihlášeníPřihlášení 

Schema MIWI RV-2

 
Přidat nové téma   Zaslat odpověď       Obsah fóra Diskuzní fórum Elektro Bastlírny -> Linkové telefony, faxy, tel. ústředny včetně domácích
Zobrazit předchozí téma :: Zobrazit následující téma  
Autor Zpráva
spratek



Založen: Feb 22, 2014
Příspěvky: 61

PříspěvekZaslal: ne prosinec 09 2018, 14:45    Předmět: Schema MIWI RV-2 Citovat

Zdravím,
v domě máme problém s domovním telefonem, ten spočívá v tom, že člověk, který mluví dole u tabla není slyšet nahoře v bytě, v opačném směru to funguje.
Telefonní systém je předělán z Tesly na MIWI přidáním redukce RV-2.
Nenajde se tu někdo, kdo má schéma této redukce?
Případně, kde by mohl být zakopán pes?



IMG_20181208_103836.jpg
 Komentář:
Redukce Tesla-MIWI RV-2
 Velikost:  180.38 kB
 Zobrazeno:  486 krát

IMG_20181208_103836.jpg


Návrat nahoru
Zobrazit informace o autorovi Odeslat soukromou zprávu Odeslat e-mail
Cowley



Založen: Feb 04, 2005
Příspěvky: 3569

PříspěvekZaslal: ne prosinec 09 2018, 15:06    Předmět: Citovat

Byva problem ne v modulu redukce vodicu (deska RV), ale na zakladni desce s mikrofonem, kde jsou tusim dva tranzistory.
Ale pro svuj klid omer napeti na svorce 441, kde ma byt proti zemi cca 6V=
Návrat nahoru
Zobrazit informace o autorovi Odeslat soukromou zprávu
spratek



Založen: Feb 22, 2014
Příspěvky: 61

PříspěvekZaslal: po prosinec 10 2018, 20:19    Předmět: Citovat

Tak jsem se dostal k tomu to přeměřit a naměřil jsem 11,5V.
Abych popsal celou anabázi, tak nejprve jsme to nechali opravit odbornou firmu, ti vyměnili celý panel s mikrofonem (aspoň podle faktury) a vše zas fungovalo. Ale cca po týdnu se problém opakoval, když jsme to reklamovali, firma řekla, že na to nemá lidi a raději nám vrátila peníze. Neutral
Návrat nahoru
Zobrazit informace o autorovi Odeslat soukromou zprávu Odeslat e-mail
Cowley



Založen: Feb 04, 2005
Příspěvky: 3569

PříspěvekZaslal: út prosinec 11 2018, 7:28    Předmět: Citovat

Pokud je panel novy, muze byt zavada (staci v jedinem) domacim telefonu.
Protoze v table po byvale Tesle nemusi byt k dispozici minus od napajeciho zdroje, dava se k MiWi tablu prave tento modul RV-2.
Predpokladam take, ze jako hlavni zdroj v systemu zustal prave zdroj od Tesly.


Pokud je rozvod stylem DOMOFONY - ZDROJ - TABLO, doporucuji u zdroje odpojit celou stoupacku k domofonum a pripojit sem jediny domofon.

Pokud je rozvod stylem ZDROJ - TABLO - DOMOFONY, doporucuji u Tabla vyhledat vodic s minusem zdroje a v table si na svorky MK a prave minusovy vodic pripojit Tesla domofon svorkami 6 a 3. Pak je mozne si priposlechnout, jak funguje hovorova cesta od mikrofonu v table do sluchatka v domofonu.
Návrat nahoru
Zobrazit informace o autorovi Odeslat soukromou zprávu
spratek



Založen: Feb 22, 2014
Příspěvky: 61

PříspěvekZaslal: so prosinec 15 2018, 12:02    Předmět: Citovat

Tak jsem nahlédl do tajů naší rozvodné skříně a co jsem tam viděl z toho nejsem moc moudrý, ani se nedivím, že se to nikomu spravovat nechce.
Na té velké černé krabici je nápis MIWI. To je vše, co jsem byl schopný identifikovat.



Rozvodna_skrin.jpg
 Komentář:
 Velikost:  293.38 kB
 Zobrazeno:  492 krát

Rozvodna_skrin.jpg


Návrat nahoru
Zobrazit informace o autorovi Odeslat soukromou zprávu Odeslat e-mail
Cowley



Založen: Feb 04, 2005
Příspěvky: 3569

PříspěvekZaslal: so prosinec 15 2018, 23:42    Předmět: Citovat

Vidim tam standardni 8V stridave trafo nejspis na bytove ("zadverove") zvonky. A zdroj MiWi, kterym nahradili puvodni TESLA zdroj.
Nevahej a jeste odkrytuj a nafot pouzite a pripojene svorky pod vlastnim cernym krytem zdroje.

Jeste je tam nejaky asi 12V/1A zdroj s cervenou kontrolkou - kdo vi, mozna pro el.zamek nebo nejake podsvetleni tabla nebo pro analogovou kameru nekde na chodbe?
Návrat nahoru
Zobrazit informace o autorovi Odeslat soukromou zprávu
spratek



Založen: Feb 22, 2014
Příspěvky: 61

PříspěvekZaslal: ne prosinec 16 2018, 17:29    Předmět: Citovat

Posílám fotku MIWI zdroje. Ten malý zdroj s diodou je napíchnutý do modré patice s relátkem (viz foto). V úvahu připadá jen to otvírání dveří, žádný jiný elektronický systémy v baráku nemáme.


Finder_typ_95_05_1.jpg
 Komentář:
 Velikost:  254.89 kB
 Zobrazeno:  407 krát

Finder_typ_95_05_1.jpg



MIWI_ZAS18_1.jpg
 Komentář:
 Velikost:  281.73 kB
 Zobrazeno:  410 krát

MIWI_ZAS18_1.jpg


Návrat nahoru
Zobrazit informace o autorovi Odeslat soukromou zprávu Odeslat e-mail
Cowley



Založen: Feb 04, 2005
Příspěvky: 3569

PříspěvekZaslal: st prosinec 19 2018, 17:58    Předmět: Citovat

Relé je určitě na 12V střídavých, tak by mohlo být zapojené jako "posilovací" pro ovládání elektrického zámku. Stoupačka vytvořená že svorky č.1 z domácích telefonů bude přivedena na jednu stranu cívky relé. Na druhou stranu cívky relé pak střídavé napětí ze zdroje.
Ten zdroj s kontrolkou by pak přes spínací kontakt toho relé mohl napřímo ovládat nějaký zámek ve dveřích, co má větší odběr.

Napájecí zdroj MiWi je ten nejjednodušší možný. Je na něm k dispozici společná vztažná svorka (minus zdroje), kladné napětí pro hovorovou jednotku v table a střídavé napětí třeba pro podsvětlení tabla nebo standardní el.zámek.
Návrat nahoru
Zobrazit informace o autorovi Odeslat soukromou zprávu
spratek



Založen: Feb 22, 2014
Příspěvky: 61

PříspěvekZaslal: ne prosinec 23 2018, 22:46    Předmět: Citovat

Děkuji za podrobné info.
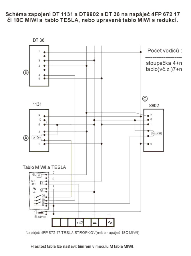
Takže abych si to ujednotil, předpokládám, že schema zapojení by mělo vypadat jako na obrázku.

A kontakty na telefonu (Farfisa PV100) jsou:
2 - sluchátko
1 - mikrofon
6 - zvonění
5 - zámek
9 - neobsazeno
3 - společný vodič



tesla.jpg
 Komentář:
Schema zapojení
 Velikost:  75.47 kB
 Zobrazeno:  428 krát

tesla.jpg



Domofon_1.jpg
 Komentář:
Telefon
 Velikost:  124.56 kB
 Zobrazeno:  441 krát

Domofon_1.jpg


Návrat nahoru
Zobrazit informace o autorovi Odeslat soukromou zprávu Odeslat e-mail
Cowley



Založen: Feb 04, 2005
Příspěvky: 3569

PříspěvekZaslal: po prosinec 24 2018, 12:55    Předmět: Citovat

Jen pozor na Tesla číslování (na tvém obrázku zastoupené přístrojem DT36):

(Farfisa PV100 - funkce svorky - Tesla DT36)
2 - sluchátko - 6
1 - mikrofon - 2
6 - zvonění - 4
5 - zámek - 1
3 - společný vodič - 3
Návrat nahoru
Zobrazit informace o autorovi Odeslat soukromou zprávu
Zobrazit příspěvky z předchozích:   
Přidat nové téma   Zaslat odpověď       Obsah fóra Diskuzní fórum Elektro Bastlírny -> Linkové telefony, faxy, tel. ústředny včetně domácích Časy uváděny v GMT + 1 hodina
Strana 1 z 1

 
Přejdi na:  
Nemůžete odesílat nové téma do tohoto fóra.
Nemůžete odpovídat na témata v tomto fóru.
Nemůžete upravovat své příspěvky v tomto fóru.
Nemůžete mazat své příspěvky v tomto fóru.
Nemůžete hlasovat v tomto fóru.
Nemůžete připojovat soubory k příspěvkům
Můžete stahovat a prohlížet přiložené soubory

Powered by phpBB © 2001, 2005 phpBB Group
Forums ©
Nuke - Elektro Bastlirna

Informace na portálu Elektro bastlírny jsou prezentovány za účelem vzdělání čtenářů a rozšíření zájmu o elektroniku. Autoři článků na serveru neberou žádnou zodpovědnost za škody vzniklé těmito zapojeními. Rovněž neberou žádnou odpovědnost za případnou újmu na zdraví vzniklou úrazem elektrickým proudem. Autoři a správci těchto stránek nepřejímají záruku za správnost zveřejněných materiálů. Předkládané informace a zapojení jsou zveřejněny bez ohledu na případné patenty třetích osob. Nároky na odškodnění na základě změn, chyb nebo vynechání jsou zásadně vyloučeny. Všechny registrované nebo jiné obchodní známky zde použité jsou majetkem jejich vlastníků. Uvedením nejsou zpochybněna z toho vyplývající vlastnická práva. Použití konstrukcí v rozporu se zákonem je přísně zakázáno. Vzhledem k tomu, že původ předkládaných materiálů nelze žádným způsobem dohledat, nelze je použít pro komerční účely! Tento nekomerční server nemá z uvedených zapojení či konstrukcí žádný zisk. Nezodpovídáme za pravost předkládaných materiálů třetími osobami a jejich původ. V případě, že zjistíte porušení autorského práva či jiné nesrovnalosti, kontaktujte administrátory na diskuzním fóru EB.


PHP-Nuke Copyright © 2005 by Francisco Burzi. This is free software, and you may redistribute it under the GPL. PHP-Nuke comes with absolutely no warranty, for details, see the license.
Čas potřebný ke zpracování stránky 0.35 sekund