Vítejte na Elektro Bastlírn?
Nuke - Elektro Bastlirna
  Vytvořit účet Hlavní · Fórum · DDump · Profil · Zprávy · Hledat na fóru · Příspěvky na provoz EB

Vlákno na téma KORONAVIRUS - nutná registrace


Nuke - Elektro Bastlirna: Diskuzní fórum

 FAQFAQ   HledatHledat   Uživatelské skupinyUživatelské skupiny   ProfilProfil   Soukromé zprávySoukromé zprávy   PřihlášeníPřihlášení 

Jak snížit napětí na transformátoru
Jdi na stránku Předchozí  1, 2
 
Přidat nové téma   Zaslat odpověď       Obsah fóra Diskuzní fórum Elektro Bastlírny -> Svářečky, UPS, nabíječe, měniče, zdroje, trafa a další
Zobrazit předchozí téma :: Zobrazit následující téma  
Autor Zpráva
KarelEOS



Založen: Mar 01, 2009
Příspěvky: 25

PříspěvekZaslal: út březen 03 2009, 13:14    Předmět: Citovat

Tak kondenzátory tam budou, to je jasné. Asi koupím nové trafo bude to jistější.
Návrat nahoru
Zobrazit informace o autorovi Odeslat soukromou zprávu
Pepa87



Založen: Nov 29, 2006
Příspěvky: 144

PříspěvekZaslal: út březen 03 2009, 19:34    Předmět: Citovat

breta1 napsal(a):
Navinout dodatečně 2x2V a zapojit tak, aby se napětí odčítalo.

To sice funguje, ale taky se tím zvětší vnitřní odpor (sčítá se).
Návrat nahoru
Zobrazit informace o autorovi Odeslat soukromou zprávu Zobrazit autorovy WWW stránky
jasin



Založen: Feb 22, 2005
Příspěvky: 1440
Bydliště: Kunratice u Prahy

PříspěvekZaslal: st březen 04 2009, 12:38    Předmět: Citovat

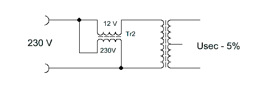
Existuje ještě jeden jednoduchý způsob, jak snížit napětí trafa. Vezme se malé tráfko třeba 230/24 V a zapojí se sekundárem tak, aby se jeho napětí odečítalo od sítě, sériově s hlavním trafem. Tak se sníží napětí na hlavním trafu a ve stejném poměru se sníží i výstupní napětí. Sekundár přídavného trafa stačí být dimenzovaný na proud primáru hlavního trafa. To je při 150W přikonu cca 0,7A. To znamená, že při odečítání 24 V stačí trafo cca 20W a při 12V dokonce jen 10W trafíčko, které je o hodně levnější než nákup nového 150W trafa.


Snizovac.gif
 Komentář:

Stáhnout
 Soubor:  Snizovac.gif
 Velikost:  2.19 kB
 Staženo:  452 krát


_________________
Svět vypadá dobře jen při pohledu přes koňské uši.
Návrat nahoru
Zobrazit informace o autorovi Odeslat soukromou zprávu
72fredy



Založen: Mar 15, 2009
Příspěvky: 56

PříspěvekZaslal: po březen 26 2012, 9:15    Předmět: Citovat

Chtěl bych se zeptat k tomu seriovému zapojení traf, jaký vliv má snížení napětí na primáru na VA charakteristiku, tedy jaký proud lze pak odebírat na sekundáru toho hlavního trafa, zda stejný, vyšší nebo nižší než byl na to vyšší napětí?
Návrat nahoru
Zobrazit informace o autorovi Odeslat soukromou zprávu
Eleman



Založen: Feb 21, 2011
Příspěvky: 3556
Bydliště: Český Středozápad (JO70AD)

PříspěvekZaslal: po březen 26 2012, 9:29    Předmět: Citovat

Proud můžeš odebírat stejný. Ten je dán zejména průřezem vodičů vinutí a ten se nezměnil.
_________________
[size=9]Člověk se celý život učí jenom proto, aby ve stáří všechno zapomněl.
„Když už člověk jednou je, tak má koukat aby byl. A když kouká, aby byl, a je, tak má být to, co je, a nemá být to, co není, jak tomu v mnoha případech je.“ J. Werich
Návrat nahoru
Zobrazit informace o autorovi Odeslat soukromou zprávu Odeslat e-mail
Zobrazit příspěvky z předchozích:   
Přidat nové téma   Zaslat odpověď       Obsah fóra Diskuzní fórum Elektro Bastlírny -> Svářečky, UPS, nabíječe, měniče, zdroje, trafa a další Časy uváděny v GMT + 1 hodina
Jdi na stránku Předchozí  1, 2
Strana 2 z 2

 
Přejdi na:  
Nemůžete odesílat nové téma do tohoto fóra.
Nemůžete odpovídat na témata v tomto fóru.
Nemůžete upravovat své příspěvky v tomto fóru.
Nemůžete mazat své příspěvky v tomto fóru.
Nemůžete hlasovat v tomto fóru.
Nemůžete připojovat soubory k příspěvkům
Můžete stahovat a prohlížet přiložené soubory

Powered by phpBB © 2001, 2005 phpBB Group
Forums ©
Nuke - Elektro Bastlirna

Informace na portálu Elektro bastlírny jsou prezentovány za účelem vzdělání čtenářů a rozšíření zájmu o elektroniku. Autoři článků na serveru neberou žádnou zodpovědnost za škody vzniklé těmito zapojeními. Rovněž neberou žádnou odpovědnost za případnou újmu na zdraví vzniklou úrazem elektrickým proudem. Autoři a správci těchto stránek nepřejímají záruku za správnost zveřejněných materiálů. Předkládané informace a zapojení jsou zveřejněny bez ohledu na případné patenty třetích osob. Nároky na odškodnění na základě změn, chyb nebo vynechání jsou zásadně vyloučeny. Všechny registrované nebo jiné obchodní známky zde použité jsou majetkem jejich vlastníků. Uvedením nejsou zpochybněna z toho vyplývající vlastnická práva. Použití konstrukcí v rozporu se zákonem je přísně zakázáno. Vzhledem k tomu, že původ předkládaných materiálů nelze žádným způsobem dohledat, nelze je použít pro komerční účely! Tento nekomerční server nemá z uvedených zapojení či konstrukcí žádný zisk. Nezodpovídáme za pravost předkládaných materiálů třetími osobami a jejich původ. V případě, že zjistíte porušení autorského práva či jiné nesrovnalosti, kontaktujte administrátory na diskuzním fóru EB.


PHP-Nuke Copyright © 2005 by Francisco Burzi. This is free software, and you may redistribute it under the GPL. PHP-Nuke comes with absolutely no warranty, for details, see the license.
Čas potřebný ke zpracování stránky 0.18 sekund