Vítejte na Elektro Bastlírn?
Nuke - Elektro Bastlirna
  Vytvořit účet Hlavní · Fórum · DDump · Profil · Zprávy · Hledat na fóru · Příspěvky na provoz EB

Vlákno na téma KORONAVIRUS - nutná registrace


Nuke - Elektro Bastlirna: Diskuzní fórum

 FAQFAQ   HledatHledat   Uživatelské skupinyUživatelské skupiny   ProfilProfil   Soukromé zprávySoukromé zprávy   PřihlášeníPřihlášení 

Měření výšky hladiny
Jdi na stránku 1, 2  Další
 
Přidat nové téma   Zaslat odpověď       Obsah fóra Diskuzní fórum Elektro Bastlírny -> Měření, regulace a automatizace
Zobrazit předchozí téma :: Zobrazit následující téma  
Autor Zpráva
Celeron



Založen: Apr 02, 2011
Příspěvky: 20135
Bydliště: Nový Bydžov

PříspěvekZaslal: so leden 28 2023, 20:13    Předmět: Měření výšky hladiny Citovat

Kámoš si někde pořídil sestavu na hlídání výšky hladiny ve studni. Nejspíš privatizace v nějakým podniku. Smile
Snímač je tlaková sonda BD Sensors LMP308 0-6m, dvouvodič 4-20mA.
K tomu je napáječ 28V, nemá žádný označení ale bastl to není. Ten jsem opravil, bouchlá dioda a kondík ve filtru. Když sondu propojím se zdrojem přes miliampérmetr, tak na vzduchu ukazuje 4mA a pokud fouknu do vstupních otvorů, tak se proud zvýší. To znamená, že to nejspíš maká jak má.
K tomu má na vyhodnocení a spínání panelovej přístroj Orbit Controls OC-450.
Ten byl taky v kopru, nejde segmentovka nejnižšího řádu a byly utržený některý piny konektoru asi od cloumání při rozpojování.
OC-450 se podle manuálu dělala jen na konkrétní průmyslový signály. Na proudovou smyčku se nedělaly ale tahle má na sobě nalepený štítek "Přestaveno 0-20mA = 0-600, S1=420, S2=450".
Zapojil jsem vstup na regulovaný zdroj a opravdu, při proudu 0 mA ukazuje OC-450 kolem nuly a při proudu 20 mA kolem 600. Trimrama Zero a FS to šlo bez problémů dostavit. I spínací body S1 a S2 byly přibližně dobře. Takže až na tu segmentovku dobrý.

No a vypuká problém. Sonda je 4-20mA a měřák 0-20mA (0-6metrů vody ve studni). Zkoušel jsem to dostavit aby při 4mA měřák ukazoval 0 a při 20mA ukazoval 600 ale rozsahy trimrů nestačí.
Regulovčíci, je nějaká finta, jak to znásilnit aby 4mA byly nula na displeji?
Měřák je s ICL7135, bude stačit překopat odpory kolem trimrů a nebo se musí něco udělat se vstupem pro proudový signál? Nyní je mezi vstupníma analog svorkama dodatečně přidanej přesnej odpor 30R. Vypadá to, že je to na proudovou smyčku předělaný z napěťovýho signálu 0-10V.

_________________
Jirka

Proč mi nemůže všechno chodit hned ?!!
Návrat nahoru
Zobrazit informace o autorovi Odeslat soukromou zprávu
ok1hga



Založen: Nov 28, 2006
Příspěvky: 12582
Bydliště: Česká Třebová

PříspěvekZaslal: so leden 28 2023, 21:15    Předmět: Citovat

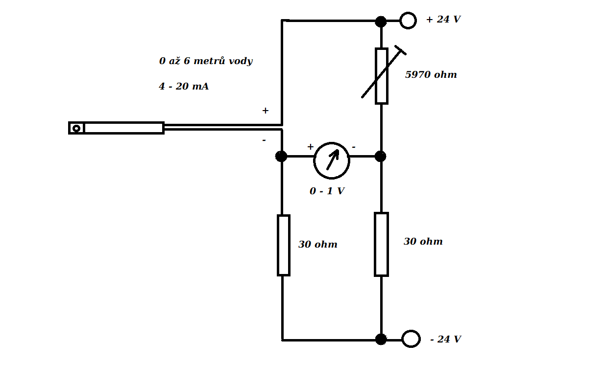
jsou oddělený GND ze zdroje a měřáku ?


mereni hladiny.png
 Komentář:
nějak takhle ?
 Velikost:  20.36 kB
 Zobrazeno:  136 krát

mereni hladiny.png


Návrat nahoru
Zobrazit informace o autorovi Odeslat soukromou zprávu
BOBOBO
Doporučuje se dohled moderátorů


Založen: Feb 25, 2008
Příspěvky: 20541
Bydliště: Rychnovsko

PříspěvekZaslal: so leden 28 2023, 22:10    Předmět: Citovat

U nás na vsi bychom tam dali čínský display za pajdu a je.


tlakáč.jpg
 Komentář:
 Velikost:  54.5 kB
 Zobrazeno:  156 krát

tlakáč.jpg


Návrat nahoru
Zobrazit informace o autorovi Odeslat soukromou zprávu
workhard



Založen: Jul 07, 2006
Příspěvky: 5471
Bydliště: Plzeň

PříspěvekZaslal: so leden 28 2023, 23:40    Předmět: Citovat

Tak když už to vyšetřil, tak to musí nějak využít, ne, znal jsem týpka, co si udělal chytrou domácnost z osmimodulovýho SIMATICu Laughing
_________________
Věci,které fungují,se ZÁSADNĚ neopravují...
Návrat nahoru
Zobrazit informace o autorovi Odeslat soukromou zprávu
Celeron



Založen: Apr 02, 2011
Příspěvky: 20135
Bydliště: Nový Bydžov

PříspěvekZaslal: ne leden 29 2023, 10:38    Předmět: Citovat

BOBOBO napsal(a):
U nás na vsi bychom tam dali čínský display za pajdu a je.

Jo, u vás je možný všecko. A ty spínací body pro čerpadlo bude na měřáku za pajdu dělat jak? Rolling Eyes

ok1hga: měřák a zdroj proudovky má každej svoje trafo z 230V, takže to půjde. Ten zdroj proudovky je složitej jak mlátička, dvojtá izolace, hrajou si na EX a Zenerovu bariéru. Myslel jsem, že Zener potřebuje připojení na PE ale svorka ve zdroji není a futrál je celoplast. Ale ve studni to je šumák.

Měřák nemá spojenej vstup s kostrou. Když jsem odpojil ten vstupní odpor 30R tak je z toho voltmetr 0-1,9999V. A ten nejnižší řád nejde, protože má odříznutou společnou elektrodu segmentovky. Podivný to snížení citlivosti případně nestability nejnižšího řádu displeje. Cool
Jdu to zkusit zbastlit.
Díky za tip.

_________________
Jirka

Proč mi nemůže všechno chodit hned ?!!
Návrat nahoru
Zobrazit informace o autorovi Odeslat soukromou zprávu
Celeron



Založen: Apr 02, 2011
Příspěvky: 20135
Bydliště: Nový Bydžov

PříspěvekZaslal: ne leden 29 2023, 11:28    Předmět: Citovat

Nabastlíno, odzkoušeno. Chodí, ale zase vypukl jinej problém. Ze přiloženýho zdroje 27V to nebere jako dřív 4-20 mA ale přesně dvojnásobek. A s těma 40 mA má zdroj proudový smyčky problém, je tam asi ochrana proti zkratu ve smyčce a proudový omezení.
Budu ho muset vykreslit a předělat. Tráfko ve zdroji je TR2 220/24V 2VA, co se dávalo do rozváděčových kontrolek, navýšení z 0,5 na 1VA snad zvládne i když kvůli menšímu napětí primáru docela topí.
Jo a je tam ještě jeden problém. Napětí ze zdroje proudový smyčky musí být dobře stabilizovaný, jinak měřená hodnota cestuje a to dost. V původním zapojení změna napětí 20-28V neměla na měřenou hodnotu žádný vliv. Sad

_________________
Jirka

Proč mi nemůže všechno chodit hned ?!!
Návrat nahoru
Zobrazit informace o autorovi Odeslat soukromou zprávu
ok1hga



Založen: Nov 28, 2006
Příspěvky: 12582
Bydliště: Česká Třebová

PříspěvekZaslal: ne leden 29 2023, 12:18    Předmět: Citovat

Celeron napsal(a):
Ze přiloženýho zdroje 27V to nebere jako dřív 4-20 mA ale přesně dvojnásobek. A s těma 40 mA má zdroj proudový smyčky problém

to je nějaká blbost . . .
mělo by to brát maximálně 20mA a navíc 4mA ta kompenzace nuly . . .
. . . ale nic víc !!!
něco máš blbě !
Návrat nahoru
Zobrazit informace o autorovi Odeslat soukromou zprávu
Kremik



Založen: Mar 30, 2012
Příspěvky: 3644
Bydliště: Havířov

PříspěvekZaslal: ne leden 29 2023, 12:26    Předmět: Citovat

Těch 30 Ohmů ve spodní části můstku je přece hrozně málo. A ano, bude to hrozně závislé na napájecím napětí. Místo těch necelých 6k by měl být proudový zdroj.
Návrat nahoru
Zobrazit informace o autorovi Odeslat soukromou zprávu Odeslat e-mail
ransom



Založen: Jul 19, 2020
Příspěvky: 3629
Bydliště: Náchod

PříspěvekZaslal: ne leden 29 2023, 13:12    Předmět: Citovat

https://dratek.cz/arduino/34745-prevodnik-proudu-4-20ma-na-napeti-0-5v.html?gclid=Cj0KCQiAz9ieBhCIARIsACB0oGLd4xgY2cI5hlaLN5yDgRLZoNn-Ny4PXGVXXEubgrAcMS2VAKs810QaAkm-EALw_wcB

Udělat pak na výstupu ze signálu 0-5V proud 0-20mA při daným vstupním odporu (a tedy daným úbytku na vstupu) měřáku, to snad už svede každej blbec. Respektive pokud to po odstranění bočníku má citlivost 2V, tak jenom doplnit dělič 2:5.
Návrat nahoru
Zobrazit informace o autorovi Odeslat soukromou zprávu
BOBOBO
Doporučuje se dohled moderátorů


Založen: Feb 25, 2008
Příspěvky: 20541
Bydliště: Rychnovsko

PříspěvekZaslal: ne leden 29 2023, 13:15    Předmět: Citovat

Proč spezdroj , když je napájen můstek . Nějaké % sem a tam es spielt keine Role . No a pro LM358 je 600mV neuvěřitelný rozsah i s hysterezí . Jeden ocejchovaný poťák to řeší . Nedělej z toho Dukovany . Důležitá je JEN ta sonda a ta je špice . To nebudu nikdy vlastnit ...
Návrat nahoru
Zobrazit informace o autorovi Odeslat soukromou zprávu
ransom



Založen: Jul 19, 2020
Příspěvky: 3629
Bydliště: Náchod

PříspěvekZaslal: ne leden 29 2023, 13:18    Předmět: Citovat

Pak je ještě k mání toto. Asi by se dal nastavit tak, aby se zapojil přímo do vstupu toho Orbitu.

https://www.laskakit.cz/prevodnik-signalu-z-4-20ma-na-v/?gclid=Cj0KCQiAz9ieBhCIARIsACB0oGJcUVxRIJEYmO2rG_QXMv0OMqPL8JXS7yhJxSKNi7ukaYsTbgvbYAEaArkgEALw_wcB
Návrat nahoru
Zobrazit informace o autorovi Odeslat soukromou zprávu
BOBOBO
Doporučuje se dohled moderátorů


Založen: Feb 25, 2008
Příspěvky: 20541
Bydliště: Rychnovsko

PříspěvekZaslal: ne leden 29 2023, 13:23    Předmět: Citovat

To je řešení , já jsem toto neznal a průmyslové převodníky , které jsem měl na ovládání měničů SAIAou jsou v jiných cenových relacích .... A přitom za tisíce v nich odchází právě kondíky spínaných zdrojů ... Made in Schwitzerland ....
Návrat nahoru
Zobrazit informace o autorovi Odeslat soukromou zprávu
ok1hga



Založen: Nov 28, 2006
Příspěvky: 12582
Bydliště: Česká Třebová

PříspěvekZaslal: ne leden 29 2023, 14:13    Předmět: Citovat

Kremik napsal(a):
Těch 30 Ohmů ve spodní části můstku je přece hrozně málo

. . . málo a proč ?
to je přeci úplně jedno kolik, jen přes něj musí projít až 20 mA při použitém napájecím napětí . . .
klidně lze použít i stabilizovaných 12V
Kremik napsal(a):
Místo těch necelých 6k by měl být proudový zdroj.

jj, proudový zdroj na 4 mA
Návrat nahoru
Zobrazit informace o autorovi Odeslat soukromou zprávu
Kremik



Založen: Mar 30, 2012
Příspěvky: 3644
Bydliště: Havířov

PříspěvekZaslal: ne leden 29 2023, 14:54    Předmět: Citovat

Protože aby na měřidle mohl být jeden Volt, musí být na 30Ω odporu 1,12V (pokud zanedbám proud měřidla), což máš 37,3mA, plus 4mA na druhém odporu a už překračuješ 40mA.
Návrat nahoru
Zobrazit informace o autorovi Odeslat soukromou zprávu Odeslat e-mail
Kremik



Založen: Mar 30, 2012
Příspěvky: 3644
Bydliště: Havířov

PříspěvekZaslal: ne leden 29 2023, 15:27    Předmět: Citovat

Co třeba takto?


IMG_20230129_152038.jpg
 Komentář:
 Velikost:  37.65 kB
 Zobrazeno:  128 krát

IMG_20230129_152038.jpg


Návrat nahoru
Zobrazit informace o autorovi Odeslat soukromou zprávu Odeslat e-mail
Zobrazit příspěvky z předchozích:   
Přidat nové téma   Zaslat odpověď       Obsah fóra Diskuzní fórum Elektro Bastlírny -> Měření, regulace a automatizace Časy uváděny v GMT + 1 hodina
Jdi na stránku 1, 2  Další
Strana 1 z 2

 
Přejdi na:  
Nemůžete odesílat nové téma do tohoto fóra.
Nemůžete odpovídat na témata v tomto fóru.
Nemůžete upravovat své příspěvky v tomto fóru.
Nemůžete mazat své příspěvky v tomto fóru.
Nemůžete hlasovat v tomto fóru.
Nemůžete připojovat soubory k příspěvkům
Můžete stahovat a prohlížet přiložené soubory

Powered by phpBB © 2001, 2005 phpBB Group
Forums ©
Nuke - Elektro Bastlirna

Informace na portálu Elektro bastlírny jsou prezentovány za účelem vzdělání čtenářů a rozšíření zájmu o elektroniku. Autoři článků na serveru neberou žádnou zodpovědnost za škody vzniklé těmito zapojeními. Rovněž neberou žádnou odpovědnost za případnou újmu na zdraví vzniklou úrazem elektrickým proudem. Autoři a správci těchto stránek nepřejímají záruku za správnost zveřejněných materiálů. Předkládané informace a zapojení jsou zveřejněny bez ohledu na případné patenty třetích osob. Nároky na odškodnění na základě změn, chyb nebo vynechání jsou zásadně vyloučeny. Všechny registrované nebo jiné obchodní známky zde použité jsou majetkem jejich vlastníků. Uvedením nejsou zpochybněna z toho vyplývající vlastnická práva. Použití konstrukcí v rozporu se zákonem je přísně zakázáno. Vzhledem k tomu, že původ předkládaných materiálů nelze žádným způsobem dohledat, nelze je použít pro komerční účely! Tento nekomerční server nemá z uvedených zapojení či konstrukcí žádný zisk. Nezodpovídáme za pravost předkládaných materiálů třetími osobami a jejich původ. V případě, že zjistíte porušení autorského práva či jiné nesrovnalosti, kontaktujte administrátory na diskuzním fóru EB.


PHP-Nuke Copyright © 2005 by Francisco Burzi. This is free software, and you may redistribute it under the GPL. PHP-Nuke comes with absolutely no warranty, for details, see the license.
Čas potřebný ke zpracování stránky 0.15 sekund