Vítejte na Elektro Bastlírn?
Nuke - Elektro Bastlirna
  Vytvořit účet Hlavní · Fórum · DDump · Profil · Zprávy · Hledat na fóru · Příspěvky na provoz EB

Vlákno na téma KORONAVIRUS - nutná registrace


Nuke - Elektro Bastlirna: Diskuzní fórum

 FAQFAQ   HledatHledat   Uživatelské skupinyUživatelské skupiny   ProfilProfil   Soukromé zprávySoukromé zprávy   PřihlášeníPřihlášení 

Rozběhový kondenzátor lednice

 
Přidat nové téma   Zaslat odpověď       Obsah fóra Diskuzní fórum Elektro Bastlírny -> Řešení problémů s různými konstrukcemi
Zobrazit předchozí téma :: Zobrazit následující téma  
Autor Zpráva
Freedy



Založen: Dec 27, 2006
Příspěvky: 290

PříspěvekZaslal: so prosinec 10 2022, 14:15    Předmět: Rozběhový kondenzátor lednice Citovat

Zdravím
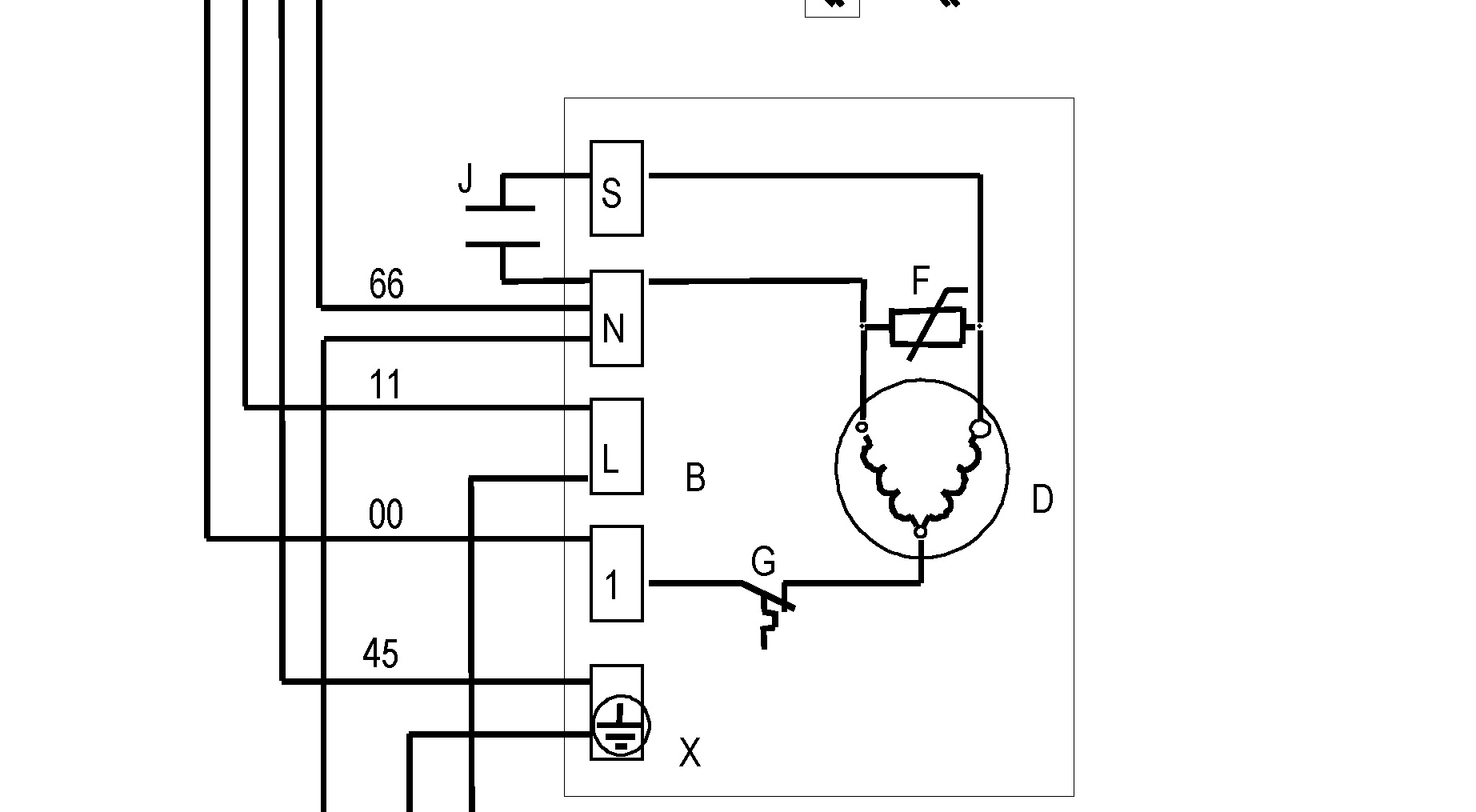
potřeboval bych poradit, mám velkou lednici s mrazákem whirlpool ARC 5450 a dnes jsem zjistil, že se občas nechce rozeběhnou a vypne ta tepelná pojistka. Koukal jsem do schématu a na rozběh by tam měl být kondenzátor. Chtěl jsem se na něj podívat případně vyměnit. Po rozdělání svorkovnice jsem našel zapojený mezi vinutími prvek něco jako kulatá plochá baterie, bez uvedení hodnot. Domnívám se, že by to měl být ten rozběhový konedenzátor. Poradí někdo jakou by měl mít hodnotu, abych ho mohl zkusit nahradit? Lednice jede jinak potichu a pěkně chladí tak se mi nechce ted kupovat novou. Motor by měl mít výkon 128 W. Děkuji.



IMG_20221210_134811_850.jpg
 Komentář:
 Velikost:  294.16 kB
 Zobrazeno:  97 krát

IMG_20221210_134811_850.jpg



IMG_20221210_134845_717.jpg
 Komentář:
 Velikost:  295.78 kB
 Zobrazeno:  89 krát

IMG_20221210_134845_717.jpg



IMG_20221210_134903_247.jpg
 Komentář:
 Velikost:  265.92 kB
 Zobrazeno:  71 krát

IMG_20221210_134903_247.jpg


Návrat nahoru
Zobrazit informace o autorovi Odeslat soukromou zprávu
rnbw



Založen: Mar 21, 2006
Příspěvky: 36906
Bydliště: Bratislava

PříspěvekZaslal: so prosinec 10 2022, 14:24    Předmět: Citovat

Je to rozbehovy termistor, treba vymenit celu tu svorkovnicu - podla tohoto asi diel 614 (481228038047):
https://www.servis-whirlpool.cz/schemata-spotrebicu/arc-5450-2/
Návrat nahoru
Zobrazit informace o autorovi Odeslat soukromou zprávu
BOBOBO
Doporučuje se dohled moderátorů


Založen: Feb 25, 2008
Příspěvky: 20566
Bydliště: Rychnovsko

PříspěvekZaslal: so prosinec 10 2022, 20:42    Předmět: Citovat

Takhle by vypadal kondík : https://www.kupaoprav.cz/elektrolyticky-kondensator-do-chladnicky-a-mraznicky-bosch-00613712/
Dvakrát jsem se dostal k tomu , že tento pozistor je "jen" zastrčen mezi kontaktní líšky . Trochu jsem je napružil a přidal k boku proužek termosetu . Kompresor poté dále běžel .
Návrat nahoru
Zobrazit informace o autorovi Odeslat soukromou zprávu
Freedy



Založen: Dec 27, 2006
Příspěvky: 290

PříspěvekZaslal: so prosinec 10 2022, 22:16    Předmět: Citovat

Koukal jsem na schéma od výrobce a tam je uveden i kondík. Jinak máš pravdu tento pozistor je tam zastrčen mezi takový napružený plíšky, než jsem ho tam vrátil trošku jsem je přihnul a zatím lednice jede úplně normálně. Ale radši objednám nový kus.


1.jpg
 Komentář:
 Velikost:  117.37 kB
 Zobrazeno:  83 krát

1.jpg


Návrat nahoru
Zobrazit informace o autorovi Odeslat soukromou zprávu
Freedy



Založen: Dec 27, 2006
Příspěvky: 290

PříspěvekZaslal: po prosinec 12 2022, 17:46    Předmět: Citovat

Tak jsem zase na začátku, díl jsem objednal dotyčný servis jej měl dle nabídky skladem. Dnes mi sdělili, že díl není a je zaněj náhrada ( 481228038148 ), která stojí 3x, ale taky není a musela by se objednat a nikdo neví kdy by byla. Neporadí někdo kde sehnat, nebo zda to jde něčím nahradit? Děkuji.
Návrat nahoru
Zobrazit informace o autorovi Odeslat soukromou zprávu
doktor365



Založen: Jan 28, 2006
Příspěvky: 2091

PříspěvekZaslal: po prosinec 12 2022, 18:38    Předmět: Citovat

Rozběhové relé, dej fotku co je tam za bazmek. Je jich spousta druhů. Jde to nahradit.
https://www.kupaoprav.cz/?sekce=kategorie&filtry%5Bfulltext%5D=rozb%C4%9Bhov%C3%A9+rel%C3%A9
Návrat nahoru
Zobrazit informace o autorovi Odeslat soukromou zprávu Odeslat e-mail
BOBOBO
Doporučuje se dohled moderátorů


Založen: Feb 25, 2008
Příspěvky: 20566
Bydliště: Rychnovsko

PříspěvekZaslal: po prosinec 12 2022, 18:40    Předmět: Citovat

Inu před pár lety to byl hit , po elmagrelé přišel ten pozistor na drátech , no a ten byl nahrazen kotoučkem v plastovém kombirelé . Podívat se můžeš pro info zde :
https://www.youtube.com/watch?v=36LzJzVxooY
https://www.youtube.com/watch?v=KnD2Fj1YUJA nebo tady
např. zde a vybrat něco zde nebo třeba zde
Návrat nahoru
Zobrazit informace o autorovi Odeslat soukromou zprávu
BOBOBO
Doporučuje se dohled moderátorů


Založen: Feb 25, 2008
Příspěvky: 20566
Bydliště: Rychnovsko

PříspěvekZaslal: po prosinec 12 2022, 18:43    Předmět: Citovat

Laughing Laughing
Návrat nahoru
Zobrazit informace o autorovi Odeslat soukromou zprávu
doktor365



Založen: Jan 28, 2006
Příspěvky: 2091

PříspěvekZaslal: po prosinec 12 2022, 19:01    Předmět: Citovat

Občas jsem dával toto, stávalo to pod stovku.

https://www.schiessl.cz/soubor-univerzalni-rozbehove-rele-icg-220-a-spp-136-.pdf
Návrat nahoru
Zobrazit informace o autorovi Odeslat soukromou zprávu Odeslat e-mail
Freedy



Založen: Dec 27, 2006
Příspěvky: 290

PříspěvekZaslal: po prosinec 12 2022, 19:12    Předmět: Citovat

Vypadá takhle Smile


rele-kompresoru-do-chladnicky-whirlpool-indesit-48.jpg
 Komentář:
 Velikost:  7.9 kB
 Zobrazeno:  75 krát

rele-kompresoru-do-chladnicky-whirlpool-indesit-48.jpg


Návrat nahoru
Zobrazit informace o autorovi Odeslat soukromou zprávu
BOBOBO
Doporučuje se dohled moderátorů


Založen: Feb 25, 2008
Příspěvky: 20566
Bydliště: Rychnovsko

PříspěvekZaslal: po prosinec 12 2022, 19:15    Předmět: Citovat

Ano to mám výše , bohužel dnes špatně dostupné .
Návrat nahoru
Zobrazit informace o autorovi Odeslat soukromou zprávu
Freedy



Založen: Dec 27, 2006
Příspěvky: 290

PříspěvekZaslal: po prosinec 12 2022, 22:42    Předmět: Citovat

Doktor 365. podle schéma zapojení bych měl použít relé spp jestli jsem to dobře pochopil, když se dívám na zapojení, které jsem uvedl výše.
Návrat nahoru
Zobrazit informace o autorovi Odeslat soukromou zprávu
doktor365



Založen: Jan 28, 2006
Příspěvky: 2091

PříspěvekZaslal: po prosinec 12 2022, 22:55    Předmět: Citovat

To relé spp je univerzál, to samozřejmě použít lze ale musiš tam asi nechat ten zbytek aby jsi tam měl tepelnou ochranu. Zkus ten kompresor nastartovat ručně bez ničeho a změř kolik bere zda to má cenu vůbec kupovat. Na youtube je spousta návodů jak spustit kompresor bez relátka. Třeba tady.
https://www.youtube.com/watch?v=qwybfv7i7Co&ab_channel=DPLrepara
Návrat nahoru
Zobrazit informace o autorovi Odeslat soukromou zprávu Odeslat e-mail
Freedy



Založen: Dec 27, 2006
Příspěvky: 290

PříspěvekZaslal: út prosinec 13 2022, 6:50    Předmět: Citovat

Zbytek bych tam nechal, jen bych vytáhnul ten pozistor a místo něj zapojil to relé.
Návrat nahoru
Zobrazit informace o autorovi Odeslat soukromou zprávu
Zobrazit příspěvky z předchozích:   
Přidat nové téma   Zaslat odpověď       Obsah fóra Diskuzní fórum Elektro Bastlírny -> Řešení problémů s různými konstrukcemi Časy uváděny v GMT + 1 hodina
Strana 1 z 1

 
Přejdi na:  
Nemůžete odesílat nové téma do tohoto fóra.
Nemůžete odpovídat na témata v tomto fóru.
Nemůžete upravovat své příspěvky v tomto fóru.
Nemůžete mazat své příspěvky v tomto fóru.
Nemůžete hlasovat v tomto fóru.
Nemůžete připojovat soubory k příspěvkům
Můžete stahovat a prohlížet přiložené soubory

Powered by phpBB © 2001, 2005 phpBB Group
Forums ©
Nuke - Elektro Bastlirna

Informace na portálu Elektro bastlírny jsou prezentovány za účelem vzdělání čtenářů a rozšíření zájmu o elektroniku. Autoři článků na serveru neberou žádnou zodpovědnost za škody vzniklé těmito zapojeními. Rovněž neberou žádnou odpovědnost za případnou újmu na zdraví vzniklou úrazem elektrickým proudem. Autoři a správci těchto stránek nepřejímají záruku za správnost zveřejněných materiálů. Předkládané informace a zapojení jsou zveřejněny bez ohledu na případné patenty třetích osob. Nároky na odškodnění na základě změn, chyb nebo vynechání jsou zásadně vyloučeny. Všechny registrované nebo jiné obchodní známky zde použité jsou majetkem jejich vlastníků. Uvedením nejsou zpochybněna z toho vyplývající vlastnická práva. Použití konstrukcí v rozporu se zákonem je přísně zakázáno. Vzhledem k tomu, že původ předkládaných materiálů nelze žádným způsobem dohledat, nelze je použít pro komerční účely! Tento nekomerční server nemá z uvedených zapojení či konstrukcí žádný zisk. Nezodpovídáme za pravost předkládaných materiálů třetími osobami a jejich původ. V případě, že zjistíte porušení autorského práva či jiné nesrovnalosti, kontaktujte administrátory na diskuzním fóru EB.


PHP-Nuke Copyright © 2005 by Francisco Burzi. This is free software, and you may redistribute it under the GPL. PHP-Nuke comes with absolutely no warranty, for details, see the license.
Čas potřebný ke zpracování stránky 0.35 sekund