Vítejte na Elektro Bastlírn?
Nuke - Elektro Bastlirna
  Vytvořit účet Hlavní · Fórum · DDump · Profil · Zprávy · Hledat na fóru · Příspěvky na provoz EB

Vlákno na téma KORONAVIRUS - nutná registrace


Nuke - Elektro Bastlirna: Diskuzní fórum

 FAQFAQ   HledatHledat   Uživatelské skupinyUživatelské skupiny   ProfilProfil   Soukromé zprávySoukromé zprávy   PřihlášeníPřihlášení 

Telefon nenabíjí po připojení přepolovaného usb

 
Přidat nové téma   Zaslat odpověď       Obsah fóra Diskuzní fórum Elektro Bastlírny -> GSM / CDMA / LTE technika a telefony
Zobrazit předchozí téma :: Zobrazit následující téma  
Autor Zpráva
marat



Založen: Aug 06, 2009
Příspěvky: 314

PříspěvekZaslal: ne listopad 27 2022, 15:08    Předmět: Telefon nenabíjí po připojení přepolovaného usb Citovat

Ahoj chlapi,

stala se mi nemilá věc. Opravoval jsem si nabíjecí kabel k telefonu a patrně jsem měl nějaký výpadek logického úsudku a prohodil jsem VCC a Ground.
Po připojení telefon zhasnul, já měl srdeční zástavu a nabíjení + napájení je v háji. Sice funguje, ale jede jenom z baterie a jeho život pomalu vyprchává.

Má význam to rozebrat a o něco se snažit?
Nokia Lumia 630

Díky
Návrat nahoru
Zobrazit informace o autorovi Odeslat soukromou zprávu
JiriTom



Založen: Apr 26, 2017
Příspěvky: 1405

PříspěvekZaslal: ne listopad 27 2022, 15:37    Předmět: Citovat

Inspirace a možná řešení:
http://repairing.u2ugsm.com/2017/02/nokia-lumia-630-charging-solution_9.html
Návrat nahoru
Zobrazit informace o autorovi Odeslat soukromou zprávu
termit256



Založen: Dec 06, 2007
Příspěvky: 10335

PříspěvekZaslal: ne listopad 27 2022, 15:59    Předmět: Citovat

Jestli k nemu mas nejaky zvlastni citovy vztah, kup si na aukru za 2 kila ten samy a desku vymen. Osobne si ale myslim, ze opravovat 10let stary low cost mobil mrtveho vyrobce s mrtvym OS valny vyznam nema.
Návrat nahoru
Zobrazit informace o autorovi Odeslat soukromou zprávu
marat



Založen: Aug 06, 2009
Příspěvky: 314

PříspěvekZaslal: ne listopad 27 2022, 16:51    Předmět: Citovat

Citový ani ne, ale mám naněm aplikaci pro ulehčení práce a nějak se mi nechce přecházet na "lepší" pro android.

Deska z Aukra je dobrý tip. Dneska nějak nemám den. Very Happy

Tak jde do elektrošrotu. Deska je všechno v jednom, výměna nemožná bez ztráty paměti, kde je aplikace. U USB jsou asi 4 součástky velikosti 0,5mm. To bych musel mít mikroskop.
Návrat nahoru
Zobrazit informace o autorovi Odeslat soukromou zprávu
PotPalo



Založen: May 13, 2009
Příspěvky: 5765
Bydliště: BA-Petržalka :(

PříspěvekZaslal: ne listopad 27 2022, 20:08    Předmět: Citovat

V krajnom prípade by išli vytiahnuť von vodiče priamo z batérie, a z vonka prilepiť nabíjací modul pre Li-ion. Vyzeralo by to síce ako keby to robili Pat a Mat, ale nabíjalo by to. Snáď si telefón nemeria spotrebovanú energiu z batérie a sám vypne keď sa dopočíta nule, aj keď by mala batéria 4V.
_________________
Globálne otepľovanie je spôsobené masívnou zástavbou a rúbaním storočných stromov. Kamene namiesto trávy tiež prispievajú k otepľovaniu.
Návrat nahoru
Zobrazit informace o autorovi Odeslat soukromou zprávu Odeslat e-mail
pepik9



Založen: Aug 31, 2010
Příspěvky: 2479

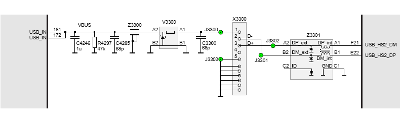
PříspěvekZaslal: ne listopad 27 2022, 21:23    Předmět: Citovat

Možná?


NL630.png
 Komentář:
 Velikost:  17.23 kB
 Zobrazeno:  183 krát

NL630.png


Návrat nahoru
Zobrazit informace o autorovi Odeslat soukromou zprávu
Hubert_79



Založen: Dec 24, 2017
Příspěvky: 8312
Bydliště: Praha 6 - Petřiny

PříspěvekZaslal: ne listopad 27 2022, 21:41    Předmět: Citovat

Máš v tom WP 8.1, nebo jsi provedl upgrade na 10? V prvním případě je to v kopru, v tom druhém by ještě možná šlo aplikaci nainstalovat, je-li tato ve storu.
_________________
Frýba a láska zvítězí nad Hemalou a nenávistí!
Návrat nahoru
Zobrazit informace o autorovi Odeslat soukromou zprávu Zobrazit autorovy WWW stránky
marat



Založen: Aug 06, 2009
Příspěvky: 314

PříspěvekZaslal: ne listopad 27 2022, 22:12    Předmět: Citovat

Chlapi díky moc, ale nemám šanci to opravit. Součástky jsou fakt miniaturní a většina pod natvrdo připájenými kryty.

Asi ze srandy zkusím to nabíjení baterky externí nabíječkou, to má největší šanci na úspěch. Budu doufat, že je ten mobil úplně blbej, když jim nestálo za to, dát tam diodu proti přepolování.

Jsou tam Win 8.1.
Návrat nahoru
Zobrazit informace o autorovi Odeslat soukromou zprávu
Hubert_79



Založen: Dec 24, 2017
Příspěvky: 8312
Bydliště: Praha 6 - Petřiny

PříspěvekZaslal: ne listopad 27 2022, 22:16    Předmět: Citovat

Hm, tak s 8.1 je to konečná, do toho nejspíš nic nenainstaluješ...
_________________
Frýba a láska zvítězí nad Hemalou a nenávistí!
Návrat nahoru
Zobrazit informace o autorovi Odeslat soukromou zprávu Zobrazit autorovy WWW stránky
dj_Paul



Založen: Sep 19, 2004
Příspěvky: 2626
Bydliště: Laškov

PříspěvekZaslal: út listopad 29 2022, 19:30    Předmět: Citovat

marat napsal(a):
Chlapi díky moc, ale nemám šanci to opravit. Součástky jsou fakt miniaturní a většina pod natvrdo připájenými kryty.

Asi ze srandy zkusím to nabíjení baterky externí nabíječkou, to má největší šanci na úspěch. Budu doufat, že je ten mobil úplně blbej, když jim nestálo za to, dát tam diodu proti přepolování.

Jsou tam Win 8.1.


nějakej transil tam je, pokud dobře vidím tak i s pojistkou v jednom pouzdře.
Nevím jak tento model, ale můj telefon umí v režimu OTG napájet vnější zařízení, tam ta dioda asi vadila
Návrat nahoru
Zobrazit informace o autorovi Odeslat soukromou zprávu Odeslat e-mail
workhard



Založen: Jul 07, 2006
Příspěvky: 5446
Bydliště: Plzeň

PříspěvekZaslal: út listopad 29 2022, 20:17    Předmět: Citovat

Lumii měla přítulka a bylo to fakt něco hroznýho, nabij to do praku a vystřel někam hodně daleko.
_________________
Věci,které fungují,se ZÁSADNĚ neopravují...
Návrat nahoru
Zobrazit informace o autorovi Odeslat soukromou zprávu
Hubert_79



Založen: Dec 24, 2017
Příspěvky: 8312
Bydliště: Praha 6 - Petřiny

PříspěvekZaslal: út listopad 29 2022, 21:19    Předmět: Citovat

Já to používám furt a neměnil bych Coool
_________________
Frýba a láska zvítězí nad Hemalou a nenávistí!
Návrat nahoru
Zobrazit informace o autorovi Odeslat soukromou zprávu Zobrazit autorovy WWW stránky
marat



Založen: Aug 06, 2009
Příspěvky: 314

PříspěvekZaslal: ne prosinec 11 2022, 9:44    Předmět: Citovat

Tak žije. Vzal jsem u Laskakit nabíjecí obvod za asi 35Kč a připájel jsem ho kabelem ke konektorům baterky v telefonu.
Jediný problém je, že telefon nepozná nabitou baterku bez restartu a i tak tvrdí, že má jenom 72%.
Návrat nahoru
Zobrazit informace o autorovi Odeslat soukromou zprávu
Zobrazit příspěvky z předchozích:   
Přidat nové téma   Zaslat odpověď       Obsah fóra Diskuzní fórum Elektro Bastlírny -> GSM / CDMA / LTE technika a telefony Časy uváděny v GMT + 1 hodina
Strana 1 z 1

 
Přejdi na:  
Nemůžete odesílat nové téma do tohoto fóra.
Nemůžete odpovídat na témata v tomto fóru.
Nemůžete upravovat své příspěvky v tomto fóru.
Nemůžete mazat své příspěvky v tomto fóru.
Nemůžete hlasovat v tomto fóru.
Nemůžete připojovat soubory k příspěvkům
Můžete stahovat a prohlížet přiložené soubory

Powered by phpBB © 2001, 2005 phpBB Group
Forums ©
Nuke - Elektro Bastlirna

Informace na portálu Elektro bastlírny jsou prezentovány za účelem vzdělání čtenářů a rozšíření zájmu o elektroniku. Autoři článků na serveru neberou žádnou zodpovědnost za škody vzniklé těmito zapojeními. Rovněž neberou žádnou odpovědnost za případnou újmu na zdraví vzniklou úrazem elektrickým proudem. Autoři a správci těchto stránek nepřejímají záruku za správnost zveřejněných materiálů. Předkládané informace a zapojení jsou zveřejněny bez ohledu na případné patenty třetích osob. Nároky na odškodnění na základě změn, chyb nebo vynechání jsou zásadně vyloučeny. Všechny registrované nebo jiné obchodní známky zde použité jsou majetkem jejich vlastníků. Uvedením nejsou zpochybněna z toho vyplývající vlastnická práva. Použití konstrukcí v rozporu se zákonem je přísně zakázáno. Vzhledem k tomu, že původ předkládaných materiálů nelze žádným způsobem dohledat, nelze je použít pro komerční účely! Tento nekomerční server nemá z uvedených zapojení či konstrukcí žádný zisk. Nezodpovídáme za pravost předkládaných materiálů třetími osobami a jejich původ. V případě, že zjistíte porušení autorského práva či jiné nesrovnalosti, kontaktujte administrátory na diskuzním fóru EB.


PHP-Nuke Copyright © 2005 by Francisco Burzi. This is free software, and you may redistribute it under the GPL. PHP-Nuke comes with absolutely no warranty, for details, see the license.
Čas potřebný ke zpracování stránky 0.18 sekund