Vítejte na Elektro Bastlírn?
Nuke - Elektro Bastlirna
  Vytvořit účet Hlavní · Fórum · DDump · Profil · Zprávy · Hledat na fóru · Příspěvky na provoz EB

Vlákno na téma KORONAVIRUS - nutná registrace


Nuke - Elektro Bastlirna: Diskuzní fórum

 FAQFAQ   HledatHledat   Uživatelské skupinyUživatelské skupiny   ProfilProfil   Soukromé zprávySoukromé zprávy   PřihlášeníPřihlášení 

Stále svítí světla na chodbě-schodišti domu
Jdi na stránku 1, 2, 3  Další
 
Přidat nové téma   Zaslat odpověď       Obsah fóra Diskuzní fórum Elektro Bastlírny -> Silnoproudá technika
Zobrazit předchozí téma :: Zobrazit následující téma  
Autor Zpráva
spravce29



Založen: Oct 29, 2014
Příspěvky: 22

PříspěvekZaslal: so listopad 12 2022, 23:47    Předmět: Stále svítí světla na chodbě-schodišti domu Citovat

Zdravím,

na chodbě domu problikávala včera jedna zářivka a dnes koukám, že
svítí stále všechna světla. Zářivku jsme vysadil, světla stále svítí.

Všechny přepínače na chodbě se po stisknutí sami vrátí do polohy
vypnuto, doutnavky v nich nesvítí.

Zkoušel jsem schodišťový automat (časovač vypnutí) pro automatické vypínání světel.
Časovač pravděpodobně nefunguje, resp. světla svítí stále i při
nastavení vypnutí na např. jen 1 minutový interval.

Při přetahování modrého táhla časovače (ČR 1) do polohy 0 (dolů) je slyšet přepnutí a světla na chodbě probliknou. Pokud se přetahuje modré táhlo směrem nahoru k symbolu žárovky je také slyšet přepnutí a světla na chodbě probliknou.

Vypnout světla lze vypnutím - přepnutím jističe (SV2) dolů.

Časovač - časové relé - schodišťový automat:
Paladin 284210 (viz. obrázek časovač označen jako ČR 1),

Je pravděpodobné, že je časovač světel již nefunkční (nevypíná) a proto světla stále svítí?

Kde jinde by mohl být problém?

Děkuji za reakce.

Přeji pěkný večer.



Elektřina osvětlení chodby dům-časový spínač, relé, schodišťový automat, při tažení modrého táhla na SŽ světla bliknou, je slyšet přepnutí.jpg
 Komentář:
Elektřina osvětlení chodby dům-časový spínač, relé, schodišťový automat, při tažení modrého táhla na symbol žárovky (směr nahoru) světla na chodbě bliknou, je slyšet přepnutí.
 Velikost:  117.14 kB
 Zobrazeno:  133 krát

Elektřina osvětlení chodby dům-časový spínač, relé, schodišťový automat, při tažení modrého táhla na SŽ světla bliknou, je slyšet přepnutí.jpg



Elektřina osvětlení chodby dům-při tažení modrého táhla na 0 světla bliknou a je slyšet přepnutí.jpg
 Komentář:
Elektřina osvětlení chodby dům-časový spínač, relé, schodišťový automat, při tažení modrého táhla na symbol O (dolů), světla na chodbě bliknou, je slyšet přepnutí.
 Velikost:  72.01 kB
 Zobrazeno:  101 krát

Elektřina osvětlení chodby dům-při tažení modrého táhla na 0 světla bliknou a je slyšet přepnutí.jpg



Elektřina osvětlení chodby dům-světla-žárovky svítí ALE doutnavka pod přepínačem ne, přepínač se správně vrací do polohy vypnuto.jpg
 Komentář:
 Velikost:  18.14 kB
 Zobrazeno:  91 krát

Elektřina osvětlení chodby dům-světla-žárovky svítí ALE doutnavka pod přepínačem ne, přepínač se správně vrací do polohy vypnuto.jpg


Návrat nahoru
Zobrazit informace o autorovi Odeslat soukromou zprávu
workhard



Založen: Jul 07, 2006
Příspěvky: 5471
Bydliště: Plzeň

PříspěvekZaslal: so listopad 12 2022, 23:54    Předmět: Citovat

Je spečené minirelé v tom časovači, taky jsem to řešil.
_________________
Věci,které fungují,se ZÁSADNĚ neopravují...
Návrat nahoru
Zobrazit informace o autorovi Odeslat soukromou zprávu
Cowley



Založen: Feb 04, 2005
Příspěvky: 3569

PříspěvekZaslal: ne listopad 13 2022, 7:43    Předmět: Citovat

Kromě standardní rady "ať to opraví ten, kdo tomu rozumí", bych nejprve odpojil u časovače vstup 2 od tlačítek.
Potom nastavil časovač na minimum a pokud se světlo nevypne, vyměnil bych časovač.

Pokud se ale vypne, čeká TOUR DE "SCHODIŠTĚ" a hledání tlačítka ve zkratu, protože předpokládám, že krátkodobým připojením odpojeného vodiče nazpět na vstup 2 se světlo rozsvítí a časovač začne měřit.
Návrat nahoru
Zobrazit informace o autorovi Odeslat soukromou zprávu
p32



Založen: Jan 13, 2007
Příspěvky: 16545
Bydliště: Olomouc

PříspěvekZaslal: ne listopad 13 2022, 8:42    Předmět: Citovat

Řekl bych, že závada bude jednoduchá - sepnuté tlačítko na poschodí. Někdy i pomocí sirky.
Návrat nahoru
Zobrazit informace o autorovi Odeslat soukromou zprávu
Ivan_01



Založen: Sep 15, 2018
Příspěvky: 1408
Bydliště: BB SK

PříspěvekZaslal: ne listopad 13 2022, 9:16    Předmět: Citovat

ak nesvietia dutnavky vo vypínačoch, je niektorý z nich zopnutý. nemusí byť ale viditeľne stlačená klapka, môže byť rozsypaný strojček alebo trebárs zlomený kontakt
Návrat nahoru
Zobrazit informace o autorovi Odeslat soukromou zprávu
xsc



Založen: Sep 25, 2014
Příspěvky: 8393

PříspěvekZaslal: ne listopad 13 2022, 12:29    Předmět: Citovat

To s těmi doutnavkami není vždy pravda, záleží na verzi časového spínače. Pokud by byl seplý vypínač, obvykle, ale taky ne vždy, se po uplynutí časového intervalu ozve znovu cvaknutí relé.
Návrat nahoru
Zobrazit informace o autorovi Odeslat soukromou zprávu
monterjirka



Založen: Jun 14, 2003
Příspěvky: 2866
Bydliště: Blížejov

PříspěvekZaslal: ne listopad 13 2022, 17:27    Předmět: Citovat

Ono takové měření skutečného stavu na konkrétním místě dá rychlejší a přesnější odpověď než studování webu nebo křišťálové koule
Návrat nahoru
Zobrazit informace o autorovi Odeslat soukromou zprávu Odeslat e-mail
Artaban001



Založen: Apr 01, 2004
Příspěvky: 10068
Bydliště: Pendrov

PříspěvekZaslal: po listopad 14 2022, 13:35    Předmět: Citovat

Taky je řešení relé zapojit bokem na testovací obvod (v případě, že máš čas na přípravu, je vlastní zapojení testovacího obvodu rychlá záležitost). Pak zjistíš, zda má cenu řešit vlastní relé, nebo spínače, To by mělo stačit odpojit dva dráty od relé a na jakýmkoliv tlačítku změřit přítomnost, nepřítomnost propojení. Schéma zapojení se dá najít na webu.
A pokud je to možné, bylo by vhodné použít ještě externí relé na spínání žárovek, protože v případě časovače CRM křápnutí žárovky zapříčinilo poruchu toho CRM - takže se kupovalo cca na jeden rok (vlastní zkušenost).


Naposledy upravil Artaban001 dne po listopad 14 2022, 13:46, celkově upraveno 1 krát.
Návrat nahoru
Zobrazit informace o autorovi Odeslat soukromou zprávu Odeslat e-mail
Artaban001



Založen: Apr 01, 2004
Příspěvky: 10068
Bydliště: Pendrov

PříspěvekZaslal: po listopad 14 2022, 13:43    Předmět: Citovat

xsc napsal(a):
To s těmi doutnavkami není vždy pravda, záleží na verzi časového spínače. Pokud by byl seplý vypínač, obvykle, ale taky ne vždy, se po uplynutí časového intervalu ozve znovu cvaknutí relé.

Některý verze dlouhý držení ignorovaly, nebo v případě přidržení tlačítka, kdy světla svítily, se světla zhasly. Celkově to fungovalo tak, že světla byly nastavený na 2 minuty (příklad). Kolikrát jsi stisk vypínač, tolikrát se prodloužilo svícení (5X stisk bylo 10min). Dlouhý stisk způsobil reset a světlo zhaslo. Blížící vypršení limitu světla párkrát zablikala.
Návrat nahoru
Zobrazit informace o autorovi Odeslat soukromou zprávu Odeslat e-mail
Sendyx



Založen: Jun 05, 2005
Příspěvky: 12487
Bydliště: Ostrava

PříspěvekZaslal: po listopad 14 2022, 13:58    Předmět: Citovat

Nevím jak tento, ale mnohé schodišťové časáky po slepení následkem zkratového proudu šly opravit klepnutím do krytu. To probliknutí - reakce na páčku - by mohlo signalizovat, že je ale zkrat na ovládacích tlačítkách. Takhle se to projevovalo u Elementu, co si pamatuju.
_________________
Curvetraceristé všech zemí spojte se!
Návrat nahoru
Zobrazit informace o autorovi Odeslat soukromou zprávu
Cowley



Založen: Feb 04, 2005
Příspěvky: 3569

PříspěvekZaslal: út listopad 15 2022, 6:24    Předmět: Citovat

Tak jak? Vyřešeno nebo stále svítí?
Návrat nahoru
Zobrazit informace o autorovi Odeslat soukromou zprávu
spravce29



Založen: Oct 29, 2014
Příspěvky: 22

PříspěvekZaslal: út listopad 15 2022, 23:38    Předmět: Citovat

Artaban001 napsal(a):
Taky je řešení relé zapojit bokem na testovací obvod (v případě, že máš čas na přípravu, je vlastní zapojení testovacího obvodu rychlá záležitost). Pak zjistíš, zda má cenu řešit vlastní relé, nebo spínače, To by mělo stačit odpojit dva dráty od relé a na jakýmkoliv tlačítku změřit přítomnost, nepřítomnost propojení. Schéma zapojení se dá najít na webu.
A pokud je to možné, bylo by vhodné použít ještě externí relé na spínání žárovek, protože v případě časovače CRM křápnutí žárovky zapříčinilo poruchu toho CRM - takže se kupovalo cca na jeden rok (vlastní zkušenost).


Děkuji za info.

Jaké dva dráty od relé odpojit?

"na jakýmkoliv tlačítku" je myšleno na jakémkoli přepínači světel na chodbě?

V příloze foto zapojení.

Díky za reakci.



Elektřina osvětlení chodby dům-časový spínač, relé, schodišťový automat-vlevo-a.jpg
 Komentář:
Elektřina osvětlení chodby dům-časový spínač, relé, schodišťový automat-vlevo-a. Vrchní pohled na zapojení.
 Velikost:  109.03 kB
 Zobrazeno:  119 krát

Elektřina osvětlení chodby dům-časový spínač, relé, schodišťový automat-vlevo-a.jpg



Elektřina osvětlení chodby dům-časový spínač, relé, schodišťový automat-vlevo-b.jpg
 Komentář:
Elektřina osvětlení chodby dům-časový spínač, relé, schodišťový automat-vlevo-a. Spodní pohled na zapojení
 Velikost:  128.82 kB
 Zobrazeno:  97 krát

Elektřina osvětlení chodby dům-časový spínač, relé, schodišťový automat-vlevo-b.jpg



Elektřina osvětlení chodby dům-časový spínač, relé, schodišťový automat-vlevo-c.jpg
 Komentář:
Elektřina osvětlení chodby dům-časový spínač, relé, schodišťový automat-vlevo-a. Spodní pohled na zapojení.
 Velikost:  65.65 kB
 Zobrazeno:  114 krát

Elektřina osvětlení chodby dům-časový spínač, relé, schodišťový automat-vlevo-c.jpg



Elektřina osvětlení chodby dům-časový spínač, relé, schodišťový automat-vlevo-d.jpg
 Komentář:
Elektřina osvětlení chodby dům-časový spínač, relé, schodišťový automat-vlevo-a. Pohled na zapojení.
 Velikost:  111.26 kB
 Zobrazeno:  136 krát

Elektřina osvětlení chodby dům-časový spínač, relé, schodišťový automat-vlevo-d.jpg


Návrat nahoru
Zobrazit informace o autorovi Odeslat soukromou zprávu
spravce29



Založen: Oct 29, 2014
Příspěvky: 22

PříspěvekZaslal: út listopad 15 2022, 23:51    Předmět: Citovat

Cowley napsal(a):
Kromě standardní rady "ať to opraví ten, kdo tomu rozumí", bych nejprve odpojil u časovače vstup 2 od tlačítek.
Potom nastavil časovač na minimum a pokud se světlo nevypne, vyměnil bych časovač.

Pokud se ale vypne, čeká TOUR DE "SCHODIŠTĚ" a hledání tlačítka ve zkratu, protože předpokládám, že krátkodobým připojením odpojeného vodiče nazpět na vstup 2 se světlo rozsvítí a časovač začne měřit.


Děkuji za reakci.

Vstupem 2 u časovače je myšlen horní vstup pro černý drát?

(viz. zapojení a nově přidané foto a druhý horní černý drát do časovače.)



Elektřina osvětlení chodby dům-časový spínač, relé, schodišťový automat-vlevo-a.jpg
 Komentář:
Elektřina osvětlení chodby dům-časový spínač, relé, schodišťový automat-vlevo-a. Vrchní pohled na zapojení.
 Velikost:  109.03 kB
 Zobrazeno:  83 krát

Elektřina osvětlení chodby dům-časový spínač, relé, schodišťový automat-vlevo-a.jpg


Návrat nahoru
Zobrazit informace o autorovi Odeslat soukromou zprávu
rnbw



Založen: Mar 21, 2006
Příspěvky: 36906
Bydliště: Bratislava

PříspěvekZaslal: út listopad 15 2022, 23:58    Předmět: Citovat

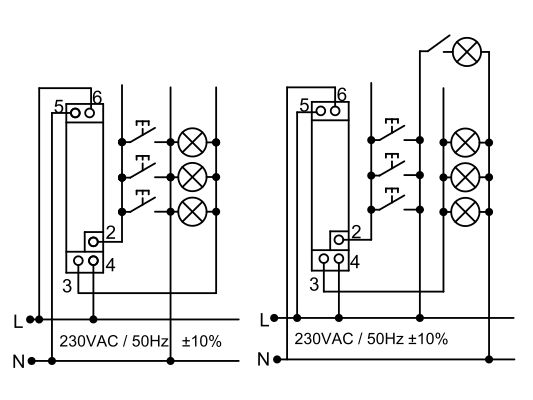
Odporucam pozvat elektrikara.
Ked nedokazes podla typu najst na webe schemu zapojenia, tak by si do toho zasahovat nemal.



Anschlussbild_2842x0_RGB_72dpi_web.jpg
 Komentář:
 Velikost:  27.24 kB
 Zobrazeno:  98 krát

Anschlussbild_2842x0_RGB_72dpi_web.jpg


Návrat nahoru
Zobrazit informace o autorovi Odeslat soukromou zprávu
Cowley



Založen: Feb 04, 2005
Příspěvky: 3569

PříspěvekZaslal: st listopad 16 2022, 5:37    Předmět: Citovat

Dvojka vstup je ten, který tam je sám a není "v páru".

A snad není nešťastně použit žlutozelený vodič. Sad
Návrat nahoru
Zobrazit informace o autorovi Odeslat soukromou zprávu
Zobrazit příspěvky z předchozích:   
Přidat nové téma   Zaslat odpověď       Obsah fóra Diskuzní fórum Elektro Bastlírny -> Silnoproudá technika Časy uváděny v GMT + 1 hodina
Jdi na stránku 1, 2, 3  Další
Strana 1 z 3

 
Přejdi na:  
Nemůžete odesílat nové téma do tohoto fóra.
Nemůžete odpovídat na témata v tomto fóru.
Nemůžete upravovat své příspěvky v tomto fóru.
Nemůžete mazat své příspěvky v tomto fóru.
Nemůžete hlasovat v tomto fóru.
Nemůžete připojovat soubory k příspěvkům
Můžete stahovat a prohlížet přiložené soubory

Powered by phpBB © 2001, 2005 phpBB Group
Forums ©
Nuke - Elektro Bastlirna

Informace na portálu Elektro bastlírny jsou prezentovány za účelem vzdělání čtenářů a rozšíření zájmu o elektroniku. Autoři článků na serveru neberou žádnou zodpovědnost za škody vzniklé těmito zapojeními. Rovněž neberou žádnou odpovědnost za případnou újmu na zdraví vzniklou úrazem elektrickým proudem. Autoři a správci těchto stránek nepřejímají záruku za správnost zveřejněných materiálů. Předkládané informace a zapojení jsou zveřejněny bez ohledu na případné patenty třetích osob. Nároky na odškodnění na základě změn, chyb nebo vynechání jsou zásadně vyloučeny. Všechny registrované nebo jiné obchodní známky zde použité jsou majetkem jejich vlastníků. Uvedením nejsou zpochybněna z toho vyplývající vlastnická práva. Použití konstrukcí v rozporu se zákonem je přísně zakázáno. Vzhledem k tomu, že původ předkládaných materiálů nelze žádným způsobem dohledat, nelze je použít pro komerční účely! Tento nekomerční server nemá z uvedených zapojení či konstrukcí žádný zisk. Nezodpovídáme za pravost předkládaných materiálů třetími osobami a jejich původ. V případě, že zjistíte porušení autorského práva či jiné nesrovnalosti, kontaktujte administrátory na diskuzním fóru EB.


PHP-Nuke Copyright © 2005 by Francisco Burzi. This is free software, and you may redistribute it under the GPL. PHP-Nuke comes with absolutely no warranty, for details, see the license.
Čas potřebný ke zpracování stránky 0.35 sekund