Vítejte na Elektro Bastlírn?
Nuke - Elektro Bastlirna
  Vytvořit účet Hlavní · Fórum · DDump · Profil · Zprávy · Hledat na fóru · Příspěvky na provoz EB

Vlákno na téma KORONAVIRUS - nutná registrace


Nuke - Elektro Bastlirna: Diskuzní fórum

 FAQFAQ   HledatHledat   Uživatelské skupinyUživatelské skupiny   ProfilProfil   Soukromé zprávySoukromé zprávy   PřihlášeníPřihlášení 

Regulátor napětí pro solar a vítr - 2 vstupy
Jdi na stránku 1, 2  Další
 
Přidat nové téma   Zaslat odpověď       Obsah fóra Diskuzní fórum Elektro Bastlírny -> Měření, regulace a automatizace
Zobrazit předchozí téma :: Zobrazit následující téma  
Autor Zpráva
Saturn



Založen: Feb 07, 2005
Příspěvky: 384
Bydliště: Brno

PříspěvekZaslal: čt leden 13 2022, 6:41    Předmět: Regulátor napětí pro solar a vítr - 2 vstupy Citovat

Zdavím fórum a měl bych na Vás tento dotaz:
Příbuzněmu na chatě jsem instaloval před 2 lety solární panel 12V/20W a použil jsem regulátor napětí z Číny, dodnes bez problémů.
Protože je to v oblasti, kde celkem pořád fouká (Vysočina), chtěl by zkusit i větrnou turbinu.
A teď bych potřeboval poradit. Dokoupit další regulátor napětí nebo existuje i dvouvstupový regulátor? Záložní akumulátor chceme ponechat pouze ten stávající.
Na internetu jsem to samozřejmě hned zkoušel hledat, ale neúspěšně.
Díky za každý postřeh či zkušenost.

_________________
Pěkný den přeje všem
Saturn
Návrat nahoru
Zobrazit informace o autorovi Odeslat soukromou zprávu Odeslat e-mail
ok1hga



Založen: Nov 28, 2006
Příspěvky: 12589
Bydliště: Česká Třebová

PříspěvekZaslal: čt leden 13 2022, 13:22    Předmět: Citovat

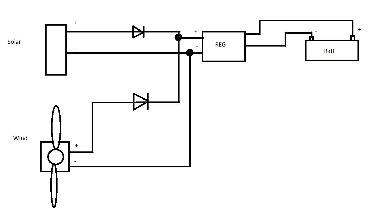
základní předpoklad aby oba zdroje, jak solar, tak turbina dávaly zhruba stejně.
potom by mohly fungovat jako automatický přepínač jen dvě dostatečně dimenzované diody.
zapojení nějak podobně jako je na obrázku . . .



solar-wind turbine.jpg
 Komentář:
 Velikost:  27.94 kB
 Zobrazeno:  199 krát

solar-wind turbine.jpg


Návrat nahoru
Zobrazit informace o autorovi Odeslat soukromou zprávu
Saturn



Založen: Feb 07, 2005
Příspěvky: 384
Bydliště: Brno

PříspěvekZaslal: čt leden 13 2022, 13:52    Předmět: Citovat

Díky za dobrý nápad, napětí i výkony obou zdrojů co do maximálních hodnot by měly být srovnatelné, regulátor je dostatečně dimenzovaný, konkrérní rozdíly v příkonech běnem dne se budou lišit, ale do max. 20W, takže by to nemuselo ničemu vadit.
Díky za tip, dám vědět, jak jsme dopadli.

_________________
Pěkný den přeje všem
Saturn
Návrat nahoru
Zobrazit informace o autorovi Odeslat soukromou zprávu Odeslat e-mail
miroja



Založen: Feb 28, 2006
Příspěvky: 1867
Bydliště: SK, Liptov

PříspěvekZaslal: čt leden 13 2022, 15:53    Předmět: Citovat

No netreba zabudnut na "stastny den" ked bude slnecno aj veterno sucasne, aby ti regulator zvladol uregulovat sucet oboch vykonov.
Návrat nahoru
Zobrazit informace o autorovi Odeslat soukromou zprávu
houmr



Založen: Nov 01, 2016
Příspěvky: 1125
Bydliště: Dřísy nedaleko Staré Boleslavi

PříspěvekZaslal: pá leden 14 2022, 8:48    Předmět: Citovat

Regulátory mají limit jen v maximálním přípustném napětí na vstupu, takže problém s větrným slunečným dnem já nevidím.
Návrat nahoru
Zobrazit informace o autorovi Odeslat soukromou zprávu
_luky_



Založen: Jan 28, 2009
Příspěvky: 739
Bydliště: okres Beroun, kraj Středočeský

PříspěvekZaslal: pá leden 14 2022, 9:01    Předmět: Citovat

To je jak na ksichtoknize- sice o tom vím kulový, ale stejně něco napíšu.

Co je to za regulátor? Pokud je to MPPT, tak na vítr použít nejde. Větrná turbína vyžaduje jiný způsob zatěžování.
Pokud je to PWM, tak by to teoreticky šlo, ale je potřeba nepřekročit maximální proud (solar+vítr).

Ale hlavně - turbína, která něco opravdu vyrobí, stojí nesmysl a v ČR je jen velmi málo lokalit, kde opravdu fouká. Obvyklé doporučení je instalovat měření větru a po roce ten záznam prohnat výpočtem. Na 99% ti vyjde, že efektivnější je přidat jeden FV panel.

Nezapomeň, že aby taková turbína měla smysl, bude chtít tak 10m stožár.
Návrat nahoru
Zobrazit informace o autorovi Odeslat soukromou zprávu
_luky_



Založen: Jan 28, 2009
Příspěvky: 739
Bydliště: okres Beroun, kraj Středočeský

PříspěvekZaslal: pá leden 14 2022, 9:01    Předmět: Citovat

houmr napsal(a):
Regulátory mají limit jen v maximálním přípustném napětí na vstupu, takže problém s větrným slunečným dnem já nevidím.

Můžeš mi prosím ukázat ten solární regulátor, který nemá omezení proudu na vstupu?
Návrat nahoru
Zobrazit informace o autorovi Odeslat soukromou zprávu
houmr



Založen: Nov 01, 2016
Příspěvky: 1125
Bydliště: Dřísy nedaleko Staré Boleslavi

PříspěvekZaslal: pá leden 14 2022, 10:29    Předmět: Citovat

Proud na vstupu si regulátor omezuje sám. Když bude svítit slunce a foukat vítr, bude tak na vstupu U-jmenovité o "tvrdosti" X Amper, regulátor bude stejně odebírat jen do výše I-max, na který je dimenzován. Žádný fyzikální ani sociální zákon o tom, že musíš využít veškerý výkon, který je v danou chvíli k dispozici, pokud vím, není. Předpokládám, že větrník chce doplnit především pro vykrytí "děr" v oblačném období, kdyby měl problém s nedostatkem okamžitého výkonu, šel by cestou navýšení solárních článků než o kombinaci s větrníkem, krom toho píše "regulátor je dostatečně dimezovaný"...
Návrat nahoru
Zobrazit informace o autorovi Odeslat soukromou zprávu
_luky_



Založen: Jan 28, 2009
Příspěvky: 739
Bydliště: okres Beroun, kraj Středočeský

PříspěvekZaslal: pá leden 14 2022, 11:00    Předmět: Citovat

Ehm, to je pravda tak z půlky. Každý regulátor má specifikovaný maximální zkratový proud připojených panelů.Takový příklad: https://eshop.neosolar.cz/data/images_content/1205/6485-O-datasheet-smartsolar-charge-controller-mppt-75-10-75-15-100-15-100-20-100-20-48v-en.pdf

kód:
Max. PV short circuit current 2) 13A

2) A PV array with a higher short circuit current may damage the controller.


Je to logické. Uvnitř je regulační smyčka, která má nějakou rychlost. Tedy regulátor sice umí omezit proud, ale potřebuje na to nějaký čas. A do té doby nesmí shořet.
Návrat nahoru
Zobrazit informace o autorovi Odeslat soukromou zprávu
dracekvo



Založen: Feb 10, 2009
Příspěvky: 739

PříspěvekZaslal: pá leden 14 2022, 12:06    Předmět: Citovat

A to jen v případě, že se jedná o MPPT regulátor.
PWM je prostě jen pulzní regulace. Pokud prvkem, který to spíná proteče větší proud, než je jeho limit, tak prostě schoří.
Co vím, tak lidi kteří větrníky zkoušeli, tak se jim to stejně moc nevyplatilo. Ono se zdá, že fouká, ale být to tak nemusí. Obyčejné čínské věrníky začínají něco dávat až nad 3m/s.
Než bych se do toho pustil, tak bych začal měřením větru.
Návrat nahoru
Zobrazit informace o autorovi Odeslat soukromou zprávu
Kremik



Založen: Mar 30, 2012
Příspěvky: 3653
Bydliště: Havířov

PříspěvekZaslal: pá leden 14 2022, 14:04    Předmět: Citovat

_luky_ napsal(a):
Tedy regulátor sice umí omezit proud, ale potřebuje na to nějaký čas. A do té doby nesmí shořet.

Ty už taky nevíš co napsat, co? Laughing
Návrat nahoru
Zobrazit informace o autorovi Odeslat soukromou zprávu Odeslat e-mail
_luky_



Založen: Jan 28, 2009
Příspěvky: 739
Bydliště: okres Beroun, kraj Středočeský

PříspěvekZaslal: pá leden 14 2022, 14:17    Předmět: Citovat

Kremik napsal(a):
_luky_ napsal(a):
Tedy regulátor sice umí omezit proud, ale potřebuje na to nějaký čas. A do té doby nesmí shořet.

Ty už taky nevíš co napsat, co? Laughing

Můžeme zde detailněji probrat transientní odezvu zpětnovazebního obvodu na skokovou změnu vstupního signálu... Ale obávám se, že je to zbytečný. Tazatel si ty podstatný informace v tom vagónu balastu okolo musí vyfiltrovat sám.
Návrat nahoru
Zobrazit informace o autorovi Odeslat soukromou zprávu
Kremik



Založen: Mar 30, 2012
Příspěvky: 3653
Bydliště: Havířov

PříspěvekZaslal: pá leden 14 2022, 15:07    Předmět: Citovat

Musíš bydlet v oblasti s opravdu zvláštním slunečním svitem Very Happy
Návrat nahoru
Zobrazit informace o autorovi Odeslat soukromou zprávu Odeslat e-mail
_luky_



Založen: Jan 28, 2009
Příspěvky: 739
Bydliště: okres Beroun, kraj Středočeský

PříspěvekZaslal: pá leden 14 2022, 16:00    Předmět: Citovat

Někdy stačí jen nahodit jištění.
Návrat nahoru
Zobrazit informace o autorovi Odeslat soukromou zprávu
Celeron



Založen: Apr 02, 2011
Příspěvky: 20201
Bydliště: Nový Bydžov

PříspěvekZaslal: pá leden 14 2022, 17:38    Předmět: Citovat

Já bych se nejdřív zeptal na městským nebo obecním ouřadě jestli s větrníkem nebude problém. Znám v okolí minimálně dva případy, kdy pro stížnosti na hluk byly větrníky ouředně zaříznuty. Mělo to třílistou vrtuli průměr kolem 3 metrů. Například tady a to je průmyslová lokalita (bývalý JZD) kde kolem nikdo nebydlí.
_________________
Jirka

Proč mi nemůže všechno chodit hned ?!!
Návrat nahoru
Zobrazit informace o autorovi Odeslat soukromou zprávu
Zobrazit příspěvky z předchozích:   
Přidat nové téma   Zaslat odpověď       Obsah fóra Diskuzní fórum Elektro Bastlírny -> Měření, regulace a automatizace Časy uváděny v GMT + 1 hodina
Jdi na stránku 1, 2  Další
Strana 1 z 2

 
Přejdi na:  
Nemůžete odesílat nové téma do tohoto fóra.
Nemůžete odpovídat na témata v tomto fóru.
Nemůžete upravovat své příspěvky v tomto fóru.
Nemůžete mazat své příspěvky v tomto fóru.
Nemůžete hlasovat v tomto fóru.
Nemůžete připojovat soubory k příspěvkům
Můžete stahovat a prohlížet přiložené soubory

Powered by phpBB © 2001, 2005 phpBB Group
Forums ©
Nuke - Elektro Bastlirna

Informace na portálu Elektro bastlírny jsou prezentovány za účelem vzdělání čtenářů a rozšíření zájmu o elektroniku. Autoři článků na serveru neberou žádnou zodpovědnost za škody vzniklé těmito zapojeními. Rovněž neberou žádnou odpovědnost za případnou újmu na zdraví vzniklou úrazem elektrickým proudem. Autoři a správci těchto stránek nepřejímají záruku za správnost zveřejněných materiálů. Předkládané informace a zapojení jsou zveřejněny bez ohledu na případné patenty třetích osob. Nároky na odškodnění na základě změn, chyb nebo vynechání jsou zásadně vyloučeny. Všechny registrované nebo jiné obchodní známky zde použité jsou majetkem jejich vlastníků. Uvedením nejsou zpochybněna z toho vyplývající vlastnická práva. Použití konstrukcí v rozporu se zákonem je přísně zakázáno. Vzhledem k tomu, že původ předkládaných materiálů nelze žádným způsobem dohledat, nelze je použít pro komerční účely! Tento nekomerční server nemá z uvedených zapojení či konstrukcí žádný zisk. Nezodpovídáme za pravost předkládaných materiálů třetími osobami a jejich původ. V případě, že zjistíte porušení autorského práva či jiné nesrovnalosti, kontaktujte administrátory na diskuzním fóru EB.


PHP-Nuke Copyright © 2005 by Francisco Burzi. This is free software, and you may redistribute it under the GPL. PHP-Nuke comes with absolutely no warranty, for details, see the license.
Čas potřebný ke zpracování stránky 0.16 sekund