Vítejte na Elektro Bastlírn?
Nuke - Elektro Bastlirna
  Vytvořit účet Hlavní · Fórum · DDump · Profil · Zprávy · Hledat na fóru · Příspěvky na provoz EB

Vlákno na téma KORONAVIRUS - nutná registrace


Nuke - Elektro Bastlirna: Diskuzní fórum

 FAQFAQ   HledatHledat   Uživatelské skupinyUživatelské skupiny   ProfilProfil   Soukromé zprávySoukromé zprávy   PřihlášeníPřihlášení 

Rozmítač Tesla BM419

 
Přidat nové téma   Zaslat odpověď       Obsah fóra Diskuzní fórum Elektro Bastlírny -> Opravy a restaurování starých elektropřístrojů
Zobrazit předchozí téma :: Zobrazit následující téma  
Autor Zpráva
Jurik



Založen: Dec 12, 2007
Příspěvky: 335
Bydliště: Havířov

PříspěvekZaslal: ne září 12 2021, 19:08    Předmět: Rozmítač Tesla BM419 Citovat

Dobrý večer....
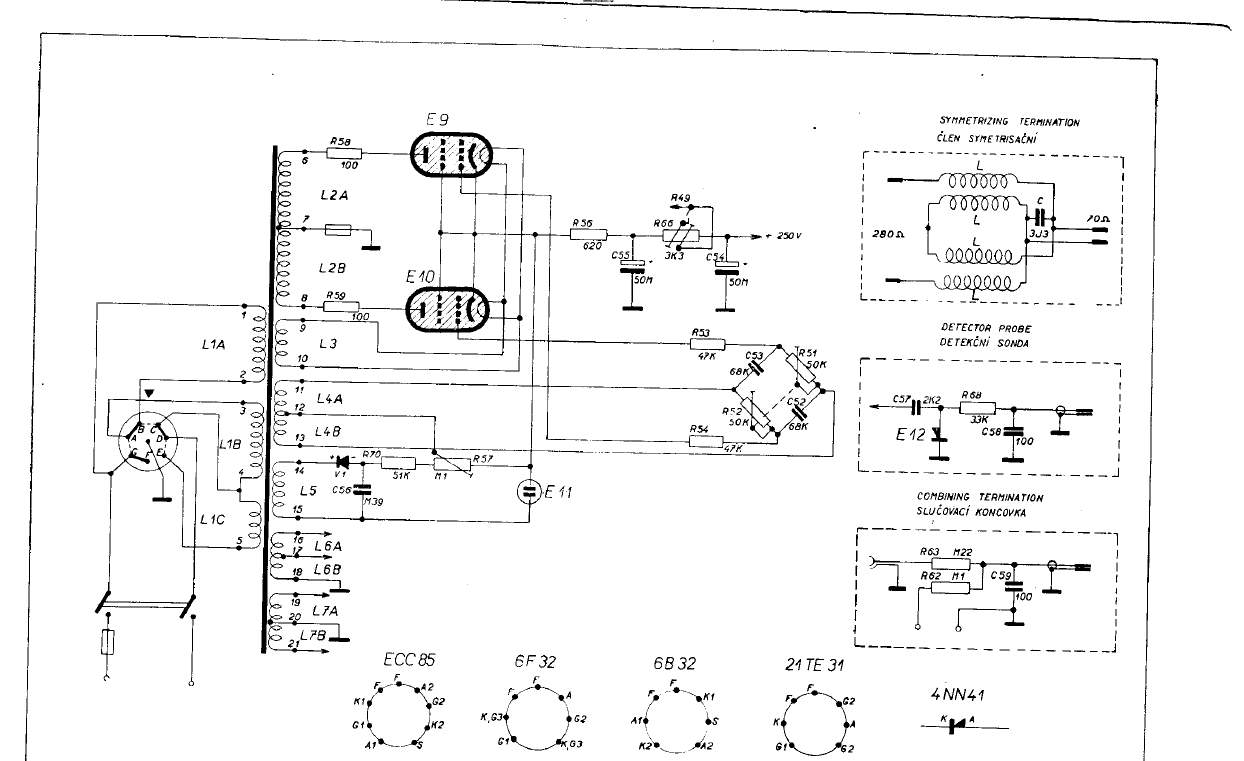
Kdysi jsem si zakoupil tento rozmítač, kvůli nastavovaní radiopřijímačů....Ale pár let mi ležel v garáži. Rozhodl jsem se jej dát do funkčního stavu. Jde mi o poznámku k nastavení zdroje... Nerozumím pojmu "správné nastavení fáze"... /viz. přílohy/. Může mi ,prosím, někdo tento pojem vysvětlit. Čím tedy nastavit optimalní stab. napětí?? Za odpovědi předem děkuji...JH



lup2.JPG
 Komentář:
 Velikost:  23.48 kB
 Zobrazeno:  193 krát

lup2.JPG



lup.JPG
 Komentář:
 Velikost:  97.39 kB
 Zobrazeno:  317 krát

lup.JPG


Návrat nahoru
Zobrazit informace o autorovi Odeslat soukromou zprávu Zobrazit autorovy WWW stránky
h_honza



Založen: Feb 01, 2020
Příspěvky: 156
Bydliště: Praha 1

PříspěvekZaslal: po září 13 2021, 15:36    Předmět: Citovat

To je parádní hlavolam. Nejdřív si myslete místo tyratronů 21TE31 tyristory, bude to zřejmější. Takže dvoucestný usměrňovač, řízený změnou fáze zapalovacích impulsů. Čím dřív tyratrony zapálí, tím větší napětí na výstupu (druhá půlka půlvlny). Dnešní bastlíř by fázi odvozoval od rozdílu výstupního a referenčního napětí, ale to tu nevidím. Předpokládám, že na kondenzátoru C56 je stejnosměrné napětí. Na odporu R57 je napětí úměrné rozdílu síťového napětí a reference E11. Toto napětí by mělo zpožďovat zapálení tyratronů a tím kompenzovat kolísání síťového napětí. Vinutí L4A a L4B k tomu přidá střídavou složku, fázově posunovanou tím "můstkem". Vypadá to, že jak R57 tak R51/R52 budou mít vliv na výstupní napětí i na kompenzaci - jestli tomu dobře rozumím. Kompenzace by se měla měřit změnou síťového napětí (třeba přičíst - odečíst 12V transformátorek). Nastavovací předpis by bodnul. SPICE model 21TE31 asi nikdo nemá, že?
Návrat nahoru
Zobrazit informace o autorovi Odeslat soukromou zprávu
pmd85



Založen: Sep 19, 2005
Příspěvky: 7
Bydliště: Hlinsko

PříspěvekZaslal: st září 15 2021, 8:17    Předmět: Citovat

Další pokračování popisu tohoto zdroje a jeho nastavení je v návodu na straně 36, 37.
Návrat nahoru
Zobrazit informace o autorovi Odeslat soukromou zprávu
sis2



Založen: Oct 07, 2012
Příspěvky: 1462
Bydliště: JN89GF

PříspěvekZaslal: st září 15 2021, 10:03    Předmět: Citovat

Přesně tak, tam je k čemu slouží a jak se nastavuje...
Návod je např. zde
Návrat nahoru
Zobrazit informace o autorovi Odeslat soukromou zprávu
h_honza



Založen: Feb 01, 2020
Příspěvky: 156
Bydliště: Praha 1

PříspěvekZaslal: st září 15 2021, 19:25    Předmět: Citovat

Děkuju za sebe i za Jurika. Měl jsem za to, že návod není k dispozici, tak jsem to luštil.
Návrat nahoru
Zobrazit informace o autorovi Odeslat soukromou zprávu
Zobrazit příspěvky z předchozích:   
Přidat nové téma   Zaslat odpověď       Obsah fóra Diskuzní fórum Elektro Bastlírny -> Opravy a restaurování starých elektropřístrojů Časy uváděny v GMT + 1 hodina
Strana 1 z 1

 
Přejdi na:  
Nemůžete odesílat nové téma do tohoto fóra.
Nemůžete odpovídat na témata v tomto fóru.
Nemůžete upravovat své příspěvky v tomto fóru.
Nemůžete mazat své příspěvky v tomto fóru.
Nemůžete hlasovat v tomto fóru.
Nemůžete připojovat soubory k příspěvkům
Můžete stahovat a prohlížet přiložené soubory

Powered by phpBB © 2001, 2005 phpBB Group
Forums ©
Nuke - Elektro Bastlirna

Informace na portálu Elektro bastlírny jsou prezentovány za účelem vzdělání čtenářů a rozšíření zájmu o elektroniku. Autoři článků na serveru neberou žádnou zodpovědnost za škody vzniklé těmito zapojeními. Rovněž neberou žádnou odpovědnost za případnou újmu na zdraví vzniklou úrazem elektrickým proudem. Autoři a správci těchto stránek nepřejímají záruku za správnost zveřejněných materiálů. Předkládané informace a zapojení jsou zveřejněny bez ohledu na případné patenty třetích osob. Nároky na odškodnění na základě změn, chyb nebo vynechání jsou zásadně vyloučeny. Všechny registrované nebo jiné obchodní známky zde použité jsou majetkem jejich vlastníků. Uvedením nejsou zpochybněna z toho vyplývající vlastnická práva. Použití konstrukcí v rozporu se zákonem je přísně zakázáno. Vzhledem k tomu, že původ předkládaných materiálů nelze žádným způsobem dohledat, nelze je použít pro komerční účely! Tento nekomerční server nemá z uvedených zapojení či konstrukcí žádný zisk. Nezodpovídáme za pravost předkládaných materiálů třetími osobami a jejich původ. V případě, že zjistíte porušení autorského práva či jiné nesrovnalosti, kontaktujte administrátory na diskuzním fóru EB.


PHP-Nuke Copyright © 2005 by Francisco Burzi. This is free software, and you may redistribute it under the GPL. PHP-Nuke comes with absolutely no warranty, for details, see the license.
Čas potřebný ke zpracování stránky 0.13 sekund