Vítejte na Elektro Bastlírn?
Nuke - Elektro Bastlirna
  Vytvořit účet Hlavní · Fórum · DDump · Profil · Zprávy · Hledat na fóru · Příspěvky na provoz EB

Vlákno na téma KORONAVIRUS - nutná registrace


Nuke - Elektro Bastlirna: Diskuzní fórum

 FAQFAQ   HledatHledat   Uživatelské skupinyUživatelské skupiny   ProfilProfil   Soukromé zprávySoukromé zprávy   PřihlášeníPřihlášení 

AVEX VM6570 - kam patri drot?
Jdi na stránku 1, 2, 3, 4  Další
 
Přidat nové téma   Zaslat odpověď       Obsah fóra Diskuzní fórum Elektro Bastlírny -> DVD, VHS, SAT
Zobrazit předchozí téma :: Zobrazit následující téma  
Autor Zpráva
rnbw



Založen: Mar 21, 2006
Příspěvky: 36899
Bydliště: Bratislava

PříspěvekZaslal: st únor 10 2021, 20:32    Předmět: AVEX VM6570 - kam patri drot? Citovat

Dostal som vyhodeny Avex VM6570. Bol zjavne vonku na dazdi, pretoze v prachu su typicke stopy po kvapkach a plechove kryty su mierne hrdzave. Po zapojeni hodiny ozili, kazetu som radsej neskual. Cele som to rozobral, plasty som umyl vo vani, teraz cistim dosky.

Na jednej doske som si vsimol cerveny drot, ktory konci vo vzduchu. Zjavne to nebolo nikdy prispajkovane - na drote nie je ani stopa po cine. Patri asi do diery, co je na tej kolmej doske, ale chcelo by to overit, nech nieco neodpalim. Nemate to niekto odfotene?



avex_doska.jpg
 Komentář:
 Velikost:  99.71 kB
 Zobrazeno:  374 krát

avex_doska.jpg



avex_drot_1.jpg
 Komentář:
 Velikost:  86.06 kB
 Zobrazeno:  372 krát

avex_drot_1.jpg



avex_drot_2.jpg
 Komentář:
 Velikost:  127.38 kB
 Zobrazeno:  372 krát

avex_drot_2.jpg


Návrat nahoru
Zobrazit informace o autorovi Odeslat soukromou zprávu
rnbw



Založen: Mar 21, 2006
Příspěvky: 36899
Bydliště: Bratislava

PříspěvekZaslal: st únor 10 2021, 22:07    Předmět: Citovat

Zatial meram ESR elytov. Vsetky axialne modre Philipsy su vadne, radialne v modrom obale tiez. Radialne Philips bez obalu su dobre, rovnako ako Frolyt, Iskra a Sanyo.

V zdroji je vadna oranzova "zelenina" aj niektore 10uF a 20uF Tesly. Zaujimave su velke 4700uF/25V Panasonic.
Pod diodami v zdroji je plosak vypaleny do hneda. Pod D112 nie a ta je prerusena.
Návrat nahoru
Zobrazit informace o autorovi Odeslat soukromou zprávu
rnbw



Založen: Mar 21, 2006
Příspěvky: 36899
Bydliště: Bratislava

PříspěvekZaslal: st únor 10 2021, 23:01    Předmět: Citovat

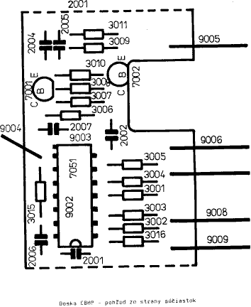
Nasiel som servisny manual:
http://www.radiojournal.cz/schemata4.htm

Drot parti skutocne tam.



avex_cbhp.png
 Komentář:
 Velikost:  7.15 kB
 Zobrazeno:  271 krát

avex_cbhp.png


Návrat nahoru
Zobrazit informace o autorovi Odeslat soukromou zprávu
jogo9



Založen: Nov 23, 2014
Příspěvky: 364

PříspěvekZaslal: čt únor 11 2021, 0:09    Předmět: Citovat

Verím že vieš čo robíš -ale predsa: všetky Philips elyty: nejde o malé kapacity? často sa mi stávalo, že som meral ESR u malých kapacít ako nedobré -a nič im nebolo -verifikoval som to často výmenou a meraním osciloskopom pred výmenou a po nej -a žiadny rozdiel nebol -zariadenia s nimi chodili následne bezo zmeny ďalej..
Návrat nahoru
Zobrazit informace o autorovi Odeslat soukromou zprávu
stefan31



Založen: Jun 17, 2004
Příspěvky: 1353

PříspěvekZaslal: čt únor 11 2021, 5:41    Předmět: Citovat

Ak by pomohlo..... a aku už tiež nebude svieži ..... treba ho vypájkovať pred prvým zapnutím .....

Stefan31



avex.jpg
 Komentář:
 Velikost:  118.25 kB
 Zobrazeno:  348 krát

avex.jpg


Návrat nahoru
Zobrazit informace o autorovi Odeslat soukromou zprávu Odeslat e-mail
ZVUK2000



Založen: Apr 22, 2012
Příspěvky: 4402
Bydliště: Karvinsko

PříspěvekZaslal: čt únor 11 2021, 8:43    Předmět: Citovat

stefan31 napsal(a):
Ak by pomohlo..... a aku už tiež nebude svieži ..........

Stefan31

Asi jsem slepý. Kde je na té desce AKU?
Návrat nahoru
Zobrazit informace o autorovi Odeslat soukromou zprávu Odeslat e-mail
rnbw



Založen: Mar 21, 2006
Příspěvky: 36899
Bydliště: Bratislava

PříspěvekZaslal: čt únor 11 2021, 8:52    Předmět: Citovat

NiCd bateria je na inej doske. Zistim, ci pojde nabit. Ale aspon netecie.
Návrat nahoru
Zobrazit informace o autorovi Odeslat soukromou zprávu
stefan31



Založen: Jun 17, 2004
Příspěvky: 1353

PříspěvekZaslal: čt únor 11 2021, 8:56    Předmět: Citovat

Na tej doske nie, ale na susednej .... chceš foto?



Stefan31
Návrat nahoru
Zobrazit informace o autorovi Odeslat soukromou zprávu Odeslat e-mail
rnbw



Založen: Mar 21, 2006
Příspěvky: 36899
Bydliště: Bratislava

PříspěvekZaslal: čt únor 11 2021, 22:28    Předmět: Citovat

Bateriu (je to vlastne len jeden 1,2V clanok) som skusil na lab. zdroji - prud berie, napatie rastie. Otazne je, aku ma este kapacitu, ale to zistim neskor.

Uz som myslel, ze mam vsetky elyty hotove, tak som sa pustil do mechaniky - a hned som tam nasiel dva Philipsy na zosilnovaci hlav.

Mazivo nie je tuhe, zato kladka ano. Nie je uplne ako kamen, ale asi bude na vymenu.



avex.jpg
 Komentář:
Zatial vymenene
 Velikost:  106.8 kB
 Zobrazeno:  282 krát

avex.jpg


Návrat nahoru
Zobrazit informace o autorovi Odeslat soukromou zprávu
Lukas-Peca



Založen: May 06, 2007
Příspěvky: 4414
Bydliště: Zlín

PříspěvekZaslal: pá únor 12 2021, 7:14    Předmět: Citovat

rnbw napsal(a):
Zjavne to nebolo nikdy prispajkovane - na drote nie je ani stopa po cine.

Bolo to prispájkované po bratislavsky. Vzali zvonkový drát, co deset let ležel ve skladu, a prostě ho tam nějak přilepili. Ale abych nekřivdil, to samé bývá i ve vrábelských a přeloučských výrobcích.
Návrat nahoru
Zobrazit informace o autorovi Odeslat soukromou zprávu Zobrazit autorovy WWW stránky
xsc



Založen: Sep 25, 2014
Příspěvky: 8393

PříspěvekZaslal: pá únor 12 2021, 7:33    Předmět: Citovat

Takhle byly "přilepeny" i některé jasové zpožďovací linky u Sonek z 80. let. Taky jim někde ohnily vývody před zapájením.
Návrat nahoru
Zobrazit informace o autorovi Odeslat soukromou zprávu
rnbw



Založen: Mar 21, 2006
Příspěvky: 36899
Bydliště: Bratislava

PříspěvekZaslal: pá únor 12 2021, 9:39    Předmět: Citovat

Inak je to zaujimavy zlepenec - su tam dosky so SMD suciastkami, elyty Sanyo a Panasonic a k tomu jebli zeleninu od Tesly Shocked. Nastastie len jeden kus.
Návrat nahoru
Zobrazit informace o autorovi Odeslat soukromou zprávu
Lukas-Peca



Založen: May 06, 2007
Příspěvky: 4414
Bydliště: Zlín

PříspěvekZaslal: pá únor 12 2021, 10:49    Předmět: Citovat

Na desce zdroje by mezi západními součástkami měl být MA7805. VM6570 je opravdu slepenec, co šlo nahradit tuzemskou výrobou, to nahradili. VM6465 bývají celé západní.
Návrat nahoru
Zobrazit informace o autorovi Odeslat soukromou zprávu Zobrazit autorovy WWW stránky
rnbw



Založen: Mar 21, 2006
Příspěvky: 36899
Bydliště: Bratislava

PříspěvekZaslal: pá únor 12 2021, 11:05    Předmět: Citovat

Na zdrojovej doske je toho domaceho viac - okrem MA7805 aj KD366, male tranzistory aj elyty Tesla. Ale velke 4700uF/25V asi nebolo cim nahradit, tak su Panasonic.
Návrat nahoru
Zobrazit informace o autorovi Odeslat soukromou zprávu
rnbw



Založen: Mar 21, 2006
Příspěvky: 36899
Bydliště: Bratislava

PříspěvekZaslal: pá únor 12 2021, 22:23    Předmět: Citovat

Mechanika vycistena. Cele som to zlozil a dokonca to aj funguje. Ani kladka nerobi problemy.

Akurat je slaby lavy unasac - nefunguje pretacanie dozadu. Ked porovnam silu unasacov pri pretacani (bez kazety), tak pravy je podstatne silnejsi. V com bude problem - v omega pruzine?

P.S. Napatie na baterii vyliezlo na 1,38V. Po odopojeni zo zasuvky drzalo, ale hodiny sa vyresetovali. Je to normalne?
Návrat nahoru
Zobrazit informace o autorovi Odeslat soukromou zprávu
Zobrazit příspěvky z předchozích:   
Přidat nové téma   Zaslat odpověď       Obsah fóra Diskuzní fórum Elektro Bastlírny -> DVD, VHS, SAT Časy uváděny v GMT + 1 hodina
Jdi na stránku 1, 2, 3, 4  Další
Strana 1 z 4

 
Přejdi na:  
Nemůžete odesílat nové téma do tohoto fóra.
Nemůžete odpovídat na témata v tomto fóru.
Nemůžete upravovat své příspěvky v tomto fóru.
Nemůžete mazat své příspěvky v tomto fóru.
Nemůžete hlasovat v tomto fóru.
Nemůžete připojovat soubory k příspěvkům
Můžete stahovat a prohlížet přiložené soubory

Powered by phpBB © 2001, 2005 phpBB Group
Forums ©
Nuke - Elektro Bastlirna

Informace na portálu Elektro bastlírny jsou prezentovány za účelem vzdělání čtenářů a rozšíření zájmu o elektroniku. Autoři článků na serveru neberou žádnou zodpovědnost za škody vzniklé těmito zapojeními. Rovněž neberou žádnou odpovědnost za případnou újmu na zdraví vzniklou úrazem elektrickým proudem. Autoři a správci těchto stránek nepřejímají záruku za správnost zveřejněných materiálů. Předkládané informace a zapojení jsou zveřejněny bez ohledu na případné patenty třetích osob. Nároky na odškodnění na základě změn, chyb nebo vynechání jsou zásadně vyloučeny. Všechny registrované nebo jiné obchodní známky zde použité jsou majetkem jejich vlastníků. Uvedením nejsou zpochybněna z toho vyplývající vlastnická práva. Použití konstrukcí v rozporu se zákonem je přísně zakázáno. Vzhledem k tomu, že původ předkládaných materiálů nelze žádným způsobem dohledat, nelze je použít pro komerční účely! Tento nekomerční server nemá z uvedených zapojení či konstrukcí žádný zisk. Nezodpovídáme za pravost předkládaných materiálů třetími osobami a jejich původ. V případě, že zjistíte porušení autorského práva či jiné nesrovnalosti, kontaktujte administrátory na diskuzním fóru EB.


PHP-Nuke Copyright © 2005 by Francisco Burzi. This is free software, and you may redistribute it under the GPL. PHP-Nuke comes with absolutely no warranty, for details, see the license.
Čas potřebný ke zpracování stránky 0.32 sekund