Vítejte na Elektro Bastlírn?
Nuke - Elektro Bastlirna
  Vytvořit účet
Hlavní · Fórum · DDump · Profil · Zprávy · Hledat na fóru


Nuke - Elektro Bastlirna: Diskuzní fórum

 FAQFAQ   HledatHledat   Uživatelské skupinyUživatelské skupiny   ProfilProfil   Soukromé zprávySoukromé zprávy   PřihlášeníPřihlášení 

12V motor - pomalý rozběh
Jdi na stránku 1, 2  Další
 
Přidat nové téma   Zaslat odpověď       Obsah fóra Diskuzní fórum Elektro Bastlírny -> Poradna
Zobrazit předchozí téma :: Zobrazit následující téma  
Autor Zpráva
romanzbrna



Založen: Dec 14, 2015
Příspěvky: 171
Bydliště: 61800

PříspěvekZaslal: čt červenec 09 2020, 16:23    Předmět: 12V motor - pomalý rozběh Citovat

Ahoj,
mám ATX zdroj, který dá na 12V větev proud 19A.
Mám motor 12V 120W. Při zapnutí motoru na ATX zdroji se zapne ochrana přetížení. Zkratový proud je moc veliký. Zkoušel jsem rozběhnout motor s rezistorem v serii 5W 1R5 a to už mi běží hezky. Ale to tak nemůže zůstat.
Zkusil jsem k rezistoru dát relátko. Než se sepne, aby proud běžel přes rezistor a pak se rezistor vyřadí při sepnutí relátka. Jenže i to je moc rychlé, zdroj se často vypne. A navíc se relátko často připeče a nerozepne.
Nenapadá někoho, jak vyřešit pomalejší rozběh? Všude vidím jen "soft start" s PWM regulací. Já bych potřeboval něco jednoduššího. Vím, že se něco podobného dává k halogenkám, aby se zvýšila životnost.
Motor má na sobě elektrolitický kondenzátor, rezistor a keramický kondenzátor.
Díky

PS: Jedná se o ruční vysavač do auta z Lídlu, který mám v dílně na odsávání prachu z brusky a pod.
Návrat nahoru
Zobrazit informace o autorovi Odeslat soukromou zprávu
termit256



Založen: Dec 06, 2007
Příspěvky: 10335

PříspěvekZaslal: čt červenec 09 2020, 17:04    Předmět: Citovat

Tak tam dej delsi cas sepnuti toho relatka.
Návrat nahoru
Zobrazit informace o autorovi Odeslat soukromou zprávu
Dikobraz



Založen: Oct 17, 2004
Příspěvky: 911
Bydliště: Ostrava

PříspěvekZaslal: čt červenec 09 2020, 17:06    Předmět: Citovat

Zdravím, zkus napájet přes žárovku.
Návrat nahoru
Zobrazit informace o autorovi Odeslat soukromou zprávu
romanzbrna



Založen: Dec 14, 2015
Příspěvky: 171
Bydliště: 61800

PříspěvekZaslal: čt červenec 09 2020, 17:42    Předmět: Citovat

termit256 napsal(a):
Tak tam dej delsi cas sepnuti toho relatka.

I kdyby, tak to relátko není spolehlivé. To bych radši bych nějaké tranzistorové řešení.

Dikobraz napsal(a):
Zdravím, zkus napájet přes žárovku.

Tohle by fungovalo. Ale je to uvnitř zařízení, nerad bych, aby se tam něco natavilo od tepla.
Návrat nahoru
Zobrazit informace o autorovi Odeslat soukromou zprávu
Ruprecht



Založen: Sep 28, 2005
Příspěvky: 1543
Bydliště: ZČ + JM

PříspěvekZaslal: čt červenec 09 2020, 17:49    Předmět: Citovat

NTC
_________________
Když promluví, tak buď kňučí, nebo lže.
Návrat nahoru
Zobrazit informace o autorovi Odeslat soukromou zprávu
Osmdesat



Založen: Jan 19, 2016
Příspěvky: 1537
Bydliště: Liberecko

PříspěvekZaslal: čt červenec 09 2020, 18:06    Předmět: Citovat

Něktreré řídicí IO ATX zdrojů mívají možnost softstartu - pár pasivními součástkami jej možná půjde domontovat přímo do zdroje. Chce to zjistit použitý integráč a dále postupovat dle katalogáče.
Návrat nahoru
Zobrazit informace o autorovi Odeslat soukromou zprávu
termit256



Založen: Dec 06, 2007
Příspěvky: 10335

PříspěvekZaslal: čt červenec 09 2020, 18:39    Předmět: Citovat

romanzbrna napsal(a):
termit256 napsal(a):
Tak tam dej delsi cas sepnuti toho relatka.

I kdyby, tak to relátko není spolehlivé. To bych radši bych nějaké tranzistorové řešení.


Tak tam dej misto relatka mosfet.
Návrat nahoru
Zobrazit informace o autorovi Odeslat soukromou zprávu
mi-ro



Založen: Feb 08, 2005
Příspěvky: 8755
Bydliště: rovina u Kolína

PříspěvekZaslal: čt červenec 09 2020, 19:19    Předmět: Citovat

http://www.ebastlirna.cz/modules.php?name=Forums&file=viewtopic&t=81134
_________________
..to bude jen ňákej odpůrek
Návrat nahoru
Zobrazit informace o autorovi Odeslat soukromou zprávu Odeslat e-mail
PotPalo



Založen: May 13, 2009
Příspěvky: 6026
Bydliště: BA

PříspěvekZaslal: čt červenec 09 2020, 19:52    Předmět: Citovat

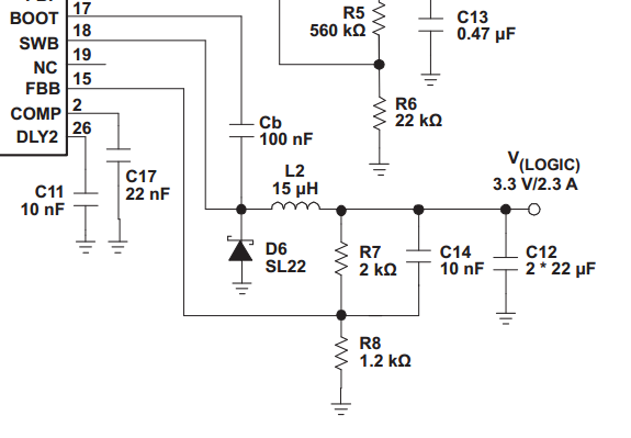
Čo skúsiť pridať väčší kondenzátor do obvodu spätnej väzby zdroja? Prikladám ilustračný obrázok, C14. Teoreticky by malo napätie 12V nabiehať pomalšie od nižšieho napätia, až pokiaľ sa kondenzátor nenabije. A teda aj motor by mal pomalší rozbeh, a aj nižší odber pri rozbehu.


c.png
 Komentář:
príklad použitia, C14
 Velikost:  38.71 kB
 Zobrazeno:  109 krát

c.png




Naposledy upravil PotPalo dne čt červenec 09 2020, 19:55, celkově upraveno 1 krát.
Návrat nahoru
Zobrazit informace o autorovi Odeslat soukromou zprávu Odeslat e-mail
samec



Založen: Dec 19, 2017
Příspěvky: 6417

PříspěvekZaslal: čt červenec 09 2020, 19:54    Předmět: Citovat

Pred 20 rokmi som skúšal napájať PC zdrojom veľký oranžový maják s motorčekom a halogénkou. Asi po desiatom zapnutí zdroj prestal pracovať. Premeral som v ňom podstatné polovodiče a všetko sa zdalo v poriadku. Tak som privinul na trafko niekoľko závitov drôtu a pustil doň impulz z plochej 4,5V batérie a zdroj nabehol. Takto som ho zapínal ešte nejaký čas. Potom už nepamätám, či odišiel úplne, alebo som ho použil na náhradné diely do iného zdroja.

Myslím, že komutátorový motor nerobí dobre PC zdroju.
Návrat nahoru
Zobrazit informace o autorovi Odeslat soukromou zprávu
Hill
Administrátor


Založen: Sep 10, 2004
Příspěvky: 21204
Bydliště: Jičín, Český ráj

PříspěvekZaslal: čt červenec 09 2020, 20:02    Předmět: Citovat

Všechny zařízení omezující proud motorem zpomalí jeho rozběh.
Zastavený motor odebírá totiž několikanásobek proudu kterbere při jmenovitých otáčkách a jmenovitém mechanickém zatížení.
Jestli nevadí pomalý rozběh, použij některé z výše uvedených opatření.
Jestli chceš, aby "se utrhl" rychleji, použití relé se nevyhneš.
Jaký je odpor zastaveného motoru? Při 0,4 Ω si motor pro rozběh potřebuje odebrat 30 A, takže reakce nadproudové ochrany ATX zdroje je normální.
Leda bys tím zdrojem nabil kondík tak 22 mF (snad nevadí, že nadproudová ochrana zdroje způsobí, že se bude chvilku nabíjet) a nechal nabitý čekat na sepnutí relátka, které připojí motor. Takové automobilové relé 40 A by stačilo. Na rozběh ten kopance z kondíku bude stačit a, až se motor roztočí, už ho ATX zdroj uživí.
Návrat nahoru
Zobrazit informace o autorovi Odeslat soukromou zprávu
gepard



Založen: Feb 05, 2007
Příspěvky: 1757
Bydliště: Liberec - tam na severu Čech

PříspěvekZaslal: čt červenec 09 2020, 20:21    Předmět: Citovat

Ten softstart bych zkusil ...
.. před jeho vlastní stavbou (jestli má vůbec smysl ho stavět) bych zkusil funkčnost s tím NTC + po cca 1s ho přemostil růčo.



sotfstart s relé.jpg
 Komentář:
 Velikost:  22.19 kB
 Zobrazeno:  108 krát

sotfstart s relé.jpg



_________________
-- Gepard --


Naposledy upravil gepard dne čt červenec 09 2020, 21:38, celkově upraveno 1 krát.
Návrat nahoru
Zobrazit informace o autorovi Odeslat soukromou zprávu
Ruprecht



Založen: Sep 28, 2005
Příspěvky: 1543
Bydliště: ZČ + JM

PříspěvekZaslal: čt červenec 09 2020, 20:47    Předmět: Citovat

NTC
https://www.tme.eu/cz/details/b57237s0109m/ochranne-termistory-ntc/epcos/

_________________
Když promluví, tak buď kňučí, nebo lže.
Návrat nahoru
Zobrazit informace o autorovi Odeslat soukromou zprávu
ZdenekHQ
Administrátor


Založen: Jul 21, 2006
Příspěvky: 25741
Bydliště: skoro Brno

PříspěvekZaslal: pá červenec 10 2020, 9:36    Předmět: Citovat

Ta kombinace NTC a relátka je asi tak nejrozumnější, běžně se to používá třeba u korejských zdrojů. A to jsou stateční vyrážeči pojistek.
_________________
Pro moje oslovení klidně použijte jméno Zdeněk
Správně navržené zapojení je jako recept na dobré jídlo.
Můžete vynechat půlku ingrediencí, nebo přidat jiné,
ale jste si jistí, že vám to bude chutnat[?
]
Návrat nahoru
Zobrazit informace o autorovi Odeslat soukromou zprávu Zobrazit autorovy WWW stránky
tomasjedno



Založen: Oct 11, 2008
Příspěvky: 6652
Bydliště: ZZ9 Plural Z Alpha

PříspěvekZaslal: pá červenec 10 2020, 10:51    Předmět: Citovat

romanzbrna napsal(a):
Motor má na sobě elektrolitický kondenzátor, rezistor a keramický kondenzátor.
Tak se nediv, že to relátko odchází.
Návrat nahoru
Zobrazit informace o autorovi Odeslat soukromou zprávu
Zobrazit příspěvky z předchozích:   
Přidat nové téma   Zaslat odpověď       Obsah fóra Diskuzní fórum Elektro Bastlírny -> Poradna Časy uváděny v GMT + 1 hodina
Jdi na stránku 1, 2  Další
Strana 1 z 2

 
Přejdi na:  
Nemůžete odesílat nové téma do tohoto fóra.
Nemůžete odpovídat na témata v tomto fóru.
Nemůžete upravovat své příspěvky v tomto fóru.
Nemůžete mazat své příspěvky v tomto fóru.
Nemůžete hlasovat v tomto fóru.
Nemůžete připojovat soubory k příspěvkům
Můžete stahovat a prohlížet přiložené soubory

Powered by phpBB © 2001, 2005 phpBB Group
Forums ©
Nuke - Elektro Bastlirna

Informace na portálu Elektro bastlírny jsou prezentovány za účelem vzdělání čtenářů a rozšíření zájmu o elektroniku. Autoři článků na serveru neberou žádnou zodpovědnost za škody vzniklé těmito zapojeními. Rovněž neberou žádnou odpovědnost za případnou újmu na zdraví vzniklou úrazem elektrickým proudem. Autoři a správci těchto stránek nepřejímají záruku za správnost zveřejněných materiálů. Předkládané informace a zapojení jsou zveřejněny bez ohledu na případné patenty třetích osob. Nároky na odškodnění na základě změn, chyb nebo vynechání jsou zásadně vyloučeny. Všechny registrované nebo jiné obchodní známky zde použité jsou majetkem jejich vlastníků. Uvedením nejsou zpochybněna z toho vyplývající vlastnická práva. Použití konstrukcí v rozporu se zákonem je přísně zakázáno. Vzhledem k tomu, že původ předkládaných materiálů nelze žádným způsobem dohledat, nelze je použít pro komerční účely! Tento nekomerční server nemá z uvedených zapojení či konstrukcí žádný zisk. Nezodpovídáme za pravost předkládaných materiálů třetími osobami a jejich původ. V případě, že zjistíte porušení autorského práva či jiné nesrovnalosti, kontaktujte administrátory na diskuzním fóru EB.


PHP-Nuke Copyright © 2005 by Francisco Burzi. This is free software, and you may redistribute it under the GPL. PHP-Nuke comes with absolutely no warranty, for details, see the license.
Čas potřebný ke zpracování stránky 0.26 sekund