Vítejte na Elektro Bastlírn?
Nuke - Elektro Bastlirna
  Vytvořit účet Hlavní · Fórum · DDump · Profil · Zprávy · Hledat na fóru · Příspěvky na provoz EB

Vlákno na téma KORONAVIRUS - nutná registrace


Nuke - Elektro Bastlirna: Diskuzní fórum

 FAQFAQ   HledatHledat   Uživatelské skupinyUživatelské skupiny   ProfilProfil   Soukromé zprávySoukromé zprávy   PřihlášeníPřihlášení 

Dělička 74192 zapojení? (přesunuto)
Jdi na stránku Předchozí  1, 2, 3, 4, 5, 6, 7  Další
 
Přidat nové téma   Zaslat odpověď       Obsah fóra Diskuzní fórum Elektro Bastlírny -> Poradna
Zobrazit předchozí téma :: Zobrazit následující téma  
Autor Zpráva
jova1



Založen: Dec 20, 2007
Příspěvky: 1346
Bydliště: Chýnov - to je kousek od Tábora

PříspěvekZaslal: po červenec 01 2019, 21:40    Předmět: Citovat

Děkuji za typ, koukal jsem na to a na výstupu je signál násoben 4x. Ještě to promyslím, musel bych ho dělit 2mi, pak by to bylo použitelné. Možná by v tom případě vyšlo jednodušeji zapojení s obvodem LS7084.
Návrat nahoru
Zobrazit informace o autorovi Odeslat soukromou zprávu Zobrazit autorovy WWW stránky
danhard



Založen: Mar 05, 2007
Příspěvky: 6473
Bydliště: Jesenice u Prahy

PříspěvekZaslal: út červenec 02 2019, 16:23    Předmět: Citovat

Ano, je to stejný způsob, jen je to úplný kvadraturní dekodér.

To co jsem dával pro mod 2x bylo upravené specielně pro jova1.

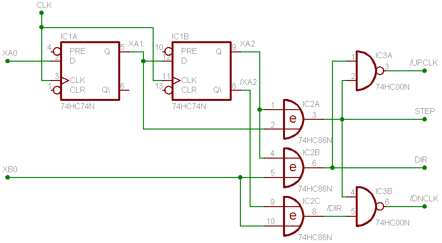
xa1 := xa0;
xa1.clk = clk;

xa2 := xa1;
xa2.clk = clk;

je vzorkování kanálu A dvěma 7474 za sebou

step = xa1 & !xa2
# !xa1 & xa2;

je XOR z výstupů 74 - jedna 86

dir = xa2 & !xb0
# !xa2 & xb0;

je XOR z kombinace kanálu A a B, druhá 86, počítá se s tím, že při hraně kanálu A se kanál B nemění.

ještě si udělám třetí 86 a signál /dir, stačí vzít do vstupu negaci xa2 ze 74.

A za tím dvě 7400, kde udělám step nand dir = /upclk
a step nand /dir = /dnclk.

Toť vše.

1x 7474
3/4 7486
1/2 7400

mod 2x

výstupy

step, dir, /upclk, /dnclk

ps. a potřebuje to zdroj vhodných hodin, aby byly asi 4x rychlejší než maximální rychlost inkrementu.
Návrat nahoru
Zobrazit informace o autorovi Odeslat soukromou zprávu Odeslat e-mail
jova1



Založen: Dec 20, 2007
Příspěvky: 1346
Bydliště: Chýnov - to je kousek od Tábora

PříspěvekZaslal: út červenec 02 2019, 18:30    Předmět: Citovat

Prosím vás, je tu někdo, kdo by mi ty danhardovy symboly převedl do grafické podoby? Od něj se toho zřejmě nedočkám a pro mě je to stále nepochopitelné Sad
Návrat nahoru
Zobrazit informace o autorovi Odeslat soukromou zprávu Zobrazit autorovy WWW stránky
danhard



Založen: Mar 05, 2007
Příspěvky: 6473
Bydliště: Jesenice u Prahy

PříspěvekZaslal: út červenec 02 2019, 19:14    Předmět: Citovat

Obrázky se sem přímo blbě malujou.
Musíš se víc snažit Very Happy
Návrat nahoru
Zobrazit informace o autorovi Odeslat soukromou zprávu Odeslat e-mail
lesana87



Založen: Sep 20, 2014
Příspěvky: 4064

PříspěvekZaslal: út červenec 02 2019, 20:26    Předmět: Citovat

Asi nějak tak, XA0 a XB0 jsou výstupy z inkrementálu, CLK jsou hodiny aspoň 4x rychlejší.


kvadr_x2.png
 Komentář:
 Velikost:  10.51 kB
 Zobrazeno:  142 krát

kvadr_x2.png


Návrat nahoru
Zobrazit informace o autorovi Odeslat soukromou zprávu
danhard



Založen: Mar 05, 2007
Příspěvky: 6473
Bydliště: Jesenice u Prahy

PříspěvekZaslal: út červenec 02 2019, 20:32    Předmět: Citovat

Lesana mi rozumí Very Happy
Teď to jenom vyzkoušet.
HC-čka musí mít ošetřené nevyužité vstupy !

S procesorama se to dá dělat taky tak, že jsou tam dva čítače, jeden počítá UP kroky a druhý DN, pozice je rozdíl těch čítačů.


Naposledy upravil danhard dne út červenec 02 2019, 20:41, celkově upraveno 1 krát.
Návrat nahoru
Zobrazit informace o autorovi Odeslat soukromou zprávu Odeslat e-mail
lesana87



Založen: Sep 20, 2014
Příspěvky: 4064

PříspěvekZaslal: út červenec 02 2019, 20:37    Předmět: Citovat

Nojo dědku, nakreslila jsem jen to důležité, že má R a S těch 7474 zapojit na +Vcc a někam zapojit ty nepoužitý hradla si snad už domyslí. Mohl jsi to nakreslit líp. Confused
Nebo mu můžeš poslat ten naprogramovanej GAL.
Návrat nahoru
Zobrazit informace o autorovi Odeslat soukromou zprávu
danhard



Založen: Mar 05, 2007
Příspěvky: 6473
Bydliště: Jesenice u Prahy

PříspěvekZaslal: út červenec 02 2019, 20:42    Předmět: Citovat

Ty soubory byly zdrojovej program do GALů Smile
Tahal jsem to ze starejch projektů.
Návrat nahoru
Zobrazit informace o autorovi Odeslat soukromou zprávu Odeslat e-mail
jova1



Založen: Dec 20, 2007
Příspěvky: 1346
Bydliště: Chýnov - to je kousek od Tábora

PříspěvekZaslal: út červenec 02 2019, 20:58    Předmět: Citovat

Lesano děkuji, kdyby jsi potřebovala někdy nějaké kolečko, tak dej vědět Very Happy


15.jpg
 Komentář:
 Velikost:  64.74 kB
 Zobrazeno:  80 krát

15.jpg


Návrat nahoru
Zobrazit informace o autorovi Odeslat soukromou zprávu Zobrazit autorovy WWW stránky
danhard



Založen: Mar 05, 2007
Příspěvky: 6473
Bydliště: Jesenice u Prahy

PříspěvekZaslal: út červenec 02 2019, 21:07    Předmět: Citovat

A jova si to může spojit s tím textem Smile
Návrat nahoru
Zobrazit informace o autorovi Odeslat soukromou zprávu Odeslat e-mail
lesana87



Založen: Sep 20, 2014
Příspěvky: 4064

PříspěvekZaslal: út červenec 02 2019, 21:10    Předmět: Citovat

No, zrovna minulý víkend jsem v Narexce řetězovej pile očesala jedno kolo s vnitřním a vnějším ozubením. Tak když ho neseženu, dostaneš bojovej úkol. Very Happy
Návrat nahoru
Zobrazit informace o autorovi Odeslat soukromou zprávu
danhard



Založen: Mar 05, 2007
Příspěvky: 6473
Bydliště: Jesenice u Prahy

PříspěvekZaslal: út červenec 02 2019, 21:13    Předmět: Citovat

Brutální Lesana, Nikita je měkejš Laughing
Návrat nahoru
Zobrazit informace o autorovi Odeslat soukromou zprávu Odeslat e-mail
jova1



Založen: Dec 20, 2007
Příspěvky: 1346
Bydliště: Chýnov - to je kousek od Tábora

PříspěvekZaslal: út červenec 02 2019, 21:28    Předmět: Citovat

Tak to spíše něco takového, ale vnitřní ozubení ještě neumím Sad


2.jpg
 Komentář:
 Velikost:  76.34 kB
 Zobrazeno:  107 krát

2.jpg


Návrat nahoru
Zobrazit informace o autorovi Odeslat soukromou zprávu Zobrazit autorovy WWW stránky
danhard



Založen: Mar 05, 2007
Příspěvky: 6473
Bydliště: Jesenice u Prahy

PříspěvekZaslal: st červenec 03 2019, 7:14    Předmět: Citovat

Ještě jedna poznámka.
Signál dir je platný jen po dobu signálu step.
Pokud by tam měl být trvale pro další řízení, tak je ho zapotřebí zapamatovat v další 74, hodiny jsou step.

Napálit dekodér do GALu je praktické.
Nebo to dát celé do malého CPLD, XC9536XL by mělo stačit.
Návrat nahoru
Zobrazit informace o autorovi Odeslat soukromou zprávu Odeslat e-mail
danhard



Založen: Mar 05, 2007
Příspěvky: 6473
Bydliště: Jesenice u Prahy

PříspěvekZaslal: čt červenec 04 2019, 8:29    Předmět: Citovat

lesana87 napsal(a):
Nojo dědku, nakreslila jsem jen to důležité, že má R a S těch 7474 zapojit na +Vcc a někam zapojit ty nepoužitý hradla si snad už domyslí.

To si tak úplně nemyslím.
I v tom původním obvodu je to značně blbě.
Vstup ze snímače jde přes 1k na 100n filtr a 10k pullup.
S obvody LS74 tam bude ještě mizerná "0", ale s TTL74 tam už bude cosi mezi a to žene do hodinového vstupu !
To se nedivím, že je to citlivé na rušení.

Aby to bylo aspoň nějak korektní, tak na vstupech musí být symetricky omezující analogový filtr následovaný hradlem s hysterezí.

Na výstupu dostanu rychlou hranu, odfiltrované rušení a prely.
Návrat nahoru
Zobrazit informace o autorovi Odeslat soukromou zprávu Odeslat e-mail
Zobrazit příspěvky z předchozích:   
Přidat nové téma   Zaslat odpověď       Obsah fóra Diskuzní fórum Elektro Bastlírny -> Poradna Časy uváděny v GMT + 1 hodina
Jdi na stránku Předchozí  1, 2, 3, 4, 5, 6, 7  Další
Strana 6 z 7

 
Přejdi na:  
Nemůžete odesílat nové téma do tohoto fóra.
Nemůžete odpovídat na témata v tomto fóru.
Nemůžete upravovat své příspěvky v tomto fóru.
Nemůžete mazat své příspěvky v tomto fóru.
Nemůžete hlasovat v tomto fóru.
Nemůžete připojovat soubory k příspěvkům
Můžete stahovat a prohlížet přiložené soubory

Powered by phpBB © 2001, 2005 phpBB Group
Forums ©
Nuke - Elektro Bastlirna

Informace na portálu Elektro bastlírny jsou prezentovány za účelem vzdělání čtenářů a rozšíření zájmu o elektroniku. Autoři článků na serveru neberou žádnou zodpovědnost za škody vzniklé těmito zapojeními. Rovněž neberou žádnou odpovědnost za případnou újmu na zdraví vzniklou úrazem elektrickým proudem. Autoři a správci těchto stránek nepřejímají záruku za správnost zveřejněných materiálů. Předkládané informace a zapojení jsou zveřejněny bez ohledu na případné patenty třetích osob. Nároky na odškodnění na základě změn, chyb nebo vynechání jsou zásadně vyloučeny. Všechny registrované nebo jiné obchodní známky zde použité jsou majetkem jejich vlastníků. Uvedením nejsou zpochybněna z toho vyplývající vlastnická práva. Použití konstrukcí v rozporu se zákonem je přísně zakázáno. Vzhledem k tomu, že původ předkládaných materiálů nelze žádným způsobem dohledat, nelze je použít pro komerční účely! Tento nekomerční server nemá z uvedených zapojení či konstrukcí žádný zisk. Nezodpovídáme za pravost předkládaných materiálů třetími osobami a jejich původ. V případě, že zjistíte porušení autorského práva či jiné nesrovnalosti, kontaktujte administrátory na diskuzním fóru EB.


PHP-Nuke Copyright © 2005 by Francisco Burzi. This is free software, and you may redistribute it under the GPL. PHP-Nuke comes with absolutely no warranty, for details, see the license.
Čas potřebný ke zpracování stránky 0.16 sekund