Vítejte na Elektro Bastlírn?
Nuke - Elektro Bastlirna
  Vytvořit účet
Hlavní · Fórum · DDump · Profil · Zprávy · Hledat na fóru


Nuke - Elektro Bastlirna: Diskuzní fórum

 FAQFAQ   HledatHledat   Uživatelské skupinyUživatelské skupiny   ProfilProfil   Soukromé zprávySoukromé zprávy   PřihlášeníPřihlášení 

Nehrající repráky+Tesla 820 A
Jdi na stránku 1, 2  Další
 
Přidat nové téma   Zaslat odpověď       Obsah fóra Diskuzní fórum Elektro Bastlírny -> Audiotechnika
Zobrazit předchozí téma :: Zobrazit následující téma  
Autor Zpráva
aladin250



Založen: Jul 23, 2014
Příspěvky: 38
Bydliště: Šumperk

PříspěvekZaslal: pá červenec 17 2020, 18:15    Předmět: Nehrající repráky+Tesla 820 A Citovat

Zdravím,
na půdě jsem našel HiFi Teslu 820 A a rozhodl jsem se jí zkusit rozchodit. Zapojil jsem reproduktory z gramofonu a zapl. Po chrčení a výrazným pískání zvuk klesl. Po připojení repráků zpět na gramofon, jedno repro nehraje a druhé potichu. Okey, řekl jsem si, byly starý a odešli.... Zkusil jsem tedy k Tesle připojit novější repráky a situace téměř totožná. Po připojení na jiný zesilovač hrají strašně potichu a zvuk nekvalitní. Takže jsem usoudil že je problém v Tesle.
Takže mám dva dotazy.
1. Na co se u rádia zaměřit, co by to mohlo způsobovat a jak to (nejlevněji) opravit.
2. Dají se repráky ještě nějak zachránit? Nebo už odešli do věčných lovišť??

Pro pořádek starší repráky byly GRUNDIG BOX RB 240, 30 W cca 80. léta a nové DEXON ALLEGRO 50, 70 W r.v. 2005.
Návrat nahoru
Zobrazit informace o autorovi Odeslat soukromou zprávu
EKKAR



Založen: Mar 16, 2005
Příspěvky: 35062
Bydliště: Česká Třebová, JN89FW21

PříspěvekZaslal: pá červenec 17 2020, 18:43    Předmět: Citovat

Tohle vypadá na proraženej minimálně jeden konec v tom bratislavským "bačo-zázraku", takže na výstup se ti dostává stejnosměrný napětí - a to ničí repráky. Další možnost je, že ti ten prešpurskej silostroj kmitá jak blázen. Bez aspoň základního změření se neobejdeš, na svépomocnou opravu bez příslušnejch znalostí o elektronice rovnou zapomeň. Dej si do profilu bydliště a zkus najít někoho, kdo se v tom vyzná - jsou tady lidi, kteří to určitě budou umět minimálně diagnostikovat co s tím je a pak odhadnout, kolik by stála případná oprava.
_________________
Nasliněný prst na svorkovnici domovního rozvaděče: Jó, paninko, máte tam ty Voltíky všecky...
A kutilmile - nelituju tě Mr. Green Mr. Green !!!
Návrat nahoru
Zobrazit informace o autorovi Odeslat soukromou zprávu Odeslat e-mail
oravan



Založen: Jan 02, 2010
Příspěvky: 675

PříspěvekZaslal: pá červenec 17 2020, 22:00    Předmět: Citovat

No určite niečo je vo výstupe ako kolega vyššie napísal .
Návrat nahoru
Zobrazit informace o autorovi Odeslat soukromou zprávu Odeslat e-mail
mirosne



Založen: May 07, 2008
Příspěvky: 2808
Bydliště: Blue rock,VK-SR

PříspěvekZaslal: pá červenec 17 2020, 23:41    Předmět: Citovat

Je tam ochrana reprákov,myslím,že keby bolo na výstupe jednosmerné napätie,tak by relé reprákov nezoplo.Jemu však hrá jeden kanál dobre a druhý slabšie.Predpokladám,že to relé bude v Obscenní
Alebo som to zle pochopil?

_________________
Pozdravujem Vás, Miro.
Návrat nahoru
Zobrazit informace o autorovi Odeslat soukromou zprávu Odeslat e-mail
ZVUK2000



Založen: Apr 22, 2012
Příspěvky: 4443
Bydliště: Karvinsko

PříspěvekZaslal: so červenec 18 2020, 5:43    Předmět: Citovat

Pokud šlo DC napětí na rrepraky, tak výškové repro díky kondiku ve výhybce to mělo přežít. Basák má patrně zkrat a nehraje i potom výškový.
Návrat nahoru
Zobrazit informace o autorovi Odeslat soukromou zprávu Odeslat e-mail
ransom



Založen: Jul 19, 2020
Příspěvky: 3762
Bydliště: Náchod

PříspěvekZaslal: ne červenec 19 2020, 10:05    Předmět: Citovat

V první řadě: Zapínat elektroniku, která roky ležela na půdě, je obrovské riziko. Je to jako vystrkat z kůlny po třiceti letech auto, nasednout a pustit se s kopce.
1) Nemáš tušení, proč ho někdo na tu půdu odložil.
2) Kdyby nic jiného, po létech bez napětí přestanou fungovat elektrolytické kondenzátory. Ve zdroji, vazební a dokonce i ty ve výstupních ochranách. Exhumovat takový přístroj je stejně náročné jako exhumovat mumii.
Takže jsi do repráků nejspíš pustil výkonný mix SS napětí, síťového brumu a nejspíš i ultrazvuku.

Teď bude potřeba vyndat a odpojit postižené repráky. U basáků zkusit zahýbat membránami, jestli nedřou. U všech změřit aspoň odpor cívek. Předpokládám, že kdybys s repráky dělal něco víc, tak se neptáš. Změření impedanční křivky tudíž necháme být.

Basáky můžeš i mimo bedny připojit napřímo k jakémukoli normálně chodícímu zesilovači a zkusit je. Opatrně s hlasitostí.
Výšky vyzkoušet zapojené na zesilovač se zdravým kondenzátorem cca 1-3uF v sérii. V nouzi postačí i elektrolytický, ale radši svitek na 100V nebo víc.
Návrat nahoru
Zobrazit informace o autorovi Odeslat soukromou zprávu
Robert18



Založen: Apr 15, 2009
Příspěvky: 348

PříspěvekZaslal: po červenec 20 2020, 19:50    Předmět: Citovat

Ahoj,

měl jsi zrovna smůlu. 820A mi pár rukama prošlo a žádná na tom nebyla tak aby
po zapnutí zničila reproduktory.
Stejnosměrná složka to určitě nebyla je tam ochrana leda, že by jí někdo vyřadil.
Tak jak to popisuješ se rozkmitali koncové stupně. Divný že oba. Většinou to dělají pokud jsou do zkratu nebo velké zátěže.
Vysloveně vadné velké elity pro napájení jsem taky ještě nezaregistroval.
Repro to budou mít za sebou - už k tomu nic nepřipojuj.


Nevím odkud jseš, ale v Praze je jeden velice slušný servis který ti to spraví.
Návrat nahoru
Zobrazit informace o autorovi Odeslat soukromou zprávu
cybernetic



Založen: Mar 26, 2025
Příspěvky: 7
Bydliště: PO

PříspěvekZaslal: čt březen 27 2025, 6:49    Předmět: Citovat

ozivim temu...
ziskal som Tesla 820 A ,po zapnuti su repro hluche /koncove stupne, tranzistory su v poriadku/ ... nebolo pocut cvaknutie relatka
co moze sposobovat ,ze relatko nezoplo?
Návrat nahoru
Zobrazit informace o autorovi Odeslat soukromou zprávu
EKKAR



Založen: Mar 16, 2005
Příspěvky: 35062
Bydliště: Česká Třebová, JN89FW21

PříspěvekZaslal: čt březen 27 2025, 7:19    Předmět: Citovat

Máš k tomu bačoverku schéma? Jestli ano, hledej v cestě napájení toho relé.
Jestli ne, mělo by bejt na Elektrotáně případně na Radiohistórii.sk .

_________________
Nasliněný prst na svorkovnici domovního rozvaděče: Jó, paninko, máte tam ty Voltíky všecky...
A kutilmile - nelituju tě Mr. Green Mr. Green !!!
Návrat nahoru
Zobrazit informace o autorovi Odeslat soukromou zprávu Odeslat e-mail
Hill
Administrátor


Založen: Sep 10, 2004
Příspěvky: 21054
Bydliště: Jičín, Český ráj

PříspěvekZaslal: čt březen 27 2025, 7:36    Předmět: Citovat

Servisní dokumentace je i na Oldradiu.
Jestli relé nespíná, můžou být příčiny tři:
- nedostává od zdroje napájení
- nemá povolení sepnout, protože na výstupu některého koncáku je nenulové stejnosměrné napětí proti kostře (pak je třeba najít příčinu)
- vadné relé (i když takové jsem potkal jen jedno).
Takže začni měřit.
Návrat nahoru
Zobrazit informace o autorovi Odeslat soukromou zprávu
cybernetic



Založen: Mar 26, 2025
Příspěvky: 7
Bydliště: PO

PříspěvekZaslal: čt březen 27 2025, 8:43    Předmět: Citovat

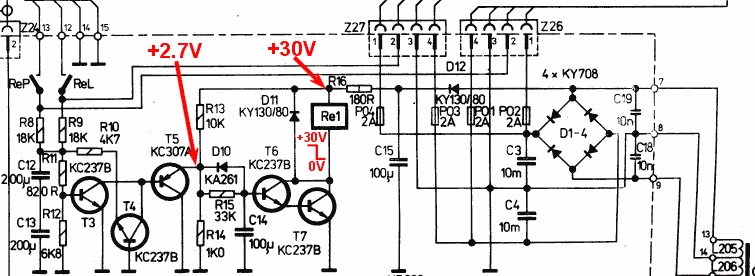
este vcera som odpojil zo zasuviek Z26 a Z27 koncaky,...rele necvaklo
takze konce som vylucil,dnes sa pozriem na napajanie rele
Návrat nahoru
Zobrazit informace o autorovi Odeslat soukromou zprávu
masar



Založen: Dec 03, 2005
Příspěvky: 14009

PříspěvekZaslal: čt březen 27 2025, 10:10    Předmět: Citovat

Ano, to je správný postup.
Wink



ochrana.png
 Komentář:
 Velikost:  20.99 kB
 Zobrazeno:  66 krát

ochrana.png




Naposledy upravil masar dne čt březen 27 2025, 10:48, celkově upraveno 1 krát.
Návrat nahoru
Zobrazit informace o autorovi Odeslat soukromou zprávu Odeslat e-mail
cybernetic



Založen: Mar 26, 2025
Příspěvky: 7
Bydliště: PO

PříspěvekZaslal: čt březen 27 2025, 10:17    Předmět: Citovat

masar
len ,aby som sa k niecomu domeral Very Happy
Návrat nahoru
Zobrazit informace o autorovi Odeslat soukromou zprávu
cybernetic



Založen: Mar 26, 2025
Příspěvky: 7
Bydliště: PO

PříspěvekZaslal: čt březen 27 2025, 17:32    Předmět: Citovat

zistil som nasledovny stav:
ochranne rele spina ,ak niesu v zasuvke Z26 a Z27 dosky "L" koncakov



820A.jpg
 Komentář:
 Velikost:  291.61 kB
 Zobrazeno:  68 krát

820A.jpg


Návrat nahoru
Zobrazit informace o autorovi Odeslat soukromou zprávu
Hill
Administrátor


Založen: Sep 10, 2004
Příspěvky: 21054
Bydliště: Jičín, Český ráj

PříspěvekZaslal: čt březen 27 2025, 22:29    Předmět: Citovat

Tak nezbude, než napřed opravit L-koncák.
Návrat nahoru
Zobrazit informace o autorovi Odeslat soukromou zprávu
Zobrazit příspěvky z předchozích:   
Přidat nové téma   Zaslat odpověď       Obsah fóra Diskuzní fórum Elektro Bastlírny -> Audiotechnika Časy uváděny v GMT + 1 hodina
Jdi na stránku 1, 2  Další
Strana 1 z 2

 
Přejdi na:  
Nemůžete odesílat nové téma do tohoto fóra.
Nemůžete odpovídat na témata v tomto fóru.
Nemůžete upravovat své příspěvky v tomto fóru.
Nemůžete mazat své příspěvky v tomto fóru.
Nemůžete hlasovat v tomto fóru.
Nemůžete připojovat soubory k příspěvkům
Můžete stahovat a prohlížet přiložené soubory

Powered by phpBB © 2001, 2005 phpBB Group
Forums ©
Nuke - Elektro Bastlirna

Informace na portálu Elektro bastlírny jsou prezentovány za účelem vzdělání čtenářů a rozšíření zájmu o elektroniku. Autoři článků na serveru neberou žádnou zodpovědnost za škody vzniklé těmito zapojeními. Rovněž neberou žádnou odpovědnost za případnou újmu na zdraví vzniklou úrazem elektrickým proudem. Autoři a správci těchto stránek nepřejímají záruku za správnost zveřejněných materiálů. Předkládané informace a zapojení jsou zveřejněny bez ohledu na případné patenty třetích osob. Nároky na odškodnění na základě změn, chyb nebo vynechání jsou zásadně vyloučeny. Všechny registrované nebo jiné obchodní známky zde použité jsou majetkem jejich vlastníků. Uvedením nejsou zpochybněna z toho vyplývající vlastnická práva. Použití konstrukcí v rozporu se zákonem je přísně zakázáno. Vzhledem k tomu, že původ předkládaných materiálů nelze žádným způsobem dohledat, nelze je použít pro komerční účely! Tento nekomerční server nemá z uvedených zapojení či konstrukcí žádný zisk. Nezodpovídáme za pravost předkládaných materiálů třetími osobami a jejich původ. V případě, že zjistíte porušení autorského práva či jiné nesrovnalosti, kontaktujte administrátory na diskuzním fóru EB.


PHP-Nuke Copyright © 2005 by Francisco Burzi. This is free software, and you may redistribute it under the GPL. PHP-Nuke comes with absolutely no warranty, for details, see the license.
Čas potřebný ke zpracování stránky 0.24 sekund