Vítejte na Elektro Bastlírn?
Nuke - Elektro Bastlirna
  Vytvořit účet Hlavní · Fórum · DDump · Profil · Zprávy · Hledat na fóru · Příspěvky na provoz EB

Vlákno na téma KORONAVIRUS - nutná registrace


Nuke - Elektro Bastlirna: Diskuzní fórum

 FAQFAQ   HledatHledat   Uživatelské skupinyUživatelské skupiny   ProfilProfil   Soukromé zprávySoukromé zprávy   PřihlášeníPřihlášení 

Umělá zátěž AR_PE_05_1996
Jdi na stránku 1, 2, 3 ... 10, 11, 12  Další
 
Přidat nové téma   Zaslat odpověď       Obsah fóra Diskuzní fórum Elektro Bastlírny -> Řešení problémů s různými konstrukcemi
Zobrazit předchozí téma :: Zobrazit následující téma  
Autor Zpráva
Celeron



Založen: Apr 02, 2011
Příspěvky: 20255
Bydliště: Nový Bydžov

PříspěvekZaslal: po únor 17 2025, 20:12    Předmět: Umělá zátěž AR_PE_05_1996 Citovat

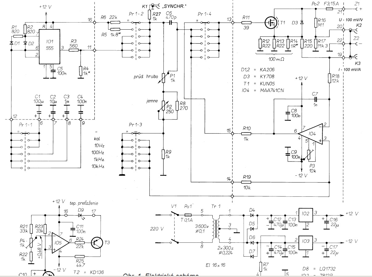
Asi před rokem jsem usmažil umělou zátěž, co jsem si postavil někdy před 15 lety. Nedařilo se mi do ní již sehnat použitej "vypalovací" FET Tesla KUN05 a tak skončila v regálu na "někdy". Někdy je tady, potřebuju z ní potejrat chování jednoho zdroje. Schema je v dole. KUN05 se sice zase dá sehnat ale když to bude rozkuchaný, chtěl bych zátěž posílit nějakým lepším FETem. Zbyl mě tu po něčem jeden STP75NF75, což je 300W, 75V, 80A, 0,009R. Původní KUN05 měl jen 70W, 50V, 12A, 0,1R. Na původní chladič bych dal aktivní chlazení, dva 40 mm větráky spínaný bimetal termostatem. No a trochu si pohrát s odpory v S-ku.
Může se mi v tom vyštěnit nějaký překvápko? Co třeba dioda D3? KUN05 diodu v sobě neměl, nechat nebo odpojit?
Díky!



e-zátěž.jpg
 Komentář:
 Velikost:  222.64 kB
 Zobrazeno:  276 krát

e-zátěž.jpg



_________________
Jirka

Proč mi nemůže všechno chodit hned ?!!
Návrat nahoru
Zobrazit informace o autorovi Odeslat soukromou zprávu
Zaky



Založen: Oct 30, 2010
Příspěvky: 6993
Bydliště: Praha

PříspěvekZaslal: po únor 17 2025, 20:17    Předmět: Citovat

Podle mě to normálně pojede. MOSFET v sobě tu diodu prinicipiálně má vždy.
_________________
Krátce před tím, než se to rozbilo, tak to ještě fungovalo...
Návrat nahoru
Zobrazit informace o autorovi Odeslat soukromou zprávu
jezevec
Hlavní moderátor


Založen: Jun 13, 2004
Příspěvky: 6113
Bydliště: Břeclavsko

PříspěvekZaslal: po únor 17 2025, 20:53    Předmět: Citovat

Jak píše Zaky, tu substrátovou diodu měl i ten KUN05, jen se to tenkrát v datasheetu nemalovalo.
Problém bude v novém FETu, jsou až moc dokonalé pro spínání, ale dost nevhodné pro lin. řízení.
Mám dělanou zátěž někdy z přelomu tisíciletí a po výměně fetů (asi 5let) sice celkem funguje, ale není to co předtím, takže radši používám čínskou 180W.
Asi by to chtělo vyzkoušet víc typů.
Návrat nahoru
Zobrazit informace o autorovi Odeslat soukromou zprávu Zobrazit autorovy WWW stránky
Cust



Založen: Jan 17, 2007
Příspěvky: 7177
Bydliště: Milotice u Kyjova

PříspěvekZaslal: po únor 17 2025, 21:23    Předmět: Citovat

ten nový FET má 3x větší vstupní kapacitu, ale to asi nebude pro tu 555ku kritické
to co píše jezevec je fakt, já jsem pro lineární řízení vybíral spíše vysokonapěťové fety s vyšším Rdson, menší strmostí, které mají "lepší" charakteristiky


Naposledy upravil Cust dne po únor 17 2025, 21:36, celkově upraveno 1 krát.
Návrat nahoru
Zobrazit informace o autorovi Odeslat soukromou zprávu Odeslat e-mail
Valdano



Založen: Jan 01, 2023
Příspěvky: 2863
Bydliště: Česká Lípa

PříspěvekZaslal: po únor 17 2025, 21:30    Předmět: Citovat

A co zkusit namísto lineárního řízení výkonu řídit ten FET PWM?
Návrat nahoru
Zobrazit informace o autorovi Odeslat soukromou zprávu
martinkopp



Založen: Oct 12, 2023
Příspěvky: 1179

PříspěvekZaslal: po únor 17 2025, 21:53    Předmět: Citovat

No, tak hlavně ten STP75NF75 nemá v DS vůbec uvedenou SOA pro DC, což je u zátěže celkem podstatné abys ji neodvalil. Já dal do své zátěže IXFN180N15P a konečne přestaly mosfety odcházet. Ale na tenhle tranzistor výstup 555 asi stačit nebude.
Návrat nahoru
Zobrazit informace o autorovi Odeslat soukromou zprávu
rnbw



Založen: Mar 21, 2006
Příspěvky: 37046
Bydliště: Bratislava

PříspěvekZaslal: po únor 17 2025, 21:55    Předmět: Citovat

V mojej cinskej je IRFP150N.
Návrat nahoru
Zobrazit informace o autorovi Odeslat soukromou zprávu
Celeron



Založen: Apr 02, 2011
Příspěvky: 20255
Bydliště: Nový Bydžov

PříspěvekZaslal: po únor 17 2025, 22:53    Předmět: Citovat

Valdano napsal(a):
A co zkusit namísto lineárního řízení výkonu řídit ten FET PWM?

A k čemu si myslíš, že tam je ta 555? Nejdřív se krátce nastaví požadovaný stejnosměrný proud v poloze přepínače KAL a potom se kmitočtem 10Hz, 100Hz, 1KHz a 10KHz zkouší dynamický chování zkoumanýho zdroje.

Martine, ten tvůj IXFN180N15P je 600W topidlo za 20 x víc peněz než ten můj. A mám ho tam na konektoru. Wink SOA si myslím, že se dá odhadnout podle rychlosti nárůstu teploty. KUN05 mi odešel za cca 5 minut při 15V a 5A, což je za hranicí jeho Pd. Neměl jsem tam aktivní chlazení a nějak jsem si nevšiml, že svítí ledka přejřátí a už se kroutí plastový záda krabičky KP12. Embarassed

_________________
Jirka

Proč mi nemůže všechno chodit hned ?!!
Návrat nahoru
Zobrazit informace o autorovi Odeslat soukromou zprávu
JirkaZ



Založen: Feb 26, 2021
Příspěvky: 3746

PříspěvekZaslal: út únor 18 2025, 10:18    Předmět: Citovat

Jirko, "odhadnout SOA podle nárůstu teploty" je naprostý nesmysl.

SOA je mezní katalogový parametr daný grafem, to je všechno... FETy ho obvykle nemívají uvedený, protože jsou většinou určeny na spínací účely. Na té Wikipedii je také zmíněný problém destrukce spínacích FETů při lineárním provozu.

Pozor: Pmax bývá mnohem vyšší hodnota než omezení dané právě SOA!

Co se týče té náhrady: vzhledem k dynamickému provozu si dej pozor na Cgs, obecně řečeno výkonovější (proudově dimenzovanější) typy ho mají výrazně vyšší.

Chce to posoudit "tvrdost" buzení FETu a případně ji zlepšit, teď se mi nechce to schéma studovat.

Jen první postřeh: to buzení z 555 přes odpory v řádu kΩ opravdu není tvrdé. Ale ještě víc bude vadit ten víceméně trvalý lineární režim při kalibraci (zejména při vyšších proudech).

Osobně bych při stavbě elektronické zátěže volil na koncovém stupni jednoznačně bipolární transistory, a to ještě typy vysloveně určené pro lineární provoz (koncové stupně zesilovačů). Dají se najít i Darlingtony, takže s buzením to pak není takové drama.

No a ideální je jejich paralelizace (samozřejmě se samostatnými snímacími odpory v emitorech, zde i ve funkci vyrovnávacích odporů).

V příloze je moje pracovní provedení el. zátěže, výkonové transistory jsou Darlingtony BDX33C. Funguje jen staticky (lineárně), ale jistě by to šlo upravit na pulsní provoz. Předimenzování je zdánlivě až extrémní, ale proč ne, chladič byl nějaký zbytek a BDX33C za pár Kč z nějakého výprodeje. Navíc když se podívám právě na SOA, tak to předimenzování už není tak extrémní Wink

Možná (!!!) by se dalo zvážit použití IGBT, přestože i ty jsou myšleny převážně na spínací účely. Chce to prostudovat katalogové listy nějakých dostupných typů. Rozhodně bych volil pouzdro TO-3P (TO-247) apod. a k chladiči nejlépe ventilátor.



el_zatez.jpg
 Komentář:
 Velikost:  288.78 kB
 Zobrazeno:  93 krát

el_zatez.jpg



BDX33x_SOA.png
 Komentář:
 Velikost:  38.76 kB
 Zobrazeno:  78 krát

BDX33x_SOA.png



_________________
Kdo chce, hledá způsob;
kdo ne - hledá důvod.

Ze dvou možností často volím tu třetí.
Návrat nahoru
Zobrazit informace o autorovi Odeslat soukromou zprávu
martinkopp



Založen: Oct 12, 2023
Příspěvky: 1179

PříspěvekZaslal: út únor 18 2025, 14:50    Předmět: Citovat

SOA se fakt nedá odhadnout podle oteplení, mám v poznámkách že jsem například zkoušel IRFP2907PbF a ten ačkoliv má na první straně DS hektické údaje typu 200A, 470W apod. šel při 40V/2A v lineárním režimu okamžitě do kopru a při pohledu na graf i tenhle zdánlivě malý proud a ztrátový výkon je už mimo SOA. Chlazení mám z nějakého CPU z PC, s velkými větráky, měděnou základnou a heatpipe, takže celkovým přehřátím to nebylo.

Já IXFN180N15P ani jiné mosfety nekupoval, strkal jsem tam z kdečeho vykuchané tranzistory co jsem našel v šuplíku, takže je to spíš pro inspiraci. Bipolary mají nevýhodu pokud zatěžuješ zdroj s nízkým napětím.
Návrat nahoru
Zobrazit informace o autorovi Odeslat soukromou zprávu
Cust



Založen: Jan 17, 2007
Příspěvky: 7177
Bydliště: Milotice u Kyjova

PříspěvekZaslal: út únor 18 2025, 15:41    Předmět: Citovat

JirkaZ mimo jiné napsal(a):
Co se týče té náhrady: vzhledem k dynamickému provozu si dej pozor na Cgs, obecně řečeno výkonovější (proudově dimenzovanější) typy ho mají výrazně vyšší.

Chce to posoudit "tvrdost" buzení FETu a případně ji zlepšit, teď se mi nechce to schéma studovat.
S těmi 10 kHz už to s tím novým tranzistorem bude dost na hraně. A v krátkém pulsu bude proudově cca 3x více 555 namáhaná.
Návrat nahoru
Zobrazit informace o autorovi Odeslat soukromou zprávu Odeslat e-mail
Celeron



Založen: Apr 02, 2011
Příspěvky: 20255
Bydliště: Nový Bydžov

PříspěvekZaslal: út únor 18 2025, 17:51    Předmět: Citovat

Přemejšlíte tady nad tím, zda 555 FETa ukrmí. Nebudí náhodou "vypalovák" převážně operák IO4?
A propo, to byl ten KUN05 tak vynikající FET, že dokázal odejít vyloženě na upečení, jak jsem psal, až po 5 minutách při 15V a 5A?
Nová krabice KP12 by měla dorazit do konce týdne a pak se uvidí. No a snad se mě taky spravěj záda, moc mě to kvůli ním v dílně nebaví. Sad

_________________
Jirka

Proč mi nemůže všechno chodit hned ?!!
Návrat nahoru
Zobrazit informace o autorovi Odeslat soukromou zprávu
Cust



Založen: Jan 17, 2007
Příspěvky: 7177
Bydliště: Milotice u Kyjova

PříspěvekZaslal: út únor 18 2025, 17:57    Předmět: Citovat

jo s tou 555kou máš pravdu, nahraď 555 za slovo OZ...

prostě, když 3x zvýšíš vstupní kapacitu, 3x navýšíš proud, 3x zpomalíš náběžnou hranu - ta už půjde k 10 µs - ano FET sepne rychleji (asi po 3 µs, ale bude mít vět Rdson...), ale i tak je to už na hraně, ale myslím, že to bude stále funkční
Návrat nahoru
Zobrazit informace o autorovi Odeslat soukromou zprávu Odeslat e-mail
taz



Založen: May 16, 2007
Příspěvky: 365
Bydliště: Ostrava

PříspěvekZaslal: út únor 18 2025, 18:14    Předmět: Citovat

Nahraď to IRFP240 nebo 250, to jsou asi jedny z posledních ,lineárně se tvářících trandů, mám je taky v zátěži. Navíc mají větší pouzdro a víc vydrží
Návrat nahoru
Zobrazit informace o autorovi Odeslat soukromou zprávu Odeslat e-mail
JirkaZ



Založen: Feb 26, 2021
Příspěvky: 3746

PříspěvekZaslal: út únor 18 2025, 18:26    Předmět: Citovat

IRFP250 (od Intersilu, International Rectifier ani třeba Vishay se vůbec nezabývají DC režimem) taky v SOA není nic moc.

No ale kdo chce kam...

Možná by to šlo přes paralelizaci (a opět samostatné odpory v S). Sice jde o MOSFET a teoreticky by se dal paralelizovat rovnou, ale ne v lineárním režimu - i tak by bylo vhodné je spárovat alespoň na Ugsth).



IRFP250_Intersil_SOA.png
 Komentář:
 Velikost:  91.49 kB
 Zobrazeno:  67 krát

IRFP250_Intersil_SOA.png



_________________
Kdo chce, hledá způsob;
kdo ne - hledá důvod.

Ze dvou možností často volím tu třetí.
Návrat nahoru
Zobrazit informace o autorovi Odeslat soukromou zprávu
Zobrazit příspěvky z předchozích:   
Přidat nové téma   Zaslat odpověď       Obsah fóra Diskuzní fórum Elektro Bastlírny -> Řešení problémů s různými konstrukcemi Časy uváděny v GMT + 1 hodina
Jdi na stránku 1, 2, 3 ... 10, 11, 12  Další
Strana 1 z 12

 
Přejdi na:  
Nemůžete odesílat nové téma do tohoto fóra.
Nemůžete odpovídat na témata v tomto fóru.
Nemůžete upravovat své příspěvky v tomto fóru.
Nemůžete mazat své příspěvky v tomto fóru.
Nemůžete hlasovat v tomto fóru.
Nemůžete připojovat soubory k příspěvkům
Můžete stahovat a prohlížet přiložené soubory

Powered by phpBB © 2001, 2005 phpBB Group
Forums ©
Nuke - Elektro Bastlirna

Informace na portálu Elektro bastlírny jsou prezentovány za účelem vzdělání čtenářů a rozšíření zájmu o elektroniku. Autoři článků na serveru neberou žádnou zodpovědnost za škody vzniklé těmito zapojeními. Rovněž neberou žádnou odpovědnost za případnou újmu na zdraví vzniklou úrazem elektrickým proudem. Autoři a správci těchto stránek nepřejímají záruku za správnost zveřejněných materiálů. Předkládané informace a zapojení jsou zveřejněny bez ohledu na případné patenty třetích osob. Nároky na odškodnění na základě změn, chyb nebo vynechání jsou zásadně vyloučeny. Všechny registrované nebo jiné obchodní známky zde použité jsou majetkem jejich vlastníků. Uvedením nejsou zpochybněna z toho vyplývající vlastnická práva. Použití konstrukcí v rozporu se zákonem je přísně zakázáno. Vzhledem k tomu, že původ předkládaných materiálů nelze žádným způsobem dohledat, nelze je použít pro komerční účely! Tento nekomerční server nemá z uvedených zapojení či konstrukcí žádný zisk. Nezodpovídáme za pravost předkládaných materiálů třetími osobami a jejich původ. V případě, že zjistíte porušení autorského práva či jiné nesrovnalosti, kontaktujte administrátory na diskuzním fóru EB.


PHP-Nuke Copyright © 2005 by Francisco Burzi. This is free software, and you may redistribute it under the GPL. PHP-Nuke comes with absolutely no warranty, for details, see the license.
Čas potřebný ke zpracování stránky 0.17 sekund