Vítejte na Elektro Bastlírn?
Nuke - Elektro Bastlirna
  Vytvořit účet Hlavní · Fórum · DDump · Profil · Zprávy · Hledat na fóru · Příspěvky na provoz EB

Vlákno na téma KORONAVIRUS - nutná registrace


Nuke - Elektro Bastlirna: Diskuzní fórum

 FAQFAQ   HledatHledat   Uživatelské skupinyUživatelské skupiny   ProfilProfil   Soukromé zprávySoukromé zprávy   PřihlášeníPřihlášení 

Tuner Onkyo T-4211 nejde ve stereu
Jdi na stránku Předchozí  1, 2, 3  Další
 
Přidat nové téma   Zaslat odpověď       Obsah fóra Diskuzní fórum Elektro Bastlírny -> Audiotechnika
Zobrazit předchozí téma :: Zobrazit následující téma  
Autor Zpráva
ferro0



Založen: May 31, 2011
Příspěvky: 694
Bydliště: Jablonecko

PříspěvekZaslal: ne červen 01 2025, 10:24    Předmět: Citovat

Studeňákú tam bylo dost, ty jsem přepájel. Nakonec jsem tam dal smd keramiku 100pF a kondík z cívky jsem vypreparoval viz foto.

Když už jsem byl v tom, tak ty elyty s nízkou kapacitou jsem nahradil fóliovými a tuner správně nezobrazuje plný signál bez připojené antény.
Při ladení oscilátoru vco 76kHz bez signálu z antény je frekvence nestabilní +-2kHz. Je to vidět na osciloskopu.
Tuner ale funguje.



Tuner Onkyo T-4211_003.jpg
 Komentář:
 Velikost:  40.87 kB
 Zobrazeno:  28 krát

Tuner Onkyo T-4211_003.jpg


Návrat nahoru
Zobrazit informace o autorovi Odeslat soukromou zprávu
Hill
Administrátor


Založen: Sep 10, 2004
Příspěvky: 21038
Bydliště: Jičín, Český ráj

PříspěvekZaslal: ne červen 01 2025, 12:20    Předmět: Citovat

Nestabilita volnoběžného kmitočtu nevadí, když PLL zavěsí na pilotní kmitočet signálu a nevypadává. Dokud nezlobí, neřeš.
Návrat nahoru
Zobrazit informace o autorovi Odeslat soukromou zprávu
rnbw



Založen: Mar 21, 2006
Příspěvky: 37046
Bydliště: Bratislava

PříspěvekZaslal: pá červen 06 2025, 18:38    Předmět: Citovat

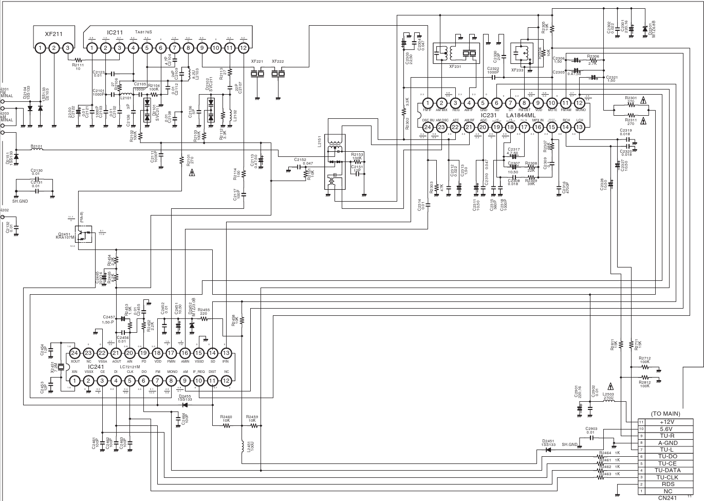
Mam asi podobny problem, akurat tuner je iny. Je to plechovka v mikrovezi Sony - nahradny diel s cislom 1-693-626-11, nie je k tomu teda ziadna dokumentacia.

Automaticke ladenie nikdy nezastavi. Ked ho zastavim rucne, tak naladena stanica hra, ale nerozsvieti sa TUNED ani STEREO a tiez nejde RDS.

Osadene to je LA1844M, LC72121M (PLL) a BU924FS (RDS dekoder).

Vidim tam 5 nastavitelnych veci: T1 (FM), T2 (AM), T4 (s modrym prstencom), LT1 (pri cervenom filtri) a trimmer VR1.



tuner_1.jpg
 Komentář:
 Velikost:  285 kB
 Zobrazeno:  44 krát

tuner_1.jpg



tuner_2.jpg
 Komentář:
 Velikost:  267.37 kB
 Zobrazeno:  35 krát

tuner_2.jpg


Návrat nahoru
Zobrazit informace o autorovi Odeslat soukromou zprávu
Mikras



Založen: Sep 04, 2019
Příspěvky: 651
Bydliště: Praha

PříspěvekZaslal: pá červen 06 2025, 19:25    Předmět: Citovat

Cívečka T4 s tím modrým prstýnkem je podle datasheetu toho LA1844M nastavení diskriminátoru. Zkusil bych si poznamenat polohu a jádrem zatočit. Pokud je to stejný problém, zkus stanici ručně naladit o 50 nebo 100kHz výš, jestli se to chytne, nebo bude poznat aspon sluchem snaha o zlepšení. Ze spodu pak můžeš zkusit přidat kapacitu paralelně k cívce jako to zkusil ferro0 a hned bude jasněji.

Nebo, pokud to lze, na nic nešahej a zkus zespodu připojit kapacitní trimr, třeba známy hrníček 33pF a uvidíš hned, jestli je chyba tam.

Podle zkušenosti ferro0 pak vhodná funkční přidaná kapacita je cca 100pF, samozřejmě po extrakci vnitřního trubičkového kondenzátoru. A pak už jen jemné doladění. Pokud tam není měřící bod výstupu diskriminátoru, tak aspoň na ucho na střed.

Vývod č.6 je nějaká indikace naladění. Možná to taky pomůže... Zřejmě aktivuje indikátor TUNED.

Koukněme se ještě, jestli se tento obvod nevyskytuje v nějakém zařízení, ke kterému by byl k dispozici seřizovací postup, to by nás mohlo posunout dál.
Návrat nahoru
Zobrazit informace o autorovi Odeslat soukromou zprávu Odeslat e-mail Zobrazit autorovy WWW stránky
rnbw



Založen: Mar 21, 2006
Příspěvky: 37046
Bydliště: Bratislava

PříspěvekZaslal: pá červen 06 2025, 20:10    Předmět: Citovat

Najlepsi signal je o 50kHz nizsie (testujem na silnej stanici bez anteny). Ale TUNED, STEREO ani RDS nefunguje ani vtedy (s antenou).

Nasiel som Sanyo DC-TS960WL, kde je tuner s LA1844 a LC72121, ale iny.
Návrat nahoru
Zobrazit informace o autorovi Odeslat soukromou zprávu
rnbw



Založen: Mar 21, 2006
Příspěvky: 37046
Bydliště: Bratislava

PříspěvekZaslal: so červen 07 2025, 13:59    Předmět: Citovat

Na doske su oznacene test pointy AFC, pripojene na piny 3 a 22 LA1844.

Podla dokumentacie k Sanyo DC-TS960WL by sa tam malo nastavit 0V. Je tam 1,6V. Pri toceni na jednu stranu AFC pomaly klesa (na 1,4V), ale radio hra tichsie. Pri toceni na druhu stranu AFC rastie (1,7V) a hra to tiez tichsie. Takze povodna poloha je najlepsia. TUNED ani STEREO sa nerozsvietilo nikdy.
Návrat nahoru
Zobrazit informace o autorovi Odeslat soukromou zprávu
ferro0



Založen: May 31, 2011
Příspěvky: 694
Bydliště: Jablonecko

PříspěvekZaslal: so červen 07 2025, 14:29    Předmět: Citovat

Při nastavení s novým kond. jsem jádro cívky musel více "zašroubovat" oproti původní pozici.
Návrat nahoru
Zobrazit informace o autorovi Odeslat soukromou zprávu
rnbw



Založen: Mar 21, 2006
Příspěvky: 37046
Bydliště: Bratislava

PříspěvekZaslal: so červen 07 2025, 16:17    Předmět: Citovat

Vybral som T4, odpojil kondenzator a pripojil zvonku 100pF. Skutocne sa nastavenie pre najlepsi zvuk posunulo o dve otacky doprava. Ale to je vsetko - ziadne TUNED ani STEREO... Vratim to naspat.

Na pine 24 LA1844 (SD = Signal Detection) je pripojeny trimmer VR1. Otacanim sa nic nemeni. Vratil som ho do povodnej polohy (24,6K).
Návrat nahoru
Zobrazit informace o autorovi Odeslat soukromou zprávu
rnbw



Založen: Mar 21, 2006
Příspěvky: 37046
Bydliště: Bratislava

PříspěvekZaslal: so červen 07 2025, 19:14    Předmět: Citovat

Riesil to aj Rus, tiez mu to neslo ani po vymene kondenzatora a nakoniec to odpalil Very Happy
https://radiokot.ru/forum/viewtopic.php?f=32&t=177398
(Je to sice Aiwa, ale uz patriaca pod Sony).
Návrat nahoru
Zobrazit informace o autorovi Odeslat soukromou zprávu
Mikras



Založen: Sep 04, 2019
Příspěvky: 651
Bydliště: Praha

PříspěvekZaslal: so červen 07 2025, 19:46    Předmět: Citovat

Pokud má být mezi vývody 3 a 22 napětí 0V při naladěné stanici a není tam, TUNED ani STEREO se nerozsvítí...

Psal jsi, že to má snahu hrát líp při naladění stanice o -50kHz. Má pak snahu jít i to napětí dolů? Znamenalo by to, že je potřeba kapacitu snížit. I když zatím jsem se setkal jen se ztrátou kapacity, ale nespoléhal bych na to.

Ideální by bylo mít rozmítač a mezi body 3 a 22 sejmout S-křivku. Nebo mít proměnný generátor a sejmou S-křivku ručně. Nebo použít nějaký FM transmiter, kvůli silnému signálu. Můžeš zkusit přemostit kondenzátorem filtry 10,7MHz, abys snížil selektivitu, můžeš zkusit snížit hodnotu rezistoru mezi těmi vývody 3 a 22, čímž, jak psal výše Hill, roztáhneš rozsah zachycení stanice pro vyladění, tedy TUNED...

Cílem je dostat 0V na tom výstupu diskriminátoru a pak to doladit, aby seděla i zobrazovaná frekvence.
Návrat nahoru
Zobrazit informace o autorovi Odeslat soukromou zprávu Odeslat e-mail Zobrazit autorovy WWW stránky
rnbw



Založen: Mar 21, 2006
Příspěvky: 37046
Bydliště: Bratislava

PříspěvekZaslal: so červen 07 2025, 21:09    Předmět: Citovat

Sprava sa to takto:

kód:

MHz    | V
96,40  | 1,576    chrci
96,45  | 1,517    chrci
96,50  | 1,536
96,55  | 1,563
96,60  | 1,592    <- tu vysiela stanica
96,65  | 1,628
96,70  | 1,662
96,75  | 1,701    chrci


Zaujimave, ze najnizsie napatie je pri 96,45MHz, ale prijem je vtedy blby.

Medzi pinmi 3 a 22 som nameral 11K. Pridal som paralelne dalsi 10K, ale nic sa nezmenilo.

Pri rucnom ladeni ma tuner dobru citlivost - nasiel som 21 stanic (na originalnu drotovu antenu) aj selektivitu (niektore su vzdialene len 200 kHz).
Návrat nahoru
Zobrazit informace o autorovi Odeslat soukromou zprávu
rnbw



Založen: Mar 21, 2006
Příspěvky: 37046
Bydliště: Bratislava

PříspěvekZaslal: ne červen 08 2025, 19:56    Předmět: Citovat

Niektore elyty boli vadne, vymenil som radsej vsetky. Nic sa ale nezmenilo.

Stereo je blokovane cez pin 12 LA1844. Je pripojeny cez 10K odpor na pin 7 LC72121 a tam je nula. Predpokladam, ze to blokuje procesor, kym nezisti signal TUNED.
Návrat nahoru
Zobrazit informace o autorovi Odeslat soukromou zprávu
lesana87



Založen: Sep 20, 2014
Příspěvky: 4209

PříspěvekZaslal: ne červen 08 2025, 21:04    Předmět: Citovat

Je otázka, jak je tam ta detekce signálu (stanice) dělaná. V datašítu LA1844 píšou, že má SD Signal Detect, ale nikde tam ten výstup nevidím. V datašítu LC72121 píšou něco ve smyslu, že pokud nemá tuner SD výstup, tak se k detekci stanice používá měření mezifrekvence (IF counter). Ale rádiům moc nerozumím, tak mi to nic neříká.
Návrat nahoru
Zobrazit informace o autorovi Odeslat soukromou zprávu
rnbw



Založen: Mar 21, 2006
Příspěvky: 37046
Bydliště: Bratislava

PříspěvekZaslal: ne červen 08 2025, 21:14    Předmět: Citovat

Tiez tomu nerozumiem, preto to stale nefunguje...

LA1844 ma vystup TU-LED (pin 6), aktivny v nule. Je vyvedeny aj mimo tunera. Je tam 3,3V, pri uzemneni sa neukaze TUNED ani nezastavi ladenie.
Návrat nahoru
Zobrazit informace o autorovi Odeslat soukromou zprávu
rnbw



Založen: Mar 21, 2006
Příspěvky: 37046
Bydliště: Bratislava

PříspěvekZaslal: út červen 10 2025, 19:48    Předmět: Citovat

Najblizisie, co som nasiel, je Sanyo DC-TS760. Akurat tam je TA8176 a tu je cely zaciatok od anteny diskretny. Hladal som varikapy a nenasiel.
Nasiel som:
AQY = KTC3880S-Y
ALG = KTC3875-GR
ZA = 15GN01M
610 = NDS0610
PB = BZB84-C16
IGF = 2SK1215-F

No a prave ten posledny FET je vadny - prieraz D-S. Vybral som ho von a tuner funguje stale rovnako.

Otazne je, co tam namiesto neho dat.



sanyo_dc-ts760_tuner.png
 Komentář:
 Velikost:  196.63 kB
 Zobrazeno:  51 krát

sanyo_dc-ts760_tuner.png


Návrat nahoru
Zobrazit informace o autorovi Odeslat soukromou zprávu
Zobrazit příspěvky z předchozích:   
Přidat nové téma   Zaslat odpověď       Obsah fóra Diskuzní fórum Elektro Bastlírny -> Audiotechnika Časy uváděny v GMT + 1 hodina
Jdi na stránku Předchozí  1, 2, 3  Další
Strana 2 z 3

 
Přejdi na:  
Nemůžete odesílat nové téma do tohoto fóra.
Nemůžete odpovídat na témata v tomto fóru.
Nemůžete upravovat své příspěvky v tomto fóru.
Nemůžete mazat své příspěvky v tomto fóru.
Nemůžete hlasovat v tomto fóru.
Nemůžete připojovat soubory k příspěvkům
Můžete stahovat a prohlížet přiložené soubory

Powered by phpBB © 2001, 2005 phpBB Group
Forums ©
Nuke - Elektro Bastlirna

Informace na portálu Elektro bastlírny jsou prezentovány za účelem vzdělání čtenářů a rozšíření zájmu o elektroniku. Autoři článků na serveru neberou žádnou zodpovědnost za škody vzniklé těmito zapojeními. Rovněž neberou žádnou odpovědnost za případnou újmu na zdraví vzniklou úrazem elektrickým proudem. Autoři a správci těchto stránek nepřejímají záruku za správnost zveřejněných materiálů. Předkládané informace a zapojení jsou zveřejněny bez ohledu na případné patenty třetích osob. Nároky na odškodnění na základě změn, chyb nebo vynechání jsou zásadně vyloučeny. Všechny registrované nebo jiné obchodní známky zde použité jsou majetkem jejich vlastníků. Uvedením nejsou zpochybněna z toho vyplývající vlastnická práva. Použití konstrukcí v rozporu se zákonem je přísně zakázáno. Vzhledem k tomu, že původ předkládaných materiálů nelze žádným způsobem dohledat, nelze je použít pro komerční účely! Tento nekomerční server nemá z uvedených zapojení či konstrukcí žádný zisk. Nezodpovídáme za pravost předkládaných materiálů třetími osobami a jejich původ. V případě, že zjistíte porušení autorského práva či jiné nesrovnalosti, kontaktujte administrátory na diskuzním fóru EB.


PHP-Nuke Copyright © 2005 by Francisco Burzi. This is free software, and you may redistribute it under the GPL. PHP-Nuke comes with absolutely no warranty, for details, see the license.
Čas potřebný ke zpracování stránky 0.15 sekund