Vítejte na Elektro Bastlírn?
Nuke - Elektro Bastlirna
  Vytvořit účet Hlavní · Fórum · DDump · Profil · Zprávy · Hledat na fóru · Příspěvky na provoz EB

Vlákno na téma KORONAVIRUS - nutná registrace


Nuke - Elektro Bastlirna: Diskuzní fórum

 FAQFAQ   HledatHledat   Uživatelské skupinyUživatelské skupiny   ProfilProfil   Soukromé zprávySoukromé zprávy   PřihlášeníPřihlášení 

Rada s biasováním tranzistorů v mirofonním zesilovači
Jdi na stránku 1, 2  Další
 
Přidat nové téma   Zaslat odpověď       Obsah fóra Diskuzní fórum Elektro Bastlírny -> Audiotechnika
Zobrazit předchozí téma :: Zobrazit následující téma  
Autor Zpráva
vacek11



Založen: Nov 19, 2014
Příspěvky: 127

PříspěvekZaslal: st duben 02 2025, 8:31    Předmět: Rada s biasováním tranzistorů v mirofonním zesilovači Citovat

Ahoj kolegové,

snažím se zprovoznit mikfonní zesilovač, který zdá se mi nefunguje správně.

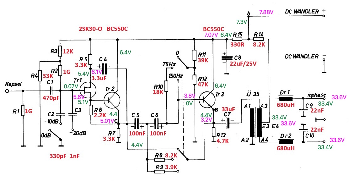
Problém je v tom, že na spoji R14/R15 nejsem schopen dosáhnout vyššího napětí než 7.3V Na tomto místě by mělo být napětí cca kolem 10V. Toto napětí jde pak na desku DC měniče, kde je ma vstupu regulační zener dioda 9V1 a pak dále.... Deska s DC měničem mi funguje zdá se správně (polarizační napětí vedoucí na kapsli je zřejmě poníženo tím, že na vstupu není takové jaké by mělo být).

Myslím, že nemám správně nastaveno předpětí (bias) na tranzistorech Tr2 a Tr3 v zesilovači.

Prosím, jaké napětí bych měl mít v ideálním případě na těchto tranzistorech?

Schéma přiloženo. Zelené hodnoty ve schématu zesilovače jsou naměřeny se všemi přepínači na mikrofonu v poloze nula, kardioda. Fialové hodnoty jsou naměřeny s aktivovaným přepínačem s filtrem na 75Hz, kardioda.

Díky za radu.

V.



zesik.jpg
 Komentář:
 Velikost:  153.6 kB
 Zobrazeno:  170 krát

zesik.jpg



DCmenic.jpg
 Komentář:
 Velikost:  143.08 kB
 Zobrazeno:  95 krát

DCmenic.jpg




Naposledy upravil vacek11 dne st duben 02 2025, 11:43, celkově upraveno 2 krát.
Návrat nahoru
Zobrazit informace o autorovi Odeslat soukromou zprávu
ondraN



Založen: Aug 16, 2022
Příspěvky: 835
Bydliště: Roztoky

PříspěvekZaslal: st duben 02 2025, 8:52    Předmět: Citovat

Pohrál bych si s hodnotami R3 nebo R4 tak, aby na emitoru T2 bylo těch 4,4V a pak by se vidělo, co to udělá dále v řetězci.
Návrat nahoru
Zobrazit informace o autorovi Odeslat soukromou zprávu Odeslat e-mail
Hill
Administrátor


Založen: Sep 10, 2004
Příspěvky: 21038
Bydliště: Jičín, Český ráj

PříspěvekZaslal: st duben 02 2025, 9:06    Předmět: Citovat

Výstupní úroveň je v řádu maximálně desítek mV, neřešil bych to.
Tr3 stejně funguje jen v režimu hlukového filtru, v poloze 0 ho signál obchází, tranzistor Tr3 je zavřený, protože má na emitoru stejné napětí, jaké má na emitoru Tr2, což je víc, než ta nula, kterou má Tr3 na bázi.
Čili v režimu filtr/nefiltr můžou na emitoru Tr3 být různá ss napětí.
Návrat nahoru
Zobrazit informace o autorovi Odeslat soukromou zprávu
vacek11



Založen: Nov 19, 2014
Příspěvky: 127

PříspěvekZaslal: st duben 02 2025, 9:21    Předmět: Citovat

ondraN napsal(a):
Pohrál bych si s hodnotami R3 nebo R4 tak, aby na emitoru T2 bylo těch 4,4V a pak by se vidělo, co to udělá dále v řetězci.


Těch 4.4V už tam právě teď je...
Návrat nahoru
Zobrazit informace o autorovi Odeslat soukromou zprávu
vacek11



Založen: Nov 19, 2014
Příspěvky: 127

PříspěvekZaslal: st duben 02 2025, 9:23    Předmět: Citovat

Hill napsal(a):
Výstupní úroveň je v řádu maximálně desítek mV, neřešil bych to.
Tr3 stejně funguje jen v režimu hlukového filtru, v poloze 0 ho signál obchází, tranzistor Tr3 je zavřený, protože má na emitoru stejné napětí, jaké má na emitoru Tr2, což je víc, než ta nula, kterou má Tr3 na bázi.
Čili v režimu filtr/nefiltr můžou na emitoru Tr3 být různá ss napětí.


Prosím výstupní úroveň čeho?
Návrat nahoru
Zobrazit informace o autorovi Odeslat soukromou zprávu
Hill
Administrátor


Založen: Sep 10, 2004
Příspěvky: 21038
Bydliště: Jičín, Český ráj

PříspěvekZaslal: st duben 02 2025, 9:34    Předmět: Citovat

Když je řeč o úrovni, pak samozřejmě signálu na emitoru Tr2 (nebo Tr3, pokud je zrovna v provozu). Prostě to stejnosměrné napětí je podstatně vyšší, než aby se do něj maximální amplituda signálu nevešla.
Dokonce nemusí být ani polovinou napětí napájecího.
Leda bys do toho foukl, ale to se všeobecně nedělá. A zrovna u Neumanna to první fouknutí může být pro vložku i tím posledním.
Návrat nahoru
Zobrazit informace o autorovi Odeslat soukromou zprávu
vacek11



Založen: Nov 19, 2014
Příspěvky: 127

PříspěvekZaslal: st duben 02 2025, 10:08    Předmět: Citovat

Děkuji za objasnění. Jak tedy ideálně docílit vyššího napětí (přibl. 10V) na vývodu do DC měniče R14/R15? Tím děličem R3/R4?
Návrat nahoru
Zobrazit informace o autorovi Odeslat soukromou zprávu
jardafiala



Založen: Jun 20, 2010
Příspěvky: 2484
Bydliště: Česká Lípa

PříspěvekZaslal: st duben 02 2025, 10:26    Předmět: Citovat

Zmenšením R14 na cca 6k.
Návrat nahoru
Zobrazit informace o autorovi Odeslat soukromou zprávu Odeslat e-mail
samec



Založen: Dec 19, 2017
Příspěvky: 6114

PříspěvekZaslal: st duben 02 2025, 10:43    Předmět: Citovat

Hill napsal(a):
Čili v režimu filtr/nefiltr můžou na emitoru Tr3 být různá ss napětí.
Ak je filter prepnutý na 0, tak R7 a R13 sú paralelne. V inej polohe filtra má každý odpor svoje napätie.

Nie je celý problém náhodou v tom, že je to navrhnuté pre fantóm 48V, alebo aj viac?
Návrat nahoru
Zobrazit informace o autorovi Odeslat soukromou zprávu
vacek11



Založen: Nov 19, 2014
Příspěvky: 127

PříspěvekZaslal: st duben 02 2025, 10:54    Předmět: Citovat

Mikrák snese napájení od 9V do 52V, alespoň dle specifikace.... Samozřejmě já ho chci používat se standardním 48V fantomovým napájením (proto tedy onen R14 8K2 odpor.....).


pht.jpg
 Komentář:
 Velikost:  124.08 kB
 Zobrazeno:  93 krát

pht.jpg


Návrat nahoru
Zobrazit informace o autorovi Odeslat soukromou zprávu
lesana87



Založen: Sep 20, 2014
Příspěvky: 4209

PříspěvekZaslal: st duben 02 2025, 11:29    Předmět: Citovat

vacek11 napsal(a):
Samozřejmě já ho chci používat se standardním 48V fantomovým napájením (proto tedy onen R14 8K2 odpor.....).

Ale máš tam jen 33V, na to je těch 8k2 asi moc, když je spočítanej na 48V.
Návrat nahoru
Zobrazit informace o autorovi Odeslat soukromou zprávu
vacek11



Založen: Nov 19, 2014
Příspěvky: 127

PříspěvekZaslal: st duben 02 2025, 11:46    Předmět: Citovat

No je to originální hodnota odporu R14 ze schématu od AKG. Ty mikráky jsou tímto odporem osazeny.

Jako asi mi tam něco víc žere než zdrávo a proto ten pokles. Zvukovka mi dává na výstupu XLR asi 45-46V.

EDIT: schémata vyměněny za čitelnější printscreeny
Návrat nahoru
Zobrazit informace o autorovi Odeslat soukromou zprávu
masar



Založen: Dec 03, 2005
Příspěvky: 13989

PříspěvekZaslal: st duben 02 2025, 12:06    Předmět: Citovat

vacek11 napsal(a):
...Jak tedy ideálně docílit vyššího napětí (přibl. 10V) na vývodu do DC měniče R14/R15? Tím děličem R3/R4?
Správnou odpověď ti dal jardafiala výše. Je to jen přibližné, protože při +10V v bodě A se začne uplatňovat i Zenerova dioda 9V1, nehledě na charakter zátěže zesilovačem a měničem.
Pokud je požadavek na 10V v bodě A deklarovaný výrobcem (AKG C414?), pak je správnější zjistit, proč je zvýšený odběr proudu zesilovačem (cca 2,5mA). Jeho snížení o cca 0,4mA zvýší napětí v bodě A na hodnotu blízkou požadované. Stávající proud do měniče cca 0,6mA bude zřejmě v pořádku.
Wink
Návrat nahoru
Zobrazit informace o autorovi Odeslat soukromou zprávu Odeslat e-mail
samec



Založen: Dec 19, 2017
Příspěvky: 6114

PříspěvekZaslal: st duben 02 2025, 12:56    Předmět: Citovat

vacek11 napsal(a):
Jako asi mi tam něco víc žere než zdrávo a proto ten pokles. Zvukovka mi dává na výstupu XLR asi 45-46V.
Tak použi kalkulačku a Ohmov zákon. Predeľ napätia odpormi a zistíš, kam ti tečie aký veľký prúd. A keď budeš dôsledný, tak prídeš na to, kde sa ti tratí cca 200µA, čo je necelých 10% celkového prúdu zosilňovača. Možno zvod nejakého elektrolytu a možno len nepresnosť v rámci tolerancii rezistorov a nepresnosti tvojho merania.
Návrat nahoru
Zobrazit informace o autorovi Odeslat soukromou zprávu
vacek11



Založen: Nov 19, 2014
Příspěvky: 127

PříspěvekZaslal: st duben 02 2025, 13:09    Předmět: Citovat

masar napsal(a):
vacek11 napsal(a):
...Jak tedy ideálně docílit vyššího napětí (přibl. 10V) na vývodu do DC měniče R14/R15? Tím děličem R3/R4?
Správnou odpověď ti dal jardafiala výše. Je to jen přibližné, protože při +10V v bodě A se začne uplatňovat i Zenerova dioda 9V1, nehledě na charakter zátěže zesilovačem a měničem.
Pokud je požadavek na 10V v bodě A deklarovaný výrobcem (AKG C414?), pak je správnější zjistit, proč je zvýšený odběr proudu zesilovačem (cca 2,5mA). Jeho snížení o cca 0,4mA zvýší napětí v bodě A na hodnotu blízkou požadované. Stávající proud do měniče cca 0,6mA bude zřejmě v pořádku.
Wink


Těch 10V není deklarováno výrobcem, toť má domněnka (evidentně nesprávná). Ano jde o mikrofon C414EB.
Návrat nahoru
Zobrazit informace o autorovi Odeslat soukromou zprávu
Zobrazit příspěvky z předchozích:   
Přidat nové téma   Zaslat odpověď       Obsah fóra Diskuzní fórum Elektro Bastlírny -> Audiotechnika Časy uváděny v GMT + 1 hodina
Jdi na stránku 1, 2  Další
Strana 1 z 2

 
Přejdi na:  
Nemůžete odesílat nové téma do tohoto fóra.
Nemůžete odpovídat na témata v tomto fóru.
Nemůžete upravovat své příspěvky v tomto fóru.
Nemůžete mazat své příspěvky v tomto fóru.
Nemůžete hlasovat v tomto fóru.
Nemůžete připojovat soubory k příspěvkům
Můžete stahovat a prohlížet přiložené soubory

Powered by phpBB © 2001, 2005 phpBB Group
Forums ©
Nuke - Elektro Bastlirna

Informace na portálu Elektro bastlírny jsou prezentovány za účelem vzdělání čtenářů a rozšíření zájmu o elektroniku. Autoři článků na serveru neberou žádnou zodpovědnost za škody vzniklé těmito zapojeními. Rovněž neberou žádnou odpovědnost za případnou újmu na zdraví vzniklou úrazem elektrickým proudem. Autoři a správci těchto stránek nepřejímají záruku za správnost zveřejněných materiálů. Předkládané informace a zapojení jsou zveřejněny bez ohledu na případné patenty třetích osob. Nároky na odškodnění na základě změn, chyb nebo vynechání jsou zásadně vyloučeny. Všechny registrované nebo jiné obchodní známky zde použité jsou majetkem jejich vlastníků. Uvedením nejsou zpochybněna z toho vyplývající vlastnická práva. Použití konstrukcí v rozporu se zákonem je přísně zakázáno. Vzhledem k tomu, že původ předkládaných materiálů nelze žádným způsobem dohledat, nelze je použít pro komerční účely! Tento nekomerční server nemá z uvedených zapojení či konstrukcí žádný zisk. Nezodpovídáme za pravost předkládaných materiálů třetími osobami a jejich původ. V případě, že zjistíte porušení autorského práva či jiné nesrovnalosti, kontaktujte administrátory na diskuzním fóru EB.


PHP-Nuke Copyright © 2005 by Francisco Burzi. This is free software, and you may redistribute it under the GPL. PHP-Nuke comes with absolutely no warranty, for details, see the license.
Čas potřebný ke zpracování stránky 0.16 sekund