Vítejte na Elektro Bastlírn?
Nuke - Elektro Bastlirna
  Vytvořit účet Hlavní · Fórum · DDump · Profil · Zprávy · Hledat na fóru · Příspěvky na provoz EB

Vlákno na téma KORONAVIRUS - nutná registrace


Nuke - Elektro Bastlirna: Diskuzní fórum

 FAQFAQ   HledatHledat   Uživatelské skupinyUživatelské skupiny   ProfilProfil   Soukromé zprávySoukromé zprávy   PřihlášeníPřihlášení 

Panasonic SA-AK270 nejde zapnout

 
Přidat nové téma   Zaslat odpověď       Obsah fóra Diskuzní fórum Elektro Bastlírny -> Audiotechnika
Zobrazit předchozí téma :: Zobrazit následující téma  
Autor Zpráva
robo



Založen: Apr 08, 2004
Příspěvky: 3470
Bydliště: Brno

PříspěvekZaslal: ne listopad 24 2024, 20:20    Předmět: Panasonic SA-AK270 nejde zapnout Citovat

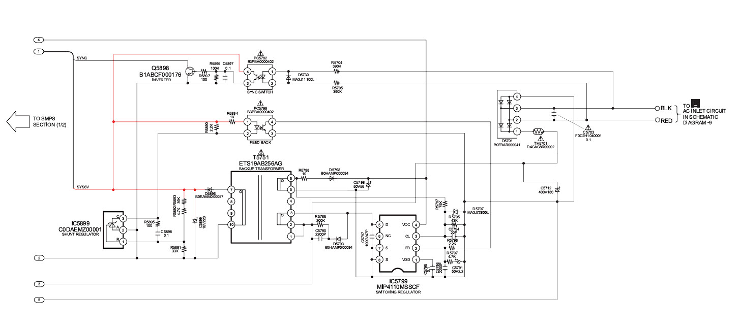
Zdravím a prosím o radu a pomoc. Nejde zapnout, svítí červená pohotovost led. Ani přes DO a ani spínačem. Spínač, membránový, je ok. Na zdroji port CN5802 pin2 je 5.6V jinak je 0. Port H5801 taky nic. Na hlavním elitu je 350V. Elity ok, diody a tranzistory ok. Něco málo z smd jsem taky zkontroloval. Nikde vizuálně nevidím problém. Na edisku je pro všechny zájemce komplet dokumentace. Děkuji

https://www.edisk.cz/stahni/74827/panasonic-sa-ak270-eb-eg-14.93-mb.html/



SMPS CIRCUID.jpg
 Komentář:
 Velikost:  228.63 kB
 Zobrazeno:  85 krát

SMPS CIRCUID.jpg



SMPS 1.jpg
 Komentář:
 Velikost:  94.17 kB
 Zobrazeno:  77 krát

SMPS 1.jpg


Návrat nahoru
Zobrazit informace o autorovi Odeslat soukromou zprávu Odeslat e-mail
VASEK_W



Založen: Dec 11, 2017
Příspěvky: 951
Bydliště: Pelhřimov

PříspěvekZaslal: ne listopad 24 2024, 23:19    Předmět: Citovat

Nejdříve by se podle mne měl rozjet zdroj pomocného napětí tvořený IC5799 a trafíčkem T5751, z toho je to vše dále napájené.

Tak bych se soustředil na ty součástky okolo.

Vašek
Návrat nahoru
Zobrazit informace o autorovi Odeslat soukromou zprávu
rnbw



Založen: Mar 21, 2006
Příspěvky: 36742
Bydliště: Bratislava

PříspěvekZaslal: ne listopad 24 2024, 23:47    Předmět: Citovat

To mu zjavne funguje, inak by mu nesvietilo nic.
Návrat nahoru
Zobrazit informace o autorovi Odeslat soukromou zprávu
Kvicala_r



Založen: Jan 19, 2005
Příspěvky: 3511
Bydliště: Haná / N.J.

PříspěvekZaslal: po listopad 25 2024, 20:58    Předmět: Citovat

Schéma sem nehledal. Ale úplně naslepo - nemá krystal? Kmitá? Už mě tak vyškolil v nějaké Aiwa 32k co řídil hodiny a ona potvora bez něj nechtěla najet.
Svody tlačítek vyloučené?
Návrat nahoru
Zobrazit informace o autorovi Odeslat soukromou zprávu
Zobrazit příspěvky z předchozích:   
Přidat nové téma   Zaslat odpověď       Obsah fóra Diskuzní fórum Elektro Bastlírny -> Audiotechnika Časy uváděny v GMT + 1 hodina
Strana 1 z 1

 
Přejdi na:  
Nemůžete odesílat nové téma do tohoto fóra.
Nemůžete odpovídat na témata v tomto fóru.
Nemůžete upravovat své příspěvky v tomto fóru.
Nemůžete mazat své příspěvky v tomto fóru.
Nemůžete hlasovat v tomto fóru.
Nemůžete připojovat soubory k příspěvkům
Můžete stahovat a prohlížet přiložené soubory

Powered by phpBB © 2001, 2005 phpBB Group
Forums ©
Nuke - Elektro Bastlirna

Informace na portálu Elektro bastlírny jsou prezentovány za účelem vzdělání čtenářů a rozšíření zájmu o elektroniku. Autoři článků na serveru neberou žádnou zodpovědnost za škody vzniklé těmito zapojeními. Rovněž neberou žádnou odpovědnost za případnou újmu na zdraví vzniklou úrazem elektrickým proudem. Autoři a správci těchto stránek nepřejímají záruku za správnost zveřejněných materiálů. Předkládané informace a zapojení jsou zveřejněny bez ohledu na případné patenty třetích osob. Nároky na odškodnění na základě změn, chyb nebo vynechání jsou zásadně vyloučeny. Všechny registrované nebo jiné obchodní známky zde použité jsou majetkem jejich vlastníků. Uvedením nejsou zpochybněna z toho vyplývající vlastnická práva. Použití konstrukcí v rozporu se zákonem je přísně zakázáno. Vzhledem k tomu, že původ předkládaných materiálů nelze žádným způsobem dohledat, nelze je použít pro komerční účely! Tento nekomerční server nemá z uvedených zapojení či konstrukcí žádný zisk. Nezodpovídáme za pravost předkládaných materiálů třetími osobami a jejich původ. V případě, že zjistíte porušení autorského práva či jiné nesrovnalosti, kontaktujte administrátory na diskuzním fóru EB.


PHP-Nuke Copyright © 2005 by Francisco Burzi. This is free software, and you may redistribute it under the GPL. PHP-Nuke comes with absolutely no warranty, for details, see the license.
Čas potřebný ke zpracování stránky 0.17 sekund