Vítejte na Elektro Bastlírn?
Nuke - Elektro Bastlirna
  Vytvořit účet
Hlavní · Fórum · DDump · Profil · Zprávy · Hledat na fóru


Nuke - Elektro Bastlirna: Diskuzní fórum

 FAQFAQ   HledatHledat   Uživatelské skupinyUživatelské skupiny   ProfilProfil   Soukromé zprávySoukromé zprávy   PřihlášeníPřihlášení 

Elektronický plašič myší a jiné havěti.
Jdi na stránku 1, 2, 3, 4  Další
 
Přidat nové téma   Zaslat odpověď       Obsah fóra Diskuzní fórum Elektro Bastlírny -> Poradna
Zobrazit předchozí téma :: Zobrazit následující téma  
Autor Zpráva
Chare



Založen: Aug 09, 2019
Příspěvky: 21

PříspěvekZaslal: so červenec 06 2024, 12:20    Předmět: Elektronický plašič myší a jiné havěti. Citovat

Zdravím. Dostal se mně do rukou od známého podomácku vyrobený plašič. A známý ho chce zkopírovat, protože se nedá prý srovnat s kupovanými. Jediný mu zatím pomáhá. Plošňák jsem nějak zkopíroval, některé součástky již sehnal jen nemám momentálně již plošnák k dispozici a potřebuji poradit s kodovým značením..

Řekněme že R1,R2 modré (bráno z leva) jsou odpory - 5,6MOhm

A ty další 2 nejsem schopný říct jestli jsou to cívky či co. Prosím o radu.

Jinak IO,Kondenzátory, zenerovku atd již mám ..

Děkuji za případné rady ..



IMG20240604112958 (Kopírovat).jpg
 Komentář:
Zapojení
 Velikost:  152.71 kB
 Zobrazeno:  116 krát

IMG20240604112958 (Kopírovat).jpg



IMG20240604113006 (Kopírovat).jpg
 Komentář:
Součástky
 Velikost:  127.79 kB
 Zobrazeno:  234 krát

IMG20240604113006 (Kopírovat).jpg


Návrat nahoru
Zobrazit informace o autorovi Odeslat soukromou zprávu
EKKAR



Založen: Mar 16, 2005
Příspěvky: 35062
Bydliště: Česká Třebová, JN89FW21

PříspěvekZaslal: so červenec 06 2024, 13:08    Předmět: Citovat

To jsou taky odpory, jak hnědej, tak šedobílej - jen jiná výrobní série/typ. Proužky nejsou dobře čitelný, chtělo by to makrofotku. Ale jinak je to tutově dvojitej AKO sbastlenej ze 4 CMOS hradel NAND - jeden je nastavenej na ultrazvukovou frekvenci, druhej ho buď spíná a vypíná, nebo mu přepíná frekvenci - vyšší a nižší.
_________________
Nasliněný prst na svorkovnici domovního rozvaděče: Jó, paninko, máte tam ty Voltíky všecky...
A kutilmile - nelituju tě Mr. Green Mr. Green !!!
Návrat nahoru
Zobrazit informace o autorovi Odeslat soukromou zprávu Odeslat e-mail
Chare



Založen: Aug 09, 2019
Příspěvky: 21

PříspěvekZaslal: so červenec 06 2024, 13:36    Předmět: Citovat

Takt ten hnědý by měl mít: Hnědou,Hnědou,Žlutou,Hnědou
a ten žlutý je: Žlutý,Fialový,Hnědý,Zlatý,Zlatý.

Takže ten IO bez nějakého programovaní nebude fungovat.. ?
Omlouvam se za blbé dotazy, ale zase tomu tak nehovim ..
Návrat nahoru
Zobrazit informace o autorovi Odeslat soukromou zprávu
Valdano



Založen: Jan 01, 2023
Příspěvky: 2893
Bydliště: Česká Lípa

PříspěvekZaslal: so červenec 06 2024, 13:38    Předmět: Citovat

Odpory zkusit orientačně změřit ohmetrem (na multimetru) i když jsou v zapojení.
Hnědý asi 220K (červená,červená,žlutá,červená) nebo 110K (hnědá,hnědá,žlutá,hnědá).
Žlutý asi 880R (šedá,šedá,hnědá,zlatá).
IO obvod CD4011BE to jsou jen obyčejná CMOSková NAND hradla jak už psal EKKAR. Takže funguje bez programování.
Návrat nahoru
Zobrazit informace o autorovi Odeslat soukromou zprávu
EKKAR



Založen: Mar 16, 2005
Příspěvky: 35062
Bydliště: Česká Třebová, JN89FW21

PříspěvekZaslal: so červenec 06 2024, 15:16    Předmět: Citovat

Chare napsal(a):
Takt ten hnědý by měl mít: Hnědou,Hnědou,Žlutou,Hnědou
a ten žlutý je: Žlutý,Fialový,Hnědý,Zlatý,Zlatý.
Takže ten IO bez nějakého programovaní nebude fungovat.. ?
Omlouvam se za blbé dotazy, ale zase tomu tak nehovim ..
Valdano napsal(a):
Odpory zkusit orientačně změřit ohmetrem (na multimetru) i když jsou v zapojení.
Hnědý asi 220K (červená,červená,žlutá,červená) nebo 110K (hnědá,hnědá,žlutá,hnědá).
Žlutý asi 880R (šedá,šedá,hnědá,zlatá).
IO obvod CD4011BE to jsou jen obyčejná CMOSková NAND hradla jak už psal EKKAR. Takže funguje bez programování.
Jestli ten světlej odpor na obrázku napravo má proužky jak napsal Chare "žlutá-fialová-hnědá-zlatá-zlatá", tak to je odpor 47,0Ω s tolerancí ±5%, pokud by prostřední proužek byl ne hnědej, ale původně černej, žádnejch 880R - to by na sobě měl jiný barvy, navíc hodnota 880R není v řadě, určitě ne v těch základních E6-12-24-48-96, zatímco těch 47Ω by odpovídalo odporu paralelně k piezoelementu, aby se uzavíral obvod pro stejnosměrnej proud ...
_________________
Nasliněný prst na svorkovnici domovního rozvaděče: Jó, paninko, máte tam ty Voltíky všecky...
A kutilmile - nelituju tě Mr. Green Mr. Green !!!
Návrat nahoru
Zobrazit informace o autorovi Odeslat soukromou zprávu Odeslat e-mail
Valdano



Založen: Jan 01, 2023
Příspěvky: 2893
Bydliště: Česká Lípa

PříspěvekZaslal: so červenec 06 2024, 15:51    Předmět: Citovat

EKKAR napsal(a):
zatímco těch 47Ω by odpovídalo odporu paralelně k piezoelementu...

Otázkou je jestli ten odpor není spíš v sérii s tím piezo jako R5 na obrázku podobného schématu z AR1/2008.



plasic.png
 Komentář:
 Velikost:  61.99 kB
 Zobrazeno:  84 krát

plasic.png


Návrat nahoru
Zobrazit informace o autorovi Odeslat soukromou zprávu
EKKAR



Založen: Mar 16, 2005
Příspěvky: 35062
Bydliště: Česká Třebová, JN89FW21

PříspěvekZaslal: so červenec 06 2024, 16:18    Předmět: Citovat

Jo, to už jsem taky viděl v nějakým sborníku bastlířskejch návodů ...
_________________
Nasliněný prst na svorkovnici domovního rozvaděče: Jó, paninko, máte tam ty Voltíky všecky...
A kutilmile - nelituju tě Mr. Green Mr. Green !!!
Návrat nahoru
Zobrazit informace o autorovi Odeslat soukromou zprávu Odeslat e-mail
ransom



Založen: Jul 19, 2020
Příspěvky: 3762
Bydliště: Náchod

PříspěvekZaslal: so červenec 06 2024, 16:39    Předmět: Citovat

Kdyby se někomu nechtělo stavět, tak tento plašič sice není úplně levný, ale funguje dobře. Odzkoušeno v opravdu rozlehlém prostoru (stodoly, sklady, zastřešené kurty...)
https://www.format1.cz/plasic-na-mysi-odhanec-na-mysi-plasic-kun-odh1-supermax-s-nahodne-se-menicim-zvukem.html

Obecně - nezáleží ani tak na elektronice, jako na akustickém měniči. Vůbec není od věci použít aspoň piezzo výškovou horničku, nebo i dynamický driver se zvukovodem. Tyhle placaté piezzo elementy nebo miniaturní širokopásmové repráčky mají bídnou účinnost.
Návrat nahoru
Zobrazit informace o autorovi Odeslat soukromou zprávu
Valdano



Založen: Jan 01, 2023
Příspěvky: 2893
Bydliště: Česká Lípa

PříspěvekZaslal: ne červenec 07 2024, 12:20    Předmět: Citovat

Třeba vysokotónový piezo reproduktor PH8 a není ani moc drahý. Pak by to asi chtělo nebudit přímo z hradla, ale dát na výstup spíš tranzistor a u těchto piezo repráků se dává paralelně k němu ještě tlumivka viz obrázek zapojení.


piezo_repro.png
 Komentář:
 Velikost:  1.24 kB
 Zobrazeno:  61 krát

piezo_repro.png


Návrat nahoru
Zobrazit informace o autorovi Odeslat soukromou zprávu
Achab



Založen: Nov 05, 2010
Příspěvky: 6127
Bydliště: okr. Vyškov

PříspěvekZaslal: po červenec 08 2024, 9:13    Předmět: Citovat

ransom napsal(a):
Kdyby se někomu nechtělo stavět, tak tento plašič sice není úplně levný, ale funguje dobře.
https://www.format1.cz/plasic-na-mysi-odhanec-na-mysi-plasic-kun-odh1-supermax-s-nahodne-se-menicim-zvukem.html

Plašič z odkazu asi nebude účinný ve všech případech. Soused si to koupil na kuny a účinnost údajně žádná (půda cca 4 × 15 m). I v recenzích jsou některá hodnocení negativní (možná částečně z důvodu nevhodného použití).

Určitě nefunguje jeden stálý kmitočet. Známý zkoušel delší dobu sinusový generátor se zesilovačem, postupně přes celé NF pásmo. Plašilo to pouze psa a ten si za pár dní zvykl.
Návrat nahoru
Zobrazit informace o autorovi Odeslat soukromou zprávu
Chare



Založen: Aug 09, 2019
Příspěvky: 21

PříspěvekZaslal: út červenec 16 2024, 14:00    Předmět: Citovat

Tak jsem znameho o5 pozadal o pujceni a vzdy 1 stranu R odpajel a meril .. U modrého jsem nameril 6,5MOhm i kdyz podle tabulky (zelena,modra,zelena,zlata)je 5,6Mohm.

U hnedeho jsem nameril 110kOhm coz sedi i tabulkove (hneda,hneda,zluta,hneda)

Ale zluty odpor se mne proste nenecha zmerit.. Nvm jestli je to rukama nebo cim .. Very Happy posilam makro fotku.. Prouzky (zluta,fialova,hneda,stribrna,stribrna) Mereno Uni-T UT39A rozsahem 200M



IMG20240716144434 (Kopírovat).jpg
 Komentář:
 Velikost:  47.37 kB
 Zobrazeno:  55 krát

IMG20240716144434 (Kopírovat).jpg



IMG20240716145204 (Kopírovat).jpg
 Komentář:
 Velikost:  47.09 kB
 Zobrazeno:  59 krát

IMG20240716145204 (Kopírovat).jpg



IMG20240716145256 (Kopírovat).jpg
 Komentář:
 Velikost:  44.15 kB
 Zobrazeno:  51 krát

IMG20240716145256 (Kopírovat).jpg


Návrat nahoru
Zobrazit informace o autorovi Odeslat soukromou zprávu
samponek



Založen: May 11, 2015
Příspěvky: 3907

PříspěvekZaslal: út červenec 16 2024, 14:12    Předmět: Citovat

Nedaří, protože je to tlumivka, která je přerušená ( utržená vevnitř, poškozená při vypajovaní)
Musíš dát novou tlumivku 4u7.
Návrat nahoru
Zobrazit informace o autorovi Odeslat soukromou zprávu
masar



Založen: Dec 03, 2005
Příspěvky: 14009

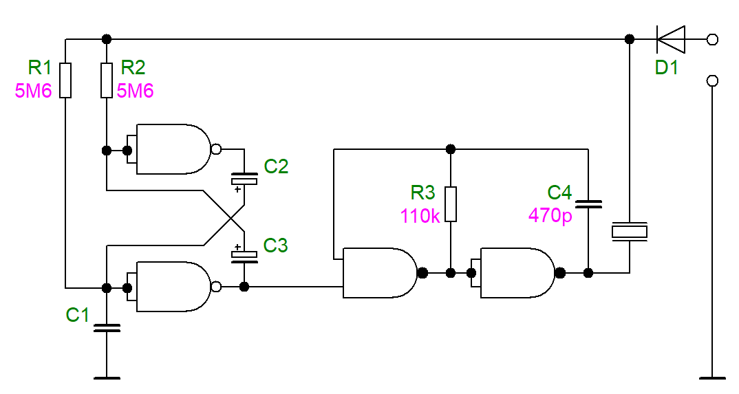
PříspěvekZaslal: út červenec 16 2024, 16:55    Předmět: Citovat

Není to tlumivka. Je to kondenzátor ve zpětné vazbě hradla v klasickém zapojení s hradly NAND. Má kapacitu 470pF.
Není totiž těžké z dodaných fotek nakreslit schema této klasiky.
S odporem 110kΩ zajišťuje chod v oblasti kolem 7÷8kHz (podle simulátoru).
První dvě hradla pracují jako pomaluběžný multivibrátor (odpory 5.6M a elektrolyty), který v daných intervalech připojuje 7kHz-ovou část.
Zenerova dioda v propustném směru se tam zřejmě uplatňuje pouze jako nějaká ochrana (pokud to Zenerova dioda je).
Keramický polštářek tam bude mít za cíl jen usnadnění startovacích podmínek.
A je fakt, že měřit 470pF ohmetrem, bude Charemu "působit jisté obtíže"...
(asi jako překlad věty "vlk nese domovníkovi psaní...")
Wink



1.png
 Komentář:
 Velikost:  18.68 kB
 Zobrazeno:  60 krát

1.png




Naposledy upravil masar dne út červenec 16 2024, 18:16, celkově upraveno 1 krát.
Návrat nahoru
Zobrazit informace o autorovi Odeslat soukromou zprávu Odeslat e-mail
samponek



Založen: May 11, 2015
Příspěvky: 3907

PříspěvekZaslal: út červenec 16 2024, 17:24    Předmět: Citovat

Aha, na malé zelené kondíky jsem zapomněl Embarassed
Návrat nahoru
Zobrazit informace o autorovi Odeslat soukromou zprávu
Chare



Založen: Aug 09, 2019
Příspěvky: 21

PříspěvekZaslal: st červenec 17 2024, 9:52    Předmět: Citovat

Oka diky za rady a tipy.. Ještě jsem neviděl takovýto kondenzátor, tvarově a barevně značený jako odpor. Nicméně to vysvětluje že nejde změřit ohmetrem.. Smile
Návrat nahoru
Zobrazit informace o autorovi Odeslat soukromou zprávu
Zobrazit příspěvky z předchozích:   
Přidat nové téma   Zaslat odpověď       Obsah fóra Diskuzní fórum Elektro Bastlírny -> Poradna Časy uváděny v GMT + 1 hodina
Jdi na stránku 1, 2, 3, 4  Další
Strana 1 z 4

 
Přejdi na:  
Nemůžete odesílat nové téma do tohoto fóra.
Nemůžete odpovídat na témata v tomto fóru.
Nemůžete upravovat své příspěvky v tomto fóru.
Nemůžete mazat své příspěvky v tomto fóru.
Nemůžete hlasovat v tomto fóru.
Nemůžete připojovat soubory k příspěvkům
Můžete stahovat a prohlížet přiložené soubory

Powered by phpBB © 2001, 2005 phpBB Group
Forums ©
Nuke - Elektro Bastlirna

Informace na portálu Elektro bastlírny jsou prezentovány za účelem vzdělání čtenářů a rozšíření zájmu o elektroniku. Autoři článků na serveru neberou žádnou zodpovědnost za škody vzniklé těmito zapojeními. Rovněž neberou žádnou odpovědnost za případnou újmu na zdraví vzniklou úrazem elektrickým proudem. Autoři a správci těchto stránek nepřejímají záruku za správnost zveřejněných materiálů. Předkládané informace a zapojení jsou zveřejněny bez ohledu na případné patenty třetích osob. Nároky na odškodnění na základě změn, chyb nebo vynechání jsou zásadně vyloučeny. Všechny registrované nebo jiné obchodní známky zde použité jsou majetkem jejich vlastníků. Uvedením nejsou zpochybněna z toho vyplývající vlastnická práva. Použití konstrukcí v rozporu se zákonem je přísně zakázáno. Vzhledem k tomu, že původ předkládaných materiálů nelze žádným způsobem dohledat, nelze je použít pro komerční účely! Tento nekomerční server nemá z uvedených zapojení či konstrukcí žádný zisk. Nezodpovídáme za pravost předkládaných materiálů třetími osobami a jejich původ. V případě, že zjistíte porušení autorského práva či jiné nesrovnalosti, kontaktujte administrátory na diskuzním fóru EB.


PHP-Nuke Copyright © 2005 by Francisco Burzi. This is free software, and you may redistribute it under the GPL. PHP-Nuke comes with absolutely no warranty, for details, see the license.
Čas potřebný ke zpracování stránky 0.16 sekund