Vítejte na Elektro Bastlírn?
Nuke - Elektro Bastlirna
  Vytvořit účet Hlavní · Fórum · DDump · Profil · Zprávy · Hledat na fóru · Příspěvky na provoz EB

Vlákno na téma KORONAVIRUS - nutná registrace


Nuke - Elektro Bastlirna: Diskuzní fórum

 FAQFAQ   HledatHledat   Uživatelské skupinyUživatelské skupiny   ProfilProfil   Soukromé zprávySoukromé zprávy   PřihlášeníPřihlášení 

Tesla SM 580
Jdi na stránku Předchozí  1, 2, 3, 4, 5, 6  Další
 
Přidat nové téma   Zaslat odpověď       Obsah fóra Diskuzní fórum Elektro Bastlírny -> Audiotechnika
Zobrazit předchozí téma :: Zobrazit následující téma  
Autor Zpráva
medik16



Založen: Jul 04, 2021
Příspěvky: 15

PříspěvekZaslal: pá duben 05 2024, 18:09    Předmět: Citovat

Tak vstupy adresa:
A-0,07v
B-1,7V
C-0,07v
D-0,07v
E-0,07v
přímé napájení 4,8V
Návrat nahoru
Zobrazit informace o autorovi Odeslat soukromou zprávu
xsc



Založen: Sep 25, 2014
Příspěvky: 8378

PříspěvekZaslal: pá duben 05 2024, 18:14    Předmět: Citovat

Takže B je špatně Smile C9 nebo IO1?
Návrat nahoru
Zobrazit informace o autorovi Odeslat soukromou zprávu
masar



Založen: Dec 03, 2005
Příspěvky: 13873

PříspěvekZaslal: pá duben 05 2024, 18:22    Předmět: Citovat

Blíží se konec sázek....C9.Smile
Návrat nahoru
Zobrazit informace o autorovi Odeslat soukromou zprávu Odeslat e-mail
xsc



Založen: Sep 25, 2014
Příspěvky: 8378

PříspěvekZaslal: pá duben 05 2024, 18:35    Předmět: Citovat

Já taky sázím na C9 Smile
Návrat nahoru
Zobrazit informace o autorovi Odeslat soukromou zprávu
lubos1961



Založen: Jul 20, 2010
Příspěvky: 446
Bydliště: Nový Jičín

PříspěvekZaslal: pá duben 05 2024, 19:05    Předmět: Citovat

Ten výstup IO1 může být zatížen až 16mA a i kdyby ten kondenzátor C9 byl ve zkratu, tak to zatíží maximálně 6mA, což by tomu IO1 vůbec nevadilo
Návrat nahoru
Zobrazit informace o autorovi Odeslat soukromou zprávu
masar



Založen: Dec 03, 2005
Příspěvky: 13873

PříspěvekZaslal: pá duben 05 2024, 19:12    Předmět: Citovat

Správná úvaha...asi jsem vsadil blbě.
Wink
Návrat nahoru
Zobrazit informace o autorovi Odeslat soukromou zprávu Odeslat e-mail
lubos1961



Založen: Jul 20, 2010
Příspěvky: 446
Bydliště: Nový Jičín

PříspěvekZaslal: pá duben 05 2024, 19:14    Předmět: Citovat

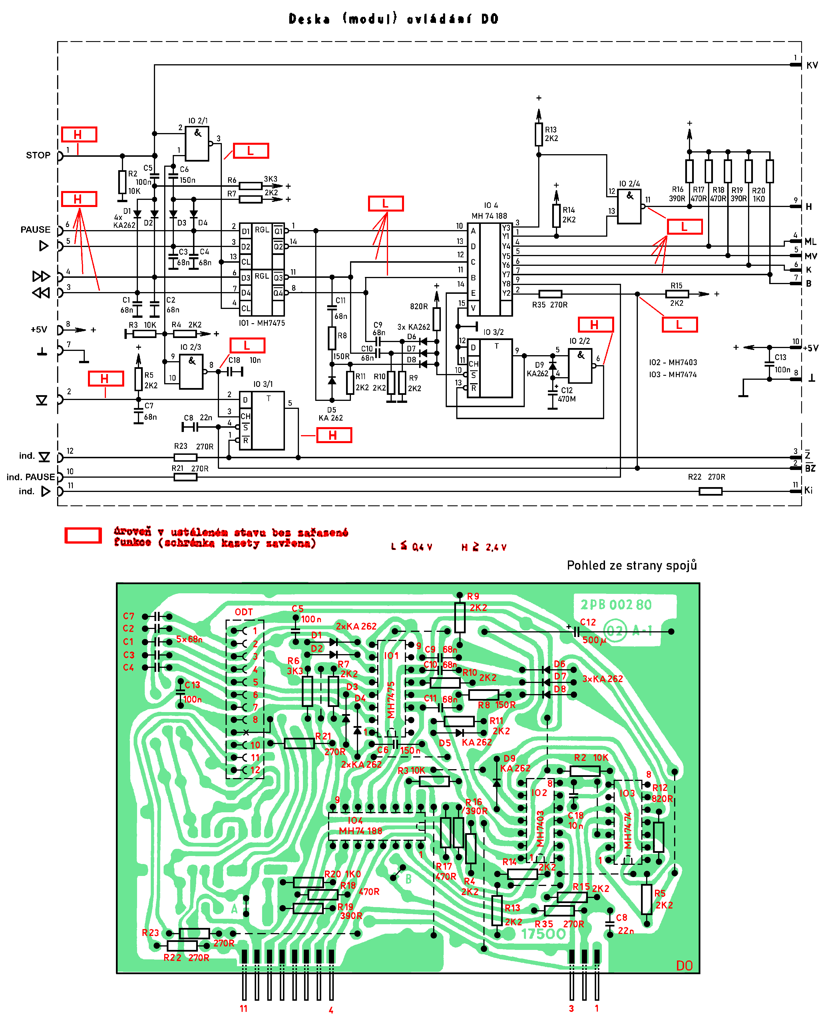
Mimochodem, takle má vypadat pěkné schéma


Modul DO schéma.png
 Komentář:
 Velikost:  166.01 kB
 Zobrazeno:  139 krát

Modul DO schéma.png




Naposledy upravil lubos1961 dne pá duben 05 2024, 19:20, celkově upraveno 1 krát.
Návrat nahoru
Zobrazit informace o autorovi Odeslat soukromou zprávu
lubos1961



Založen: Jul 20, 2010
Příspěvky: 446
Bydliště: Nový Jičín

PříspěvekZaslal: pá duben 05 2024, 19:15    Předmět: Citovat

A takle plošný spoj


Modul DO Plošný spoj.png
 Komentář:
 Velikost:  116.4 kB
 Zobrazeno:  85 krát

Modul DO Plošný spoj.png


Návrat nahoru
Zobrazit informace o autorovi Odeslat soukromou zprávu
danhard



Založen: Mar 05, 2007
Příspěvky: 6456
Bydliště: Jesenice u Prahy

PříspěvekZaslal: pá duben 05 2024, 20:00    Předmět: Citovat

Podívej se na oba konce R31 390R.

Luboš 1961, výstupní proud 16mA může být u TTL ve stavu L, ale nemůžeš tak zatížit stav H !
Návrat nahoru
Zobrazit informace o autorovi Odeslat soukromou zprávu Odeslat e-mail
masar



Založen: Dec 03, 2005
Příspěvky: 13873

PříspěvekZaslal: pá duben 05 2024, 21:03    Předmět: Citovat

Můžeš to trochu rozvést? Co s tím má dělat R31? Q4=B=log0...
...nebo, Rozárko, ty myslíš...že na vstupu D4 se vyfotila log0?
Wink


Naposledy upravil masar dne pá duben 05 2024, 21:25, celkově upraveno 1 krát.
Návrat nahoru
Zobrazit informace o autorovi Odeslat soukromou zprávu Odeslat e-mail
danhard



Založen: Mar 05, 2007
Příspěvky: 6456
Bydliště: Jesenice u Prahy

PříspěvekZaslal: pá duben 05 2024, 21:23    Předmět: Citovat

No uvídí, jestli mu tudy teče pryč nějaký proud Very Happy

Vůbec neřeším, jaká tam má být logická úrověň, ale je tam blbá hodnota a to má nějakou příčinu.
Návrat nahoru
Zobrazit informace o autorovi Odeslat soukromou zprávu Odeslat e-mail
masar



Založen: Dec 03, 2005
Příspěvky: 13873

PříspěvekZaslal: pá duben 05 2024, 21:35    Předmět: Citovat

Kdyby proud přes R31 přetěžoval log1 na Q4, byly by to závady dvě, ne?
No, dočkejme času...
Wink
Návrat nahoru
Zobrazit informace o autorovi Odeslat soukromou zprávu Odeslat e-mail
danhard



Založen: Mar 05, 2007
Příspěvky: 6456
Bydliště: Jesenice u Prahy

PříspěvekZaslal: pá duben 05 2024, 22:09    Předmět: Citovat

Při tý pochybný logice, co tam je, nevíš co co způsobí.
Ale když tam má jednu jasnou pochybnost, tak je zapotřebí zjistit, co to způsobuje.
Návrat nahoru
Zobrazit informace o autorovi Odeslat soukromou zprávu Odeslat e-mail
lubos1961



Založen: Jul 20, 2010
Příspěvky: 446
Bydliště: Nový Jičín

PříspěvekZaslal: so duben 06 2024, 6:35    Předmět: Citovat

No já si hlavně myslím že tam ani žádný R31 osazen nebude, neboť to je pro funkci Auto Play a u této věže není ani žádný ovládací spínač, takže tam bude ta zjednodušená ovládací deska z SM 260


Modul DO SM260.png
 Komentář:
 Velikost:  164.33 kB
 Zobrazeno:  94 krát

Modul DO SM260.png


Návrat nahoru
Zobrazit informace o autorovi Odeslat soukromou zprávu
masar



Založen: Dec 03, 2005
Příspěvky: 13873

PříspěvekZaslal: so duben 06 2024, 7:06    Předmět: Citovat

Pěkný schémátka máš...kua, kdes byl?
Wink
Návrat nahoru
Zobrazit informace o autorovi Odeslat soukromou zprávu Odeslat e-mail
Zobrazit příspěvky z předchozích:   
Přidat nové téma   Zaslat odpověď       Obsah fóra Diskuzní fórum Elektro Bastlírny -> Audiotechnika Časy uváděny v GMT + 1 hodina
Jdi na stránku Předchozí  1, 2, 3, 4, 5, 6  Další
Strana 4 z 6

 
Přejdi na:  
Nemůžete odesílat nové téma do tohoto fóra.
Nemůžete odpovídat na témata v tomto fóru.
Nemůžete upravovat své příspěvky v tomto fóru.
Nemůžete mazat své příspěvky v tomto fóru.
Nemůžete hlasovat v tomto fóru.
Nemůžete připojovat soubory k příspěvkům
Můžete stahovat a prohlížet přiložené soubory

Powered by phpBB © 2001, 2005 phpBB Group
Forums ©
Nuke - Elektro Bastlirna

Informace na portálu Elektro bastlírny jsou prezentovány za účelem vzdělání čtenářů a rozšíření zájmu o elektroniku. Autoři článků na serveru neberou žádnou zodpovědnost za škody vzniklé těmito zapojeními. Rovněž neberou žádnou odpovědnost za případnou újmu na zdraví vzniklou úrazem elektrickým proudem. Autoři a správci těchto stránek nepřejímají záruku za správnost zveřejněných materiálů. Předkládané informace a zapojení jsou zveřejněny bez ohledu na případné patenty třetích osob. Nároky na odškodnění na základě změn, chyb nebo vynechání jsou zásadně vyloučeny. Všechny registrované nebo jiné obchodní známky zde použité jsou majetkem jejich vlastníků. Uvedením nejsou zpochybněna z toho vyplývající vlastnická práva. Použití konstrukcí v rozporu se zákonem je přísně zakázáno. Vzhledem k tomu, že původ předkládaných materiálů nelze žádným způsobem dohledat, nelze je použít pro komerční účely! Tento nekomerční server nemá z uvedených zapojení či konstrukcí žádný zisk. Nezodpovídáme za pravost předkládaných materiálů třetími osobami a jejich původ. V případě, že zjistíte porušení autorského práva či jiné nesrovnalosti, kontaktujte administrátory na diskuzním fóru EB.


PHP-Nuke Copyright © 2005 by Francisco Burzi. This is free software, and you may redistribute it under the GPL. PHP-Nuke comes with absolutely no warranty, for details, see the license.
Čas potřebný ke zpracování stránky 0.24 sekund