Vítejte na Elektro Bastlírn?
Nuke - Elektro Bastlirna
  Vytvořit účet Hlavní · Fórum · DDump · Profil · Zprávy · Hledat na fóru · Příspěvky na provoz EB

Vlákno na téma KORONAVIRUS - nutná registrace


Nuke - Elektro Bastlirna: Diskuzní fórum

 FAQFAQ   HledatHledat   Uživatelské skupinyUživatelské skupiny   ProfilProfil   Soukromé zprávySoukromé zprávy   PřihlášeníPřihlášení 

SSR1013L
Jdi na stránku Předchozí  1, 2
 
Přidat nové téma   Zaslat odpověď       Obsah fóra Diskuzní fórum Elektro Bastlírny -> Součástky
Zobrazit předchozí téma :: Zobrazit následující téma  
Autor Zpráva
BOBOBO
Doporučuje se dohled moderátorů


Založen: Feb 25, 2008
Příspěvky: 20373
Bydliště: Rychnovsko

PříspěvekZaslal: st leden 25 2023, 11:37    Předmět: Citovat

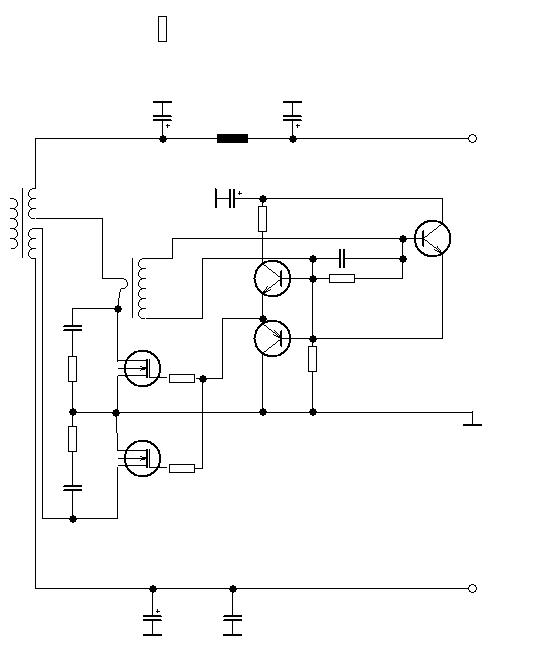
Náčrt


Packard zdroj.png
 Komentář:
 Velikost:  2.05 kB
 Zobrazeno:  53 krát

Packard zdroj.png


Návrat nahoru
Zobrazit informace o autorovi Odeslat soukromou zprávu
Zaky



Založen: Oct 30, 2010
Příspěvky: 6945
Bydliště: Praha

PříspěvekZaslal: st leden 25 2023, 15:01    Předmět: Citovat

JirkaZ napsal(a):

Neexistuje to samozřejmě jako jeden prvek (ve smyslu polovodičové struktury), ale existuje jako zapojení, modul či IO. Tady jde pouze o terminologii, nic víc...



Chápu to velmi dobře, bez obav. Jak to funguje i proč je to tak udělané a je to udělané do takového pouzdra a s takovým rozložením vývodů. Prostě proto, aby se to dalo použít jako přímá náhrada schottky diody Smile na místě usměrňovače spínaného zdroje s cílem minimalizovat ztráty způsobené na Uf diody, tak, jak to Číňan v datasheetu taky píše. To, že je to řízený usměrňovač, tedy detektor polarity, gatedriver a mosfet a celé je to zkrátka ne úplně jednoduchý integrovaný obvod je mi jasné.
A nejspíš to tazatel vůbec nemá vadné.

_________________
Krátce před tím, než se to rozbilo, tak to ještě fungovalo...
Návrat nahoru
Zobrazit informace o autorovi Odeslat soukromou zprávu
JirkaZ



Založen: Feb 26, 2021
Příspěvky: 3688

PříspěvekZaslal: st leden 25 2023, 15:05    Předmět: Citovat

Jo pokud jsi myslel především mechanickou náhradu, tak pak to snad tak lze chápat.
_________________
Kdo chce, hledá způsob;
kdo ne - hledá důvod.

Ze dvou možností často volím tu třetí.
Návrat nahoru
Zobrazit informace o autorovi Odeslat soukromou zprávu
Zaky



Založen: Oct 30, 2010
Příspěvky: 6945
Bydliště: Praha

PříspěvekZaslal: st leden 25 2023, 16:12    Předmět: Citovat

Jistěže tak, že je to součástka plácnutelná do zdroje na místo schottky diody. Mají to právě tak namalované i v tom datasheetu. A přijde mi to i dobrý počin, udělat takový prvek. Beze změny designu stávajícího zařízení ji lze rovnou použít.
_________________
Krátce před tím, než se to rozbilo, tak to ještě fungovalo...
Návrat nahoru
Zobrazit informace o autorovi Odeslat soukromou zprávu
BOBOBO
Doporučuje se dohled moderátorů


Založen: Feb 25, 2008
Příspěvky: 20373
Bydliště: Rychnovsko

PříspěvekZaslal: st leden 25 2023, 16:46    Předmět: Citovat

No jestli někdo dá na to , že je to náhrada zdrojové shotky duodiody , tak to odpláče . Zdroje z PC , kde jaksi bývá na 99% dělené vinutí a zkrat mezi nohou 1a3 rozhodně nerozchodí . Takže NENÍ to náhrada duodiody , ale specielní prvek , který se jentak nevidí .
Návrat nahoru
Zobrazit informace o autorovi Odeslat soukromou zprávu
Zaky



Založen: Oct 30, 2010
Příspěvky: 6945
Bydliště: Praha

PříspěvekZaslal: st leden 25 2023, 16:51    Předmět: Citovat

Když někdo na něco dá místo toho, aby se podíval do datasheetu, tak se pak nemůže divit Smile
_________________
Krátce před tím, než se to rozbilo, tak to ještě fungovalo...
Návrat nahoru
Zobrazit informace o autorovi Odeslat soukromou zprávu
BOBOBO
Doporučuje se dohled moderátorů


Založen: Feb 25, 2008
Příspěvky: 20373
Bydliště: Rychnovsko

PříspěvekZaslal: st leden 25 2023, 17:19    Předmět: Citovat

Proč to obcházíš , je to hloupé , NENÍ to náhrada dvoudiody . Oprav si to .
Návrat nahoru
Zobrazit informace o autorovi Odeslat soukromou zprávu
Zaky



Založen: Oct 30, 2010
Příspěvky: 6945
Bydliště: Praha

PříspěvekZaslal: st leden 25 2023, 17:30    Předmět: Citovat

Upraveno, námitka proti té dvojitosti je plně na místě.
_________________
Krátce před tím, než se to rozbilo, tak to ještě fungovalo...
Návrat nahoru
Zobrazit informace o autorovi Odeslat soukromou zprávu
patrikvarga



Založen: Apr 24, 2007
Příspěvky: 1265

PříspěvekZaslal: st leden 25 2023, 17:44    Předmět: Citovat

http://www.ebastlirna.cz/modules.php?name=Forums&file=viewtopic&t=100214&highlight=
Návrat nahoru
Zobrazit informace o autorovi Odeslat soukromou zprávu
Zobrazit příspěvky z předchozích:   
Přidat nové téma   Zaslat odpověď       Obsah fóra Diskuzní fórum Elektro Bastlírny -> Součástky Časy uváděny v GMT + 1 hodina
Jdi na stránku Předchozí  1, 2
Strana 2 z 2

 
Přejdi na:  
Nemůžete odesílat nové téma do tohoto fóra.
Nemůžete odpovídat na témata v tomto fóru.
Nemůžete upravovat své příspěvky v tomto fóru.
Nemůžete mazat své příspěvky v tomto fóru.
Nemůžete hlasovat v tomto fóru.
Nemůžete připojovat soubory k příspěvkům
Můžete stahovat a prohlížet přiložené soubory

Powered by phpBB © 2001, 2005 phpBB Group
Forums ©
Nuke - Elektro Bastlirna

Informace na portálu Elektro bastlírny jsou prezentovány za účelem vzdělání čtenářů a rozšíření zájmu o elektroniku. Autoři článků na serveru neberou žádnou zodpovědnost za škody vzniklé těmito zapojeními. Rovněž neberou žádnou odpovědnost za případnou újmu na zdraví vzniklou úrazem elektrickým proudem. Autoři a správci těchto stránek nepřejímají záruku za správnost zveřejněných materiálů. Předkládané informace a zapojení jsou zveřejněny bez ohledu na případné patenty třetích osob. Nároky na odškodnění na základě změn, chyb nebo vynechání jsou zásadně vyloučeny. Všechny registrované nebo jiné obchodní známky zde použité jsou majetkem jejich vlastníků. Uvedením nejsou zpochybněna z toho vyplývající vlastnická práva. Použití konstrukcí v rozporu se zákonem je přísně zakázáno. Vzhledem k tomu, že původ předkládaných materiálů nelze žádným způsobem dohledat, nelze je použít pro komerční účely! Tento nekomerční server nemá z uvedených zapojení či konstrukcí žádný zisk. Nezodpovídáme za pravost předkládaných materiálů třetími osobami a jejich původ. V případě, že zjistíte porušení autorského práva či jiné nesrovnalosti, kontaktujte administrátory na diskuzním fóru EB.


PHP-Nuke Copyright © 2005 by Francisco Burzi. This is free software, and you may redistribute it under the GPL. PHP-Nuke comes with absolutely no warranty, for details, see the license.
Čas potřebný ke zpracování stránky 0.25 sekund