Vítejte na Elektro Bastlírn?
Nuke - Elektro Bastlirna
  Vytvořit účet
Hlavní · Fórum · DDump · Profil · Zprávy · Hledat na fóru


Nuke - Elektro Bastlirna: Diskuzní fórum

 FAQFAQ   HledatHledat   Uživatelské skupinyUživatelské skupiny   ProfilProfil   Soukromé zprávySoukromé zprávy   PřihlášeníPřihlášení 

Nehrající repráky+Tesla 820 A
Jdi na stránku Předchozí  1, 2
 
Přidat nové téma   Zaslat odpověď       Obsah fóra Diskuzní fórum Elektro Bastlírny -> Audiotechnika
Zobrazit předchozí téma :: Zobrazit následující téma  
Autor Zpráva
masar



Založen: Dec 03, 2005
Příspěvky: 14183

PříspěvekZaslal: čt březen 27 2025, 22:38    Předmět: Citovat

Takže neplatí, co jsi psal ráno.
Nejprve zjisti, jestli chybu způsobuje jen jedna nebo obě desky L. Pokud obě desky, může být chyba v napětích +30V/-30V pro desky, která způsobí nadměrný ofset na výstupu. Pokud je vadná jen jedna, lze porovnávat naměřená napětí v různých bodech obou desek a tak lokalizovat místo závady.
Wink
Návrat nahoru
Zobrazit informace o autorovi Odeslat soukromou zprávu Odeslat e-mail
cybernetic



Založen: Mar 26, 2025
Příspěvky: 7
Bydliště: PO

PříspěvekZaslal: pá březen 28 2025, 7:20    Předmět: Citovat

masar
veru neplati,moja chyba.. pri radiu som nezaregistroval cvaknutie rele Embarassed

skusil som dosky L zasunut postupne po jednej,.. rele necvaklo,takze bud su obidve dosky chybne alebo ....
rele zopne len bez dosiek...

-meranie U na C3,C4 : + 34,68 V, - 34,68 V

-dosky L su este povôdne ,bez vymeny kondenzatorov..pomenim to vsetko Very Happy



Screenshot 2025-03-28 at 07-10-31 Tesla 820 prilohy.pdf.png
 Komentář:
 Velikost:  250.71 kB
 Zobrazeno:  91 krát

Screenshot 2025-03-28 at 07-10-31 Tesla 820 prilohy.pdf.png


Návrat nahoru
Zobrazit informace o autorovi Odeslat soukromou zprávu
masar



Založen: Dec 03, 2005
Příspěvky: 14183

PříspěvekZaslal: pá březen 28 2025, 8:57    Předmět: Citovat

Vyměň jen C1, C8 a C9 (hovňáky) a změř napětí na výstupu (ofset). Když poměníš všechno, zůstane příčina utajena.
Wink
Návrat nahoru
Zobrazit informace o autorovi Odeslat soukromou zprávu Odeslat e-mail
TheLastUnicorn



Založen: Jan 17, 2018
Příspěvky: 545
Bydliště: Trenčín

PříspěvekZaslal: pá březen 28 2025, 14:57    Předmět: Citovat

Hlavně to poměnění všeho nemusí vůbec pomoct. Měření DC na výstupu je první věc, která se má udělat, pokud nechce sepnout výstupní relé. Člověk, který umí sebejistě a hlavně kompetentně vyhlásit, že výkonové zesilovače jsou v pořádku, musí umět bez problémů najít problém na primitivním zapojení ochrany i bez nějakýho diskuzního fóra.
Návrat nahoru
Zobrazit informace o autorovi Odeslat soukromou zprávu
cybernetic



Založen: Mar 26, 2025
Příspěvky: 7
Bydliště: PO

PříspěvekZaslal: pá březen 28 2025, 19:29    Předmět: Citovat

dosky L su premerane,od tranzistorov po odpory + dnes prebehla vymena/postupna/ CI,C8 a C9

dosky po vymene zasunute postupne do Z26 a Z27 rele s doskami nezoplo---bez dosiek rele zopne...
,tak pokracujem v "patrani" Smile


Naposledy upravil cybernetic dne pá březen 28 2025, 19:57, celkově upraveno 1 krát.
Návrat nahoru
Zobrazit informace o autorovi Odeslat soukromou zprávu
masar



Založen: Dec 03, 2005
Příspěvky: 14183

PříspěvekZaslal: pá březen 28 2025, 19:41    Předmět: Citovat

Výstupní napětí...Výstupní napětí...Výstupní napětí...Výstupní napětí...
Wink



Ofset.png
 Komentář:
 Velikost:  36.8 kB
 Zobrazeno:  126 krát

Ofset.png


Návrat nahoru
Zobrazit informace o autorovi Odeslat soukromou zprávu Odeslat e-mail
vlastoTN



Založen: Oct 06, 2017
Příspěvky: 158

PříspěvekZaslal: pá březen 28 2025, 20:52    Předmět: Citovat

Je tam jedna ochrana pre oba k.stupne takže najskôr zisti ktorý stupeň je ten ktorý nedovolí relé zopnút.. skúsil by som postupne odpojiť iba č2 tej koncovky
Návrat nahoru
Zobrazit informace o autorovi Odeslat soukromou zprávu
masar



Založen: Dec 03, 2005
Příspěvky: 14183

PříspěvekZaslal: pá březen 28 2025, 22:33    Předmět: Citovat

>vlastoTN: Psal, že žádný z obou modulů "L" nespíná relé. Odpojit jen pin č.2 je totéž, jako odpojit celý konektor Z26 (Z27).
První co musí udělat, je změřit !konečně! to dc napětí na výstupu každého modulu (pinu č. 2 konektoru).
Wink
Návrat nahoru
Zobrazit informace o autorovi Odeslat soukromou zprávu Odeslat e-mail
TheLastUnicorn



Založen: Jan 17, 2018
Příspěvky: 545
Bydliště: Trenčín

PříspěvekZaslal: so březen 29 2025, 9:18    Předmět: Citovat

By mě taky zajímalo, jak měřil ty tranzistory. Vsadím se, že diodovým testem, nebo podobně. Jenže taková uhlá beta třeba v diferáku umí taky nadělat pěknou paseku...a o velikosti DC na výstupech konců pořád nic nevíme...
Návrat nahoru
Zobrazit informace o autorovi Odeslat soukromou zprávu
cybernetic



Založen: Mar 26, 2025
Příspěvky: 7
Bydliště: PO

PříspěvekZaslal: so březen 29 2025, 9:31    Předmět: Citovat

napatie na "2" Z 26 a Z27 /bez" L"/ 0,0 V

po zasunuti "L" napr. do Z26 nemerane na "2" 0,6 V
Návrat nahoru
Zobrazit informace o autorovi Odeslat soukromou zprávu
xsc



Založen: Sep 25, 2014
Příspěvky: 8665

PříspěvekZaslal: so březen 29 2025, 9:48    Předmět: Citovat

U obou modulů stejné napětí na 2? Zkontroluj symetrii zdroje. A jaké napětí máš na bázích T1 modulů L?
Návrat nahoru
Zobrazit informace o autorovi Odeslat soukromou zprávu
Hill
Administrátor


Založen: Sep 10, 2004
Příspěvky: 21250
Bydliště: Jičín, Český ráj

PříspěvekZaslal: so březen 29 2025, 12:59    Předmět: Citovat

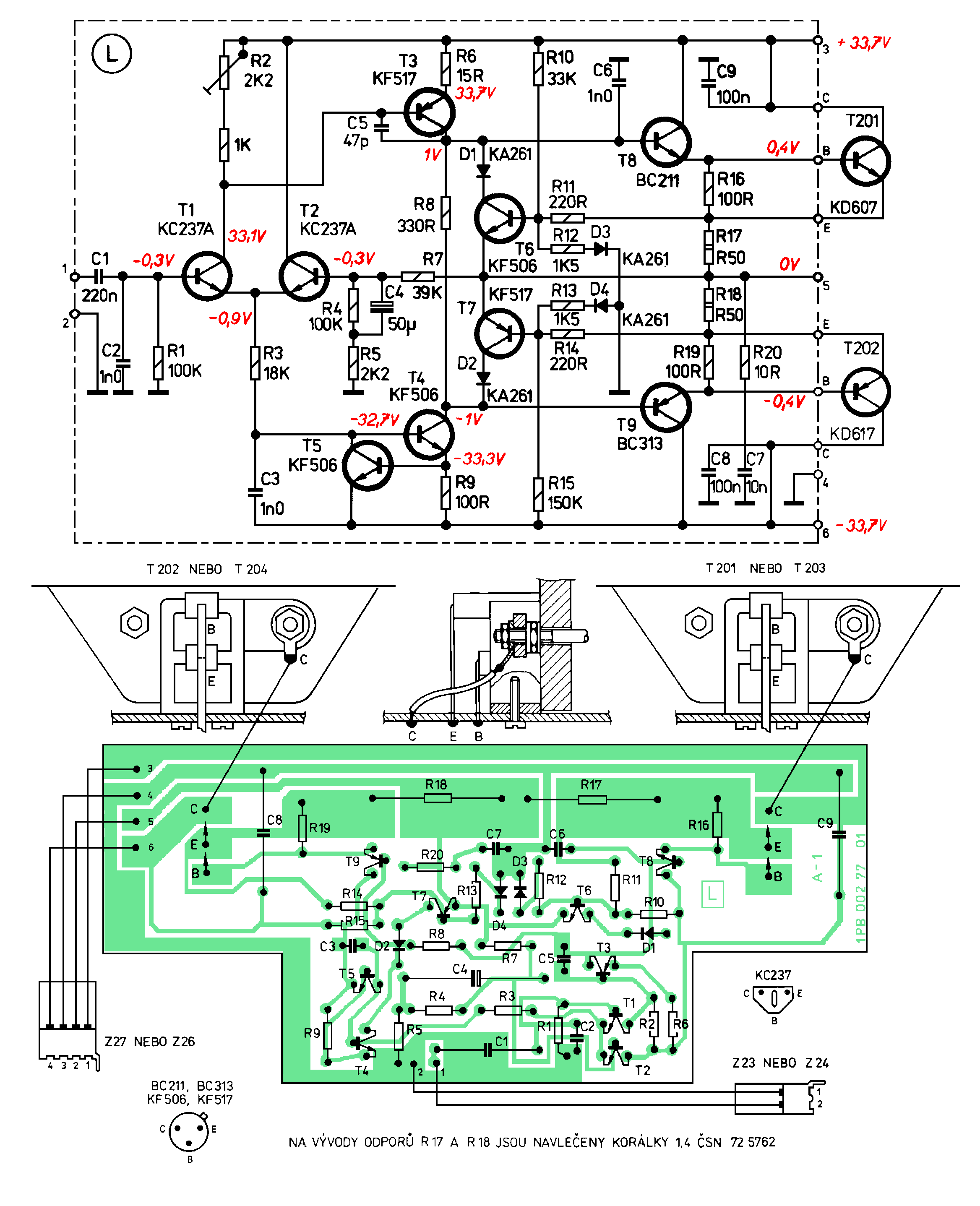
Ve schématu se mi nezdá jedno napětí - na bázi T2 musí bez signálu být 0 V, protože ten dělič (R4+R5):R7 má na obou přívodech nulu, tedy na výstupu ji musí mít taky, jestli na emitorech T1 a T2 má zůstat -0,67 V.
Kdyby byl T2 v klidu zavřený, jak říká napsané napětí -0,7 V, nefungovala by stabilizace nulového napětí na výstupu.
Návrat nahoru
Zobrazit informace o autorovi Odeslat soukromou zprávu
masar



Založen: Dec 03, 2005
Příspěvky: 14183

PříspěvekZaslal: so březen 29 2025, 13:04    Předmět: Citovat

Ano, chybička se vloudila.
Wink
Návrat nahoru
Zobrazit informace o autorovi Odeslat soukromou zprávu Odeslat e-mail
lubos1961



Založen: Jul 20, 2010
Příspěvky: 464
Bydliště: Nový Jičín

PříspěvekZaslal: so březen 29 2025, 17:24    Předmět: Citovat

Já naměřil při nynějším zvýšeném síťovém napětí toto. U pozdějších verzích doplňovali R2 s odporovým trimrem pro přesné dostavení 0 výstupníno napětí.


Koncový zesilovačl L2.png
 Komentář:
 Velikost:  136.44 kB
 Zobrazeno:  150 krát

Koncový zesilovačl L2.png


Návrat nahoru
Zobrazit informace o autorovi Odeslat soukromou zprávu
Zobrazit příspěvky z předchozích:   
Přidat nové téma   Zaslat odpověď       Obsah fóra Diskuzní fórum Elektro Bastlírny -> Audiotechnika Časy uváděny v GMT + 1 hodina
Jdi na stránku Předchozí  1, 2
Strana 2 z 2

 
Přejdi na:  
Nemůžete odesílat nové téma do tohoto fóra.
Nemůžete odpovídat na témata v tomto fóru.
Nemůžete upravovat své příspěvky v tomto fóru.
Nemůžete mazat své příspěvky v tomto fóru.
Nemůžete hlasovat v tomto fóru.
Nemůžete připojovat soubory k příspěvkům
Můžete stahovat a prohlížet přiložené soubory

Powered by phpBB © 2001, 2005 phpBB Group
Forums ©
Nuke - Elektro Bastlirna

Informace na portálu Elektro bastlírny jsou prezentovány za účelem vzdělání čtenářů a rozšíření zájmu o elektroniku. Autoři článků na serveru neberou žádnou zodpovědnost za škody vzniklé těmito zapojeními. Rovněž neberou žádnou odpovědnost za případnou újmu na zdraví vzniklou úrazem elektrickým proudem. Autoři a správci těchto stránek nepřejímají záruku za správnost zveřejněných materiálů. Předkládané informace a zapojení jsou zveřejněny bez ohledu na případné patenty třetích osob. Nároky na odškodnění na základě změn, chyb nebo vynechání jsou zásadně vyloučeny. Všechny registrované nebo jiné obchodní známky zde použité jsou majetkem jejich vlastníků. Uvedením nejsou zpochybněna z toho vyplývající vlastnická práva. Použití konstrukcí v rozporu se zákonem je přísně zakázáno. Vzhledem k tomu, že původ předkládaných materiálů nelze žádným způsobem dohledat, nelze je použít pro komerční účely! Tento nekomerční server nemá z uvedených zapojení či konstrukcí žádný zisk. Nezodpovídáme za pravost předkládaných materiálů třetími osobami a jejich původ. V případě, že zjistíte porušení autorského práva či jiné nesrovnalosti, kontaktujte administrátory na diskuzním fóru EB.


PHP-Nuke Copyright © 2005 by Francisco Burzi. This is free software, and you may redistribute it under the GPL. PHP-Nuke comes with absolutely no warranty, for details, see the license.
Čas potřebný ke zpracování stránky 0.22 sekund