Vítejte na Elektro Bastlírn?
Nuke - Elektro Bastlirna
  Vytvořit účet Hlavní · Fórum · DDump · Profil · Zprávy · Hledat na fóru · Příspěvky na provoz EB

Vlákno na téma KORONAVIRUS - nutná registrace


Nuke - Elektro Bastlirna: Diskuzní fórum

 FAQFAQ   HledatHledat   Uživatelské skupinyUživatelské skupiny   ProfilProfil   Soukromé zprávySoukromé zprávy   PřihlášeníPřihlášení 

Schéma Walkmanu AIWA HS-TX510 - už šlape, dík za schéma

 
Přidat nové téma   Zaslat odpověď       Obsah fóra Diskuzní fórum Elektro Bastlírny -> Audiotechnika
Zobrazit předchozí téma :: Zobrazit následující téma  
Autor Zpráva
Brozicek



Založen: Nov 07, 2005
Příspěvky: 1625
Bydliště: Studénka

PříspěvekZaslal: čt prosinec 11 2008, 22:53    Předmět: Schéma Walkmanu AIWA HS-TX510 - už šlape, dík za schéma Citovat

Najde se kamarád, který mi pomůže najít na Netu free schéma Walkmanu AIWA HS-TX510. Zatím jsem našel datasheet řídícího controleru TC9308AF, i datasheety dalších základních obvodů, ale to nestačí k orientaci ve vnějších obvodech. Čas na displeji mi běží, ale ovládací tlačítka předvoleb i nastavení jsou nějak pomýlená, a tlačítko "Mode" nereaguje", takže přístroj nelze vůbec zapnout. Vše by mělo jít přes vstup "Key in" na controler, ale může tam být "prdlá" nějaká filtrační keramika, což by změnilo funkce tlačítek. Může být vadný i controler, ale napřed chci vyloučit jeho okolí.
Předem dík.
Standa


Naposledy upravil Brozicek dne so prosinec 13 2008, 8:07, celkově upraveno 1 krát.
Návrat nahoru
Zobrazit informace o autorovi Odeslat soukromou zprávu Odeslat e-mail
rnbw



Založen: Mar 21, 2006
Příspěvky: 36840
Bydliště: Bratislava

PříspěvekZaslal: čt prosinec 11 2008, 23:12    Předmět: Citovat

Ako su tie tlacidla zapojene? Nie je viacero z nich cez rozne odpory pripojene na jeden vstup? Ak ano, tak zvody robia divy.
Návrat nahoru
Zobrazit informace o autorovi Odeslat soukromou zprávu
Jurik



Založen: Dec 12, 2007
Příspěvky: 335
Bydliště: Havířov

PříspěvekZaslal: pá prosinec 12 2008, 6:58    Předmět: Citovat

no muj RQ-SX21 mel jinou vadu ale svody jak rekl kolega je opravdu prekerka....komplet desku vytahni a PORADNE vycisti.....njn osobni kazetovy prehravac (walkman jen Sony Very Happy ) se pohybuje v jinem prostredi nez decky....prubni a pisni...cau Jura
Návrat nahoru
Zobrazit informace o autorovi Odeslat soukromou zprávu Zobrazit autorovy WWW stránky
Brozicek



Založen: Nov 07, 2005
Příspěvky: 1625
Bydliště: Studénka

PříspěvekZaslal: pá prosinec 12 2008, 7:26    Předmět: Citovat

Tišťáky jsem již pucoval jako taneční boty, viz foto.
Tlačítka jsou zapojena do matice s možnosti 16 logických kombinací. K tomu jsou na controleru 4 KEY vstupy a 4 KEY výstupy. Jsou tam nějak v té matici zapojena: Tlačítko mode (přepíná zapnutí do AM, FM1, FM2 a vypnutí, ale to nereaguje); Tlačítko SET (pro přepnutí do režimu nastavení hodin, to funguje normálně); Tlačítka HOUR UP a MIN UP pro nastavení hodin (ta tlačítka fungují divně, MIN nastavuje i hodiny); 6 tlačítek pro předvolby programů (ta ve vypnutém stavu, kdy se ukazují jen hodiny, nějak mění nastavený čas); a ještě je do té matice zapojen spínač od magnetofonu (má spustit režim TAPE, ale nereaguje). Zapojení matice je pro přečtení z plošného spoje nepřehledné a proto bych rád viděl její schéma. Zkrat nebo svod mezi vstupy matice jsem kontroloval, nezdá se že by tam byl. Ale bez znalosti schéma kdo ví?
Magnetofon nepotřebuji, ten starý přístroj je jen jako večerníček pro "nerušící poslech rádia před spaním"



Walkman 002.jpg
 Komentář:

Stáhnout
 Soubor:  Walkman 002.jpg
 Velikost:  77.72 kB
 Staženo:  222 krát

Návrat nahoru
Zobrazit informace o autorovi Odeslat soukromou zprávu Odeslat e-mail
freediver



Založen: Oct 01, 2008
Příspěvky: 101

PříspěvekZaslal: pá prosinec 12 2008, 10:14    Předmět: Citovat

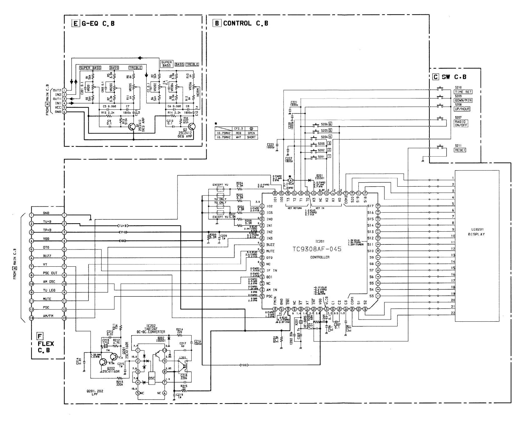
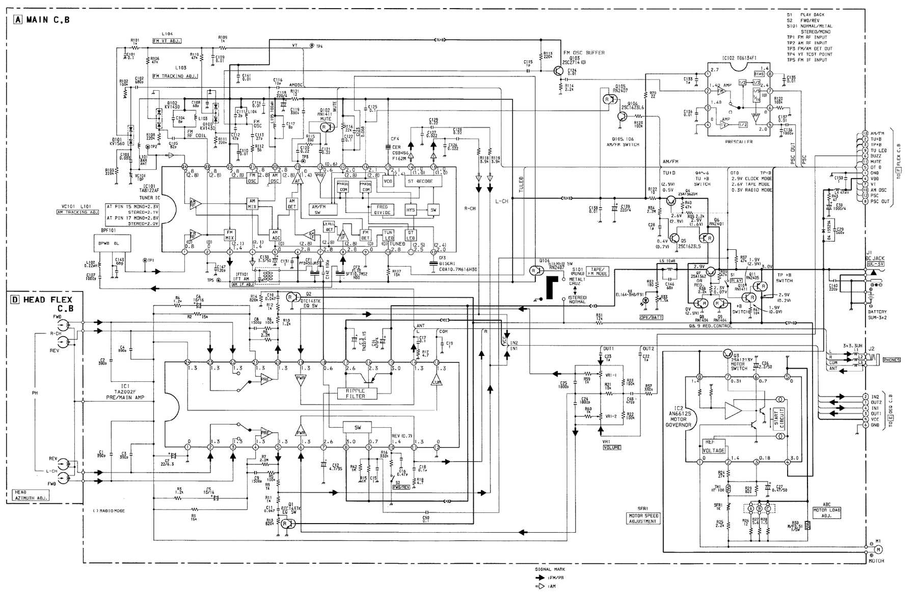
schema


1A.jpg
 Komentář:

Stáhnout
 Soubor:  1A.jpg
 Velikost:  241.64 kB
 Staženo:  287 krát


2A.jpg
 Komentář:

Stáhnout
 Soubor:  2A.jpg
 Velikost:  209.52 kB
 Staženo:  231 krát

Návrat nahoru
Zobrazit informace o autorovi Odeslat soukromou zprávu
Brozicek



Založen: Nov 07, 2005
Příspěvky: 1625
Bydliště: Studénka

PříspěvekZaslal: pá prosinec 12 2008, 13:31    Předmět: Citovat

freediver napsal(a):
schema


Vřelý dík, v matici jsou hned 4 kondenzátory 1800p, které mohou mít svod. Večer po nich vystartuji a dám vědět. Vřelý dík za schéma.
Návrat nahoru
Zobrazit informace o autorovi Odeslat soukromou zprávu Odeslat e-mail
Brozicek



Založen: Nov 07, 2005
Příspěvky: 1625
Bydliště: Studénka

PříspěvekZaslal: so prosinec 13 2008, 8:12    Předmět: Citovat

Tak nakonec žádný kondenzátor ani svod, ale "důmyslně a neviditelně" prasklý tištěný spoj v obvodech přepínání napájení pro TAPE - RADIO - CLOCK na kartě analogových obvodů.

Bez schématu by bylo nalezení a odstranění vady vyloučené..
Návrat nahoru
Zobrazit informace o autorovi Odeslat soukromou zprávu Odeslat e-mail
rnbw



Založen: Mar 21, 2006
Příspěvky: 36840
Bydliště: Bratislava

PříspěvekZaslal: po březen 17 2025, 23:20    Předmět: Citovat

Ma tu od PotPala tento walkman. Nefungoval vobec zvuk - zakerne neviditelne prasknuty plosak pri jacku.

Nasledne som zistil, ze radio ma mizerny prijem, zlepsilo sa to pri pohybe jacku. Preruseny vyvod od zemi sluchadiel k tuneru (pouziva sa ako antena).

Este je rozpadnuta gumicka - servisny manual hovori:
80-ZM2-240-010 = BELT, SQ 0.75 - 244

Elektroniku Japonci dotiahli do posledneho detailu. Ked vyberiem baterie, prepne sa do modu "hodiny" (vypne radio aj motor) a v tomto moze bezi z kondenzatora. Takze je cas na vymenu baterii bez straty nastaveni. Pri prepinani predvolieb radia vypipa cislo predvolby (kratke pipnutie = 1, dlhe = 5), takze sa daju prepinat len po sluchu.
Návrat nahoru
Zobrazit informace o autorovi Odeslat soukromou zprávu
rnbw



Založen: Mar 21, 2006
Příspěvky: 36840
Bydliště: Bratislava

PříspěvekZaslal: út březen 18 2025, 20:46    Předmět: Citovat

Teraz som riesil zasvinene posuvne potenciometre na prednej strane (treble, bass, super bass) - ten posledny sa nedal vobec pohnut. Kvoli minimalnej hlbke su uhlikove drahy priamo na plosaku. Nastastie neposkodene - po vycisteni a namazani chodia pekne.

Inak farebny plochy kabel na fotke od Brozicka je zjavne neoriginalny. Ja tam mam kaptonovy flex na pripojenie digitalnej dosky a tenucky 6-pinovy plochy kablik k tym potenciometrom.
Návrat nahoru
Zobrazit informace o autorovi Odeslat soukromou zprávu
rnbw



Založen: Mar 21, 2006
Příspěvky: 36840
Bydliště: Bratislava

PříspěvekZaslal: pá březen 21 2025, 19:45    Předmět: Citovat

Tak po vymene gumicky vsetko funguje.

Ale mam jednu otazku: ako ma fungovat ladenie? Navod som nikde nenasiel.
Ked drzim UP/DOWN, tak sa frekvencia posuva rychlo a po pusteni sa zastavi - to je jasne.
Ked UP/DOWN len chvilu podrzim a pustim, frekvencia sa posuva pomaly (2-krat za sekundu), ukaze aj TUNED, ale nezastavi. Ma to automaticky zastavit?
Návrat nahoru
Zobrazit informace o autorovi Odeslat soukromou zprávu
Habesan



Založen: Jan 12, 2009
Příspěvky: 7320
Bydliště: Plzeňsko

PříspěvekZaslal: ne březen 23 2025, 11:00    Předmět: Citovat

Pokud má více předvoleb, očekával bych že se zastaví až když projede celé pásmo.
_________________
Sháním hasičák s CO2 "sněhový", raději funkční.
(Nemusí mít platnou revizi.)
(Celkově budu raději, když se to obejde bez papírů.)
Návrat nahoru
Zobrazit informace o autorovi Odeslat soukromou zprávu Zobrazit autorovy WWW stránky
rnbw



Založen: Mar 21, 2006
Příspěvky: 36840
Bydliště: Bratislava

PříspěvekZaslal: ne březen 23 2025, 11:11    Předmět: Citovat

Predvolby sa ukladaju manualne - podrzanim prislusneho cisla (1-6).
Návrat nahoru
Zobrazit informace o autorovi Odeslat soukromou zprávu
Zobrazit příspěvky z předchozích:   
Přidat nové téma   Zaslat odpověď       Obsah fóra Diskuzní fórum Elektro Bastlírny -> Audiotechnika Časy uváděny v GMT + 1 hodina
Strana 1 z 1

 
Přejdi na:  
Nemůžete odesílat nové téma do tohoto fóra.
Nemůžete odpovídat na témata v tomto fóru.
Nemůžete upravovat své příspěvky v tomto fóru.
Nemůžete mazat své příspěvky v tomto fóru.
Nemůžete hlasovat v tomto fóru.
Nemůžete připojovat soubory k příspěvkům
Můžete stahovat a prohlížet přiložené soubory

Powered by phpBB © 2001, 2005 phpBB Group
Forums ©
Nuke - Elektro Bastlirna

Informace na portálu Elektro bastlírny jsou prezentovány za účelem vzdělání čtenářů a rozšíření zájmu o elektroniku. Autoři článků na serveru neberou žádnou zodpovědnost za škody vzniklé těmito zapojeními. Rovněž neberou žádnou odpovědnost za případnou újmu na zdraví vzniklou úrazem elektrickým proudem. Autoři a správci těchto stránek nepřejímají záruku za správnost zveřejněných materiálů. Předkládané informace a zapojení jsou zveřejněny bez ohledu na případné patenty třetích osob. Nároky na odškodnění na základě změn, chyb nebo vynechání jsou zásadně vyloučeny. Všechny registrované nebo jiné obchodní známky zde použité jsou majetkem jejich vlastníků. Uvedením nejsou zpochybněna z toho vyplývající vlastnická práva. Použití konstrukcí v rozporu se zákonem je přísně zakázáno. Vzhledem k tomu, že původ předkládaných materiálů nelze žádným způsobem dohledat, nelze je použít pro komerční účely! Tento nekomerční server nemá z uvedených zapojení či konstrukcí žádný zisk. Nezodpovídáme za pravost předkládaných materiálů třetími osobami a jejich původ. V případě, že zjistíte porušení autorského práva či jiné nesrovnalosti, kontaktujte administrátory na diskuzním fóru EB.


PHP-Nuke Copyright © 2005 by Francisco Burzi. This is free software, and you may redistribute it under the GPL. PHP-Nuke comes with absolutely no warranty, for details, see the license.
Čas potřebný ke zpracování stránky 0.21 sekund