Vítejte na Elektro Bastlírn?
Nuke - Elektro Bastlirna
  Vytvořit účet
Hlavní · Fórum · DDump · Profil · Zprávy · Hledat na fóru


Nuke - Elektro Bastlirna: Diskuzní fórum

 FAQFAQ   HledatHledat   Uživatelské skupinyUživatelské skupiny   ProfilProfil   Soukromé zprávySoukromé zprávy   PřihlášeníPřihlášení 

Teplota asynchroního motoru s invertorem
Jdi na stránku 1, 2  Další
 
Přidat nové téma   Zaslat odpověď       Obsah fóra Diskuzní fórum Elektro Bastlírny -> Poradna
Zobrazit předchozí téma :: Zobrazit následující téma  
Autor Zpráva
doga



Založen: Mar 26, 2018
Příspěvky: 250
Bydliště: okr. Bruntál

PříspěvekZaslal: čt březen 13 2025, 11:31    Předmět: Teplota asynchroního motoru s invertorem Citovat

Ahoj,
měl jsem plastový stolní ventilátor k rozhánění teplého vzduchu od sporákových kamen na dřevo ale regulace na tři stupně nestačila, tak šel na díly.
V novém ventilátoru jsem použil 60W 1f asynchronní motor na 230V (starší, bez žeber, dělala ho více závodu) a místo kondenzátoru jsem použil 3f invertor z ali.
Pracuje u stropu a i když fouká ke kamnům, je tam docela teplo a netočí se v nominálních otáčkách. Hřeje dost ale nepálí.
Jaká teplota je pro motor ještě v pohodě?
Dík


Naposledy upravil doga dne st březen 19 2025, 23:09, celkově upraveno 2 krát.
Návrat nahoru
Zobrazit informace o autorovi Odeslat soukromou zprávu
Ivan_01



Založen: Sep 15, 2018
Příspěvky: 1461
Bydliště: BB SK

PříspěvekZaslal: čt březen 13 2025, 12:01    Předmět: Citovat

ak má kryt motora 100°, (pľuvanec zasyčí a odparí sa), tak vinutie má cca 150° a to je zhruba hraničná teplota motora. Sú triedy A až C, až do 180° ale to nebude tvoj prípad
jo a inventor je vynálezca, menič je invertor


Naposledy upravil Ivan_01 dne čt březen 13 2025, 12:03, celkově upraveno 1 krát.
Návrat nahoru
Zobrazit informace o autorovi Odeslat soukromou zprávu
alj



Založen: Jun 10, 2016
Příspěvky: 171
Bydliště: Brno

PříspěvekZaslal: čt březen 13 2025, 12:03    Předmět: Citovat

Staří praktici na to měli jednoduché pravidlo. Pokud udržíš na motoru ruku je to v pohodě.
Návrat nahoru
Zobrazit informace o autorovi Odeslat soukromou zprávu
martinkopp



Založen: Oct 12, 2023
Příspěvky: 1204

PříspěvekZaslal: čt březen 13 2025, 19:10    Předmět: Citovat

Problém nebude ani tak vinutí, jako spíš ložiska. Vyteče z nich vazelína která není na takové teploty dělaná a kousne se to.

V každém případě by chtělo teplotu vyjádřit nejakou číselnou formou. Pojem "hřeje dost ale nepálí" může být pro někoho 60C a pro jiného 150C.
Návrat nahoru
Zobrazit informace o autorovi Odeslat soukromou zprávu
BOBOBO
Doporučuje se dohled statného moderátora


Založen: Feb 25, 2008
Příspěvky: 20906
Bydliště: Rychnovsko

PříspěvekZaslal: pá březen 14 2025, 8:47    Předmět: Citovat

Staří praktici věděli a ví , že při trvalém chodu motoru na něm prst ani sekundu neudržíš . 80°C no problem .
Návrat nahoru
Zobrazit informace o autorovi Odeslat soukromou zprávu
rezis



Založen: Nov 17, 2005
Příspěvky: 5380

PříspěvekZaslal: pá březen 14 2025, 16:45    Předmět: Citovat

Spíš by mě zajímalo jak jsi na ten 1f motor narouboval 3f měnič...
_________________
Internet - metla lidstva
Návrat nahoru
Zobrazit informace o autorovi Odeslat soukromou zprávu
BOBOBO
Doporučuje se dohled statného moderátora


Založen: Feb 25, 2008
Příspěvky: 20906
Bydliště: Rychnovsko

PříspěvekZaslal: pá březen 14 2025, 16:51    Předmět: Citovat

Však ten 1fměnič lze použít na oboje . Máš mu točit fázi kondem nebo elektronicky . 60W motor je taková klouzavá věc .
Návrat nahoru
Zobrazit informace o autorovi Odeslat soukromou zprávu
rezis



Založen: Nov 17, 2005
Příspěvky: 5380

PříspěvekZaslal: pá březen 14 2025, 22:46    Předmět: Citovat

Jenže ta vinutí nebudou dle mě stejná...
_________________
Internet - metla lidstva
Návrat nahoru
Zobrazit informace o autorovi Odeslat soukromou zprávu
hajeklubos



Založen: May 01, 2008
Příspěvky: 878
Bydliště: Praha 5

PříspěvekZaslal: so březen 15 2025, 7:33    Předmět: Citovat

Doga píše o 3f měniči. Ten posouvá fázi o 120stupnů na rozdíl od kondíku který má 90stupnů. Na 90st je namotaný motor. Jaké jsou proudy v jednotlivých vinutích v originál zapojení a jaké přes měnič? To také ukáže jak je namotaný motor. Nějak se mi to nepozdává. Nikdy jsem to takhle nedělal, třeba to tak jde?? Může to být ale také příčinou vysoké teploty. Magnetická pole mohou jít proti sobě nebo jsou vinutí hodně rozdílná.
Luboš
Návrat nahoru
Zobrazit informace o autorovi Odeslat soukromou zprávu
BOBOBO
Doporučuje se dohled statného moderátora


Založen: Feb 25, 2008
Příspěvky: 20906
Bydliště: Rychnovsko

PříspěvekZaslal: so březen 15 2025, 9:57    Předmět: Citovat

Když půjdou proti sobě , taksejaksi bude točit na druhou stranu . Zapomeňte na několika kW motory . Tady jsou různé skluzy běžné , stejnětak , jako u topenářských čerpadel kolem 100W .
Návrat nahoru
Zobrazit informace o autorovi Odeslat soukromou zprávu
doga



Založen: Mar 26, 2018
Příspěvky: 250
Bydliště: okr. Bruntál

PříspěvekZaslal: st březen 19 2025, 23:27    Předmět: Citovat

Ahoj,
po přečtení vašich příspěvků jsem provedl revizi projektu.
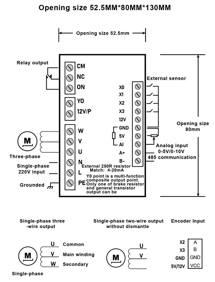
Zde je použitý invertor https://www.aliexpress.com/item/1005006689934005.html?spm=a2g0o.order_list.order_list_main.91.2e251802iWPw6A.
Na obrázku invertoru je vidět zapojení i pro jednofázové motory, tak jsem ho i zapojil ale v nastavení invertoru (P84) nejde měnit typ motoru. Máte někdo zkušenosti s tímto invertorem? Může detekovat typ motoru automaticky? Protože motor běží hladce, nebzučí.



motor_60w.png
 Komentář:
 Velikost:  17.72 kB
 Zobrazeno:  49 krát

motor_60w.png



invertor.png
 Komentář:
 Velikost:  234.69 kB
 Zobrazeno:  52 krát

invertor.png


Návrat nahoru
Zobrazit informace o autorovi Odeslat soukromou zprávu
doga



Založen: Mar 26, 2018
Příspěvky: 250
Bydliště: okr. Bruntál

PříspěvekZaslal: čt duben 03 2025, 12:23    Předmět: Citovat

Ahoj,
Číňan odpověděl, že není třeba nic nastavovat, jen zapojit Very Happy
Změřil jsem spotřebu s a bez kondenzátoru o stejných otáčkách do 1440 ot/min a 32W.
S kondenzátorem měl o 4-5W menší spotřebu.
Návrat nahoru
Zobrazit informace o autorovi Odeslat soukromou zprávu
BOBOBO
Doporučuje se dohled statného moderátora


Založen: Feb 25, 2008
Příspěvky: 20906
Bydliště: Rychnovsko

PříspěvekZaslal: čt duben 03 2025, 12:32    Předmět: Citovat

W nebo VA
Návrat nahoru
Zobrazit informace o autorovi Odeslat soukromou zprávu
doga



Založen: Mar 26, 2018
Příspěvky: 250
Bydliště: okr. Bruntál

PříspěvekZaslal: čt duben 03 2025, 12:36    Předmět: Citovat

Wattů, měřeno zásuvkovým Voltcraftem. Účiník jsem neřešil.
Návrat nahoru
Zobrazit informace o autorovi Odeslat soukromou zprávu
BOBOBO
Doporučuje se dohled statného moderátora


Založen: Feb 25, 2008
Příspěvky: 20906
Bydliště: Rychnovsko

PříspěvekZaslal: čt duben 03 2025, 12:40    Předmět: Citovat

Já mám na mysli stranu motoru . Ale i tak , jak topí či netopí ? Tedy alespoň hodina trvalého chodu .
Návrat nahoru
Zobrazit informace o autorovi Odeslat soukromou zprávu
Zobrazit příspěvky z předchozích:   
Přidat nové téma   Zaslat odpověď       Obsah fóra Diskuzní fórum Elektro Bastlírny -> Poradna Časy uváděny v GMT + 1 hodina
Jdi na stránku 1, 2  Další
Strana 1 z 2

 
Přejdi na:  
Nemůžete odesílat nové téma do tohoto fóra.
Nemůžete odpovídat na témata v tomto fóru.
Nemůžete upravovat své příspěvky v tomto fóru.
Nemůžete mazat své příspěvky v tomto fóru.
Nemůžete hlasovat v tomto fóru.
Nemůžete připojovat soubory k příspěvkům
Můžete stahovat a prohlížet přiložené soubory

Powered by phpBB © 2001, 2005 phpBB Group
Forums ©
Nuke - Elektro Bastlirna

Informace na portálu Elektro bastlírny jsou prezentovány za účelem vzdělání čtenářů a rozšíření zájmu o elektroniku. Autoři článků na serveru neberou žádnou zodpovědnost za škody vzniklé těmito zapojeními. Rovněž neberou žádnou odpovědnost za případnou újmu na zdraví vzniklou úrazem elektrickým proudem. Autoři a správci těchto stránek nepřejímají záruku za správnost zveřejněných materiálů. Předkládané informace a zapojení jsou zveřejněny bez ohledu na případné patenty třetích osob. Nároky na odškodnění na základě změn, chyb nebo vynechání jsou zásadně vyloučeny. Všechny registrované nebo jiné obchodní známky zde použité jsou majetkem jejich vlastníků. Uvedením nejsou zpochybněna z toho vyplývající vlastnická práva. Použití konstrukcí v rozporu se zákonem je přísně zakázáno. Vzhledem k tomu, že původ předkládaných materiálů nelze žádným způsobem dohledat, nelze je použít pro komerční účely! Tento nekomerční server nemá z uvedených zapojení či konstrukcí žádný zisk. Nezodpovídáme za pravost předkládaných materiálů třetími osobami a jejich původ. V případě, že zjistíte porušení autorského práva či jiné nesrovnalosti, kontaktujte administrátory na diskuzním fóru EB.


PHP-Nuke Copyright © 2005 by Francisco Burzi. This is free software, and you may redistribute it under the GPL. PHP-Nuke comes with absolutely no warranty, for details, see the license.
Čas potřebný ke zpracování stránky 0.18 sekund