Vítejte na Elektro Bastlírn?
Nuke - Elektro Bastlirna
  Vytvořit účet Hlavní · Fórum · DDump · Profil · Zprávy · Hledat na fóru · Příspěvky na provoz EB

Vlákno na téma KORONAVIRUS - nutná registrace


Nuke - Elektro Bastlirna: Diskuzní fórum

 FAQFAQ   HledatHledat   Uživatelské skupinyUživatelské skupiny   ProfilProfil   Soukromé zprávySoukromé zprávy   PřihlášeníPřihlášení 

Jednoduchá elektronická striedavá záťaž v odporovom režime
Jdi na stránku 1, 2  Další
 
Přidat nové téma   Zaslat odpověď       Obsah fóra Diskuzní fórum Elektro Bastlírny -> Zapojení ze šuplíku
Zobrazit předchozí téma :: Zobrazit následující téma  
Autor Zpráva
Ledvuk



Založen: Aug 27, 2018
Příspěvky: 18
Bydliště: Banská Bystrica

PříspěvekZaslal: čt leden 13 2022, 13:09    Předmět: Jednoduchá elektronická striedavá záťaž v odporovom režime Citovat

Zdravím kolegovia.
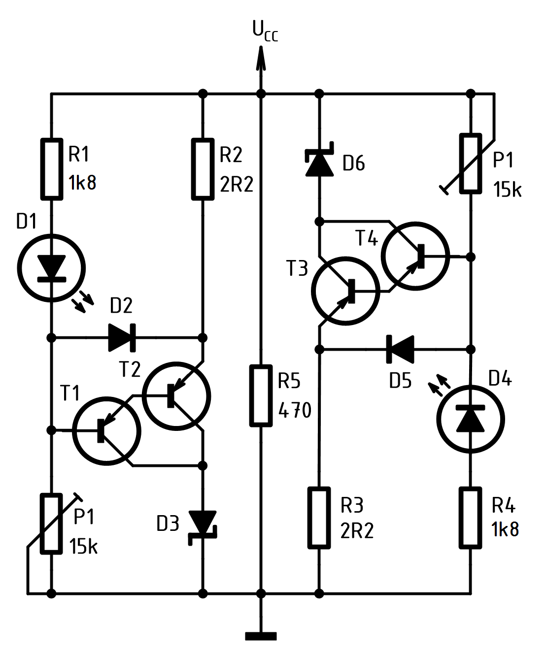
Chcel som do dielne na rýchlo jednoduchú elektronickú záťaž a podarilo sa mi vymyslieť toto.

Je to v podstate len úprava primitívnej elektronickej záťaže s darlingtonom pre DC akurát sú dve oproti sebe s pridanými ochrannými diodami a šlape to aj na AC.

Nemám to ako teraz postaviť lebo niesom doma tak som to len hodil simulovať do spice. Šlape to dobre, akurát pri malom napätí ide odpor rapídne hore (cez R5 obmedzené na 470 ohmov). Trimrom sa dá nastavený odpor meniť od 2R do 16R.

Príde mi to ako dosť veľká prasárna, tak sa radšej spýtam či je podľa vás dobrý nápad to používať ako záťaž pri meraní zosilňovačov. (Hlavne elektrónkovým by sa to vysoké R pri malom napätí nemuselo páčiť).



out.png
 Komentář:
DC sweep zo spice
 Velikost:  122.97 kB
 Zobrazeno:  148 krát

out.png



LOAD.png
 Komentář:
schéma zapojenia (opravené odpory)
 Velikost:  74.88 kB
 Zobrazeno:  134 krát

LOAD.png




Naposledy upravil Ledvuk dne čt leden 13 2022, 13:35, celkově upraveno 2 krát.
Návrat nahoru
Zobrazit informace o autorovi Odeslat soukromou zprávu
JirkaZ



Založen: Feb 26, 2021
Příspěvky: 3742

PříspěvekZaslal: čt leden 13 2022, 13:20    Předmět: Citovat

Přinejmenším je prohozená hodnota u R3 a R4, ne?

Každopádně to je spíš něco jako antiparalelní proudový stabilizátor (ale s nesymetrickým ovládáním), a to ještě nelineární. No nevím...

Samozřejmě koncepce umělé zátěže závisí na způsobu jejího použití, nicméně já jsem si po celý život na stř. účely vystačil s kombinací výkonových odporů, resp. vhodných žárovek. Na ss mám elektronickou DIY zátěž, ale používám i ty odpory a žárovky.
Návrat nahoru
Zobrazit informace o autorovi Odeslat soukromou zprávu
Ledvuk



Založen: Aug 27, 2018
Příspěvky: 18
Bydliště: Banská Bystrica

PříspěvekZaslal: čt leden 13 2022, 13:29    Předmět: Citovat

Áno, hodnoty sú prehodené, R3 má byť 2R2. Prúdový stabilizátor to rozhodne neni, má to naozaj odporový charakter (je to vidno aj v tom grafe).

Odpory sú fajn, akurát si ich človek musí prehadzovať, a pokiaľ by sa toto dalo spraviť aby to šlo aj na väčší rozsah, s lineárnym ladením (tandemový potenciometer) tak by to bola celkom lacná pecka.
Návrat nahoru
Zobrazit informace o autorovi Odeslat soukromou zprávu
ok1hga



Založen: Nov 28, 2006
Příspěvky: 12602
Bydliště: Česká Třebová

PříspěvekZaslal: čt leden 13 2022, 13:50    Předmět: Citovat

nestačilo by udělat jen jednu el. zátěž
a připojovat ji přes dostatečně dimenzovaný graetz ?
. . .
Návrat nahoru
Zobrazit informace o autorovi Odeslat soukromou zprávu
Ledvuk



Založen: Aug 27, 2018
Příspěvky: 18
Bydliště: Banská Bystrica

PříspěvekZaslal: čt leden 13 2022, 13:59    Předmět: Citovat

To samozrejme funguje tiež akurát v tom prípade sa tá oblasť okolo nuly kde odpor rapídne rastie ešte viac rozšíri.
Návrat nahoru
Zobrazit informace o autorovi Odeslat soukromou zprávu
ok1hga



Založen: Nov 28, 2006
Příspěvky: 12602
Bydliště: Česká Třebová

PříspěvekZaslal: čt leden 13 2022, 14:12    Předmět: Citovat

tak použiješ schottky . . .
Návrat nahoru
Zobrazit informace o autorovi Odeslat soukromou zprávu
samec



Založen: Dec 19, 2017
Příspěvky: 6068

PříspěvekZaslal: čt leden 13 2022, 14:39    Předmět: Citovat

A čo tak v sérii proti sebe dva unipolárne trenzistory?
Návrat nahoru
Zobrazit informace o autorovi Odeslat soukromou zprávu
JirkaZ



Založen: Feb 26, 2021
Příspěvky: 3742

PříspěvekZaslal: čt leden 13 2022, 15:00    Předmět: Citovat

samec napsal(a):
A čo tak v sérii proti sebe dva unipolárne trenzistory?


Ano, to je jedna z možností, nicméně je otázka, zda dnešní v naprosté většině spínací MOSFETy budou mít dostatečně velkou oblast SOA. To je pro umělou zátěž klíčová vlastnost.

Jedině to vcelku masivně předimenzovat (třeba i dobře udělanou paralelizací - kladný teplotní součinitel MOSFETu to usnadňuje). A samozřejmě udělat vhodnou proudovou zpětnou vazbu, nejlépe pomocí malého snímacího odporu. Trochu problém může být vyhodnocení, ale...

Jak už jsem psal, záleží na požadavcích a způsobu využití. Já jsem nic takového nikdy nepotřeboval tak intenzivně, aby mi stálo za to to konstruovat. Odpor (nebo žárovka) se v oblasti rozumně nízkých frekvencí vždycky chová "mravně", má značnou odolnost zejména proti impulsnímu přetížení a není třeba řešit jeho frekvenční závislost.

Snad jediná potenciální nevýhoda může být nespojitá (skoková) regulace, ale to se dá docela dobře omezit systémem R-2R-4R atd.
Návrat nahoru
Zobrazit informace o autorovi Odeslat soukromou zprávu
rnbw



Založen: Mar 21, 2006
Příspěvky: 36999
Bydliště: Bratislava

PříspěvekZaslal: čt leden 13 2022, 15:08    Předmět: Citovat

Cinan pouzil IRFP150N a spatnu vazbu nepouzil:
http://www.ebastlirna.cz/modules.php?name=Forums&file=viewtopic&t=86719
Návrat nahoru
Zobrazit informace o autorovi Odeslat soukromou zprávu
JirkaZ



Založen: Feb 26, 2021
Příspěvky: 3742

PříspěvekZaslal: čt leden 13 2022, 15:29    Předmět: Citovat

rnbw napsal(a):
Cinan pouzil IRFP150N a spatnu vazbu nepouzil:
http://www.ebastlirna.cz/modules.php?name=Forums&file=viewtopic&t=86719


Jak nepoužil? A co je snímací odpor 10mOhm v source a odvedení vzorku na OZ přes 1kOhm (http://www.ebastlirna.cz/modules/Forums/files/electronic_load_196.png)?

Kromě toho jde o ss zátěž, takže trochu mimo dotaz...

Navíc zrovna jak na potvoru u grafu SOA v DS pro IRFP150N chybí hranice pro DC, takže co ten čínský zázrak vydrží, je (jako obvykle) sázka do loterie. Tedy pokud tam vůbec mají originál od IR...
Návrat nahoru
Zobrazit informace o autorovi Odeslat soukromou zprávu
Ledvuk



Založen: Aug 27, 2018
Příspěvky: 18
Bydliště: Banská Bystrica

PříspěvekZaslal: čt leden 13 2022, 16:01    Předmět: Citovat

ok1hga napsal(a):
tak použiješ schottky . . .


V takom prípade zmizne ochraná Schottkyho dioda D3, čiže sa priblížim k nule o 0,6V, a pridám gretz, čo ma vráti o 2x 0,6V. Surprised

Tie MOSFETY som zvažoval, museli by byť s vodivým kanálom (inak by spomínaný problém s rastúcim odporom bol ešte horší), čo sa bežne nepoužívajú a musel by som kupovať, a potom je tu tá povolená pracovná oblasť... možno by to šlapalo lepšie ale TO3 bipolárov mám doma dve prdele. Naviac výhoda toho ako je to zapojené je že čím viac to pečie tým viac je to lineárne. Very Happy
Návrat nahoru
Zobrazit informace o autorovi Odeslat soukromou zprávu
JirkaZ



Založen: Feb 26, 2021
Příspěvky: 3742

PříspěvekZaslal: čt leden 13 2022, 16:15    Předmět: Citovat

Ledvuk napsal(a):

...
Tie MOSFETY som zvažoval, museli by byť s vodivým kanálom (inak by spomínaný problém s rastúcim odporom bol ešte horší), Very Happy


Tak to jsem vůbec nepochopil...

https://commons.wikimedia.org/wiki/File:IvsV_mosfet.png
Návrat nahoru
Zobrazit informace o autorovi Odeslat soukromou zprávu
Sendyx



Založen: Jun 05, 2005
Příspěvky: 12487
Bydliště: Ostrava

PříspěvekZaslal: čt leden 13 2022, 16:59    Předmět: Citovat

Mohl by sis zkusit do toho grafu zakreslit, jak vypadá VA charakteristika odporové zátěže?
_________________
Curvetraceristé všech zemí spojte se!
Návrat nahoru
Zobrazit informace o autorovi Odeslat soukromou zprávu
JirkaZ



Založen: Feb 26, 2021
Příspěvky: 3742

PříspěvekZaslal: čt leden 13 2022, 17:37    Předmět: Citovat

Sendyx napsal(a):
Mohl by sis zkusit do toho grafu zakreslit, jak vypadá VA charakteristika odporové zátěže?


Kreslit se mi teď nechce (možná později), tak to popíšu slovně:

konstruktér obvodu na http://www.ebastlirna.cz/modules/Forums/files/load_205.png si stěžoval na zvýšení odporu při malých napětích/proudech a psal, že u enhanced MOSFETu by to bylo ještě horší. Dle notoricky známého grafu je charakteristika takového MOSFETu v oblasti malých proudů a napětí (linear region) soustava přímek s různým sklonem vycházející vždy z počáku, čili se jedná o lineární odpor. Stejné charakteristiky (až na to, že bez omezení při vyšších I/U) má odporová zátěž s různou velikostí odporů.

Pro MOSFET ta substituce přímkami samozřejmě platí jen do kolene charakteristiky, kdy do nějaké míry vodivý kanál začne omezovat proud (saturation region). Směrnice přímky (ovlivněná Ugs) odpovídá hodnotě onoho lineárního odporu.

Čili opakuju: bavíme se tady o oblasti počátku a nikoliv o oblasti kolene a výš a samozřejmě o řízení Ugs zpětnou vazbou, čili samostatné napájení řízení (nikoliv ze zatěžovaného zdroje). Možná to zformuluju ještě jinak: při odpovídajícím řízení Ugs může být Rds konstantní až do počátku a odpadá tam Ucesat (vyskytující se u bipoláru).

Ještě na okraj: umělé zátěže se stejně většinou koncipují jako (nastavitelná) proudová nora, což lze docílit buď konstantním Ugs a provozem nad kolenem (ryze teoreticky - nebylo by tepelně a časově stabilní a fungovalo by to jen při velkých U/I ze zatěžovaného zdroje), nebo řízením Ugs v závislosti na Id tak, aby Id byl konstantní.


Naposledy upravil JirkaZ dne čt leden 13 2022, 17:53, celkově upraveno 1 krát.
Návrat nahoru
Zobrazit informace o autorovi Odeslat soukromou zprávu
Ledvuk



Založen: Aug 27, 2018
Příspěvky: 18
Bydliště: Banská Bystrica

PříspěvekZaslal: čt leden 13 2022, 17:53    Předmět: Citovat

Ja tam vynášam priamo závislosť odporu na vstupnom napätí ( x osa je vo V, y osa je v ohm). Bežný odpor nie je nijak závisý napätí čiže by to v tom grafe bola rovná priamka z ľava do prava.



Jirko s mosfetmi to úprimne moc neviem, ale myslím že s tak malým napätím bez pomocných obvodov sa štandardný mosfet nedá natoľko otvoriť aby mal Rds 4 alebo 8 ohm. Aspoň teda nie taký ktorý by dokázal potom Ďaleľ utopiť vyše 100W.


Naposledy upravil Ledvuk dne čt leden 13 2022, 18:06, celkově upraveno 1 krát.
Návrat nahoru
Zobrazit informace o autorovi Odeslat soukromou zprávu
Zobrazit příspěvky z předchozích:   
Přidat nové téma   Zaslat odpověď       Obsah fóra Diskuzní fórum Elektro Bastlírny -> Zapojení ze šuplíku Časy uváděny v GMT + 1 hodina
Jdi na stránku 1, 2  Další
Strana 1 z 2

 
Přejdi na:  
Nemůžete odesílat nové téma do tohoto fóra.
Nemůžete odpovídat na témata v tomto fóru.
Nemůžete upravovat své příspěvky v tomto fóru.
Nemůžete mazat své příspěvky v tomto fóru.
Nemůžete hlasovat v tomto fóru.
Nemůžete připojovat soubory k příspěvkům
Můžete stahovat a prohlížet přiložené soubory

Powered by phpBB © 2001, 2005 phpBB Group
Forums ©
Nuke - Elektro Bastlirna

Informace na portálu Elektro bastlírny jsou prezentovány za účelem vzdělání čtenářů a rozšíření zájmu o elektroniku. Autoři článků na serveru neberou žádnou zodpovědnost za škody vzniklé těmito zapojeními. Rovněž neberou žádnou odpovědnost za případnou újmu na zdraví vzniklou úrazem elektrickým proudem. Autoři a správci těchto stránek nepřejímají záruku za správnost zveřejněných materiálů. Předkládané informace a zapojení jsou zveřejněny bez ohledu na případné patenty třetích osob. Nároky na odškodnění na základě změn, chyb nebo vynechání jsou zásadně vyloučeny. Všechny registrované nebo jiné obchodní známky zde použité jsou majetkem jejich vlastníků. Uvedením nejsou zpochybněna z toho vyplývající vlastnická práva. Použití konstrukcí v rozporu se zákonem je přísně zakázáno. Vzhledem k tomu, že původ předkládaných materiálů nelze žádným způsobem dohledat, nelze je použít pro komerční účely! Tento nekomerční server nemá z uvedených zapojení či konstrukcí žádný zisk. Nezodpovídáme za pravost předkládaných materiálů třetími osobami a jejich původ. V případě, že zjistíte porušení autorského práva či jiné nesrovnalosti, kontaktujte administrátory na diskuzním fóru EB.


PHP-Nuke Copyright © 2005 by Francisco Burzi. This is free software, and you may redistribute it under the GPL. PHP-Nuke comes with absolutely no warranty, for details, see the license.
Čas potřebný ke zpracování stránky 0.15 sekund