Vítejte na Elektro Bastlírn?
Nuke - Elektro Bastlirna
  Vytvořit účet Hlavní · Fórum · DDump · Profil · Zprávy · Hledat na fóru · Příspěvky na provoz EB

Vlákno na téma KORONAVIRUS - nutná registrace


Nuke - Elektro Bastlirna: Diskuzní fórum

 FAQFAQ   HledatHledat   Uživatelské skupinyUživatelské skupiny   ProfilProfil   Soukromé zprávySoukromé zprávy   PřihlášeníPřihlášení 

Dodatečné stereo
Jdi na stránku 1, 2  Další
 
Přidat nové téma   Zaslat odpověď       Obsah fóra Diskuzní fórum Elektro Bastlírny -> Poradna
Zobrazit předchozí téma :: Zobrazit následující téma  
Autor Zpráva
dvorak



Založen: Apr 25, 2013
Příspěvky: 2194
Bydliště: Dvůr Králové n.L.

PříspěvekZaslal: út leden 11 2022, 22:00    Předmět: Dodatečné stereo Citovat

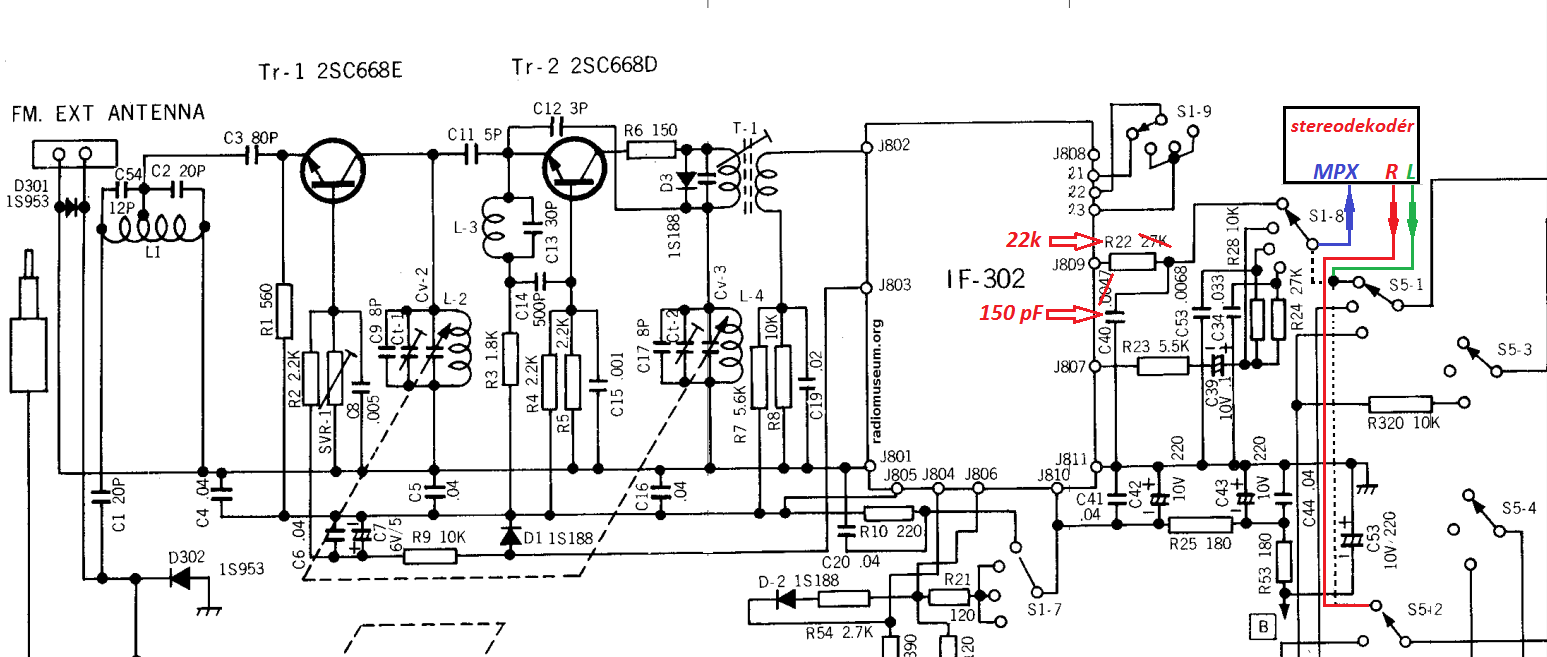
Mám historickou trojkombinaci Sanyo, která má ve stereu magnetofon i gramofon, ale radio je bohužel mono. Dalo by se to nějak jednoduše vyřešit např. instalací adapteru a pod. bez většího zásahu do schematu ? Díky a přikládám schema.


schematic 1.pdf
 Komentář:

Stáhnout
 Soubor:  schematic 1.pdf
 Velikost:  129.18 kB
 Staženo:  276 krát

Návrat nahoru
Zobrazit informace o autorovi Odeslat soukromou zprávu
rnbw



Založen: Mar 21, 2006
Příspěvky: 36679
Bydliště: Bratislava

PříspěvekZaslal: út leden 11 2022, 22:11    Předmět: Citovat

Tu sa riesili rozne dekodery FM sterea:
http://www.ebastlirna.cz/modules.php?name=Forums&file=viewtopic&t=99328

Pridat napr. A290D by snad nemusel byt velky problem.
Návrat nahoru
Zobrazit informace o autorovi Odeslat soukromou zprávu
Artaban001



Založen: Apr 01, 2004
Příspěvky: 10050
Bydliště: Pendrov

PříspěvekZaslal: út leden 11 2022, 22:19    Předmět: Citovat

Instalací jiného tuneru přes zásuvku externího vstupu, jinak přes přepínač k vstupu do koncového přepínače. Na přestavbu Ti tu chybí schéma demodulátoru, ze kterýho odstraníš deemfázi a připojíš za něj stereodemodulátor. Možná si budeš muset pohrát z mezifrekvencí, protože stereo vyžaduje větší šířku pásma.
Návrat nahoru
Zobrazit informace o autorovi Odeslat soukromou zprávu Odeslat e-mail
Hill
Administrátor


Založen: Sep 10, 2004
Příspěvky: 20750
Bydliště: Jičín, Český ráj

PříspěvekZaslal: út leden 11 2022, 23:19    Předmět: Citovat

Asi bych začal s instalací stereodekodéru s A290D (tedy včetně deemfáze na výstupech, třeba počítat s tím, že vstupy zesilovače mají vstupní odpor kolem 35 kΩ každý a buď oddělit výstupy emitorovými sledovači, nebo ty vstupní odpory zahrnout do výpočtu kapacity v deemfázi, aby součin R*C byl 50 µs).

Vyměnit dvě součástky, přeškrábnout tečkované spoje, připojit na dekodér napájení a kontrolku, a něco to dělat bude.

Jestli bude úroveň na vstupu dekodéru příliš velká, stačilo by vstup dekodéru zatížit odporem 33 kΩ.
Na šířku pásma mezifrekvence bych zatím nesahal, na to je čas až podle toho, jak to bude hrát.



dopln_SD.png
 Komentář:
 Velikost:  184.31 kB
 Zobrazeno:  246 krát

dopln_SD.png


Návrat nahoru
Zobrazit informace o autorovi Odeslat soukromou zprávu
EKKAR



Založen: Mar 16, 2005
Příspěvky: 34565
Bydliště: Česká Třebová, JN89FW21

PříspěvekZaslal: út leden 11 2022, 23:52    Předmět: Citovat

A v podstatě bys ten stereodekodér ani nemusel bastlit, vypárat z nějakýho rozšlápnutýho rádia kus desky s funkčním A290D, UL1611 nebo MC1310P případně KA2261/2262, najít na něm místa pro napájení, přívod MPX a nf výstupy a pár drátama to propojit by neměl bejt zas až tak nepřekročitelnej problém, ty Samsungy byly ve skoro každým rákosnickým "jezefčíkovi" a nekazily se ...
_________________
Nasliněný prst na svorkovnici domovního rozvaděče: Jó, paninko, máte tam ty Voltíky všecky...
A kutilmile - nelituju tě Mr. Green Mr. Green !!!
Návrat nahoru
Zobrazit informace o autorovi Odeslat soukromou zprávu Odeslat e-mail
jardafiala



Založen: Jun 20, 2010
Příspěvky: 2356
Bydliště: Česká Lípa

PříspěvekZaslal: út leden 17 2023, 18:18    Předmět: Citovat

Zdar, abych nezakládal nové vlákno dám to sem - nabastlil jsem do radia SONY s již nesehnatelnými součástkami stereodekoder s A290. Dekoder, sakrakrucifix ne a ne dekódovat. Vyměnil jsem hovňáky, nastavil na MB 19KHz a nic....Nemám vf generátor s modulací takže zkoušky jen s výstupem z mf 10,7MHz. Teď dotaz - když pustím do vstupu A290 38KHz tak by mělo stereo sepnout?
Návrat nahoru
Zobrazit informace o autorovi Odeslat soukromou zprávu Odeslat e-mail
EKKAR



Založen: Mar 16, 2005
Příspěvky: 34565
Bydliště: Česká Třebová, JN89FW21

PříspěvekZaslal: út leden 17 2023, 18:33    Předmět: Citovat

A290D má v sobě zdvojovač kmitočtu a fázovej závěs, takže na "sepnutí sterea" potřebuje mít ve vstupním signálu dostatečně velkou úroveň "pomocný nosný" s kmitočtem 19kHz, těch 38kHz potřebnejch pro přepínání kanálů L/P si z něj vyrobí sám.
_________________
Nasliněný prst na svorkovnici domovního rozvaděče: Jó, paninko, máte tam ty Voltíky všecky...
A kutilmile - nelituju tě Mr. Green Mr. Green !!!
Návrat nahoru
Zobrazit informace o autorovi Odeslat soukromou zprávu Odeslat e-mail
jardafiala



Založen: Jun 20, 2010
Příspěvky: 2356
Bydliště: Česká Lípa

PříspěvekZaslal: út leden 17 2023, 19:01    Předmět: Citovat

Aha, dobře, a když pustím na vstup z generátoru 19KHz tak mi při nějaké úrovni sepne indikace "stereo"?
Návrat nahoru
Zobrazit informace o autorovi Odeslat soukromou zprávu Odeslat e-mail
Artaban001



Založen: Apr 01, 2004
Příspěvky: 10050
Bydliště: Pendrov

PříspěvekZaslal: po leden 23 2023, 14:10    Předmět: Citovat

Ano. Pokud pošleš do vstupu do dekodéru stabilních 19Khz, rozvítíš signálku stereo a výstup Ti bude "stereofonně šumět".
Pokročilejší verze stereofonních demodulátorů jsou ještě ovládaný sílou signálu přijímané stanice, takže slabší signál stereofonní stanice nepřepl na stereofonní příjem a stanice tím pádem nešuměla ve stereu, ale čistě hrála v režimu mono.
Návrat nahoru
Zobrazit informace o autorovi Odeslat soukromou zprávu Odeslat e-mail
PotPalo



Založen: May 13, 2009
Příspěvky: 5773
Bydliště: BA-Petržalka :(

PříspěvekZaslal: po leden 23 2023, 15:45    Předmět: Citovat

Možno blbá poznámka, ale v jednom rádiu som mal také zapojenie, že stereo dekodér potreboval mať zapojenú funkčnú LEDku indikujúcu stereo. Lenže keď sa mal dať dolu predný panel aby som sa do toho dostal, kábliky od LEDky sa museli odletovať. A potom pri skúškach že prečo to nehrá stereo (rozdiel je počuť), ladím ladím, stanice čisté, ale stereo nikde, stále iba mono. Po pripojení LEDky to už fungovalo aj stereo. Skrátka niekedy je problém tam, kde by ho nikto nehľadal.
_________________
Globálne otepľovanie je spôsobené masívnou zástavbou a rúbaním storočných stromov. Kamene namiesto trávy tiež prispievajú k otepľovaniu.
Návrat nahoru
Zobrazit informace o autorovi Odeslat soukromou zprávu Odeslat e-mail
dvorak



Založen: Apr 25, 2013
Příspěvky: 2194
Bydliště: Dvůr Králové n.L.

PříspěvekZaslal: st březen 08 2023, 23:12    Předmět: Citovat

Vracím se k tomuto tematu a ptám se, zda by se namísto samostatného dekoderu dal použít kompletní IC AM/FM, např. Sony CXA 1238. Děkuji.


CXA1538M_7.pdf
 Komentář:

Stáhnout
 Soubor:  CXA1538M_7.pdf
 Velikost:  269.24 kB
 Staženo:  83 krát

Návrat nahoru
Zobrazit informace o autorovi Odeslat soukromou zprávu
EKKAR



Založen: Mar 16, 2005
Příspěvky: 34565
Bydliště: Česká Třebová, JN89FW21

PříspěvekZaslal: st březen 08 2023, 23:28    Předmět: Citovat

Dal - a nedal. Uvědom si, že v tom stávajícím tuneru už máš nějaký zapojení, kde je deska a na ní je šváb, kterej uskutečňuje nějaký zešílení mezifrekvenčníhio kmitočtu a demodulaci na nf, máš tam i nějakej oscilátor a směšovač, k tomu všemu tam máš ladění - buď sdruženým ladicím kondíkem s plastovým dielektrikem (že bys tam měl vzduchovej duál nebo trikál docela pochybuju, i když ani to není vyloučený), k tomu kondíku tam máš mechanickej náhon od kňoflajzu a taky tam máš dopočítaný špuličky LC obvodů, aby celý to ladění "sedělo v pásmu", tzn. abys měl ukazatel na stupnici na údaji, na kterým to celý švajneraj ±autobus zrovna přijímá. A ted si představ, že ty to chceš nahradit komplet jiným švábem, kterej na stejnou funkci má jinak navržený LC obvody, jinak vyřešený ovládání (klidně ne mechanicky kondíkem, ale elektricky varikapama) - to je na překopání celý tý tunerový desky. Věř nebo nevěř, já bych to dělat nechtěl. Buď si tam nabastli nějakej samostatnej stereodekodér, nebo zvenku na AUX vstuip připoj už kompletní stereofonní tuner, ale překopávat tuner v už hotovým rádiu, to je na draka, pokud na to nemáš zkušenosti a nedokážeš si sám navrhnout spoje tak, abys dodržel původní ovládání, rozhodně to nebude vypadat tak, aby ses za to nestyděl. Věř mi, pár podobnejch dekodérů právě z nejrůznějších ťamanskejch sračkorádiomagičů už jsem někam jinam vestavěl, je to jednoduchý jak facka, stačí dodržet úrovně napětí signálu a dobře vyfiltrovat napájení od brumu - a chodí to jak víno ...
_________________
Nasliněný prst na svorkovnici domovního rozvaděče: Jó, paninko, máte tam ty Voltíky všecky...
A kutilmile - nelituju tě Mr. Green Mr. Green !!!
Návrat nahoru
Zobrazit informace o autorovi Odeslat soukromou zprávu Odeslat e-mail
dvorak



Založen: Apr 25, 2013
Příspěvky: 2194
Bydliště: Dvůr Králové n.L.

PříspěvekZaslal: čt březen 09 2023, 11:50    Předmět: Citovat

Děkuji za vyčerpávající odpověď. Já to nechci celé překopávat, ale jak jsi mi již dříve doporučil nabastllit tam kus tišťáku z nějakého staršího radia s dekoderem a připojit jej na MPX signál ze stávajího tuneru + napájení a výstupy, tak jsem myslel použíť tišťák ze starého walkmena, který má stereo radio. Ale on právě nemá samostatný dekoder, je to vše právě v integráči . Takže tam ale asi žádný MPX vstup není, tudy jednoduchá cesta nevede.
Návrat nahoru
Zobrazit informace o autorovi Odeslat soukromou zprávu
EKKAR



Založen: Mar 16, 2005
Příspěvky: 34565
Bydliště: Česká Třebová, JN89FW21

PříspěvekZaslal: čt březen 09 2023, 12:12    Předmět: Citovat

Ne, tam opravdu nebejvají MPX vstupy, u některejch podobnejch švábů, jako jsi nalinkoval, jsem sice viděl výstup z FM-demodulátoru a vstup stereodekodéru na vývodech, takže se to běžně jen na DPS proklemovalo a mělo to tak fungovat. Jestli chceš zachovat původní ladění, nic jinýho než samotnej dekodér ti nezbyde, jestli tě můžu uklidnit, tak bych v bedně s materiálem nejspíš nějaký střeva staršího ťamanskýho jozefčíka nejspíš i našel - a když ne, tak docela dost možná i jen samotnej náhradní dederónskej A290D, kterej bych ti případně poslal. A pokud neseženeš dederóna, tak pšonka - unitráckej UL1611N https://teslakatalog.cz/UL1611N.html si myslím taky je ještě leckde k sehnání (bejval v Safíru a Diamantu, nejspíš i v Condoru - a Bůček v Oltecu ho má v nabídce za 90,- kulatejch, toho dederóna A290D přitom za pouhejch 25,-).
_________________
Nasliněný prst na svorkovnici domovního rozvaděče: Jó, paninko, máte tam ty Voltíky všecky...
A kutilmile - nelituju tě Mr. Green Mr. Green !!!
Návrat nahoru
Zobrazit informace o autorovi Odeslat soukromou zprávu Odeslat e-mail
Eleman



Založen: Feb 21, 2011
Příspěvky: 3555
Bydliště: Český Středozápad (JO70AD)

PříspěvekZaslal: čt březen 09 2023, 13:35    Předmět: Citovat

Nejak se v tomto vlákně lehce ztrácím, ale napadlo mne:
Pokud to rádio, do kterého je chceš naroubovat stereodekodér bylo původně mono, tak na výstupu demodulátoru jsou zapojeny obvody deemfáze (zpravidla RC článek - dolní propust). Kondenzátor tohoto obvodu je nutné odpojit a odpor zmenšit, jinak je těch 19 kHz odfiltrováno a nedostane se v dostatečné úrovni na vstup stereodekodéru. Obvod deemfáze je pak až na výstupu stereodekodéru. Myslím, že to naznačil Hill ve schématu.
Pak je také možné, že mezifrekvence má příliš malou šířku pásma (u mono přijímačů se to tak dělalo) a MPX přes ní neproleze. Pak nezbyde než vyměnit filtry, nebo upravit mf cívky a přijímač znovu sladit. Do toho bych se ale nepouštěl.

_________________
Člověk se celý život učí jenom proto, aby ve stáří všechno zapomněl.
„Když už člověk jednou je, tak má koukat aby byl. A když kouká, aby byl, a je, tak má být to, co je, a nemá být to, co není, jak tomu v mnoha případech je.“ J. Werich
Návrat nahoru
Zobrazit informace o autorovi Odeslat soukromou zprávu Odeslat e-mail
Zobrazit příspěvky z předchozích:   
Přidat nové téma   Zaslat odpověď       Obsah fóra Diskuzní fórum Elektro Bastlírny -> Poradna Časy uváděny v GMT + 1 hodina
Jdi na stránku 1, 2  Další
Strana 1 z 2

 
Přejdi na:  
Nemůžete odesílat nové téma do tohoto fóra.
Nemůžete odpovídat na témata v tomto fóru.
Nemůžete upravovat své příspěvky v tomto fóru.
Nemůžete mazat své příspěvky v tomto fóru.
Nemůžete hlasovat v tomto fóru.
Nemůžete připojovat soubory k příspěvkům
Můžete stahovat a prohlížet přiložené soubory

Powered by phpBB © 2001, 2005 phpBB Group
Forums ©
Nuke - Elektro Bastlirna

Informace na portálu Elektro bastlírny jsou prezentovány za účelem vzdělání čtenářů a rozšíření zájmu o elektroniku. Autoři článků na serveru neberou žádnou zodpovědnost za škody vzniklé těmito zapojeními. Rovněž neberou žádnou odpovědnost za případnou újmu na zdraví vzniklou úrazem elektrickým proudem. Autoři a správci těchto stránek nepřejímají záruku za správnost zveřejněných materiálů. Předkládané informace a zapojení jsou zveřejněny bez ohledu na případné patenty třetích osob. Nároky na odškodnění na základě změn, chyb nebo vynechání jsou zásadně vyloučeny. Všechny registrované nebo jiné obchodní známky zde použité jsou majetkem jejich vlastníků. Uvedením nejsou zpochybněna z toho vyplývající vlastnická práva. Použití konstrukcí v rozporu se zákonem je přísně zakázáno. Vzhledem k tomu, že původ předkládaných materiálů nelze žádným způsobem dohledat, nelze je použít pro komerční účely! Tento nekomerční server nemá z uvedených zapojení či konstrukcí žádný zisk. Nezodpovídáme za pravost předkládaných materiálů třetími osobami a jejich původ. V případě, že zjistíte porušení autorského práva či jiné nesrovnalosti, kontaktujte administrátory na diskuzním fóru EB.


PHP-Nuke Copyright © 2005 by Francisco Burzi. This is free software, and you may redistribute it under the GPL. PHP-Nuke comes with absolutely no warranty, for details, see the license.
Čas potřebný ke zpracování stránky 0.16 sekund