Vítejte na Elektro Bastlírn?
Nuke - Elektro Bastlirna
  Vytvořit účet
Hlavní · Fórum · DDump · Profil · Zprávy · Hledat na fóru


Nuke - Elektro Bastlirna: Diskuzní fórum

 FAQFAQ   HledatHledat   Uživatelské skupinyUživatelské skupiny   ProfilProfil   Soukromé zprávySoukromé zprávy   PřihlášeníPřihlášení 

pračka AWT 2240 programátor EC 4748.01C02

 
Přidat nové téma   Zaslat odpověď       Obsah fóra Diskuzní fórum Elektro Bastlírny -> Bílá technika
Zobrazit předchozí téma :: Zobrazit následující téma  
Autor Zpráva
kyci



Založen: Jan 29, 2009
Příspěvky: 35
Bydliště: 7 km od Bytce

PříspěvekZaslal: ne prosinec 05 2021, 17:01    Předmět: pračka AWT 2240 programátor EC 4748.01C02 Citovat

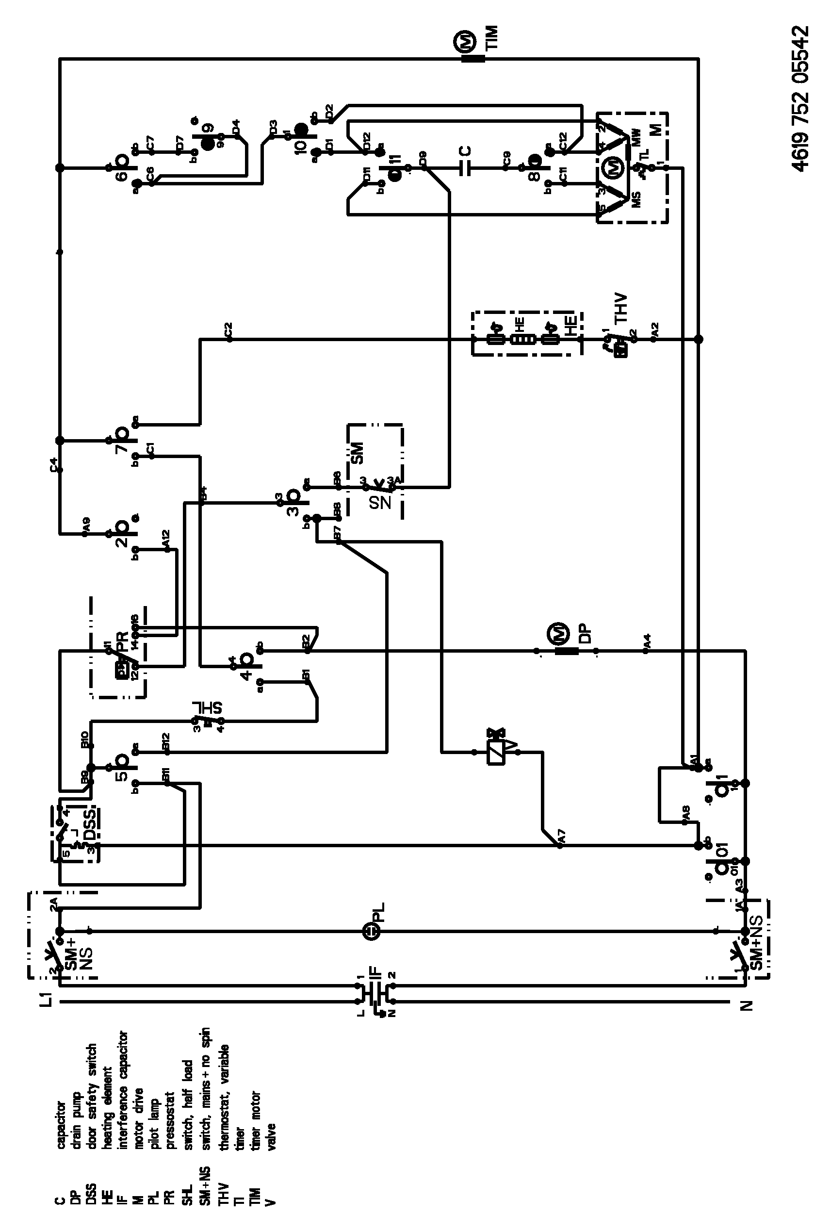
Prosim Vas pomohol by mi niekto so spravnym zapojenim tohto programatora?zapajam to podla schemy ,ale neviem ,kde zapojit vstup napajania


1825256600_1638554716.jpg
 Komentář:
 Velikost:  22.63 kB
 Zobrazeno:  165 krát

1825256600_1638554716.jpg



awt.png
 Komentář:
 Velikost:  57.46 kB
 Zobrazeno:  192 krát

awt.png



awt1.png
 Komentář:
 Velikost:  175.63 kB
 Zobrazeno:  144 krát

awt1.png



awt2.png
 Komentář:
 Velikost:  64.32 kB
 Zobrazeno:  146 krát

awt2.png


Návrat nahoru
Zobrazit informace o autorovi Odeslat soukromou zprávu
MiraSt



Založen: Apr 19, 2008
Příspěvky: 1805
Bydliště: Fryčovice

PříspěvekZaslal: ne prosinec 05 2021, 18:00    Předmět: Citovat

Tak piny B11 a A3. Nebo potřebuješ vědět které piny na programátoru to jsou?
_________________
Posílal jsem elektřinu horníkům. Už dofárali. Důl Staříč - Paskov. Demolice běží naplno.
Návrat nahoru
Zobrazit informace o autorovi Odeslat soukromou zprávu Odeslat e-mail
procesor



Založen: Oct 02, 2009
Příspěvky: 5286
Bydliště: PO

PříspěvekZaslal: ne prosinec 05 2021, 18:19    Předmět: Citovat

fáza na B11
nulák na A3

jednotlivé riadky A,B,C,D
císlovanie 1,....

Ak to nie je označené na plaste, potom sa to musí zistiť premeraním ohmetrom v počiatočnej polohe. Nektoré kontakty sú vo vnútri už prepojené.
Návrat nahoru
Zobrazit informace o autorovi Odeslat soukromou zprávu
kyci



Založen: Jan 29, 2009
Příspěvky: 35
Bydliště: 7 km od Bytce

PříspěvekZaslal: ne prosinec 05 2021, 19:12    Předmět: Citovat

Dík vyskúšam ešte toto zapojenie
Návrat nahoru
Zobrazit informace o autorovi Odeslat soukromou zprávu
procesor



Založen: Oct 02, 2009
Příspěvky: 5286
Bydliště: PO

PříspěvekZaslal: ne prosinec 05 2021, 19:26    Předmět: Citovat

Asi takto (?)


___EC4748_01c02.jpg
 Komentář:
 Velikost:  33.06 kB
 Zobrazeno:  133 krát

___EC4748_01c02.jpg


Návrat nahoru
Zobrazit informace o autorovi Odeslat soukromou zprávu
Zobrazit příspěvky z předchozích:   
Přidat nové téma   Zaslat odpověď       Obsah fóra Diskuzní fórum Elektro Bastlírny -> Bílá technika Časy uváděny v GMT + 1 hodina
Strana 1 z 1

 
Přejdi na:  
Nemůžete odesílat nové téma do tohoto fóra.
Nemůžete odpovídat na témata v tomto fóru.
Nemůžete upravovat své příspěvky v tomto fóru.
Nemůžete mazat své příspěvky v tomto fóru.
Nemůžete hlasovat v tomto fóru.
Nemůžete připojovat soubory k příspěvkům
Můžete stahovat a prohlížet přiložené soubory

Powered by phpBB © 2001, 2005 phpBB Group
Forums ©
Nuke - Elektro Bastlirna

Informace na portálu Elektro bastlírny jsou prezentovány za účelem vzdělání čtenářů a rozšíření zájmu o elektroniku. Autoři článků na serveru neberou žádnou zodpovědnost za škody vzniklé těmito zapojeními. Rovněž neberou žádnou odpovědnost za případnou újmu na zdraví vzniklou úrazem elektrickým proudem. Autoři a správci těchto stránek nepřejímají záruku za správnost zveřejněných materiálů. Předkládané informace a zapojení jsou zveřejněny bez ohledu na případné patenty třetích osob. Nároky na odškodnění na základě změn, chyb nebo vynechání jsou zásadně vyloučeny. Všechny registrované nebo jiné obchodní známky zde použité jsou majetkem jejich vlastníků. Uvedením nejsou zpochybněna z toho vyplývající vlastnická práva. Použití konstrukcí v rozporu se zákonem je přísně zakázáno. Vzhledem k tomu, že původ předkládaných materiálů nelze žádným způsobem dohledat, nelze je použít pro komerční účely! Tento nekomerční server nemá z uvedených zapojení či konstrukcí žádný zisk. Nezodpovídáme za pravost předkládaných materiálů třetími osobami a jejich původ. V případě, že zjistíte porušení autorského práva či jiné nesrovnalosti, kontaktujte administrátory na diskuzním fóru EB.


PHP-Nuke Copyright © 2005 by Francisco Burzi. This is free software, and you may redistribute it under the GPL. PHP-Nuke comes with absolutely no warranty, for details, see the license.
Čas potřebný ke zpracování stránky 0.14 sekund