Vítejte na Elektro Bastlírn?
Nuke - Elektro Bastlirna
  Vytvořit účet
Hlavní · Fórum · DDump · Profil · Zprávy · Hledat na fóru


Nuke - Elektro Bastlirna: Diskuzní fórum

 FAQFAQ   HledatHledat   Uživatelské skupinyUživatelské skupiny   ProfilProfil   Soukromé zprávySoukromé zprávy   PřihlášeníPřihlášení 

Schéma k TV hře Tesla XD8000

 
Přidat nové téma   Zaslat odpověď       Obsah fóra Diskuzní fórum Elektro Bastlírny -> Řešení problémů s různými konstrukcemi
Zobrazit předchozí téma :: Zobrazit následující téma  
Autor Zpráva
solis123



Založen: Nov 30, 2020
Příspěvky: 48
Bydliště: Olomouc

PříspěvekZaslal: čt listopad 25 2021, 10:44    Předmět: Schéma k TV hře Tesla XD8000 Citovat

Zdravím,

nemá někdo prosím schéma zapojení TV hry (tenis) TESLA XD8000?
http://www.litildivil.cz/sbirka/ruzne/TV_hra_Tesla0.htm


Docela by mě zajímalo, jak to může fungovat? Většina obdobných her stavěná též z TTL má trojnásobně vyšší počet komponentů (včetně originální Pongu).


Děkuji,
solis123
Návrat nahoru
Zobrazit informace o autorovi Odeslat soukromou zprávu
ok1hga



Založen: Nov 28, 2006
Příspěvky: 12724
Bydliště: Česká Třebová

PříspěvekZaslal: čt listopad 25 2021, 14:27    Předmět: Citovat

jediné co jsem dohledal je toto . . .

http://www.litildivil.cz/sbirka/ruzne/tv_hra_tesla.htm

http://www.teslakatalog.cz/MAS601.html

https://www.oldcomp.cz/viewtopic.php?f=75&t=2100



XD8001A deska.jpg
 Komentář:
 Velikost:  149.05 kB
 Zobrazeno:  366 krát

XD8001A deska.jpg



XD8001A_plosny_spoj.jpg
 Komentář:
 Velikost:  50.97 kB
 Zobrazeno:  278 krát

XD8001A_plosny_spoj.jpg


Návrat nahoru
Zobrazit informace o autorovi Odeslat soukromou zprávu
samec



Založen: Dec 19, 2017
Příspěvky: 6604

PříspěvekZaslal: čt listopad 25 2021, 15:10    Předmět: Citovat

solis123 napsal(a):
jak to může fungovat?
Jednoducho. Generátor snímkových impulzov, generátor riadkových impulzov, integračné prevodníky na pílu, generátor trojuholíku pre pohyb lopticky v smere X, ...Y, komparátory signálov navzájom a s napätiami z potenciometrov ovládačov, anténny modulátor, reproduktor. Blyawn
Návrat nahoru
Zobrazit informace o autorovi Odeslat soukromou zprávu
solis123



Založen: Nov 30, 2020
Příspěvky: 48
Bydliště: Olomouc

PříspěvekZaslal: čt listopad 25 2021, 15:30    Předmět: Citovat

to ok1hga:

Děkuji za odpověď, ale to není bohužel to, co hledám. To je XD 8001, sestavená z obvodů MAS 601/602/603, které se asi už nikde neprodávají.

Mně by se hodilo schéma XD 8000 (nebo XD 8000A), které je složené jen z asi 10 TTL obvodů.


to samec:

Ano, to je pravda. Jen mi to přijde zajímavé, že originální Pong má asi 70 IO, TV tenis z Amatérského rádia jich má tak 25 (z roku 1977 nebo 1979), ale tohle si vystačí s 10-ti.
Návrat nahoru
Zobrazit informace o autorovi Odeslat soukromou zprávu
OM1DVI



Založen: Dec 23, 2024
Příspěvky: 1

PříspěvekZaslal: po prosinec 23 2024, 21:02    Předmět: Citovat

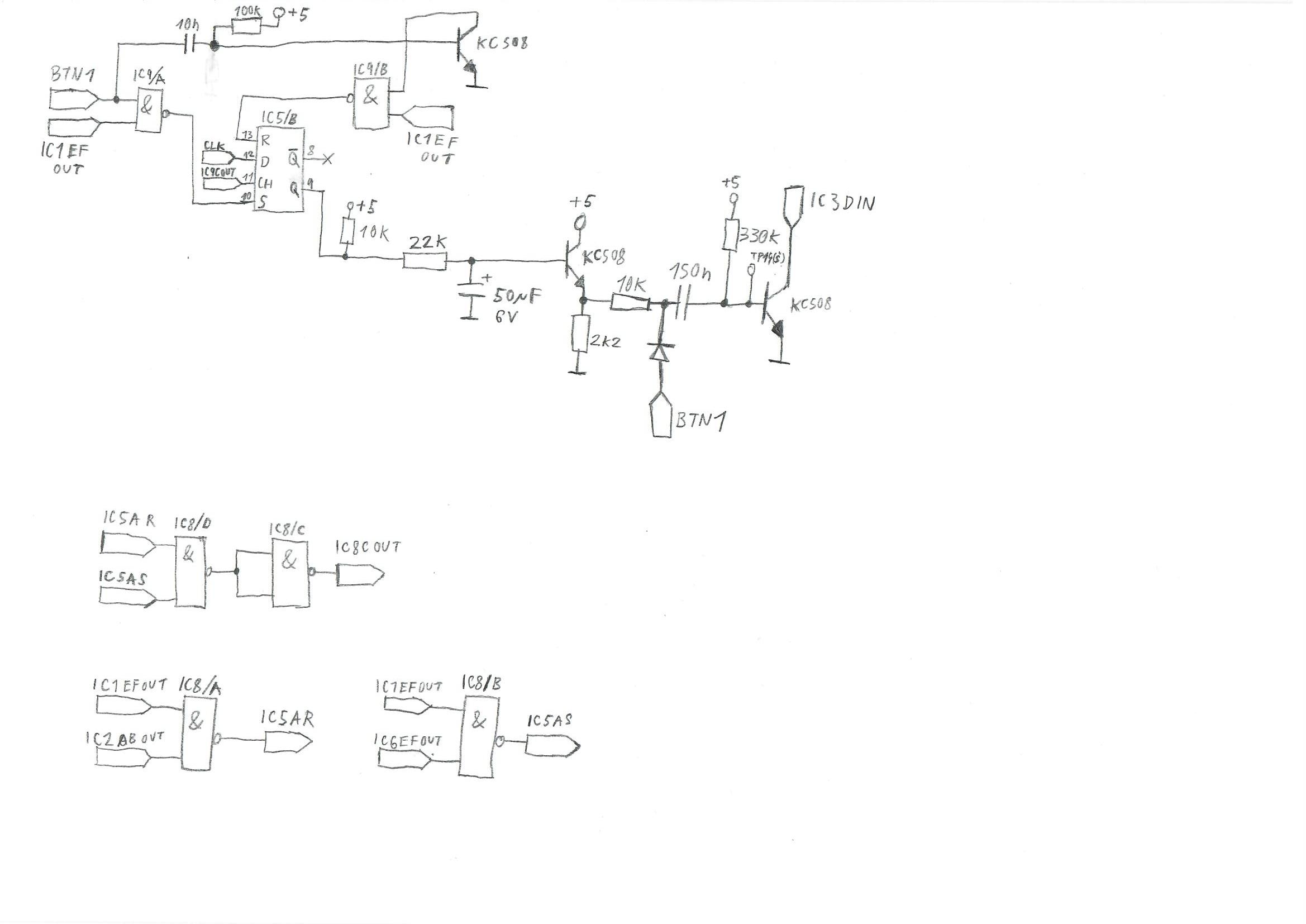
Zdravím,

Tiež som nevedel nájsť schému xd 8000.
Konečne som mal chvíľu čas ju prekresliť, nie je najkrajšia ale snáď je správna. Keby je tam niečo zle, rád to opravím.



Scan_0001.jpg
 Komentář:
 Velikost:  223.65 kB
 Zobrazeno:  194 krát

Scan_0001.jpg



Scan_0002.jpg
 Komentář:
 Velikost:  138.98 kB
 Zobrazeno:  156 krát

Scan_0002.jpg



Scan_0003.jpg
 Komentář:
 Velikost:  170.69 kB
 Zobrazeno:  154 krát

Scan_0003.jpg



Scan_0004.jpg
 Komentář:
 Velikost:  186.02 kB
 Zobrazeno:  160 krát

Scan_0004.jpg


Návrat nahoru
Zobrazit informace o autorovi Odeslat soukromou zprávu
judeware



Založen: Aug 04, 2009
Příspěvky: 1969
Bydliště: okres Písek

PříspěvekZaslal: po prosinec 23 2024, 22:13    Předmět: Citovat

MAS 601/602/603 byly kopiemi západních IO, nebo šlo o ryze tuzemskou věc od A do Z?
Návrat nahoru
Zobrazit informace o autorovi Odeslat soukromou zprávu Odeslat e-mail
solis123



Založen: Nov 30, 2020
Příspěvky: 48
Bydliště: Olomouc

PříspěvekZaslal: út duben 29 2025, 18:52    Předmět: Citovat

to OM1DVI

Zdravím,

děkuji ti za překreslení této TV hry. Po třech a půl letech od založení tohoto vlákna jsem ani nedoufal, že by někdo to zapojení měl, ať už v jakékoliv podobě. Sice to teď pro mě není zas tak kritické, protože jsem si mezitím vymyslel mnoho jiných bastl projektů, ale skeny si uložím a možná se k nim někdy vrátím. Sehnal jsem pár AY-3-8500, takže mám momentálně rozpracované TV hry s tímto IO dle zapojení od Nostalcompa.
Jen by mě zajímalo, jestli k tomu máš i ovladače, tak jakou hodnotu odporu by měly mít ty otočné potenciometry?



Kdyby ještě někdo pátral po XD 8000, tak je zde na Herním archivu k dispozici návod na obsluhu. Schéma tam není, ani nic moc ke konstrukci, ale je fajn, že se dochoval.
Návrat nahoru
Zobrazit informace o autorovi Odeslat soukromou zprávu
sCZther



Založen: Dec 02, 2019
Příspěvky: 11

PříspěvekZaslal: st březen 18 2026, 15:19    Předmět: Citovat

OM1DVI napsal(a):
Zdravím,

Tiež som nevedel nájsť schému xd 8000.
Konečne som mal chvíľu čas ju prekresliť, nie je najkrajšia ale snáď je správna. Keby je tam niečo zle, rád to opravím.


Díky za schéma, dlouhou dobu o hře nebyly žádné informace. Kamarád to ještě zpracovává do hezčí podoby a opravil tam drobné chyby a teď jen čeká, kdy si to bude moct ověřit oproti fyzickému kousku.
Mohl bys říct k tomu svému co k němu máš? Je s krabicí a návodem? Víš sériové číslo nebo datum výroby?

judeware napsal(a):
MAS 601/602/603 byly kopiemi západních IO, nebo šlo o ryze tuzemskou věc od A do Z?


Jde o čistě tuzemskou věc, více v článcích na našem webu:
https://herniarchiv.cz/blog/67-pong-xd8001-pod-drobnohledem/

solis123 napsal(a):

děkuji ti za překreslení této TV hry. Po třech a půl letech od založení tohoto vlákna jsem ani nedoufal, že by někdo to zapojení měl, ať už v jakékoliv podobě. Sice to teď pro mě není zas tak kritické, protože jsem si mezitím vymyslel mnoho jiných bastl projektů, ale skeny si uložím a možná se k nim někdy vrátím. Sehnal jsem pár AY-3-8500, takže mám momentálně rozpracované TV hry s tímto IO dle zapojení od Nostalcompa.
Jen by mě zajímalo, jestli k tomu máš i ovladače, tak jakou hodnotu odporu by měly mít ty otočné potenciometry?

Kdyby ještě někdo pátral po XD 8000, tak je zde na Herním archivu k dispozici návod na obsluhu. Schéma tam není, ani nic moc ke konstrukci, ale je fajn, že se dochoval.


Děkujeme za pochvalu a přeju zdar do výroby. Ovladače chceme ověřit oproti fyzickému kousku a pak vydáme vylepšené schéma na webu.
Návrat nahoru
Zobrazit informace o autorovi Odeslat soukromou zprávu
kokun



Založen: Jun 21, 2008
Příspěvky: 9244
Bydliště: Valachy

PříspěvekZaslal: st březen 18 2026, 17:35    Předmět: Citovat

Tady je o nich tato zmínka:
sCZther tam napsal(a):
... Krom toho vím, že specificky HIFI klub připravil televizní hry, ze kterých pak vycházel návrh komerčně nabízených her od Tesly. Možná to bylo někde zmíněno, nebo jsem alespoň doufal v nějaká jména lidí z pražského klubu, které bych mohl zkusit dohledat a vyptat se. ...

_________________
Honza - kokúň
__________________________
Žádný učený z nebe nespadl, ale pitomce jako by shazovali
Návrat nahoru
Zobrazit informace o autorovi Odeslat soukromou zprávu Odeslat e-mail
Zobrazit příspěvky z předchozích:   
Přidat nové téma   Zaslat odpověď       Obsah fóra Diskuzní fórum Elektro Bastlírny -> Řešení problémů s různými konstrukcemi Časy uváděny v GMT + 1 hodina
Strana 1 z 1

 
Přejdi na:  
Nemůžete odesílat nové téma do tohoto fóra.
Nemůžete odpovídat na témata v tomto fóru.
Nemůžete upravovat své příspěvky v tomto fóru.
Nemůžete mazat své příspěvky v tomto fóru.
Nemůžete hlasovat v tomto fóru.
Nemůžete připojovat soubory k příspěvkům
Můžete stahovat a prohlížet přiložené soubory

Powered by phpBB © 2001, 2005 phpBB Group
Forums ©
Nuke - Elektro Bastlirna

Informace na portálu Elektro bastlírny jsou prezentovány za účelem vzdělání čtenářů a rozšíření zájmu o elektroniku. Autoři článků na serveru neberou žádnou zodpovědnost za škody vzniklé těmito zapojeními. Rovněž neberou žádnou odpovědnost za případnou újmu na zdraví vzniklou úrazem elektrickým proudem. Autoři a správci těchto stránek nepřejímají záruku za správnost zveřejněných materiálů. Předkládané informace a zapojení jsou zveřejněny bez ohledu na případné patenty třetích osob. Nároky na odškodnění na základě změn, chyb nebo vynechání jsou zásadně vyloučeny. Všechny registrované nebo jiné obchodní známky zde použité jsou majetkem jejich vlastníků. Uvedením nejsou zpochybněna z toho vyplývající vlastnická práva. Použití konstrukcí v rozporu se zákonem je přísně zakázáno. Vzhledem k tomu, že původ předkládaných materiálů nelze žádným způsobem dohledat, nelze je použít pro komerční účely! Tento nekomerční server nemá z uvedených zapojení či konstrukcí žádný zisk. Nezodpovídáme za pravost předkládaných materiálů třetími osobami a jejich původ. V případě, že zjistíte porušení autorského práva či jiné nesrovnalosti, kontaktujte administrátory na diskuzním fóru EB.


PHP-Nuke Copyright © 2005 by Francisco Burzi. This is free software, and you may redistribute it under the GPL. PHP-Nuke comes with absolutely no warranty, for details, see the license.
Čas potřebný ke zpracování stránky 0.17 sekund