Vítejte na Elektro Bastlírn?
Nuke - Elektro Bastlirna
  Vytvořit účet Hlavní · Fórum · DDump · Profil · Zprávy · Hledat na fóru · Příspěvky na provoz EB

Vlákno na téma KORONAVIRUS - nutná registrace


Nuke - Elektro Bastlirna: Diskuzní fórum

 FAQFAQ   HledatHledat   Uživatelské skupinyUživatelské skupiny   ProfilProfil   Soukromé zprávySoukromé zprávy   PřihlášeníPřihlášení 

Zapojení motorku

 
Přidat nové téma   Zaslat odpověď       Obsah fóra Diskuzní fórum Elektro Bastlírny -> Audiotechnika
Zobrazit předchozí téma :: Zobrazit následující téma  
Autor Zpráva
ferro0



Založen: May 31, 2011
Příspěvky: 691
Bydliště: Jablonecko

PříspěvekZaslal: pá září 10 2021, 9:32    Předmět: Zapojení motorku Citovat

Zdravím,
nevíte prosím je zapojit správně motorek? Potřebuji jen vyzkoušet mechaniku.
Na motorku je: - + H L
Díky



20210910_1026282.jpg
 Komentář:
 Velikost:  212.79 kB
 Zobrazeno:  203 krát

20210910_1026282.jpg


Návrat nahoru
Zobrazit informace o autorovi Odeslat soukromou zprávu
ZVUK2000



Založen: Apr 22, 2012
Příspěvky: 4412
Bydliště: Karvinsko

PříspěvekZaslal: pá září 10 2021, 9:38    Předmět: Citovat

Nebude to HL rychlo nahrávání z kazety na kazetu?
Návrat nahoru
Zobrazit informace o autorovi Odeslat soukromou zprávu Odeslat e-mail
ferro0



Založen: May 31, 2011
Příspěvky: 691
Bydliště: Jablonecko

PříspěvekZaslal: pá září 10 2021, 9:43    Předmět: Citovat

Nejspíš bude. Jednou se mi podařilo nesprávným zapojením poškodit regulaci motorku. Točil se, ale při složení mechaniky zpět a přehrání pásku to hodně kolísalo.
Návrat nahoru
Zobrazit informace o autorovi Odeslat soukromou zprávu
rnbw



Založen: Mar 21, 2006
Příspěvky: 36962
Bydliště: Bratislava

PříspěvekZaslal: pá září 10 2021, 9:57    Předmět: Citovat

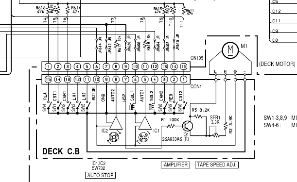
Zapojenie motora SHU2L v servisnom manuali Aiwa NSX-TR99.


shu2l.png
 Komentář:
 Velikost:  12.58 kB
 Zobrazeno:  267 krát

shu2l.png


Návrat nahoru
Zobrazit informace o autorovi Odeslat soukromou zprávu
cputakt



Založen: Nov 01, 2005
Příspěvky: 1234
Bydliště: Karvínsko

PříspěvekZaslal: po říjen 04 2021, 17:11    Předmět: Citovat

Teď řeším podobný problém na double Sharp. Na motoru se přebrousily kartáčky tak že se spojily a odpálili regulaci v motoru. Sehnal jsem druhý motor a pořád to nejede. Nakonec jsem zjistil že bouchnul i ten bipolár.
Návrat nahoru
Zobrazit informace o autorovi Odeslat soukromou zprávu Odeslat e-mail
Zobrazit příspěvky z předchozích:   
Přidat nové téma   Zaslat odpověď       Obsah fóra Diskuzní fórum Elektro Bastlírny -> Audiotechnika Časy uváděny v GMT + 1 hodina
Strana 1 z 1

 
Přejdi na:  
Nemůžete odesílat nové téma do tohoto fóra.
Nemůžete odpovídat na témata v tomto fóru.
Nemůžete upravovat své příspěvky v tomto fóru.
Nemůžete mazat své příspěvky v tomto fóru.
Nemůžete hlasovat v tomto fóru.
Nemůžete připojovat soubory k příspěvkům
Můžete stahovat a prohlížet přiložené soubory

Powered by phpBB © 2001, 2005 phpBB Group
Forums ©
Nuke - Elektro Bastlirna

Informace na portálu Elektro bastlírny jsou prezentovány za účelem vzdělání čtenářů a rozšíření zájmu o elektroniku. Autoři článků na serveru neberou žádnou zodpovědnost za škody vzniklé těmito zapojeními. Rovněž neberou žádnou odpovědnost za případnou újmu na zdraví vzniklou úrazem elektrickým proudem. Autoři a správci těchto stránek nepřejímají záruku za správnost zveřejněných materiálů. Předkládané informace a zapojení jsou zveřejněny bez ohledu na případné patenty třetích osob. Nároky na odškodnění na základě změn, chyb nebo vynechání jsou zásadně vyloučeny. Všechny registrované nebo jiné obchodní známky zde použité jsou majetkem jejich vlastníků. Uvedením nejsou zpochybněna z toho vyplývající vlastnická práva. Použití konstrukcí v rozporu se zákonem je přísně zakázáno. Vzhledem k tomu, že původ předkládaných materiálů nelze žádným způsobem dohledat, nelze je použít pro komerční účely! Tento nekomerční server nemá z uvedených zapojení či konstrukcí žádný zisk. Nezodpovídáme za pravost předkládaných materiálů třetími osobami a jejich původ. V případě, že zjistíte porušení autorského práva či jiné nesrovnalosti, kontaktujte administrátory na diskuzním fóru EB.


PHP-Nuke Copyright © 2005 by Francisco Burzi. This is free software, and you may redistribute it under the GPL. PHP-Nuke comes with absolutely no warranty, for details, see the license.
Čas potřebný ke zpracování stránky 0.33 sekund