Vítejte na Elektro Bastlírn?
Nuke - Elektro Bastlirna
  Vytvořit účet
Hlavní · Fórum · DDump · Profil · Zprávy · Hledat na fóru


Nuke - Elektro Bastlirna: Diskuzní fórum

 FAQFAQ   HledatHledat   Uživatelské skupinyUživatelské skupiny   ProfilProfil   Soukromé zprávySoukromé zprávy   PřihlášeníPřihlášení 

NZC 420 zvedání přenosky
Jdi na stránku 1, 2  Další
 
Přidat nové téma   Zaslat odpověď       Obsah fóra Diskuzní fórum Elektro Bastlírny -> Audiotechnika
Zobrazit předchozí téma :: Zobrazit následující téma  
Autor Zpráva
Petr98_2010



Založen: May 11, 2010
Příspěvky: 35

PříspěvekZaslal: út květen 04 2021, 15:36    Předmět: NZC 420 zvedání přenosky Citovat

Dobrý den,prosím o radu.
Koupil jsem si hodně dospělý gramofon NZC 420,skoro všechno se mi podařilo dát do chodu ale jedna závada odolává.Nefunguje mi zvedání přenosky po přehrání desky.Ta pohyblivá část vypínací páky běhá jak má ale plastová figura pod talířem se nehýbe.Je nasazená na čepu,uložení je volné.Vedle té plastové figury je pružinka , ale otočená opačným směrem.Předpokládám,že tam je chyba,protože v této poloze tam ta pružinka není užitečná,tlačí jen na tu plechovou desku.Ale já neumím vymyslet k čemu tam ta pružinka je.Podotýkám , že nevím jestli je to originální součástka.Bývalý majitel bohužel není dostupný.Zkoušel jsem to porovnat s NZC 431 ale tam je to jinak.Úspěšná rada by mě moc potěšila.V servisním návodu tato mechanická záležitost není řešena.Za případnou radu děkuji.
Návrat nahoru
Zobrazit informace o autorovi Odeslat soukromou zprávu
ok1hga



Založen: Nov 28, 2006
Příspěvky: 12686
Bydliště: Česká Třebová

PříspěvekZaslal: út květen 04 2021, 15:58    Předmět: Citovat

Petr98_2010 napsal(a):
Ta pohyblivá část vypínací páky běhá jak má ale plastová figura pod talířem se nehýbe.Je nasazená na čepu,uložení je volné.Vedle té plastové figury je pružinka , ale otočená opačným směrem.

. . . jaká plastová figura ?
domaluj umístění do obrázku, nebo tu "figuru" vyfoť . . .



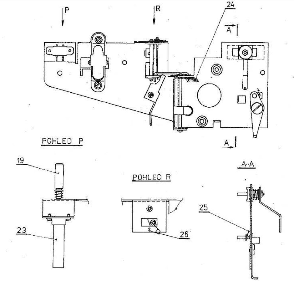
NC420-mechanika.jpg
 Komentář:
 Velikost:  179.96 kB
 Zobrazeno:  104 krát

NC420-mechanika.jpg



NC420-mechanika detail.jpg
 Komentář:
 Velikost:  78.46 kB
 Zobrazeno:  88 krát

NC420-mechanika detail.jpg



NZC420_zespoda detail.jpg
 Komentář:
 Velikost:  138.32 kB
 Zobrazeno:  128 krát

NZC420_zespoda detail.jpg


Návrat nahoru
Zobrazit informace o autorovi Odeslat soukromou zprávu
konosuke



Založen: Dec 18, 2006
Příspěvky: 9791
Bydliště: Český Těšín tam v pohraničí

PříspěvekZaslal: út květen 04 2021, 16:06    Předmět: Citovat

sorač jako ale vypínač zvedáčku (pod kloubem ramínka) je ve správné poloze ?
možná jsem blbej ale z popisu závady nepochopil jsem Sad
ano, šásko HC43 (NC430) je principiálně jiné a zvedáček doplňuje vypínač
pohonu (motorku)

_________________
Co se může pokazit to se taky pokazí. Co se nemůže pokazit to se pokazí taky. (Murphy)
Návrat nahoru
Zobrazit informace o autorovi Odeslat soukromou zprávu
ok1hga



Založen: Nov 28, 2006
Příspěvky: 12686
Bydliště: Česká Třebová

PříspěvekZaslal: út květen 04 2021, 16:25    Předmět: Citovat

lepší detail . . .


NZC420_zespoda detail2.jpg
 Komentář:
 Velikost:  238.47 kB
 Zobrazeno:  131 krát

NZC420_zespoda detail2.jpg


Návrat nahoru
Zobrazit informace o autorovi Odeslat soukromou zprávu
jardafiala



Založen: Jun 20, 2010
Příspěvky: 2584
Bydliště: Česká Lípa

PříspěvekZaslal: út květen 04 2021, 17:06    Předmět: Citovat

Občas je to trochu boj - zítra se pokusím na funkčním kousku popsat co to má dělat.
EDIT: Nejdřív ze všeho se přesvědč, že na subtalíři je čudlíček podle obrázku 1 a přepínač je podle obrázku 2. Potom to funguje tak, že při přehrávání desky je součást, označená na obrázku 5 červenou šipkou mezi součásmi s bílou a černou šipkou a předloha na obrázku 3 je (jak vidno) v poloze "chod" . Po přiblížení ramínka ke středu desky připostrčí plíšek, označený černě, "vodítko" či jak to nazvat, označené červenou šipkou tak, že se plastová předloha přestaví do polohy "vyp." viz obrázek 4. Když buděš hýbat raménkem mezi jeho krajními polohami tak se ti musí předloha pohybovat mezi "chod" a "vyp". Pohyb předlohy dělá jenom tření mezi hliníkovým výliskem (to je ten označený červenou šipkou na obrázku č.5) a předlohou tím že po ní výlisek jezdí a posunuje ji do kýžené polohy. A pak už pomocí čudlíčku (na obrázku 1) a setrvačnosti talíře (bez velkého talíře s plastovým subtalířem to jde blbě nebo spíš nejde, potřebuje to určitou nemalou sílu) dojde ke zvednutí přenosky. Pružina u předlohy je tam, zdá se, jen na ozdobu, při vypínání funkci žádnou nemá, možná když je vypínání vyřazeno.
Pokud budou potíže přetrvávat napiš SZ, zkusíme to podrobněji, mám i nějaké video. Ono video se dělá špatně zespodu, potřeboval bych tři nebo čtyři ruce....



1.JPG
 Komentář:
 Velikost:  87.8 kB
 Zobrazeno:  83 krát

1.JPG



2.jpg
 Komentář:
 Velikost:  26.76 kB
 Zobrazeno:  93 krát

2.jpg



3.JPG
 Komentář:
 Velikost:  114.59 kB
 Zobrazeno:  89 krát

3.JPG



4.JPG
 Komentář:
 Velikost:  162.87 kB
 Zobrazeno:  88 krát

4.JPG



5.jpg
 Komentář:
 Velikost:  83.4 kB
 Zobrazeno:  90 krát

5.jpg


Návrat nahoru
Zobrazit informace o autorovi Odeslat soukromou zprávu Odeslat e-mail
Petr98_2010



Založen: May 11, 2010
Příspěvky: 35

PříspěvekZaslal: st květen 05 2021, 22:04    Předmět: Citovat

Tou plastovou figurou myslím ramínko ke kterému směřují dokreslené šipky na třetí a čtvrté fotce.
Návrat nahoru
Zobrazit informace o autorovi Odeslat soukromou zprávu
Petr98_2010



Založen: May 11, 2010
Příspěvky: 35

PříspěvekZaslal: st květen 05 2021, 22:07    Předmět: Citovat

Ten přepínač pod závažím mám ve správné poloze.
Návrat nahoru
Zobrazit informace o autorovi Odeslat soukromou zprávu
Petr98_2010



Založen: May 11, 2010
Příspěvky: 35

PříspěvekZaslal: st květen 05 2021, 22:34    Předmět: Citovat

Trn na spodní straně subtalíře mám.Všechno co je napsáno v popisu činnosti mám v pořádku,takže jedině nemám tu sílu,která by pootočila tu předlohou.Už jsem to zkoušel ošidit Tamiya páskou abych zvýšil tření ale nepomohlo to.Chtěl jsem tu pohyblivou část mírně zdeformovat ale nejde mi stáhnout pojistka z čepu na který je navléknutá.Obávám se,že budu volat pana Zatloukala jestli by mi tu páku (kompletní) neprodal.A i to už bych bral jako vítězství.Takže otázka je kde vzít tu třecí sílu.Zatím velice děkuji.
Návrat nahoru
Zobrazit informace o autorovi Odeslat soukromou zprávu
jardafiala



Založen: Jun 20, 2010
Příspěvky: 2584
Bydliště: Česká Lípa

PříspěvekZaslal: čt květen 06 2021, 6:51    Předmět: Citovat

Tak mě napadá jestli to není něčím namazané. Odpoledne se ještě ozvu s dotazy a návodem na pokusy. Ta zmíněná plastová předloha chodí úplně volně? A než budeš psát panu Zatloukalovi koukni sem https://uloz.to/tamhle/lVSSYrT4tWUM#!ZJAvZQR2AQMyBQH2BTSuBGZlATZ4MH1II3ECBJqVD3SuAzEwMN== na tom hliníku co hýbe předlohou je značka (modrá tečka) a je vidět jak chodí s raménkem. Ten hliník to je vlastně ta součástka označená na obrázku 5 červeně. Nechybí ti tam nakonec ta část na obrázku 5 označená černou šipkou? Zkoušej, ptej se, to dáme. Nějaké kousky tu taky mám, kdyby bylo třeba.
Jo kdybys byl z české lípy a okolí tak do spravíme vlastnoručně. Když bude nejhůř, tak si můžem za nějako drobnou úplatu vyměnit šáska mezi sebou. Nebo mi pošleš to tvoje a dostaneš ho zpátky fungující, to vyřešíme přes SZ.
Návrat nahoru
Zobrazit informace o autorovi Odeslat soukromou zprávu Odeslat e-mail
Petr98_2010



Založen: May 11, 2010
Příspěvky: 35

PříspěvekZaslal: čt květen 06 2021, 20:04    Předmět: Citovat

Nechybí mi tam nic kromě síly která by pootočila tu předlohu.Ty styčné plochy jsou opakovaně odmaštěné lihem.Teď mě napadlo přejet tu plastovou plochu pilníčkem a tím ji trochu zdrsnit.To udělám.Ale na tom videu mě zaujalo, že ten váš pohyblivý plech má má takový "rázný krok"Ten můj se pohybuje jakoby z posledních sil.Musím se na to video znovu podívat.Z toho ,co si pamatuju ze školy z mechaniky mi vychází , že mám dvě možnosti-buď zvýšit tření nebo ty plochy k sobě "přimáčknout".Tu druhou možnost asi dokážu udělat jen deformací plechu. Ale je mi ta druhá možnost hodně proti mysli.Uvidíme.
Návrat nahoru
Zobrazit informace o autorovi Odeslat soukromou zprávu
Kremik



Založen: Mar 30, 2012
Příspěvky: 3713
Bydliště: Havířov

PříspěvekZaslal: čt květen 06 2021, 20:24    Předmět: Citovat

Tohle šásko neznám. Ale obvykle, pokud se někdo snaží něco opravit úpravou, vada obvykle bývá jinde než ji hledá. Až pak konečně objeví jádro pudla, provedené úpravy zase odstraňuje a obnovuje původní stav.
Návrat nahoru
Zobrazit informace o autorovi Odeslat soukromou zprávu Odeslat e-mail
jardafiala



Založen: Jun 20, 2010
Příspěvky: 2584
Bydliště: Česká Lípa

PříspěvekZaslal: čt květen 06 2021, 21:57    Předmět: Citovat

Ten hliníkový plech co hýbe předlohou je na ní prakticky položený jen vlastní váhou. To že se to neochotně nebo málo hýbe může být tím že součást na obrázku 5 označená černou šipkou je ve špatné poloze a postrkuje ten hliníkový plech jenom málo. Zkus jenom postrkovat tím plechem rukou a pak by se měla ta plastová předloha hýbat mezi polohami "chod" a "vyp". Pak by stačilo seřídit tu zmíněnou část s černou šipkou. Ono je to dost nepohodlné na pokusy protože aby to chodilo správně, musí být šasi ve vodorovné poloze. Hlavně nedeformovat! Jo a nepřekáží pohybu předlohy to perko (v kroužku)? Nějak nemůžu přijít na to, k čemu tam je. Pozoroval jsem ho při funkci a nedělá NIC, ale vůbec....


perko.jpg
 Komentář:
 Velikost:  26.87 kB
 Zobrazeno:  83 krát

perko.jpg


Návrat nahoru
Zobrazit informace o autorovi Odeslat soukromou zprávu Odeslat e-mail
Petr98_2010



Založen: May 11, 2010
Příspěvky: 35

PříspěvekZaslal: pá květen 07 2021, 23:36    Předmět: Citovat

Vážený pane,to bude vono. Kašleme na gramatiku.Mně pořád nebylo jasné kde se bere síla která tím plechem pohybuje.nenapadlo mně že to pracuje ve vodorovné poloze a z toho potom plyne i to další.V neděli večer to prohlédnu,ale myslím že to by mohlo přinést výsledek.Myslím ten kýžený.Ozvu se.
Návrat nahoru
Zobrazit informace o autorovi Odeslat soukromou zprávu
Petr98_2010



Založen: May 11, 2010
Příspěvky: 35

PříspěvekZaslal: so květen 08 2021, 14:14    Předmět: Citovat

Problém odhalen!
Plastová předloha se točí okolo čepu který je zasazen do vypínací páky.
Páka je z hlinikového plechu, čep ocelový.Po dlouhém provozu se otvor pro čep vymačkal, čep je volný a v důsledku toho předloha před tím páskem plechu který ji má pootočit do druhé polohy vždy uhne.Tedy ten pásek na předlohu působí silou nepatrnou a někdy žádnou.Potřebuji novou páku, bez ní to nevyřeším.Díky za rady,doufám že se mi to podaří nějak udělat.Teď už aspoň vím co mám napravit.
Návrat nahoru
Zobrazit informace o autorovi Odeslat soukromou zprávu
sinclair



Založen: Feb 02, 2005
Příspěvky: 9923
Bydliště: Luhačovice

PříspěvekZaslal: so květen 08 2021, 14:28    Předmět: Citovat

Opatrně. Jsou i ostatní hliníkové díly na Fe čepech podobně "vymačkané", nebo jde jen o výrobní vůli?
Pokud možno - po demontáži to prohlédni se silným zvětšením. Vymačkaná díra v hliníku, by musela být citelně eliptická.
Mně se vážně nezdá, že by intenzívním, třebas i denním používáním toho gramofonu, bylo možno na vypínacím/zvedacím ústrojí, skutečně vymačkat nepřípustnou vůli v plechovém výlisku.
V Litovli dělali všelicos, ale určitě nebyli hloupí tak, aby používali hliník tam, kde by šel použít levnější a pevnější kov.
Bude to něco jiného, ale takhle na dálku, jen pomocí fotek, je to fakt nahovno.
Už tu byl jeden, co si stěžoval na "nadměrné vůle" raménka na šasi HC16. Ukázalo se pak, že jde o běžnou výrobní vůli.
Návrat nahoru
Zobrazit informace o autorovi Odeslat soukromou zprávu Odeslat e-mail
Zobrazit příspěvky z předchozích:   
Přidat nové téma   Zaslat odpověď       Obsah fóra Diskuzní fórum Elektro Bastlírny -> Audiotechnika Časy uváděny v GMT + 1 hodina
Jdi na stránku 1, 2  Další
Strana 1 z 2

 
Přejdi na:  
Nemůžete odesílat nové téma do tohoto fóra.
Nemůžete odpovídat na témata v tomto fóru.
Nemůžete upravovat své příspěvky v tomto fóru.
Nemůžete mazat své příspěvky v tomto fóru.
Nemůžete hlasovat v tomto fóru.
Nemůžete připojovat soubory k příspěvkům
Můžete stahovat a prohlížet přiložené soubory

Powered by phpBB © 2001, 2005 phpBB Group
Forums ©
Nuke - Elektro Bastlirna

Informace na portálu Elektro bastlírny jsou prezentovány za účelem vzdělání čtenářů a rozšíření zájmu o elektroniku. Autoři článků na serveru neberou žádnou zodpovědnost za škody vzniklé těmito zapojeními. Rovněž neberou žádnou odpovědnost za případnou újmu na zdraví vzniklou úrazem elektrickým proudem. Autoři a správci těchto stránek nepřejímají záruku za správnost zveřejněných materiálů. Předkládané informace a zapojení jsou zveřejněny bez ohledu na případné patenty třetích osob. Nároky na odškodnění na základě změn, chyb nebo vynechání jsou zásadně vyloučeny. Všechny registrované nebo jiné obchodní známky zde použité jsou majetkem jejich vlastníků. Uvedením nejsou zpochybněna z toho vyplývající vlastnická práva. Použití konstrukcí v rozporu se zákonem je přísně zakázáno. Vzhledem k tomu, že původ předkládaných materiálů nelze žádným způsobem dohledat, nelze je použít pro komerční účely! Tento nekomerční server nemá z uvedených zapojení či konstrukcí žádný zisk. Nezodpovídáme za pravost předkládaných materiálů třetími osobami a jejich původ. V případě, že zjistíte porušení autorského práva či jiné nesrovnalosti, kontaktujte administrátory na diskuzním fóru EB.


PHP-Nuke Copyright © 2005 by Francisco Burzi. This is free software, and you may redistribute it under the GPL. PHP-Nuke comes with absolutely no warranty, for details, see the license.
Čas potřebný ke zpracování stránky 0.27 sekund