Vítejte na Elektro Bastlírn?
Nuke - Elektro Bastlirna
  Vytvořit účet Hlavní · Fórum · DDump · Profil · Zprávy · Hledat na fóru · Příspěvky na provoz EB

Vlákno na téma KORONAVIRUS - nutná registrace


Nuke - Elektro Bastlirna: Diskuzní fórum

 FAQFAQ   HledatHledat   Uživatelské skupinyUživatelské skupiny   ProfilProfil   Soukromé zprávySoukromé zprávy   PřihlášeníPřihlášení 

S: STRG6452

 
Přidat nové téma   Zaslat odpověď       Obsah fóra Diskuzní fórum Elektro Bastlírny -> Součástky
Zobrazit předchozí téma :: Zobrazit následující téma  
Autor Zpráva
kovar



Založen: Oct 03, 2010
Příspěvky: 1702
Bydliště: Letohrad (Východní Čechy)

PříspěvekZaslal: ne duben 04 2021, 20:41    Předmět: S: STRG6452 Citovat

Zdravím přátelé. Nemáte někdo tenhle IO? Dostal se mi do ruky takový malý šikovný projektor Casio XJ-S30 a když si ho opravím tak bude můj. Bohužel ten IO byl asi dělaný jen na zakázku a nejde od něj sehnat datasheet , takže ani nevím čím ho nahradit. A bohužel z číny nakupovat neumím.
Předem děkuji a přeji hezké velikonoce.

_________________
Lepší vrabec v hrsti nežli blechy v srsti.
Návrat nahoru
Zobrazit informace o autorovi Odeslat soukromou zprávu Odeslat e-mail
kovka



Založen: Nov 26, 2006
Příspěvky: 620
Bydliště: Brumovice

PříspěvekZaslal: ne duben 04 2021, 21:06    Předmět: Citovat

Někdy je dobré použít Google
https://www.semicon.sanken-ele.co.jp/sk_content/str-w605xs_ds_en.pdf
Návrat nahoru
Zobrazit informace o autorovi Odeslat soukromou zprávu
workhard



Založen: Jul 07, 2006
Příspěvky: 5450
Bydliště: Plzeň

PříspěvekZaslal: ne duben 04 2021, 21:06    Předmět: Citovat

Na Alíku za 10 kaček kus, to by se dalo i risknout. Je třeba sehnat někoho, kdo umí nakupovat z Číny Wink

kovka - to je trochu něco jiného.

_________________
Věci,které fungují,se ZÁSADNĚ neopravují...
Návrat nahoru
Zobrazit informace o autorovi Odeslat soukromou zprávu
kovar



Založen: Oct 03, 2010
Příspěvky: 1702
Bydliště: Letohrad (Východní Čechy)

PříspěvekZaslal: ne duben 04 2021, 21:21    Předmět: Citovat

kovka :Jak jsi na to přišel že je to on?
_________________
Lepší vrabec v hrsti nežli blechy v srsti.
Návrat nahoru
Zobrazit informace o autorovi Odeslat soukromou zprávu Odeslat e-mail
warp



Založen: Sep 23, 2004
Příspěvky: 1195
Bydliště: Praha-Sobín

PříspěvekZaslal: ne duben 04 2021, 21:31    Předmět: Citovat

Datasheet jsem taky nenašel, na ALI není problém. Objednat můžu ale to zaslání - není zadarmo (a dražší než cena) + čekání cca 1 měs.
Návrat nahoru
Zobrazit informace o autorovi Odeslat soukromou zprávu Odeslat e-mail
kovar



Založen: Oct 03, 2010
Příspěvky: 1702
Bydliště: Letohrad (Východní Čechy)

PříspěvekZaslal: ne duben 04 2021, 21:55    Předmět: Citovat

V tom projektoru to dělá zdroj 12V. Kdyby to nebylo navázané na druhé obvody tak se na to vyprnu a dám tam 1A zdroj zvlášť. Very Happy
_________________
Lepší vrabec v hrsti nežli blechy v srsti.
Návrat nahoru
Zobrazit informace o autorovi Odeslat soukromou zprávu Odeslat e-mail
jezevec
Hlavní moderátor


Založen: Jun 13, 2004
Příspěvky: 6054
Bydliště: Břeclavsko

PříspěvekZaslal: po duben 05 2021, 8:27    Předmět: Citovat

Tyhle hybridy v dané řadě jsou si podobné jak vejce vejci. Podle DPS si ověř zapojení a dej tam nějaký podobný běžně dostupný. Popř. přehodíš vývody.
Návrat nahoru
Zobrazit informace o autorovi Odeslat soukromou zprávu Zobrazit autorovy WWW stránky
termit256



Založen: Dec 06, 2007
Příspěvky: 10335

PříspěvekZaslal: po duben 05 2021, 8:39    Předmět: Citovat

kovar napsal(a):
V tom projektoru to dělá zdroj 12V. Kdyby to nebylo navázané na druhé obvody tak se na to vyprnu a dám tam 1A zdroj zvlášť. Very Happy

Cim je to navazane? Vetsinou tam byva jen nejaky standby signal.
Návrat nahoru
Zobrazit informace o autorovi Odeslat soukromou zprávu
kovka



Založen: Nov 26, 2006
Příspěvky: 620
Bydliště: Brumovice

PříspěvekZaslal: po duben 05 2021, 10:00    Předmět: Citovat

Jednoduše jsem na to "došel", přehlídl jsem W v označení, sorry
Návrat nahoru
Zobrazit informace o autorovi Odeslat soukromou zprávu
kovar



Založen: Oct 03, 2010
Příspěvky: 1702
Bydliště: Letohrad (Východní Čechy)

PříspěvekZaslal: ne leden 01 2023, 19:52    Předmět: Citovat

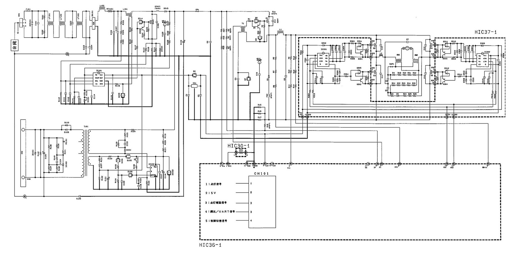
zdravím přátelé. konečně sem sehnal ten integráč a chtěl se pustit do opravy.na táně sem sehnal i nějakou dokumentaci ale mám problém abych něco nepokazil.je tam schéma toho zdroje ale bez hodnot součástek!nemáte někdo nápad kde to dohledat celé? gůgl mě opravdu nic nenašel!


projektor.jpg
 Komentář:
 Velikost:  283.44 kB
 Zobrazeno:  108 krát

projektor.jpg



_________________
Lepší vrabec v hrsti nežli blechy v srsti.
Návrat nahoru
Zobrazit informace o autorovi Odeslat soukromou zprávu Odeslat e-mail
Zobrazit příspěvky z předchozích:   
Přidat nové téma   Zaslat odpověď       Obsah fóra Diskuzní fórum Elektro Bastlírny -> Součástky Časy uváděny v GMT + 1 hodina
Strana 1 z 1

 
Přejdi na:  
Nemůžete odesílat nové téma do tohoto fóra.
Nemůžete odpovídat na témata v tomto fóru.
Nemůžete upravovat své příspěvky v tomto fóru.
Nemůžete mazat své příspěvky v tomto fóru.
Nemůžete hlasovat v tomto fóru.
Nemůžete připojovat soubory k příspěvkům
Můžete stahovat a prohlížet přiložené soubory

Powered by phpBB © 2001, 2005 phpBB Group
Forums ©
Nuke - Elektro Bastlirna

Informace na portálu Elektro bastlírny jsou prezentovány za účelem vzdělání čtenářů a rozšíření zájmu o elektroniku. Autoři článků na serveru neberou žádnou zodpovědnost za škody vzniklé těmito zapojeními. Rovněž neberou žádnou odpovědnost za případnou újmu na zdraví vzniklou úrazem elektrickým proudem. Autoři a správci těchto stránek nepřejímají záruku za správnost zveřejněných materiálů. Předkládané informace a zapojení jsou zveřejněny bez ohledu na případné patenty třetích osob. Nároky na odškodnění na základě změn, chyb nebo vynechání jsou zásadně vyloučeny. Všechny registrované nebo jiné obchodní známky zde použité jsou majetkem jejich vlastníků. Uvedením nejsou zpochybněna z toho vyplývající vlastnická práva. Použití konstrukcí v rozporu se zákonem je přísně zakázáno. Vzhledem k tomu, že původ předkládaných materiálů nelze žádným způsobem dohledat, nelze je použít pro komerční účely! Tento nekomerční server nemá z uvedených zapojení či konstrukcí žádný zisk. Nezodpovídáme za pravost předkládaných materiálů třetími osobami a jejich původ. V případě, že zjistíte porušení autorského práva či jiné nesrovnalosti, kontaktujte administrátory na diskuzním fóru EB.


PHP-Nuke Copyright © 2005 by Francisco Burzi. This is free software, and you may redistribute it under the GPL. PHP-Nuke comes with absolutely no warranty, for details, see the license.
Čas potřebný ke zpracování stránky 0.14 sekund