Vítejte na Elektro Bastlírn?
Nuke - Elektro Bastlirna
  Vytvořit účet Hlavní · Fórum · DDump · Profil · Zprávy · Hledat na fóru · Příspěvky na provoz EB

Vlákno na téma KORONAVIRUS - nutná registrace


Nuke - Elektro Bastlirna: Diskuzní fórum

 FAQFAQ   HledatHledat   Uživatelské skupinyUživatelské skupiny   ProfilProfil   Soukromé zprávySoukromé zprávy   PřihlášeníPřihlášení 

Zdvojení výstupu step up UC3843N
Jdi na stránku 1, 2, 3, 4  Další
 
Přidat nové téma   Zaslat odpověď       Obsah fóra Diskuzní fórum Elektro Bastlírny -> Svářečky, UPS, nabíječe, měniče, zdroje, trafa a další
Zobrazit předchozí téma :: Zobrazit následující téma  
Autor Zpráva
jova1



Založen: Dec 20, 2007
Příspěvky: 1344
Bydliště: Chýnov - to je kousek od Tábora

PříspěvekZaslal: ne leden 17 2021, 19:35    Předmět: Zdvojení výstupu step up UC3843N Citovat

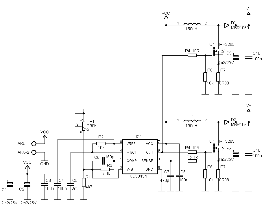
Zdravím, trochu tu bojuji s měničem step u UC3843N.
Potřebuji zvýšit napětí z akumulátoru 9-12V na 24V pro dva stejné LED pásky.
Takže buď potřebuji na výstupu mít 24V cca 1,5A, nebo 2x 24V / 0,75A.
Ten proud 1,5A už je na ty tlumivky co chci použít asi moc, tak mě napadlo, zda by se nedal pouze zdvojit jen ten výstupní obvod jak je naznačené na obrázku. Bude to fungovat, nebo je to celé nesmysl a budu muset ten obvod udělat komplet dvojitý?



step up.png
 Komentář:
 Velikost:  7.09 kB
 Zobrazeno:  154 krát

step up.png


Návrat nahoru
Zobrazit informace o autorovi Odeslat soukromou zprávu Zobrazit autorovy WWW stránky
ZdenekHQ
Administrátor


Založen: Jul 21, 2006
Příspěvky: 25741
Bydliště: skoro Brno

PříspěvekZaslal: ne leden 17 2021, 19:47    Předmět: Citovat

No, ono je to v podstatě správně, jen ty výstupy musíš spojit mezi sebou a zavést do jedné zpětné vazby. Běžně se to používá.

Každopádně to ale bude napěťový výstup, nevím jestli ty ledky nechcou spíš proud.

_________________
Pro moje oslovení klidně použijte jméno Zdeněk
Správně navržené zapojení je jako recept na dobré jídlo.
Můžete vynechat půlku ingrediencí, nebo přidat jiné,
ale jste si jistí, že vám to bude chutnat[?
]
Návrat nahoru
Zobrazit informace o autorovi Odeslat soukromou zprávu Zobrazit autorovy WWW stránky
jova1



Založen: Dec 20, 2007
Příspěvky: 1344
Bydliště: Chýnov - to je kousek od Tábora

PříspěvekZaslal: ne leden 17 2021, 20:17    Předmět: Citovat

Dík za odpověď, ještě bych se zeptal, nemám tam moc místa a tak bych tam rád dostal cívky motané na toroidy z počítače. Průměr toroidu 16mm, výška 6mm, barva zeleno modrá. Namotal jsem už snad 20 variant cívky na ten toroid a zatím se mi nepodařilo docílit toho, aby se ten toroid nehřál. Motal jsem drátem 1mm, 0,7mm, 0,7mm dvojitě, od nějakých 20ti závitů po 60 a pořád to není ono. Netušíte čím to je? Není ten toroid na daný výkon malý? Frekvenci měním změnou C5, R2.
Návrat nahoru
Zobrazit informace o autorovi Odeslat soukromou zprávu Zobrazit autorovy WWW stránky
ZdenekHQ
Administrátor


Založen: Jul 21, 2006
Příspěvky: 25741
Bydliště: skoro Brno

PříspěvekZaslal: ne leden 17 2021, 20:26    Předmět: Citovat

No, já ty toroidy kupuju hotový podle potřebných parametrů, včetně proudu. Když hřeje, je přesycenej a je to špatně. Může být mírně teplej.

Ale UC je trošku něco jinýho. Tam je víc problémů. Včetně toho paralelního provozu.

_________________
Pro moje oslovení klidně použijte jméno Zdeněk
Správně navržené zapojení je jako recept na dobré jídlo.
Můžete vynechat půlku ingrediencí, nebo přidat jiné,
ale jste si jistí, že vám to bude chutnat[?
]
Návrat nahoru
Zobrazit informace o autorovi Odeslat soukromou zprávu Zobrazit autorovy WWW stránky
PavelFF



Založen: Feb 18, 2008
Příspěvky: 5248
Bydliště: Brno

PříspěvekZaslal: ne leden 17 2021, 21:30    Předmět: Citovat

Myslím, že je to zbytečná komplikace. Stačí prostě vybrat vhodnou velikost a hmotu toroidu a správně dimenzovaný tranzistor a nemusíš vyrábět paralelní obvod, který nemá napěťovou ani proudovou zpětnou vazbu. Nebo raděj použij druhý samostatný měnič, který to hlídání U a I mít bude.

Abys určil vhodnost toroidu, chce to nějaké počítání a znát parametry hmoty a podle toho upravit i kmitočet (o tom se vůbec nezmiňuješ). Měnit zkusmo závity nemusí stačit. Že se toroid hřeje je normální, jen to nesmí vést ke ztrátě vlastností jádra nebo generování čmoudu. A požadovaný výkon dostaneš, aspoň krátkodobě?

Taková lesana87 je na tyhle měniče odbornice a umí je zpaměti.
Návrat nahoru
Zobrazit informace o autorovi Odeslat soukromou zprávu
lesana87



Založen: Sep 20, 2014
Příspěvky: 3863

PříspěvekZaslal: ne leden 17 2021, 21:48    Předmět: Citovat

Jestli mě paměť neklame, tak abys ten toroid nepřesytil, můžeš na něj namotat maximálně

Nmax = Bmax*S/(Al*Imax)

Nmax je max. počet závitů
Bmax je maximální sycení, pro materiál 52 je to asi 0,3T (edit: tak prej 1T)
S je průřez jádra
Al je indukčnost na jeden závit² - namotáš např. 10z rovnoměrně po obvodu, změříš indukčnost a vydělíš 10²
Imax je maximální proud, který cívkou poteče (špičkový u tlumivky)

Pokud je výsledná indukčnost moc malá pro aplikaci, je toroid moc malý.


Naposledy upravil lesana87 dne ne leden 17 2021, 21:59, celkově upraveno 1 krát.
Návrat nahoru
Zobrazit informace o autorovi Odeslat soukromou zprávu
jova1



Založen: Dec 20, 2007
Příspěvky: 1344
Bydliště: Chýnov - to je kousek od Tábora

PříspěvekZaslal: ne leden 17 2021, 21:58    Předmět: Citovat

To PavelF: Frekvenci samozřejmě měním tou změnou C5, R2. Snažím se ten obvod vždy vyladit na co nejvyšší účinnost při tom daném proudu a napětí na výstupu. Nejlépe mi ten obvod pracuje při tom polovičním výkonu s cívkou na feritové čince co má cca 120uH. To se tranzistor nehřeje vůbec, cívka v přijatelných mezích. Pokud tu samou hodnotu „navinu“ na feritový prstýnek silným drátem, tak už to nefunguje, respektive obvod začne odebírat mnohem větší proud a začne se hřát tranzistor. Pokud to namotám na to jádro z PC, tak se začne hřát jádro.
Ten požadovaný výkon tam dostanu v pohodě i naplno, ale buď se přehřívá tranzistor, nebo cívka.

To Lesana 87: jdu vinout a počítat.
Návrat nahoru
Zobrazit informace o autorovi Odeslat soukromou zprávu Zobrazit autorovy WWW stránky
jova1



Založen: Dec 20, 2007
Příspěvky: 1344
Bydliště: Chýnov - to je kousek od Tábora

PříspěvekZaslal: ne leden 17 2021, 23:25    Předmět: Citovat

Tak jsem se nějak asi ztratil v jednotkách, pořád mi vychází nesmysly a nemůžu se k ničemu dopočítat.
Toroid má průměr 16mm, uvnitř 8mm a je 6mm vysoký.
Cívka má při 10z, 6,3uH při 30z, 44,8uH Sad
Proud, který potřebuju, je 0,7A případně 2x tolik

Dokážete mi to někdo spočíta?
Návrat nahoru
Zobrazit informace o autorovi Odeslat soukromou zprávu Zobrazit autorovy WWW stránky
Kremik



Založen: Mar 30, 2012
Příspěvky: 3596
Bydliště: Havířov

PříspěvekZaslal: po leden 18 2021, 0:11    Předmět: Citovat

Nevím co je to za toroid, ale neber ty z 3,3V větve. Má pravoúhlou hysterezní smyčku a používá se jako přesytka. Ty jsou ale myslím vždy v plastovém černobílém pouzdře.
Návrat nahoru
Zobrazit informace o autorovi Odeslat soukromou zprávu Odeslat e-mail
voitano



Založen: Dec 02, 2009
Příspěvky: 512

PříspěvekZaslal: po leden 18 2021, 3:09    Předmět: Citovat

Podle velikosti a barvy mi příjde, že je to z měničů ze základních desek
Návrat nahoru
Zobrazit informace o autorovi Odeslat soukromou zprávu Odeslat e-mail
sis2



Založen: Oct 07, 2012
Příspěvky: 1440
Bydliště: JN89GF

PříspěvekZaslal: po leden 18 2021, 8:31    Předmět: Citovat

jova1 napsal(a):
Toroid má průměr 16mm, uvnitř 8mm a je 6mm vysoký.
Cívka má při 10z, 6,3uH při 30z, 44,8uH Sad
Proud, který potřebuju, je 0,7A případně 2x tolik

Dokážete mi to někdo spočíta?

No, takže průřez je 24 mm2, tj. 24x 10-6
a konstanta AL není tak úplně konstantní, je např. kmitočtově závislá - záleží čím a jak to měříš - při 3x větším počtu závitů má být 9x větší indukčnost (takže ne 44,8 ale 56 uH) což není tak moc velký rozptyl...
tak vem střed z toho, nasázej do vzorce a a zjistíš, že toroid s rezervou vyhovuje i pro dvojnásobný proud...
jestli 0,7A je proud výstupní, tak to asi nebude ta správná (špičková hodnota) pro výpočet, špičky budou asi podstatně větší
pro Bmax. 0,3T a špičkový proud 3A mi vychází 36 závitů
jestli je to toroid ze základní desky PC, tak tam se v měničích chodí přes 100 kHz, takže s frekvencí taky asi problém nebude
no a pokud cívka hřeje tak, že na ní udržíš prst, tak to je přijatelné Very Happy
Návrat nahoru
Zobrazit informace o autorovi Odeslat soukromou zprávu
PavelFF



Založen: Feb 18, 2008
Příspěvky: 5248
Bydliště: Brno

PříspěvekZaslal: po leden 18 2021, 9:26    Předmět: Citovat

Já to nepočítal, ale nějak z toho vypadl kmitočet nebo perioda. Aby se během cyklu stačila tlumivka plně naproudit ale i vyproudit. Musí na to mít času tak akorát.
Návrat nahoru
Zobrazit informace o autorovi Odeslat soukromou zprávu
microlan



Založen: May 09, 2017
Příspěvky: 1647
Bydliště: Kósek vod Brna

PříspěvekZaslal: po leden 18 2021, 10:01    Předmět: Citovat

Asi jsem hloupý sedlák, ale tranzistor je dimenzovaný dost a ty tlumivky stačí dát paralelně a je to, ne?
Návrat nahoru
Zobrazit informace o autorovi Odeslat soukromou zprávu
breta1



Založen: Sep 09, 2005
Příspěvky: 3500

PříspěvekZaslal: po leden 18 2021, 10:44    Předmět: Citovat

Taky si to myslím (ale každá musí mít dvojnásobnou indukčnost).

Naposledy upravil breta1 dne po leden 18 2021, 11:04, celkově upraveno 1 krát.
Návrat nahoru
Zobrazit informace o autorovi Odeslat soukromou zprávu
barnodaj



Založen: Apr 16, 2011
Příspěvky: 941
Bydliště: Vodňansko

PříspěvekZaslal: po leden 18 2021, 10:57    Předmět: Citovat

Slepit ta dvě jádra k sobě a bude stačit jedna, pokud si je motá sám.
Návrat nahoru
Zobrazit informace o autorovi Odeslat soukromou zprávu
Zobrazit příspěvky z předchozích:   
Přidat nové téma   Zaslat odpověď       Obsah fóra Diskuzní fórum Elektro Bastlírny -> Svářečky, UPS, nabíječe, měniče, zdroje, trafa a další Časy uváděny v GMT + 1 hodina
Jdi na stránku 1, 2, 3, 4  Další
Strana 1 z 4

 
Přejdi na:  
Nemůžete odesílat nové téma do tohoto fóra.
Nemůžete odpovídat na témata v tomto fóru.
Nemůžete upravovat své příspěvky v tomto fóru.
Nemůžete mazat své příspěvky v tomto fóru.
Nemůžete hlasovat v tomto fóru.
Nemůžete připojovat soubory k příspěvkům
Můžete stahovat a prohlížet přiložené soubory

Powered by phpBB © 2001, 2005 phpBB Group
Forums ©
Nuke - Elektro Bastlirna

Informace na portálu Elektro bastlírny jsou prezentovány za účelem vzdělání čtenářů a rozšíření zájmu o elektroniku. Autoři článků na serveru neberou žádnou zodpovědnost za škody vzniklé těmito zapojeními. Rovněž neberou žádnou odpovědnost za případnou újmu na zdraví vzniklou úrazem elektrickým proudem. Autoři a správci těchto stránek nepřejímají záruku za správnost zveřejněných materiálů. Předkládané informace a zapojení jsou zveřejněny bez ohledu na případné patenty třetích osob. Nároky na odškodnění na základě změn, chyb nebo vynechání jsou zásadně vyloučeny. Všechny registrované nebo jiné obchodní známky zde použité jsou majetkem jejich vlastníků. Uvedením nejsou zpochybněna z toho vyplývající vlastnická práva. Použití konstrukcí v rozporu se zákonem je přísně zakázáno. Vzhledem k tomu, že původ předkládaných materiálů nelze žádným způsobem dohledat, nelze je použít pro komerční účely! Tento nekomerční server nemá z uvedených zapojení či konstrukcí žádný zisk. Nezodpovídáme za pravost předkládaných materiálů třetími osobami a jejich původ. V případě, že zjistíte porušení autorského práva či jiné nesrovnalosti, kontaktujte administrátory na diskuzním fóru EB.


PHP-Nuke Copyright © 2005 by Francisco Burzi. This is free software, and you may redistribute it under the GPL. PHP-Nuke comes with absolutely no warranty, for details, see the license.
Čas potřebný ke zpracování stránky 0.17 sekund