Vítejte na Elektro Bastlírn?
Nuke - Elektro Bastlirna
  Vytvořit účet Hlavní · Fórum · DDump · Profil · Zprávy · Hledat na fóru · Příspěvky na provoz EB

Vlákno na téma KORONAVIRUS - nutná registrace


Nuke - Elektro Bastlirna: Diskuzní fórum

 FAQFAQ   HledatHledat   Uživatelské skupinyUživatelské skupiny   ProfilProfil   Soukromé zprávySoukromé zprávy   PřihlášeníPřihlášení 

Spájkovacia stanica SL-20

 
Přidat nové téma   Zaslat odpověď       Obsah fóra Diskuzní fórum Elektro Bastlírny -> Poradna
Zobrazit předchozí téma :: Zobrazit následující téma  
Autor Zpráva
kutilmil
Pod dozorem moderátorů


Založen: Nov 01, 2008
Příspěvky: 4297
Bydliště: Skalica

PříspěvekZaslal: so leden 16 2021, 8:56    Předmět: Spájkovacia stanica SL-20 Citovat

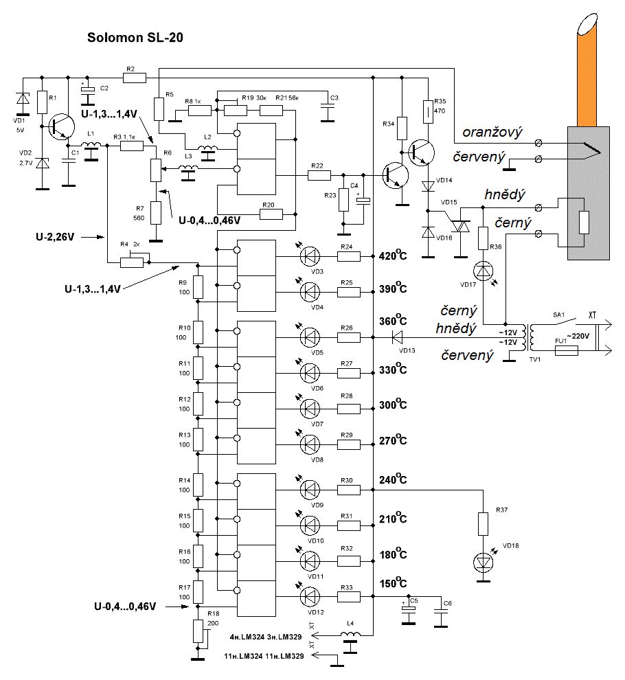
Ahojte. Včera mi odišla spájkovacia stanica SL20 a to tak, že po pustení zo studeného stavu sa začne pomali zohrievať a u teploty cca 150°C sa naraz rozsvieti celý bargraf a stále hreje. Nestretli ste sa s tým niekto? Nemáte náhodou schému? Za rady dík.
Návrat nahoru
Zobrazit informace o autorovi Odeslat soukromou zprávu
ok1hga



Založen: Nov 28, 2006
Příspěvky: 12544
Bydliště: Česká Třebová

PříspěvekZaslal: so leden 16 2021, 9:27    Předmět: Citovat

http://www.ebastlirna.cz/modules.php?name=Forums&file=viewtopic&t=62614


solomon_sl-20_sch.jpg
 Komentář:
 Velikost:  95.52 kB
 Zobrazeno:  163 krát

solomon_sl-20_sch.jpg


Návrat nahoru
Zobrazit informace o autorovi Odeslat soukromou zprávu
kutilmil
Pod dozorem moderátorů


Založen: Nov 01, 2008
Příspěvky: 4297
Bydliště: Skalica

PříspěvekZaslal: so leden 16 2021, 9:39    Předmět: Citovat

Dík ok1. Tak podla nich odisla rucka. Skusim kupit novu a uvidim.
Návrat nahoru
Zobrazit informace o autorovi Odeslat soukromou zprávu
kutilmil
Pod dozorem moderátorů


Založen: Nov 01, 2008
Příspěvky: 4297
Bydliště: Skalica

PříspěvekZaslal: so leden 16 2021, 10:15    Předmět: Citovat

Teraz rozmyslam ze neviem ci to bude aj u mna tou ruckou. Me sa to totiz sprava tak, ze ked pero dosiahne nastavenu teplotu tak vtedy sa to cele rozkmita. Skusim to otestovat so ziarovkou a potenciometrom namiesto pera. Pero musim aj tak kupit nove lebo jak som ho rozoberal tak som ho zlomil. Ale inac dik za schemu. Pisem z mobilu tak preto ta diakritika.
Návrat nahoru
Zobrazit informace o autorovi Odeslat soukromou zprávu
HanesJM



Založen: Jan 12, 2021
Příspěvky: 15

PříspěvekZaslal: so leden 16 2021, 10:47    Předmět: Citovat

kutilmil napsal(a):
Ahojte. Včera mi odišla spájkovacia stanica SL20 a to tak, že po pustení zo studeného stavu sa začne pomali zohrievať a u teploty cca 150°C sa naraz rozsvieti celý bargraf a stále hreje. Nestretli ste sa s tým niekto? Nemáte náhodou schému? Za rady dík.


Mně se u Solomnky SL 20 - stalo něco podobného - nakonec jsem zjistil že byl španě zacvaknutý konektor (DIN5) Smile
Návrat nahoru
Zobrazit informace o autorovi Odeslat soukromou zprávu
ok1hga



Založen: Nov 28, 2006
Příspěvky: 12544
Bydliště: Česká Třebová

PříspěvekZaslal: so leden 16 2021, 10:59    Předmět: Citovat

kutilmil napsal(a):
Skusim kupit novu a uvidim.

. . . nejdříve zkus měřit !!!
a najít chybu !
Návrat nahoru
Zobrazit informace o autorovi Odeslat soukromou zprávu
kutilmil
Pod dozorem moderátorů


Založen: Nov 01, 2008
Příspěvky: 4297
Bydliště: Skalica

PříspěvekZaslal: so leden 16 2021, 11:31    Předmět: Citovat

Jasne ok1 ale kupe noveho pera sa ajtak nevihnem lebo som ho zlomil. Teraz musim pisluchat moju milovanu ale vecer to kuknem. Piasl som ze to skusim ziarovkou a potenciometrom miesto pera ale teraz pizeram ze je tam termoclanok.......
Návrat nahoru
Zobrazit informace o autorovi Odeslat soukromou zprávu
rnbw



Založen: Mar 21, 2006
Příspěvky: 36655
Bydliště: Bratislava

PříspěvekZaslal: so leden 16 2021, 12:04    Předmět: Citovat

Vadne teleso - zvod na termoclanok.
http://www.ebastlirna.cz/modules.php?name=Forums&file=viewtopic&p=1050674#1050674

Keby bol problem v pripojeni rucky, tak sa sice rozsvietia vsetky LED - ale okrem HEATER a nebude hriat. To si moze kazdy vyskusat odpojenim konektora.
Návrat nahoru
Zobrazit informace o autorovi Odeslat soukromou zprávu
kutilmil
Pod dozorem moderátorů


Založen: Nov 01, 2008
Příspěvky: 4297
Bydliště: Skalica

PříspěvekZaslal: so leden 16 2021, 16:19    Předmět: Citovat

Sprava sa to tak, ze ked to ide k nastavenej teplote ci uz zhora alebo z dola tak v momente kedy by to malo rozopnut alebo zopnut tak sa to rozkmita.
Návrat nahoru
Zobrazit informace o autorovi Odeslat soukromou zprávu
PotPalo



Založen: May 13, 2009
Příspěvky: 5763
Bydliště: BA-Petržalka :(

PříspěvekZaslal: so leden 16 2021, 16:50    Předmět: Citovat

Rozkmitá.... však elektrolyt.
_________________
Globálne otepľovanie je spôsobené masívnou zástavbou a rúbaním storočných stromov. Kamene namiesto trávy tiež prispievajú k otepľovaniu.
Návrat nahoru
Zobrazit informace o autorovi Odeslat soukromou zprávu Odeslat e-mail
rnbw



Založen: Mar 21, 2006
Příspěvky: 36655
Bydliště: Bratislava

PříspěvekZaslal: so leden 16 2021, 16:58    Předmět: Citovat

Mne to robilo tiez - po zapnuti to normalne nahrievalo a pri dosiahnuti nastavenej teploty sa rozsvietilo vsetko a hrialo naplno, hrot bol uplne cerveny. Ziadne kmitanie som si nevsimol.

Ked mas zlomene pero, tak kup nove a vyskusaj. Dovtedy s tym budes zbytocne stracat cas.
Návrat nahoru
Zobrazit informace o autorovi Odeslat soukromou zprávu
kutilmil
Pod dozorem moderátorů


Založen: Nov 01, 2008
Příspěvky: 4297
Bydliště: Skalica

PříspěvekZaslal: so leden 16 2021, 17:08    Předmět: Citovat

Je naozaj zle to pero. Isto ma zvod ale multimetrom sa neda namerat. Merac izolacneho odporu mi jeden hajzel ukradol. Zistil som to tak ze som odpojil teleso v pere a ked ho zahrievam "zapalovacom" tak to normalne funguje.
Návrat nahoru
Zobrazit informace o autorovi Odeslat soukromou zprávu
rnbw



Založen: Mar 21, 2006
Příspěvky: 36655
Bydliště: Bratislava

PříspěvekZaslal: so leden 16 2021, 17:11    Předmět: Citovat

Mne sa zvod objavil az po nahriati, za studena som nenameral nic.
Návrat nahoru
Zobrazit informace o autorovi Odeslat soukromou zprávu
kutilmil
Pod dozorem moderátorů


Založen: Nov 01, 2008
Příspěvky: 4297
Bydliště: Skalica

PříspěvekZaslal: so leden 16 2021, 17:31    Předmět: Citovat

Skusal som to merat nahriate aj studene. Nic som nenameral. Asi male napätie.
Návrat nahoru
Zobrazit informace o autorovi Odeslat soukromou zprávu
ZdenekHQ
Administrátor


Založen: Jul 21, 2006
Příspěvky: 25741
Bydliště: skoro Brno

PříspěvekZaslal: ne leden 17 2021, 12:27    Předmět: Citovat

Ono je stejně lepší mít doma jednu záložní. Kdybyste viděli tu moji sbírku vadných...
_________________
Pro moje oslovení klidně použijte jméno Zdeněk
Správně navržené zapojení je jako recept na dobré jídlo.
Můžete vynechat půlku ingrediencí, nebo přidat jiné,
ale jste si jistí, že vám to bude chutnat[?
]
Návrat nahoru
Zobrazit informace o autorovi Odeslat soukromou zprávu Zobrazit autorovy WWW stránky
Zobrazit příspěvky z předchozích:   
Přidat nové téma   Zaslat odpověď       Obsah fóra Diskuzní fórum Elektro Bastlírny -> Poradna Časy uváděny v GMT + 1 hodina
Strana 1 z 1

 
Přejdi na:  
Nemůžete odesílat nové téma do tohoto fóra.
Nemůžete odpovídat na témata v tomto fóru.
Nemůžete upravovat své příspěvky v tomto fóru.
Nemůžete mazat své příspěvky v tomto fóru.
Nemůžete hlasovat v tomto fóru.
Nemůžete připojovat soubory k příspěvkům
Můžete stahovat a prohlížet přiložené soubory

Powered by phpBB © 2001, 2005 phpBB Group
Forums ©
Nuke - Elektro Bastlirna

Informace na portálu Elektro bastlírny jsou prezentovány za účelem vzdělání čtenářů a rozšíření zájmu o elektroniku. Autoři článků na serveru neberou žádnou zodpovědnost za škody vzniklé těmito zapojeními. Rovněž neberou žádnou odpovědnost za případnou újmu na zdraví vzniklou úrazem elektrickým proudem. Autoři a správci těchto stránek nepřejímají záruku za správnost zveřejněných materiálů. Předkládané informace a zapojení jsou zveřejněny bez ohledu na případné patenty třetích osob. Nároky na odškodnění na základě změn, chyb nebo vynechání jsou zásadně vyloučeny. Všechny registrované nebo jiné obchodní známky zde použité jsou majetkem jejich vlastníků. Uvedením nejsou zpochybněna z toho vyplývající vlastnická práva. Použití konstrukcí v rozporu se zákonem je přísně zakázáno. Vzhledem k tomu, že původ předkládaných materiálů nelze žádným způsobem dohledat, nelze je použít pro komerční účely! Tento nekomerční server nemá z uvedených zapojení či konstrukcí žádný zisk. Nezodpovídáme za pravost předkládaných materiálů třetími osobami a jejich původ. V případě, že zjistíte porušení autorského práva či jiné nesrovnalosti, kontaktujte administrátory na diskuzním fóru EB.


PHP-Nuke Copyright © 2005 by Francisco Burzi. This is free software, and you may redistribute it under the GPL. PHP-Nuke comes with absolutely no warranty, for details, see the license.
Čas potřebný ke zpracování stránky 0.14 sekund