Vítejte na Elektro Bastlírn?
Nuke - Elektro Bastlirna
  Vytvořit účet Hlavní · Fórum · DDump · Profil · Zprávy · Hledat na fóru · Příspěvky na provoz EB

Vlákno na téma KORONAVIRUS - nutná registrace


Nuke - Elektro Bastlirna: Diskuzní fórum

 FAQFAQ   HledatHledat   Uživatelské skupinyUživatelské skupiny   ProfilProfil   Soukromé zprávySoukromé zprávy   PřihlášeníPřihlášení 

Výběr tranzistoru pro lavinu
Jdi na stránku 1, 2, 3  Další
 
Přidat nové téma   Zaslat odpověď       Obsah fóra Diskuzní fórum Elektro Bastlírny -> Poradna
Zobrazit předchozí téma :: Zobrazit následující téma  
Autor Zpráva
wlezley



Založen: Mar 05, 2006
Příspěvky: 675
Bydliště: Strachotín

PříspěvekZaslal: pá leden 01 2021, 19:40    Předmět: Výběr tranzistoru pro lavinu Citovat

Zdravím a prosím o radu. Existuje parametr, který napoví, jestli bude tranzistor dobře pracovat v lavinovém režimu? Teoreticky asi každý nad 15V ale rád bych nižší napájení a ochota se prorážet by také bodla Smile Napoví něco datasheet nebo jen udělátko a zkoušet?
Návrat nahoru
Zobrazit informace o autorovi Odeslat soukromou zprávu Odeslat e-mail
EKKAR



Založen: Mar 16, 2005
Příspěvky: 34681
Bydliště: Česká Třebová, JN89FW21

PříspěvekZaslal: pá leden 01 2021, 20:52    Předmět: Citovat

Většinou jsme porovnávali Ucbo, ty s menším v LG oscilovávaly snáz, obecně teslácký trandy jsou ochotnější "lavinovat" než třeba Siemens nebo japonci ...
_________________
Nasliněný prst na svorkovnici domovního rozvaděče: Jó, paninko, máte tam ty Voltíky všecky...
A kutilmile - nelituju tě Mr. Green Mr. Green !!!
Návrat nahoru
Zobrazit informace o autorovi Odeslat soukromou zprávu Odeslat e-mail
BOBOBO
Doporučuje se dohled moderátorů


Založen: Feb 25, 2008
Příspěvky: 20361
Bydliště: Rychnovsko

PříspěvekZaslal: pá leden 01 2021, 20:52    Předmět: Citovat

Napoví články , např. v amáru a to i před 40 lety .....
Návrat nahoru
Zobrazit informace o autorovi Odeslat soukromou zprávu
jardafiala



Založen: Jun 20, 2010
Příspěvky: 2380
Bydliště: Česká Lípa

PříspěvekZaslal: so leden 02 2021, 8:45    Předmět: Citovat

Z tranzistorů KC507-509 se daly vybrat vhodné kousky s průrazem 9V i méně.
Návrat nahoru
Zobrazit informace o autorovi Odeslat soukromou zprávu Odeslat e-mail
ok1hga



Založen: Nov 28, 2006
Příspěvky: 12559
Bydliště: Česká Třebová

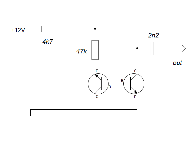
PříspěvekZaslal: so leden 02 2021, 9:44    Předmět: Citovat

. . . 2x KCxxx a je to velmi jednoduché


lavinagen.png
 Komentář:
 Velikost:  17.65 kB
 Zobrazeno:  115 krát

lavinagen.png


Návrat nahoru
Zobrazit informace o autorovi Odeslat soukromou zprávu
Olchor



Založen: Nov 18, 2009
Příspěvky: 1762
Bydliště: Blansko

PříspěvekZaslal: so leden 02 2021, 10:11    Předmět: Citovat

Tak tohle bude spíš šumový generátor. Lavinový efekt nastává při zapojení trandu Uce nebo Uec. ( záporný odpor) Při zapojení Uce je potřeba vyšší napětí a lze generovat pulzy s hranou v řádu pS. Pro zapojení Uec stačí 10V, některé VF trandy ( KF525) mají tenhle průraz už při 5 - 6 V.
Přechod E-B se chová jako zenerka a funguje už při velmi malých proudech.
Návrat nahoru
Zobrazit informace o autorovi Odeslat soukromou zprávu
Nika



Založen: Feb 17, 2008
Příspěvky: 208
Bydliště: Dačice

PříspěvekZaslal: so leden 02 2021, 10:31    Předmět: Citovat

V Konstrukční příloze AR 1982, str. 42 je i teorie a tedy i pravidla, podle kterých je třeba vybírat tranzistory pro tuto oblast použití.
(KP_82.pdf)
Návrat nahoru
Zobrazit informace o autorovi Odeslat soukromou zprávu Zobrazit autorovy WWW stránky
wlezley



Založen: Mar 05, 2006
Příspěvky: 675
Bydliště: Strachotín

PříspěvekZaslal: so leden 02 2021, 11:00    Předmět: Citovat

Konstrukční příloha ... modré i červené amáro má 40 stran, takže je to něco jiného. Omlouvám se, nikdy jsem neměl v ruce. Divný, že mě nenašel nic ani fulltext Sad jen takové obecné plky z videotrubky. Sorry, nevšiml jsem si obsahu v závorce. Děkuji Smile
Návrat nahoru
Zobrazit informace o autorovi Odeslat soukromou zprávu Odeslat e-mail
kulikus



Založen: Dec 10, 2009
Příspěvky: 3033

PříspěvekZaslal: so leden 02 2021, 11:33    Předmět: Citovat

A nějaký typ vhodného tranzistoru v současnosti běžně dostupný v obchodech?
_________________
pro mládež - Hamíkův koutek
Návrat nahoru
Zobrazit informace o autorovi Odeslat soukromou zprávu Zobrazit autorovy WWW stránky
Nika



Založen: Feb 17, 2008
Příspěvky: 208
Bydliště: Dačice

PříspěvekZaslal: so leden 02 2021, 16:02    Předmět: Citovat

Třeba zde a nebo 2N3904. Pravděpodobně budou fungovat i tyto typy: 2N2222, 2N4441, MPSA42, MPSA44, BC107, BC337, S9014, S8050, viz zde
Návrat nahoru
Zobrazit informace o autorovi Odeslat soukromou zprávu Zobrazit autorovy WWW stránky
Zmije



Založen: Jun 30, 2005
Příspěvky: 1691
Bydliště: Pardubický kraj

PříspěvekZaslal: po leden 04 2021, 10:44    Předmět: Citovat

Tady používá BC548. Myslím, že jsem viděl lavinový oscilátor i s BF199.
Návrat nahoru
Zobrazit informace o autorovi Odeslat soukromou zprávu Odeslat e-mail
Olchor



Založen: Nov 18, 2009
Příspěvky: 1762
Bydliště: Blansko

PříspěvekZaslal: po leden 04 2021, 15:03    Předmět: Citovat

@Zmije: Ale to je zas jen šumový generátor, e-b přechod je v režimu zenerky.
Pod pojmem lavinový generátor si představuji relaxační oscilátor, který využívá záporný odpor v zapojení e-c nebo c-e. Jednoduché zapojení je někdy těžké rozběhnout, protože kond se sice vybije do zápor. odporu, ale napájecí proud udrží trand seplý. Řeší to malá cívka. Kdysi jsem viděl ve Sdělovací technice lavinový gener nanosec pulzů, jako kond byl použit kus koaxu, odraz vlny zajišťoval zavření.
Návrat nahoru
Zobrazit informace o autorovi Odeslat soukromou zprávu
Zmije



Založen: Jun 30, 2005
Příspěvky: 1691
Bydliště: Pardubický kraj

PříspěvekZaslal: po leden 04 2021, 15:33    Předmět: Citovat

On existuje ještě tunelový efekt a tunelka se dá nahradit tranzistorem v podobném zapojení, tak to sem si poplet.

Ty chceš dělat něco jako Lavinový generátor krátkých impulsů ?
Návrat nahoru
Zobrazit informace o autorovi Odeslat soukromou zprávu Odeslat e-mail
EKKAR



Založen: Mar 16, 2005
Příspěvky: 34681
Bydliště: Česká Třebová, JN89FW21

PříspěvekZaslal: po leden 04 2021, 15:34    Předmět: Citovat

Jednoduchý rozdělení mezi šumovým a lavinovým generátorem dovoluje popis, přes kolik přechodů v daný funkci poteče proud - u "šumáku" proud teče jen přes 1 přechod PN - v závěrným směru, přičemž vzniká jen primární napěťovej průraz, přechod funguje jako zenerka.

V případě laviňáku teče proud přes DVA přechody v sérii - minoritní nosiče procházejí přes první přechod tak dlouho, až vyvolají lavinovej průraz přechodu druhýho, tranzistor se mžikově otevře a pokud by v sérii s ním nebyl odpor, proud by přetrvával až do vypnutí zdroje (nebo do tepelnýho zničení čipu) - tranzistor by se choval jako diodovej tyristor. Když je v sérii s lavinovým trandem odpor a paralelně k němu kondík, otevření trandu je "odložený" o časovou konstantu RC - kondík se po otevření vybije, proud omezenej sériovým odporem nestačí udržet proraženej trand otevřenej (lavinovej jev zanikne) a proud se tak přeruší - a kondík se přes odpor začíná opakovaně nabíjet - proto je to relaxační oscilátor, protože po krátkým proudovým impulsu má "relaxační" neboli "zotavovací" dobu, kdy se kondík znovu nabíjí

_________________
Nasliněný prst na svorkovnici domovního rozvaděče: Jó, paninko, máte tam ty Voltíky všecky...
A kutilmile - nelituju tě Mr. Green Mr. Green !!!
Návrat nahoru
Zobrazit informace o autorovi Odeslat soukromou zprávu Odeslat e-mail
wlezley



Založen: Mar 05, 2006
Příspěvky: 675
Bydliště: Strachotín

PříspěvekZaslal: po leden 04 2021, 15:47    Předmět: Citovat

Chci tím budit cívku pro magnetoterapii a lavina udělá tu potřebnou špičku. Rád bych používal napájecí napětí max. 12V ale to někdy zlobí a nerado startuje. Zatím vede C33725, ten spolehlivě naskočí při 9V.
Návrat nahoru
Zobrazit informace o autorovi Odeslat soukromou zprávu Odeslat e-mail
Zobrazit příspěvky z předchozích:   
Přidat nové téma   Zaslat odpověď       Obsah fóra Diskuzní fórum Elektro Bastlírny -> Poradna Časy uváděny v GMT + 1 hodina
Jdi na stránku 1, 2, 3  Další
Strana 1 z 3

 
Přejdi na:  
Nemůžete odesílat nové téma do tohoto fóra.
Nemůžete odpovídat na témata v tomto fóru.
Nemůžete upravovat své příspěvky v tomto fóru.
Nemůžete mazat své příspěvky v tomto fóru.
Nemůžete hlasovat v tomto fóru.
Nemůžete připojovat soubory k příspěvkům
Můžete stahovat a prohlížet přiložené soubory

Powered by phpBB © 2001, 2005 phpBB Group
Forums ©
Nuke - Elektro Bastlirna

Informace na portálu Elektro bastlírny jsou prezentovány za účelem vzdělání čtenářů a rozšíření zájmu o elektroniku. Autoři článků na serveru neberou žádnou zodpovědnost za škody vzniklé těmito zapojeními. Rovněž neberou žádnou odpovědnost za případnou újmu na zdraví vzniklou úrazem elektrickým proudem. Autoři a správci těchto stránek nepřejímají záruku za správnost zveřejněných materiálů. Předkládané informace a zapojení jsou zveřejněny bez ohledu na případné patenty třetích osob. Nároky na odškodnění na základě změn, chyb nebo vynechání jsou zásadně vyloučeny. Všechny registrované nebo jiné obchodní známky zde použité jsou majetkem jejich vlastníků. Uvedením nejsou zpochybněna z toho vyplývající vlastnická práva. Použití konstrukcí v rozporu se zákonem je přísně zakázáno. Vzhledem k tomu, že původ předkládaných materiálů nelze žádným způsobem dohledat, nelze je použít pro komerční účely! Tento nekomerční server nemá z uvedených zapojení či konstrukcí žádný zisk. Nezodpovídáme za pravost předkládaných materiálů třetími osobami a jejich původ. V případě, že zjistíte porušení autorského práva či jiné nesrovnalosti, kontaktujte administrátory na diskuzním fóru EB.


PHP-Nuke Copyright © 2005 by Francisco Burzi. This is free software, and you may redistribute it under the GPL. PHP-Nuke comes with absolutely no warranty, for details, see the license.
Čas potřebný ke zpracování stránky 0.15 sekund