Vítejte na Elektro Bastlírn?
Nuke - Elektro Bastlirna
  Vytvořit účet
Hlavní · Fórum · DDump · Profil · Zprávy · Hledat na fóru


Nuke - Elektro Bastlirna: Diskuzní fórum

 FAQFAQ   HledatHledat   Uživatelské skupinyUživatelské skupiny   ProfilProfil   Soukromé zprávySoukromé zprávy   PřihlášeníPřihlášení 

AZS 223 zlepšení parametrů ZČÁSTI POŘEŠENO
Jdi na stránku 1, 2, 3, 4, 5, 6  Další
 
Přidat nové téma   Zaslat odpověď       Obsah fóra Diskuzní fórum Elektro Bastlírny -> Audiotechnika
Zobrazit předchozí téma :: Zobrazit následující téma  
Autor Zpráva
jardafiala



Založen: Jun 20, 2010
Příspěvky: 2682
Bydliště: Česká Lípa

PříspěvekZaslal: so říjen 24 2020, 21:43    Předmět: AZS 223 zlepšení parametrů ZČÁSTI POŘEŠENO Citovat

Zdravím

nějak se nemůžu dopátrat popisu kterak tento zesilovač trochu pozvednout...Asi blbě hledám, nebo to neumím? Pro NZC 431 je návod tady http://www.audioweb.cz/viewtopic.php?id=22399, mám pocit že jsem něco podobného někde viděl pro AZS 223 ale nejsem si tím úplně jistý.(?)

Dík mirku, početl jsem si, to mi zatím pro inspiraci stačí.

EDIT: diskuse se zvrhla v dehonestaci Vyvítekoho tak to dávám na začátek. Pro polepšení jsem z různých zdrojů usoudil (a zčásti realizoval) :
Výměna kondenzátorů C21,23 ve fyziologické regulaci za změřené svitky, C51 v boucherotovo členu dtto, C47 a C45 slídové na 500V - zmenšení C45 na 36pF, změření osciloskopem při napájení +-15V a při plném napětí jestli nekmitá. Dále výměna trafa za toroid a zvětšení kapacity filtračních kondenzátorů. Ve schematu jsou předepsány filtrační kapacity 4m7 ve skutečnosti tam jsou 2m. Trochu jsem přibrousil pouzdra diod pro regulaci klidového proudu aby dobře přilehly na chladič. Doporučeno je též vyměnit T13 za KFY18 s chladičem. A možná připojení keramických kondíků k diodám v usměrňovač, jsou tam svitky 47nF, nejsem si úplně jist jestli to něčemu pomůže, někde jsem zahlédl doporučení. Ještě je k nalezení doporučení zmenšit potenciometr hlasiťosti a přepočtení korekcí kvůli snížení přeslechů. Pro úplnost uvádím (aspoň co jsem dohledal, asi to nebude všechno) vrátit zpátky nastavení klidového proudu tranzistorem.


Naposledy upravil jardafiala dne pá listopad 19 2021, 13:02, celkově upraveno 4 krát.
Návrat nahoru
Zobrazit informace o autorovi Odeslat soukromou zprávu Odeslat e-mail
ok1hga



Založen: Nov 28, 2006
Příspěvky: 12715
Bydliště: Česká Třebová

PříspěvekZaslal: so říjen 24 2020, 22:20    Předmět: Citovat

a v čem ho chceš pozvedávat ?
Návrat nahoru
Zobrazit informace o autorovi Odeslat soukromou zprávu
mirku



Založen: Jun 15, 2006
Příspěvky: 371

PříspěvekZaslal: so říjen 24 2020, 23:07    Předmět: Citovat

a proč se nezeptáš přímo na audiowebu?
a když se nebudeš ptát a zadáš si přímo do vyhledávání azs223,
tak hned druhý odkaz tě pošle do tématu "AZS222 a 223 - závady a tunning"
Návrat nahoru
Zobrazit informace o autorovi Odeslat soukromou zprávu
Harry.pa



Založen: Apr 26, 2006
Příspěvky: 383
Bydliště: Znojmo

PříspěvekZaslal: st říjen 28 2020, 13:08    Předmět: Citovat

Zdravím všechny,
s napětím jsem čekal, že se zde začnou objevovat konstruktivní nápady, co upravit na AZS222 / AZS223 / TW44, a ono nic.
Myslím, že si tyto přístroje drobné úpravy zaslouží, a to ať už jde o úpravu řízení klidového proudu podle starší verze AZS, úprava fyziologické regulace alespoň dle TW44, úprava korekcí, aby to tolik na basech nedunělo a na výškách nebylo "nakřáplé", atd.
Trošku mně přijde, že jsou tyto přístroje jakoby tabu a každý si chrání ty svoje informace pro sebe. Přitom tady by to mohlo být krásně pohromadě a rozhodně by to bylo mnohým lidem přínosnější, než MBA810 ve vlákně vedle. Tím netvrdím, že i ve vlákně o MBA810 není mnoho zajímavých a přínosných informací.
Na Audiowebu je toho spousta, ale také je v tom mnoho plevele, a hlavně se ve starších vláknech není možné podívat na obrázky, pouze jsou tam neplatné odkazy.
Doufám, že se mně podařilo alespoň trochu podnítit přínosnou debatu.
Návrat nahoru
Zobrazit informace o autorovi Odeslat soukromou zprávu
jardafiala



Založen: Jun 20, 2010
Příspěvky: 2682
Bydliště: Česká Lípa

PříspěvekZaslal: st říjen 28 2020, 15:00    Předmět: Citovat

Zdar

tak jem si myslel totéž, asi je to tajný...No z audiowebu jsem si udělal aspoň představu co je (téměř) nezbytné, až se do toho pustím a pokud to úspěšně dokončím tak se ozvu.


Naposledy upravil jardafiala dne st listopad 03 2021, 11:06, celkově upraveno 1 krát.
Návrat nahoru
Zobrazit informace o autorovi Odeslat soukromou zprávu Odeslat e-mail
sinclair



Založen: Feb 02, 2005
Příspěvky: 9923
Bydliště: Luhačovice

PříspěvekZaslal: st říjen 28 2020, 15:43    Předmět: Citovat

Harry.pa - a proč s tím shromažďováním a konstruktivními nápady teda nezačneš jako první?
Návrat nahoru
Zobrazit informace o autorovi Odeslat soukromou zprávu Odeslat e-mail
mirku



Založen: Jun 15, 2006
Příspěvky: 371

PříspěvekZaslal: st říjen 28 2020, 22:13    Předmět: Citovat

Leoši, s napětím je očekáván obsah servírován na zlatém talíři ... Very Happy
Návrat nahoru
Zobrazit informace o autorovi Odeslat soukromou zprávu
Harry.pa



Založen: Apr 26, 2006
Příspěvky: 383
Bydliště: Znojmo

PříspěvekZaslal: čt říjen 29 2020, 19:28    Předmět: Citovat

Dobrá...
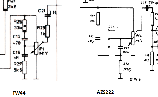
Začneme od regulátoru hlasitosti. Možná jste si při používání všimli, že je poměrně velký přeslech z neaktivních vstupů nebo při stisku tlačítka MONITOR. Dále je celkem významným problémem průběh fyziologické regulace hlasitosti, po zapnutí je zvuk celkem dunivý. Na vině je zapojení potenciometru a jeho příliš velký odpor (100k). Osobně jsem to řešil výměnou za potenciometr 25k/Y a přepočítáním součástek okolo - odpory 4x menší, kondenzátory 4x větší. Co se týká toho "dunění", napoví rozdíl odporů v basové části ve schématech AZS222 a TW44. Dále nebyl dobrý nápad, že v TESLE použili keramické kondenzátory 100n, nesedí ani kapacita, ale ani není v obou kanálech shodná. Mně se osvědčily tyto hodnoty, vycházející přepočtem z TW44:
R41.....8k2
R43.....1k5
P1.......25k/Y
Kondenzátory fóliové:
C21.....1n8, nebo raději méně, cca. 1n5
C23.....470n
Obvykle taky potenciometr od TESLY má špatný souběh, téměř vždy hraje blízko nule jen jeden kanál, proto je potřeba jemně doseřídit polohu jezdce zadní sekce potenciometru tak, aby se oba kanály chovaly shodně. Dále je vhodné nahradit elektrolyt C25 220n fóliovým 470n.
Výsledkem úpravy je výrazné snížení přeslechů z neaktivních vstupů a příjemnější průběh fyziologie a snížení zbytečně velké citlivosti vstupu.



HLASITOST.png
 Komentář:
 Velikost:  36.76 kB
 Zobrazeno:  378 krát

HLASITOST.png


Návrat nahoru
Zobrazit informace o autorovi Odeslat soukromou zprávu
sinclair



Založen: Feb 02, 2005
Příspěvky: 9923
Bydliště: Luhačovice

PříspěvekZaslal: čt říjen 29 2020, 19:37    Předmět: Citovat

Kdybys aspoň blbě nežvanil a doopravdy se podíval dovnitř toho zesilovače, to by bylo přínosnější.
C25 a C26, stejně jako C17, C18 jsou v originálu svitky. U AZS222 i AZS223.
A proč C25 i C26 naprosto nesmyslně zvětšovat, když vstupní impedance v bodech R45-R46 zůstává stejná?
Snížení zbytečně velké citlivosti vstupu - je dosaženo čím přesně? Změnou hodnoty potenciometru? Vážně?
Jestli jsi tam měl někde okolo potenciometru nacpaný elektrolyty, tak to už byl "tuning" předchozích týpků, podobných tobě.
Ve schématech Tesly jsou chyby, protože kreslířka měla zrovna krámy.
Přesně takhle - zavádějícími nesmysly - vznikají mnohé internetové "návody".
Jejich majitelé jimi přístroj spíš dojebou, než aby ho vylepšili.


Naposledy upravil sinclair dne čt říjen 29 2020, 20:07, celkově upraveno 1 krát.
Návrat nahoru
Zobrazit informace o autorovi Odeslat soukromou zprávu Odeslat e-mail
Harry.pa



Založen: Apr 26, 2006
Příspěvky: 383
Bydliště: Znojmo

PříspěvekZaslal: čt říjen 29 2020, 20:06    Předmět: Citovat

Nevím, kdo tu blbě žvaní...
O C17 a C18 zde řeč není, neřešíme předzesilovač pro gramofon. Asi jsme viděli každý jiný zesilovač, já na pozici C25 a C26 viděl několikrát modrý elektrolyt, a to 0.22uF nebo 0.47uF nebo starší bez izolace 0.5uF. Je ale faktem, že to byly kusy z posledních, vyprodávali to v někde v Rožnově (snad NEON?), potom to měl taky Brož v Tuchlovicích. Byly to ale výhradně AZS223, kdoví, kdo, a z čeho to vůbec vyráběl. Alespoň u nás na Znojemsku tyto zesilovače pocházely od prodejců výše, několik jsem jich známým přivezl z Tuchlovic a postupně po pár letech u všech řešil chrastící potenciometr, paradoxně jsem tenkrát sehnal jen ten 25k/Y. Počátkem 90. let to bylo za "málo peněz hodně muziky". Jestli na nějaký se zmíněnými elyty narazím, vyfotím to.
Ty svitky jsem tam samozřejmě viděl taky, ale spíš v AZS222, tam jsem asi nikdy elyty na těch pozicích neviděl.
Návrat nahoru
Zobrazit informace o autorovi Odeslat soukromou zprávu
sinclair



Založen: Feb 02, 2005
Příspěvky: 9923
Bydliště: Luhačovice

PříspěvekZaslal: čt říjen 29 2020, 20:09    Předmět: Citovat

Můj třetí a čtvrtý řádek. A fakt nežvaň blbosti.
Nebavíme se tu o bastlech od překupníků, ale o přístrojích z Tesly.
Ke kterým je k dispozici podrobný SM - tam je uvedeno, co tam patří!
Pak není potřeba mlet blbosti o tom, co kde kdo viděl.
Návrat nahoru
Zobrazit informace o autorovi Odeslat soukromou zprávu Odeslat e-mail
Harry.pa



Založen: Apr 26, 2006
Příspěvky: 383
Bydliště: Znojmo

PříspěvekZaslal: čt říjen 29 2020, 21:23    Předmět: Citovat

citace:
Snížení zbytečně velké citlivosti vstupu - je dosaženo čím přesně? Změnou hodnoty potenciometru? Vážně?
Jestli jsi tam měl někde okolo potenciometru nacpaný elektrolyty, tak to už byl "tuning" předchozích týpků, podobných tobě.

R39 a R40 je prosím co? To se nezmění dělicí poměr, pokud máme původní stav poměr 12k na 100k a po změně poťáku na 25k, poměr 12k na 25k? To se nesníží citlivost?

Jinak, zjisti si, kde všude třeba AZS223 vznikal, kde to bylo jako přidružená výroba. To jako není AZS223, když to není ten Tebou schválenej z jediný správný Tesly, nejlíp z Tebou schválený prodejny? Jak to kdo pozná, co má doma? Co teda radíš? Všechny bastly, jak Ty říkaš, vyhodit?
Jsem zvědav, co bys s tím dělal Ty.
Návrat nahoru
Zobrazit informace o autorovi Odeslat soukromou zprávu
sinclair



Založen: Feb 02, 2005
Příspěvky: 9923
Bydliště: Luhačovice

PříspěvekZaslal: čt říjen 29 2020, 21:27    Předmět: Citovat

V obou typech zesilovačů, jsou odpory R39/R40 nahrazený klemou K11, K12.

Tohle vážně nemáš zapotřebí.
Návrat nahoru
Zobrazit informace o autorovi Odeslat soukromou zprávu Odeslat e-mail
Harry.pa



Založen: Apr 26, 2006
Příspěvky: 383
Bydliště: Znojmo

PříspěvekZaslal: pá říjen 30 2020, 12:20    Předmět: Citovat

Embarassed
Ty odpory R39 a R40 jsem tam místo klem dával já, právě pro snížení citlivosti. V kombinaci s CD přehrávačem Philips CD608 to celkem dost "řvalo" už v první třetině regulátoru hlasitosti. Po doplnění těch odporů měla i ta fyziologie příjemnější průběh.
Nějak jsem na ty klemy pozapoměl, omlouvám se za způsobené nedorozumění.
Návrat nahoru
Zobrazit informace o autorovi Odeslat soukromou zprávu
jardafiala



Založen: Jun 20, 2010
Příspěvky: 2682
Bydliště: Česká Lípa

PříspěvekZaslal: pá říjen 30 2020, 14:34    Předmět: Citovat

Tak první dojmy po koupi
1. Přední panel je v žalostném stavu, umím ho očistit a přestříkat ale jak se dnes dělají nápisy? Kdysi dávno se používal PROPISOT.
2. Uvnitř bordel, vysypal jsem myší bobky, předběžně vyčistil a prohlédl - nenapadeno kutilem, původní stav, doplněna jedna pojistka v konci.
3. Zapnuto, zkontrolován offset (75 a 88mV).
4. Zkušebně připojeny repro, nebručí, při vytočení pot.hlasitosti jsou slyšet.
5. Vyzkoušen vstup pro radio, zesilovač hraje.
No za 500Kč (+150 pošta) to docela jde.....

Takže bude následovat kompletní vyčištění, kontrola všech pracovních bodů, výměna kondiků 47pF v konci, asi vylepším kontakt diod pro kontrolu klidového proudu konců, pak se uvidí, možná zkusím jinou fyz regulaci, třeba tuhle https://www.belza.cz/audio/lpots.htm.


Naposledy upravil jardafiala dne st listopad 03 2021, 11:10, celkově upraveno 1 krát.
Návrat nahoru
Zobrazit informace o autorovi Odeslat soukromou zprávu Odeslat e-mail
Zobrazit příspěvky z předchozích:   
Přidat nové téma   Zaslat odpověď       Obsah fóra Diskuzní fórum Elektro Bastlírny -> Audiotechnika Časy uváděny v GMT + 1 hodina
Jdi na stránku 1, 2, 3, 4, 5, 6  Další
Strana 1 z 6

 
Přejdi na:  
Nemůžete odesílat nové téma do tohoto fóra.
Nemůžete odpovídat na témata v tomto fóru.
Nemůžete upravovat své příspěvky v tomto fóru.
Nemůžete mazat své příspěvky v tomto fóru.
Nemůžete hlasovat v tomto fóru.
Nemůžete připojovat soubory k příspěvkům
Můžete stahovat a prohlížet přiložené soubory

Powered by phpBB © 2001, 2005 phpBB Group
Forums ©
Nuke - Elektro Bastlirna

Informace na portálu Elektro bastlírny jsou prezentovány za účelem vzdělání čtenářů a rozšíření zájmu o elektroniku. Autoři článků na serveru neberou žádnou zodpovědnost za škody vzniklé těmito zapojeními. Rovněž neberou žádnou odpovědnost za případnou újmu na zdraví vzniklou úrazem elektrickým proudem. Autoři a správci těchto stránek nepřejímají záruku za správnost zveřejněných materiálů. Předkládané informace a zapojení jsou zveřejněny bez ohledu na případné patenty třetích osob. Nároky na odškodnění na základě změn, chyb nebo vynechání jsou zásadně vyloučeny. Všechny registrované nebo jiné obchodní známky zde použité jsou majetkem jejich vlastníků. Uvedením nejsou zpochybněna z toho vyplývající vlastnická práva. Použití konstrukcí v rozporu se zákonem je přísně zakázáno. Vzhledem k tomu, že původ předkládaných materiálů nelze žádným způsobem dohledat, nelze je použít pro komerční účely! Tento nekomerční server nemá z uvedených zapojení či konstrukcí žádný zisk. Nezodpovídáme za pravost předkládaných materiálů třetími osobami a jejich původ. V případě, že zjistíte porušení autorského práva či jiné nesrovnalosti, kontaktujte administrátory na diskuzním fóru EB.


PHP-Nuke Copyright © 2005 by Francisco Burzi. This is free software, and you may redistribute it under the GPL. PHP-Nuke comes with absolutely no warranty, for details, see the license.
Čas potřebný ke zpracování stránky 0.16 sekund