Vítejte na Elektro Bastlírn?
Nuke - Elektro Bastlirna
  Vytvořit účet Hlavní · Fórum · DDump · Profil · Zprávy · Hledat na fóru · Příspěvky na provoz EB

Vlákno na téma KORONAVIRUS - nutná registrace


Nuke - Elektro Bastlirna: Diskuzní fórum

 FAQFAQ   HledatHledat   Uživatelské skupinyUživatelské skupiny   ProfilProfil   Soukromé zprávySoukromé zprávy   PřihlášeníPřihlášení 

zapojení vypínače k motoru

 
Přidat nové téma   Zaslat odpověď       Obsah fóra Diskuzní fórum Elektro Bastlírny -> Řešení problémů s různými konstrukcemi
Zobrazit předchozí téma :: Zobrazit následující téma  
Autor Zpráva
Maathes



Založen: Oct 14, 2020
Příspěvky: 3

PříspěvekZaslal: st říjen 14 2020, 21:14    Předmět: zapojení vypínače k motoru Citovat

pěkný večer Smile nevím jestli jsem to dobře umístil ale snad ano.. mám agregátový motor honda GX v mototokáře který má v sobě snímač oleje(v případě nedostatku vypne motor) , momentálně je "vypnuty" a místo něj mám zapojen "trhací" emergenci vypínač,na jednoduché vypínaní motoru a aby se motokára vypla když to přetočím apod (ano už sem to převrátil Very Happy) ale nevím jak zapojit aby fungovalo obojí, tedy "oil alert" +trhací vypínač .první schéma je jak to vypadá bez emergenci vypínače a druhý je jak to mám momentálně(tedy oil alert je vypnuty pouze emergenci jede)
nemám tušení na jakém principu to funguje


A takhle to mám nyní


Děkuji Smile
Návrat nahoru
Zobrazit informace o autorovi Odeslat soukromou zprávu
misocko



Založen: Jun 26, 2009
Příspěvky: 1485
Bydliště: Hlohovec (Sk)

PříspěvekZaslal: st říjen 14 2020, 21:24    Předmět: Citovat

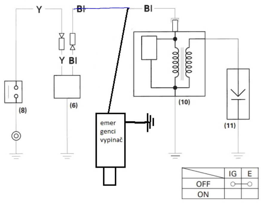
proste len spoj vsetky BI dokopy
tak ako to bolo povodne , nic neodpajaj, len k tomu pripoj este tvoj emergency tak ako tam mas teraz
obr:



Snímka.PNG
 Komentář:
 Velikost:  165.62 kB
 Zobrazeno:  120 krát

Snímka.PNG


Návrat nahoru
Zobrazit informace o autorovi Odeslat soukromou zprávu Odeslat e-mail
Maathes



Založen: Oct 14, 2020
Příspěvky: 3

PříspěvekZaslal: st říjen 14 2020, 21:28    Předmět: Citovat

Děkuji !
jak to funguje ? co dá tomu motoru "impuls" vypni se ? jasně vypne jikru ale jak ?
Návrat nahoru
Zobrazit informace o autorovi Odeslat soukromou zprávu
misocko



Založen: Jun 26, 2009
Příspěvky: 1485
Bydliště: Hlohovec (Sk)

PříspěvekZaslal: st říjen 14 2020, 21:39    Předmět: Citovat

predpokladam ze tvoj emergency je klasika, vytiahnes snurku a zopne sa - vyskratuje (spoji napajanie s kostrou) zapalovanie (vecsina takych domacich blbosti ako kosacka, krovinorez ... , takto funguje)
Návrat nahoru
Zobrazit informace o autorovi Odeslat soukromou zprávu Odeslat e-mail
Maathes



Založen: Oct 14, 2020
Příspěvky: 3

PříspěvekZaslal: st říjen 14 2020, 21:41    Předmět: Citovat

aha super, děkuju moc, takže proto můžu oba spojit, buď ten a nebo ten cívku "vyzkratuje" .. už to chápu Smile ještě jednou moc děkuji
Návrat nahoru
Zobrazit informace o autorovi Odeslat soukromou zprávu
VASEK_W



Založen: Dec 11, 2017
Příspěvky: 971
Bydliště: Pelhřimov

PříspěvekZaslal: st říjen 14 2020, 21:48    Předmět: Citovat

Nejsem znalec těch komponentů, motokáry nedělám. Tak pokud bych se mýlil, tak mne omluvte Wink

Jen bych chtěl poznamenat, že situace není tak jednoduchá Sad.
Klidně by se mohlo stát, že dojde olej, ale motokára pojede vesele dál díky "obchvatu" přes EMERGENCI. Nebo ta horší varianta, že jezdec vypadne z motokáry, ale ta poběží dál Sad

Pro správnou odpověď na zadanou otázku ohledně zapojení mi schází několik údajů.

1) ten EMERGENCI spínač je za normálního stavu seplý, nebo rozepnutý (to jde změřit tím nejobyčejnějším multimetrem) ???

2) jaké je napětí na vodiči BI v původním zapojení při provozu ???

Až na základě těchto údajů lze rozhodnout o "SPRÁVNÉM" zapojení toho EMERGENCI spínače do obvodu. Buď paralelně, nebo sériově.

Uvedení informace od tazatele:
"trhací" emergenci vypínač"
je nic neříkající. Nejdříve je nutné měřit, pak lze správně radit a zapojovat tak, aby to bylo bezpečné.

Vašek
Návrat nahoru
Zobrazit informace o autorovi Odeslat soukromou zprávu
misocko



Založen: Jun 26, 2009
Příspěvky: 1485
Bydliště: Hlohovec (Sk)

PříspěvekZaslal: st říjen 14 2020, 22:09    Předmět: Citovat

neni problem spojit a otestovat bez merania
proste len pojis Y od oleja k zemi a motor musi zhasnut
takisto ked vytiahnes emergency, motor musi zhasnut
ak sa tak nestane, potom budes merat Very Happy
Návrat nahoru
Zobrazit informace o autorovi Odeslat soukromou zprávu Odeslat e-mail
Crifodo



Založen: Oct 11, 2005
Příspěvky: 15004

PříspěvekZaslal: čt říjen 15 2020, 6:50    Předmět: Citovat

Pro případ že vypadneš tak rychle, že nezatáhneš za nějakej trhací vypínač, tam ještě přidej pod sedadlo nějaký koncák jako je v zahradních malotraktorech. Pokud se motor zastavuje zkratováním zapalovací cívky, tak všechno paralelně.
Návrat nahoru
Zobrazit informace o autorovi Odeslat soukromou zprávu Odeslat e-mail
dreamer



Založen: Oct 22, 2014
Příspěvky: 385

PříspěvekZaslal: čt říjen 15 2020, 8:36    Předmět: Citovat

Za výtrhovou pojistku se netahá, je připnutá na ruku nebo k opasku přes kroucenou šňůru aby neomezovala v pohybu. Při vypadnutí tedy zafunguje automaticky. Alespoň na lodích to tak je.
Návrat nahoru
Zobrazit informace o autorovi Odeslat soukromou zprávu
Zobrazit příspěvky z předchozích:   
Přidat nové téma   Zaslat odpověď       Obsah fóra Diskuzní fórum Elektro Bastlírny -> Řešení problémů s různými konstrukcemi Časy uváděny v GMT + 1 hodina
Strana 1 z 1

 
Přejdi na:  
Nemůžete odesílat nové téma do tohoto fóra.
Nemůžete odpovídat na témata v tomto fóru.
Nemůžete upravovat své příspěvky v tomto fóru.
Nemůžete mazat své příspěvky v tomto fóru.
Nemůžete hlasovat v tomto fóru.
Nemůžete připojovat soubory k příspěvkům
Můžete stahovat a prohlížet přiložené soubory

Powered by phpBB © 2001, 2005 phpBB Group
Forums ©
Nuke - Elektro Bastlirna

Informace na portálu Elektro bastlírny jsou prezentovány za účelem vzdělání čtenářů a rozšíření zájmu o elektroniku. Autoři článků na serveru neberou žádnou zodpovědnost za škody vzniklé těmito zapojeními. Rovněž neberou žádnou odpovědnost za případnou újmu na zdraví vzniklou úrazem elektrickým proudem. Autoři a správci těchto stránek nepřejímají záruku za správnost zveřejněných materiálů. Předkládané informace a zapojení jsou zveřejněny bez ohledu na případné patenty třetích osob. Nároky na odškodnění na základě změn, chyb nebo vynechání jsou zásadně vyloučeny. Všechny registrované nebo jiné obchodní známky zde použité jsou majetkem jejich vlastníků. Uvedením nejsou zpochybněna z toho vyplývající vlastnická práva. Použití konstrukcí v rozporu se zákonem je přísně zakázáno. Vzhledem k tomu, že původ předkládaných materiálů nelze žádným způsobem dohledat, nelze je použít pro komerční účely! Tento nekomerční server nemá z uvedených zapojení či konstrukcí žádný zisk. Nezodpovídáme za pravost předkládaných materiálů třetími osobami a jejich původ. V případě, že zjistíte porušení autorského práva či jiné nesrovnalosti, kontaktujte administrátory na diskuzním fóru EB.


PHP-Nuke Copyright © 2005 by Francisco Burzi. This is free software, and you may redistribute it under the GPL. PHP-Nuke comes with absolutely no warranty, for details, see the license.
Čas potřebný ke zpracování stránky 0.15 sekund