Vítejte na Elektro Bastlírn?
Nuke - Elektro Bastlirna
  Vytvořit účet Hlavní · Fórum · DDump · Profil · Zprávy · Hledat na fóru · Příspěvky na provoz EB

Vlákno na téma KORONAVIRUS - nutná registrace


Nuke - Elektro Bastlirna: Diskuzní fórum

 FAQFAQ   HledatHledat   Uživatelské skupinyUživatelské skupiny   ProfilProfil   Soukromé zprávySoukromé zprávy   PřihlášeníPřihlášení 

Class D zesilovač 2.2kW ze šuplíkových součástek
Jdi na stránku 1, 2, 3  Další
 
Přidat nové téma   Zaslat odpověď       Obsah fóra Diskuzní fórum Elektro Bastlírny -> Zapojení ze šuplíku
Zobrazit předchozí téma :: Zobrazit následující téma  
Autor Zpráva
samponek



Založen: May 11, 2015
Příspěvky: 3907

PříspěvekZaslal: st září 30 2020, 11:23    Předmět: Class D zesilovač 2.2kW ze šuplíkových součástek Citovat

Jedná se o výkonový oscilátor pravoúhlého průběhu s amplitudou 138V na 360kHz s pulzně šířkovou modulací zapojený do můstku ze šuplíkových součástek.
Zapojení obsahuje nadproudovou a tepelnou ochranu, je možné využít i jako PWM regulátor otáček umožňující brzdění a změnu směru chodu motoru.

První operák je předzesilovač, druhý operák je invertující integrátor, který je spolu s invertujícím komparátorem součástí zpětné vazby, třetí je integrátor druhé poloviny mostu

Hradla 4030 tvoří deadtime generátor 70ns, následuje výkonová část s budiči IR2110 a spínacími mosfety IRF 640, které jsou po třech paralelně.

Výstupní indukčnosti 60uH tvoří dvě trafa EI 40 se vzduchovou mezerou 3 mm ze zdrojů PC, obě celé sekundární vinutí zapojené do série ( každé má se vzduchovou mezerou indukčnost 30uH )



Class-D-sampon-2200-signalova-cast.jpg
 Komentář:
signálová část (je na stejné destičce s výkonovými obvody)
 Velikost:  292.7 kB
 Zobrazeno:  283 krát

Class-D-sampon-2200-signalova-cast.jpg



Class-D-sampon-2200-vykonova-cast.jpg
 Komentář:
Výkonová část, můstek IR2110 a IRF640
 Velikost:  290.89 kB
 Zobrazeno:  315 krát

Class-D-sampon-2200-vykonova-cast.jpg


Návrat nahoru
Zobrazit informace o autorovi Odeslat soukromou zprávu
ZdenekHQ
Administrátor


Založen: Jul 21, 2006
Příspěvky: 25741
Bydliště: skoro Brno

PříspěvekZaslal: st září 30 2020, 15:36    Předmět: Citovat

Plánuješ delší návrat, nebo bude za měsíc zase žádost o BAN na 250dnů? Cool

Mimochodem, o prodloužení jsi nepožádal, BAN vypršel...

_________________
Pro moje oslovení klidně použijte jméno Zdeněk
Správně navržené zapojení je jako recept na dobré jídlo.
Můžete vynechat půlku ingrediencí, nebo přidat jiné,
ale jste si jistí, že vám to bude chutnat[?
]
Návrat nahoru
Zobrazit informace o autorovi Odeslat soukromou zprávu Zobrazit autorovy WWW stránky
EKKAR



Založen: Mar 16, 2005
Příspěvky: 34657
Bydliště: Česká Třebová, JN89FW21

PříspěvekZaslal: st září 30 2020, 16:15    Předmět: Citovat

Minimálně to vypadá, že se aspoň naučil kreslit schémata ...
_________________
Nasliněný prst na svorkovnici domovního rozvaděče: Jó, paninko, máte tam ty Voltíky všecky...
A kutilmile - nelituju tě Mr. Green Mr. Green !!!
Návrat nahoru
Zobrazit informace o autorovi Odeslat soukromou zprávu Odeslat e-mail
samponek



Založen: May 11, 2015
Příspěvky: 3907

PříspěvekZaslal: st září 30 2020, 16:22    Předmět: Citovat

Hotový bastl, hmotnost 1.1kg


Class D sampon 2200.jpg
 Komentář:
 Velikost:  251.96 kB
 Zobrazeno:  222 krát

Class D sampon 2200.jpg


Návrat nahoru
Zobrazit informace o autorovi Odeslat soukromou zprávu
ZdenekHQ
Administrátor


Založen: Jul 21, 2006
Příspěvky: 25741
Bydliště: skoro Brno

PříspěvekZaslal: st září 30 2020, 16:43    Předmět: Citovat

Tak určitě se s tím kreslením polepšil. Very Happy


samp_d.jpg
 Komentář:
 Velikost:  205.83 kB
 Zobrazeno:  191 krát

samp_d.jpg



_________________
Pro moje oslovení klidně použijte jméno Zdeněk
Správně navržené zapojení je jako recept na dobré jídlo.
Můžete vynechat půlku ingrediencí, nebo přidat jiné,
ale jste si jistí, že vám to bude chutnat[?
]
Návrat nahoru
Zobrazit informace o autorovi Odeslat soukromou zprávu Zobrazit autorovy WWW stránky
termit256



Založen: Dec 06, 2007
Příspěvky: 10335

PříspěvekZaslal: st září 30 2020, 16:50    Předmět: Citovat

Ale pajeni zustalo pri starem Smile
Návrat nahoru
Zobrazit informace o autorovi Odeslat soukromou zprávu
sinclair



Založen: Feb 02, 2005
Příspěvky: 9923
Bydliště: Luhačovice

PříspěvekZaslal: st září 30 2020, 16:52    Předmět: Citovat

To je jedno, jemu to tak vyhovuje a ostatní ať si udělají dvouvrstvej plošák s prokovy a maskama.
Nápad je to dobrý a navíc doslova zadarmo, z odpadu. Koupený jsou jen asi ty dvě Samwhy a IR.

Máš ještě někde ten kvazikomplementární sérioparalel?
Myslím to mělo i zdvojený budiče v sérii a koncáky všechny NPN TO3/60V-15A.


Naposledy upravil sinclair dne st září 30 2020, 16:59, celkově upraveno 1 krát.
Návrat nahoru
Zobrazit informace o autorovi Odeslat soukromou zprávu Odeslat e-mail
JiriTom



Založen: Apr 26, 2017
Příspěvky: 1406

PříspěvekZaslal: st září 30 2020, 16:58    Předmět: Citovat

To 2200 v názvu fotek "Class-D-sampon-2200-vykonova-cast.jpg" je výkon ve W ? Pokud ano, čím to napájíš a do jaké zátěže to testuješ ?
Návrat nahoru
Zobrazit informace o autorovi Odeslat soukromou zprávu
sinclair



Založen: Feb 02, 2005
Příspěvky: 9923
Bydliště: Luhačovice

PříspěvekZaslal: st září 30 2020, 17:02    Předmět: Citovat

Však to píše v názvu vlákna, 2.2kW. Je to přeci výkonový spínač, tak zdroj ±70V/3kW je brnkačka, bez srandy.
Dva toroidy po 3,5kVA z Tronicu mi ještě zůstaly, z pokusů se zapojením SpeakerDeflorator© Very Happy
Bojím se, že tech 4,7G bude málo. Pumping effect je u těchto výkonných potvor hrozný, trhá to membrány, škube motorama.
Návrat nahoru
Zobrazit informace o autorovi Odeslat soukromou zprávu Odeslat e-mail
JiriTom



Založen: Apr 26, 2017
Příspěvky: 1406

PříspěvekZaslal: st září 30 2020, 17:16    Předmět: Citovat

Aby to celé mělo smysl, chtělo by to asi napájet spínaným zdrojem.
Návrat nahoru
Zobrazit informace o autorovi Odeslat soukromou zprávu
samponek



Založen: May 11, 2015
Příspěvky: 3907

PříspěvekZaslal: st září 30 2020, 21:38    Předmět: Citovat

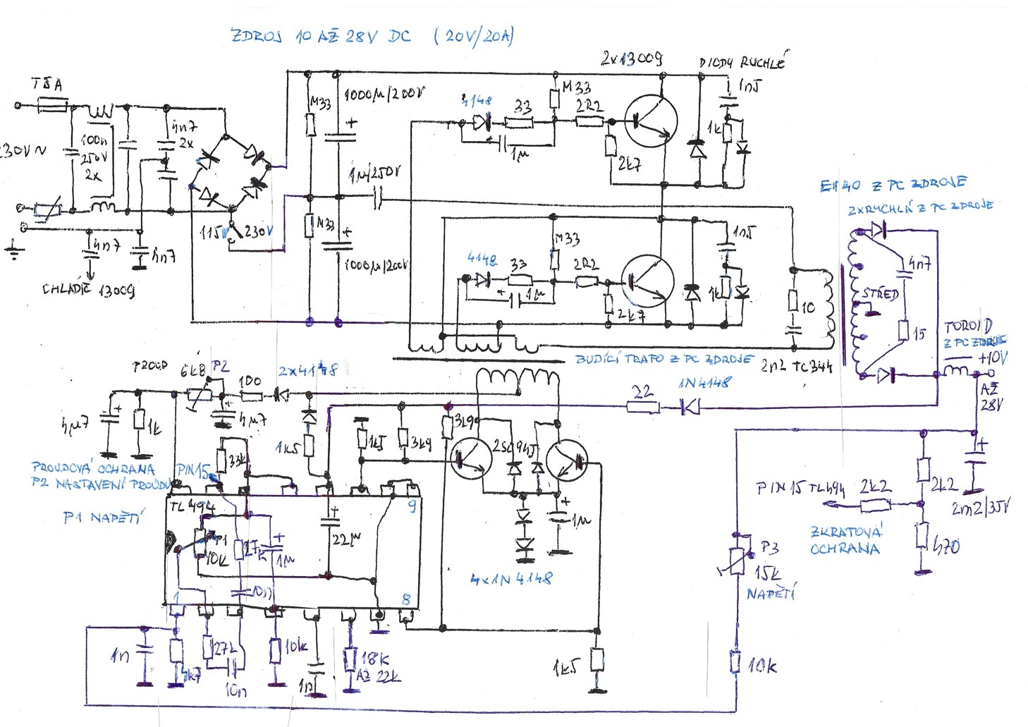
sinclair, ano, leží to tady, jsou tam KD503 serioparalelně, kvazikomplementár a buzení jsou IRF 640, ale už to dneska nemá cenu, tohle je mnohem jednodušší, na celý zesilovač je potřeba 10 PC zdrojů, z toho 4 na součástky pro zesilovač a 6 v sérii jako zdroje.

Zapojení zdroje je tady, je jich 6 v sérii, každý má 22V.

Trafa v těch zdrojích jsou zdvojené paralelně.



zdroj 20V 20A.jpg
 Komentář:
spínaný zdroj ( upravený PC 400W )
 Velikost:  287.22 kB
 Zobrazeno:  187 krát

zdroj 20V 20A.jpg



spinany zdroj .jpg
 Komentář:
22V + 22V / 20A
 Velikost:  41.08 kB
 Zobrazeno:  131 krát

spinany zdroj .jpg


Návrat nahoru
Zobrazit informace o autorovi Odeslat soukromou zprávu
samponek



Založen: May 11, 2015
Příspěvky: 3907

PříspěvekZaslal: čt říjen 01 2020, 14:21    Předmět: Citovat

sinclair- PNP tranzistory druhého dif jsou na společném chladiči, který je oddělený od chladiče s mosfety + KD503 ( mají rozdílnou ztrátu a topí )

Tranzistory prvního dif jsou taky spolu na chladícím křidélku.

Všechny červené LED jsou GaAs

Exotická sériová kombinace červené LED a Shottky je spolu na chladiči blízko mosfetů + KD503 ( nutné, klidový proud 50mA, napětí na Ugs=3.63V )

Trimrem 10R u druhého dif se nastavuje klidový proud.

Horní a spodní budiče jsou Darlingtony.

Místo zdroje konstantního proudu pro reference zdrojů konstantních proudů může být jenom odpor cca 15k 4W , tak, aby jím teklo cca 5mA.

Trafo 1 : 1 na vstupu je plechové z modemu.

Je to zapojené do můstku a napájené z nesymetrického zdroje, proto na výstupu není kondenzátor ( 10 upravených PC zdrojů v sérii s proudovou a zkratovou ochranou) stejných, jako u toho Déčka.

Změnou jednoho z odporů 22R v emitorech prvního dif se nastaví 0V na výstupu proti sobě.



serioparalel kvazikomplementar.jpg
 Komentář:
 Velikost:  287.7 kB
 Zobrazeno:  252 krát

serioparalel kvazikomplementar.jpg


Návrat nahoru
Zobrazit informace o autorovi Odeslat soukromou zprávu
sinclair



Založen: Feb 02, 2005
Příspěvky: 9923
Bydliště: Luhačovice

PříspěvekZaslal: čt říjen 01 2020, 14:36    Předmět: Citovat

Pěkný, díky moc.
A je nutný těmi diferáky prohánět až takový proudy? To je kvůli linearitě použitých tranzistorů?
Pro napěťově netříděný KD503 připadá v úvahu jen max. ±80V, nebo 160V.
Pět kaskád tam máš kvůli tomu můstku - aby i můstek chodil do nízkých impedancí?
Mám svářečky podobné koncepce rád, ale není 5 kaskád, pro 4R tohoto jednoho bloku zbytečně moc? Very Happy
Ale jinak klobouk dolů, ten budič a Rbe 1R1, to je dost peklo Very Happy Pak vlastně může Uceo i netříděných KD503 letět k těm katalogovým 90V.
Návrat nahoru
Zobrazit informace o autorovi Odeslat soukromou zprávu Odeslat e-mail
samponek



Založen: May 11, 2015
Příspěvky: 3907

PříspěvekZaslal: čt říjen 01 2020, 14:54    Předmět: Citovat

1R1 je tam kvůli tomu, aby se KD502 (KD503) nemusely až tak choulostivě vybírat na Uce0, přestože jsem použil vybrané na Uce0=120V.

Mosfety 2SK1544 jsem použil z horizontálu Eizo, ale hraje to s jakýmikoli spínacími mosfety IRF640, IRF840.

Proudy velké u dif jsou nutné kvůli těm mosfetům

Ve schématu je 5x KD503 paralelně, ve skutečnosti jsou po dvanácti KD606, což vyjde zhruba nastejno.

Je to brutalistní, těžká a veliká konstrukce, topící, Déčko o váze 1.1kg ji zcela nahradí a netopí.
Rolling Eyes
Návrat nahoru
Zobrazit informace o autorovi Odeslat soukromou zprávu
sinclair



Založen: Feb 02, 2005
Příspěvky: 9923
Bydliště: Luhačovice

PříspěvekZaslal: čt říjen 01 2020, 15:00    Předmět: Citovat

To sice jo, ale 2kW déčko je s 10-15m káblu taky slušný AM vysílač.
Někdy to velmi vadí, zvlášť, když to má spolupracovat s dalšími analogy.
Při tomto způsobu buzení by mělo stačit, nastavit těch cca 50mA jen budičem, ne?
Návrat nahoru
Zobrazit informace o autorovi Odeslat soukromou zprávu Odeslat e-mail
Zobrazit příspěvky z předchozích:   
Přidat nové téma   Zaslat odpověď       Obsah fóra Diskuzní fórum Elektro Bastlírny -> Zapojení ze šuplíku Časy uváděny v GMT + 1 hodina
Jdi na stránku 1, 2, 3  Další
Strana 1 z 3

 
Přejdi na:  
Nemůžete odesílat nové téma do tohoto fóra.
Nemůžete odpovídat na témata v tomto fóru.
Nemůžete upravovat své příspěvky v tomto fóru.
Nemůžete mazat své příspěvky v tomto fóru.
Nemůžete hlasovat v tomto fóru.
Nemůžete připojovat soubory k příspěvkům
Můžete stahovat a prohlížet přiložené soubory

Powered by phpBB © 2001, 2005 phpBB Group
Forums ©
Nuke - Elektro Bastlirna

Informace na portálu Elektro bastlírny jsou prezentovány za účelem vzdělání čtenářů a rozšíření zájmu o elektroniku. Autoři článků na serveru neberou žádnou zodpovědnost za škody vzniklé těmito zapojeními. Rovněž neberou žádnou odpovědnost za případnou újmu na zdraví vzniklou úrazem elektrickým proudem. Autoři a správci těchto stránek nepřejímají záruku za správnost zveřejněných materiálů. Předkládané informace a zapojení jsou zveřejněny bez ohledu na případné patenty třetích osob. Nároky na odškodnění na základě změn, chyb nebo vynechání jsou zásadně vyloučeny. Všechny registrované nebo jiné obchodní známky zde použité jsou majetkem jejich vlastníků. Uvedením nejsou zpochybněna z toho vyplývající vlastnická práva. Použití konstrukcí v rozporu se zákonem je přísně zakázáno. Vzhledem k tomu, že původ předkládaných materiálů nelze žádným způsobem dohledat, nelze je použít pro komerční účely! Tento nekomerční server nemá z uvedených zapojení či konstrukcí žádný zisk. Nezodpovídáme za pravost předkládaných materiálů třetími osobami a jejich původ. V případě, že zjistíte porušení autorského práva či jiné nesrovnalosti, kontaktujte administrátory na diskuzním fóru EB.


PHP-Nuke Copyright © 2005 by Francisco Burzi. This is free software, and you may redistribute it under the GPL. PHP-Nuke comes with absolutely no warranty, for details, see the license.
Čas potřebný ke zpracování stránky 0.15 sekund