Vítejte na Elektro Bastlírn?
Nuke - Elektro Bastlirna
  Vytvořit účet
Hlavní · Fórum · DDump · Profil · Zprávy · Hledat na fóru


Nuke - Elektro Bastlirna: Diskuzní fórum

 FAQFAQ   HledatHledat   Uživatelské skupinyUživatelské skupiny   ProfilProfil   Soukromé zprávySoukromé zprávy   PřihlášeníPřihlášení 

přerušovač led blinkrů 6v

 
Přidat nové téma   Zaslat odpověď       Obsah fóra Diskuzní fórum Elektro Bastlírny -> Auto - Moto technika
Zobrazit předchozí téma :: Zobrazit následující téma  
Autor Zpráva
pavels



Založen: Nov 30, 2005
Příspěvky: 150

PříspěvekZaslal: so srpen 10 2019, 10:11    Předmět: přerušovač led blinkrů 6v Citovat

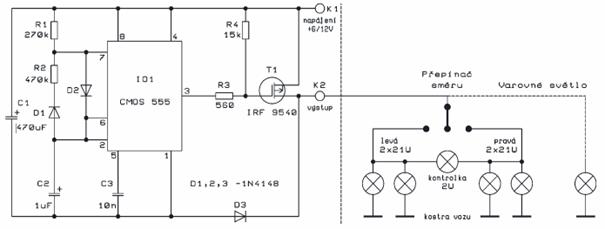
Zdravím všechny. Předem se omlouvám za dané téma,ale už nevím jak to vyřešit. Potřeboval bych vyrobit a nebo koupit přerušovač led blinkrů 6v.
Koupil jsem 6-12V Led řárovky( fungují od 4,5V), odběr 2W na aute jsou 2ks.
Nejprve jsem koupil přerušovač z číny 6-12V Blikání při 6V je moc rychlé,když ho napájim 12V, pracuje podle představ.
Našel jsem schéma s NE555, LED žárovky stále lehce svítí a blikání je rychle. Na žárovku to funguje. Ještě mě napadlo na výstup dát relé a pak by blikání nebylo závislé na odběru.
Existuje nějaké jednoduché řešení nebo komereční,které funguje? Moc děkuji za pomoc, radu



image003.jpg
 Komentář:
 Velikost:  19.14 kB
 Zobrazeno:  222 krát

image003.jpg


Návrat nahoru
Zobrazit informace o autorovi Odeslat soukromou zprávu
frpr666



Založen: Dec 28, 2009
Příspěvky: 1051

PříspěvekZaslal: so srpen 10 2019, 10:29    Předmět: Citovat

2 věci:
1/ u blinkrů je to tak, že pokud řidič zmáčne páčku, tak ihned svítí blinkr. Není to tedy tak, že řidič zmáčné páčku a "strefí" se náhodně do periody ON-OFF.
2/ autoelektrika je specifická, že musí být odolná vibracím, rušení, a teplotám. Ze zpráv známe případy, kdy začne mrznout a samovolně začínají hořet auta od elektroinstalace.
Návrat nahoru
Zobrazit informace o autorovi Odeslat soukromou zprávu
Kremik



Založen: Mar 30, 2012
Příspěvky: 3708
Bydliště: Havířov

PříspěvekZaslal: so srpen 10 2019, 10:58    Předmět: Citovat

Uprav si ten přerušovač z číny. Když je perioda blikání závislá na napětí, bude tam kondík, stačí vhodně navýšit kapacitu. Bezpečnost instalace v automobilu je samozřejmě celá na Tobě.
Návrat nahoru
Zobrazit informace o autorovi Odeslat soukromou zprávu Odeslat e-mail
BOBOBO
Doporučuje se dohled statného moderátora


Založen: Feb 25, 2008
Příspěvky: 21109
Bydliště: Rychnovsko

PříspěvekZaslal: út srpen 13 2019, 6:24    Předmět: Citovat

Z china jsou i s trimrem , ale hlavně W . Musí být téměř od nuly .
Návrat nahoru
Zobrazit informace o autorovi Odeslat soukromou zprávu
Zobrazit příspěvky z předchozích:   
Přidat nové téma   Zaslat odpověď       Obsah fóra Diskuzní fórum Elektro Bastlírny -> Auto - Moto technika Časy uváděny v GMT + 1 hodina
Strana 1 z 1

 
Přejdi na:  
Nemůžete odesílat nové téma do tohoto fóra.
Nemůžete odpovídat na témata v tomto fóru.
Nemůžete upravovat své příspěvky v tomto fóru.
Nemůžete mazat své příspěvky v tomto fóru.
Nemůžete hlasovat v tomto fóru.
Nemůžete připojovat soubory k příspěvkům
Můžete stahovat a prohlížet přiložené soubory

Powered by phpBB © 2001, 2005 phpBB Group
Forums ©
Nuke - Elektro Bastlirna

Informace na portálu Elektro bastlírny jsou prezentovány za účelem vzdělání čtenářů a rozšíření zájmu o elektroniku. Autoři článků na serveru neberou žádnou zodpovědnost za škody vzniklé těmito zapojeními. Rovněž neberou žádnou odpovědnost za případnou újmu na zdraví vzniklou úrazem elektrickým proudem. Autoři a správci těchto stránek nepřejímají záruku za správnost zveřejněných materiálů. Předkládané informace a zapojení jsou zveřejněny bez ohledu na případné patenty třetích osob. Nároky na odškodnění na základě změn, chyb nebo vynechání jsou zásadně vyloučeny. Všechny registrované nebo jiné obchodní známky zde použité jsou majetkem jejich vlastníků. Uvedením nejsou zpochybněna z toho vyplývající vlastnická práva. Použití konstrukcí v rozporu se zákonem je přísně zakázáno. Vzhledem k tomu, že původ předkládaných materiálů nelze žádným způsobem dohledat, nelze je použít pro komerční účely! Tento nekomerční server nemá z uvedených zapojení či konstrukcí žádný zisk. Nezodpovídáme za pravost předkládaných materiálů třetími osobami a jejich původ. V případě, že zjistíte porušení autorského práva či jiné nesrovnalosti, kontaktujte administrátory na diskuzním fóru EB.


PHP-Nuke Copyright © 2005 by Francisco Burzi. This is free software, and you may redistribute it under the GPL. PHP-Nuke comes with absolutely no warranty, for details, see the license.
Čas potřebný ke zpracování stránky 0.15 sekund