Vítejte na Elektro Bastlírn?
Nuke - Elektro Bastlirna
  Vytvořit účet Hlavní · Fórum · DDump · Profil · Zprávy · Hledat na fóru · Příspěvky na provoz EB

Vlákno na téma KORONAVIRUS - nutná registrace


Nuke - Elektro Bastlirna: Diskuzní fórum

 FAQFAQ   HledatHledat   Uživatelské skupinyUživatelské skupiny   ProfilProfil   Soukromé zprávySoukromé zprávy   PřihlášeníPřihlášení 

Teslův transformátor pro přístroj Dr. Lachovského
Jdi na stránku 1, 2, 3  Další
 
Přidat nové téma   Zaslat odpověď       Obsah fóra Diskuzní fórum Elektro Bastlírny -> Řešení problémů s různými konstrukcemi
Zobrazit předchozí téma :: Zobrazit následující téma  
Autor Zpráva
jade



Založen: Dec 28, 2004
Příspěvky: 1019
Bydliště: Brno

PříspěvekZaslal: út srpen 06 2019, 21:17    Předmět: Teslův transformátor pro přístroj Dr. Lachovského Citovat

Zdravím,
pokouším se postavit jiskřišťový Teslův transformátor pro Lachovského "multifrekvenční oscilátor" (zkoušel jsem si vše "zjednodušit" stavbou tranzistorového T.C., ovšem ukázalo se to býti slepou uličkou...).

Musím předeslat, že mi nejde o probírání možnosti či nemožnosti funkce podle předpokladů Lachovského, jde mi o ryze technické problémy a jejich řešení.
(pokud budete gůglit, tak hledejte Lakhovsky, v některých jazycích je holt "ch" něco nemyslitelného)
Je třeba také říct, že není úplně jasné, jak byl vlastně originální přístroj zapojen, respektive jakým způsobem byly k němu byly připojeny rezonátory. Zapojení z Lachovského patentu je na obrázku níže - ten s vyobrazením vakuové verze rezonátoru.
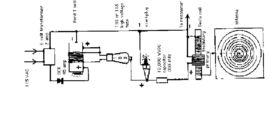
První prototyp byl údajně ubastlen ze zapalovací soustavy fordu T. Viz obrázek.
Nyní k důvodu, proč sem to všechno vlastně píši: postavil jsem si Teslův transformátor ze dvou MOTů a předřazené tlumivky z nějaké 400W výbojky,
viz též obrázek z Multisimu.
Rotační jiskřiště, probírané v jiném vlákně, jsem zatím odložil a použil statické.
Kondenzátor je poskládán z devíti keramik 5n/5kV DC, tak, aby byla zatížitelnost trojnásobná a kapacita zůstala stejná, je chráněn vlastním jiskřištěm před přepětím.
Pár minut to opravdu fungovalo, kolem pokusného rezonátoru o průměru 40cm se objevila korona sršící asi 4cm daleko okolo celého obvodu.
Pak sekundár TC najednou zmlknul, jiskřiště přitom stále pracovalo.

Takže teď řeším, co se vlastně pokazilo. Kondenzátory jsem vyměnil, bez efektu.
Teď se to chová tak, že hlavní jiskřiště, nastavené na 1,5mm, pracuje přerušovaně a do toho občas "zaštěká" ochranné jiskřiště kondenzátorů, nastavené na 3mm. Ze sekundáru TC vytáhnu šroubovákem tak 5mm jiskřičku.
Sad
Nehřeje se nic, ani se nic nehřálo na začátku, jen kondy jsou po chvíli provozu vlažné. Jiskřiště se chladí i zháší proudem vzduchu.
Poprosil bych znalé o pomoc se znovu zprovozněním zařízení.
Děkuji!



mwo-300x261.jpg
 Komentář:
 Velikost:  18.73 kB
 Zobrazeno:  145 krát

mwo-300x261.jpg



Lakhovsky orig.png
 Komentář:
 Velikost:  20.35 kB
 Zobrazeno:  155 krát

Lakhovsky orig.png



SGTC.png
 Komentář:
 Velikost:  14.33 kB
 Zobrazeno:  159 krát

SGTC.png


Návrat nahoru
Zobrazit informace o autorovi Odeslat soukromou zprávu
forbidden



Založen: Feb 14, 2005
Příspěvky: 9404
Bydliště: Brno (JN89GF)

PříspěvekZaslal: st srpen 07 2019, 8:24    Předmět: Citovat

Kondenzátor musí být opravdu hodně naddimenzovanej, oproti udávanýmu DC napětí. Nevím, jaký keramiky máš, ale chvíli bude fungovat asi vše, než shoří. Pokud nejsou výboje, nemáš to v rezonanci. Jiskřišťáky se ladí nejčastěji odbočkama na primáru. Mluvím o klasickým SGTC.
Návrat nahoru
Zobrazit informace o autorovi Odeslat soukromou zprávu Zobrazit autorovy WWW stránky
Kremik



Založen: Mar 30, 2012
Příspěvky: 3644
Bydliště: Havířov

PříspěvekZaslal: st srpen 07 2019, 14:45    Předmět: Citovat

Sekundár TC? Dle popisu asi jic jinýho. Nebo něco na "pokusným rezonátoru".
Návrat nahoru
Zobrazit informace o autorovi Odeslat soukromou zprávu Odeslat e-mail
jade



Založen: Dec 28, 2004
Příspěvky: 1019
Bydliště: Brno

PříspěvekZaslal: st srpen 07 2019, 18:15    Předmět: Citovat

Sekundár je v pořádku, navinul jsem ho drátem 0,45 což je docela nadstandard a indukčnost i odpor sedí. Profláknout se v podstatě nemá kam, tak dlouhé výboje jsem ani náhodou nezaznamenal.
Onen pokusný rezonátor je prozatím jen rozpojený kruh z drátu Ø 40cm, dokud nefunguje T.C. nemá smysl to řešit.
Dnes jsem převinul primár, ale bez efektu.
Ale celkově mám z toho dojem náhlého rozladění.
Je možné, že se kondenzátory tváří při měření v pořádku, ale při připojení na 4kV se chovají jinak. Jdou VN kondy nějak otestovat?
Používám tyhle: https://www.bucek.name/cenik/kkeramicke.dat/ko-wn5n5kv-f.jpg , vždy tři v sérii, což dělá 15kV stejnosměrných. Což u mě není ani náhodou.
Návrat nahoru
Zobrazit informace o autorovi Odeslat soukromou zprávu
patrikvarga



Založen: Apr 24, 2007
Příspěvky: 1271

PříspěvekZaslal: st srpen 07 2019, 18:27    Předmět: Citovat

Keď dáš 3 kondenzátory do série nemáš zaručené, že sa aj napätie rozdelí 1:3.
Návrat nahoru
Zobrazit informace o autorovi Odeslat soukromou zprávu
jade



Založen: Dec 28, 2004
Příspěvky: 1019
Bydliště: Brno

PříspěvekZaslal: st srpen 07 2019, 20:46    Předmět: Citovat

Když jsou stejné, tak by teoreticky mělo...
Jak tedy otestovat VN kondy?
Dík
Návrat nahoru
Zobrazit informace o autorovi Odeslat soukromou zprávu
forbidden



Založen: Feb 14, 2005
Příspěvky: 9404
Bydliště: Brno (JN89GF)

PříspěvekZaslal: st srpen 07 2019, 21:40    Předmět: Citovat

Tyhle keramický prcky nejsou do rezonančního obvodu tesláku. Toto jsou kondy, co vydrží.
Otestovat je můžeš při nominálním DC napětí, jestli se neprorazí.



Maxwell 37667 1.jpg
 Komentář:
Maxwell
 Velikost:  119.15 kB
 Zobrazeno:  199 krát

Maxwell 37667 1.jpg



Maxwell 37667 3.JPG
 Komentář:
Maxwell
 Velikost:  32.51 kB
 Zobrazeno:  178 krát

Maxwell 37667 3.JPG


Návrat nahoru
Zobrazit informace o autorovi Odeslat soukromou zprávu Zobrazit autorovy WWW stránky
RayeR



Založen: Aug 02, 2009
Příspěvky: 1654
Bydliště: Praha

PříspěvekZaslal: čt srpen 08 2019, 14:07    Předmět: Citovat

Tyhle kondy sou imho na takovouhle vykonovou VF aplikaci dost k hovnu, zkus bud foliaky WIMA FKP1 nebo diskovy/trubkovy VF keramiky, neco jako tohle: http://rayer.g6.cz/teslatr/vttc/photos/ccap1nf.jpg
pak to prska lip Smile
http://rayer.g6.cz/teslatr/vttc/photos/gu81m15.jpg
Návrat nahoru
Zobrazit informace o autorovi Odeslat soukromou zprávu Zobrazit autorovy WWW stránky
jade



Založen: Dec 28, 2004
Příspěvky: 1019
Bydliště: Brno

PříspěvekZaslal: čt srpen 08 2019, 18:11    Předmět: Citovat

Které jsou k hovnu, ty co ukazuje forbidden, nebo ty moje červené keramiky?
Návrat nahoru
Zobrazit informace o autorovi Odeslat soukromou zprávu
RayeR



Založen: Aug 02, 2009
Příspěvky: 1654
Bydliště: Praha

PříspěvekZaslal: čt srpen 08 2019, 18:18    Předmět: Citovat

Ty tve keramicke pecicky, sem reload stranku az po te, co forbid odpovedel. Ty maxwelly sou super, ale drahe jak pes...
Návrat nahoru
Zobrazit informace o autorovi Odeslat soukromou zprávu Zobrazit autorovy WWW stránky
jade



Založen: Dec 28, 2004
Příspěvky: 1019
Bydliště: Brno

PříspěvekZaslal: čt srpen 08 2019, 19:15    Předmět: Citovat

Hmm, já to tušil...
U Bůčka lepší holt nemaj. Bude stačit kondík na 25 kV DC? Oni různí výrobci udávají AC zatížitelnost u těchto kondíků dost různou, dokonce jsem viděl i údaj "28kV DC, 4kV 50Hz AC", což nic nevypovídá o zatížitelnosti při 5kV (napájení, kolik se tam nakmitá, to nemám jak změřit) a frekvenci primáru 440kHz.
Ach jo, prostě potřebuji, aby to už fungovalo, vzorky rostlin jsou už vyklíčené a přístroj ne a ne fungovat. Sad
Návrat nahoru
Zobrazit informace o autorovi Odeslat soukromou zprávu
forbidden



Založen: Feb 14, 2005
Příspěvky: 9404
Bydliště: Brno (JN89GF)

PříspěvekZaslal: čt srpen 08 2019, 21:09    Předmět: Citovat

Kond na 1000 VDC snese třeba jen 100 VAC@100 kHz. Máš to v datasheetu každýho typu. Dobrý jsou Teslácký TC341, 342, 343. Dají se sehnat občas i dost levně, na rozdíl od WIMA FKP1. Kdysi jsem z nich rezonanční banku stavěl.


MMC.jpg
 Komentář:
MMC
 Velikost:  85.12 kB
 Zobrazeno:  167 krát

MMC.jpg


Návrat nahoru
Zobrazit informace o autorovi Odeslat soukromou zprávu Zobrazit autorovy WWW stránky
RayeR



Založen: Aug 02, 2009
Příspěvky: 1654
Bydliště: Praha

PříspěvekZaslal: čt srpen 08 2019, 23:02    Předmět: Citovat

Jj, tomu se rika frequency derating factor a v kazdym lepsim dataku ke kondum mas graf zavislosti max. AC napeti na freq. U srackovyho dielektrika mas vyznamnej rozdil uz na 50Hz, ale i u tech PP to jde na stovkach kHz vyrazne dolu, takze je treba poskladat serioparalelni baterii...
Návrat nahoru
Zobrazit informace o autorovi Odeslat soukromou zprávu Zobrazit autorovy WWW stránky
jade



Založen: Dec 28, 2004
Příspěvky: 1019
Bydliště: Brno

PříspěvekZaslal: pá srpen 09 2019, 10:28    Předmět: Citovat

Kdosi nabízí na Bazáči tyto kondenzátory : https://www.sbazar.cz/jplabs/detail/66907167-vysokonapetove-kondenzatory?utm_source=sbazar&utm_medium=email&utm_campaign=email-reply-owner&utm_content=advert-link
Bohužel netuším, kolik za ně bude chtít a nenašel jsem od nich nikde datašít, snad by vyhověl jeden kousek?
Návrat nahoru
Zobrazit informace o autorovi Odeslat soukromou zprávu
PeteBurns
Zablokován


Založen: Oct 08, 2007
Příspěvky: 2578

PříspěvekZaslal: pá srpen 09 2019, 12:09    Předmět: Citovat

Ponuka to tento, mozes mu napisat SZ Laughing petula/remmidemmi/JPL/kvitko/kyori/dennis/hopkins/alibaba/computerasylum/psychosalám Twisted Evil
Návrat nahoru
Zobrazit informace o autorovi Odeslat soukromou zprávu Odeslat e-mail
Zobrazit příspěvky z předchozích:   
Přidat nové téma   Zaslat odpověď       Obsah fóra Diskuzní fórum Elektro Bastlírny -> Řešení problémů s různými konstrukcemi Časy uváděny v GMT + 1 hodina
Jdi na stránku 1, 2, 3  Další
Strana 1 z 3

 
Přejdi na:  
Nemůžete odesílat nové téma do tohoto fóra.
Nemůžete odpovídat na témata v tomto fóru.
Nemůžete upravovat své příspěvky v tomto fóru.
Nemůžete mazat své příspěvky v tomto fóru.
Nemůžete hlasovat v tomto fóru.
Nemůžete připojovat soubory k příspěvkům
Můžete stahovat a prohlížet přiložené soubory

Powered by phpBB © 2001, 2005 phpBB Group
Forums ©
Nuke - Elektro Bastlirna

Informace na portálu Elektro bastlírny jsou prezentovány za účelem vzdělání čtenářů a rozšíření zájmu o elektroniku. Autoři článků na serveru neberou žádnou zodpovědnost za škody vzniklé těmito zapojeními. Rovněž neberou žádnou odpovědnost za případnou újmu na zdraví vzniklou úrazem elektrickým proudem. Autoři a správci těchto stránek nepřejímají záruku za správnost zveřejněných materiálů. Předkládané informace a zapojení jsou zveřejněny bez ohledu na případné patenty třetích osob. Nároky na odškodnění na základě změn, chyb nebo vynechání jsou zásadně vyloučeny. Všechny registrované nebo jiné obchodní známky zde použité jsou majetkem jejich vlastníků. Uvedením nejsou zpochybněna z toho vyplývající vlastnická práva. Použití konstrukcí v rozporu se zákonem je přísně zakázáno. Vzhledem k tomu, že původ předkládaných materiálů nelze žádným způsobem dohledat, nelze je použít pro komerční účely! Tento nekomerční server nemá z uvedených zapojení či konstrukcí žádný zisk. Nezodpovídáme za pravost předkládaných materiálů třetími osobami a jejich původ. V případě, že zjistíte porušení autorského práva či jiné nesrovnalosti, kontaktujte administrátory na diskuzním fóru EB.


PHP-Nuke Copyright © 2005 by Francisco Burzi. This is free software, and you may redistribute it under the GPL. PHP-Nuke comes with absolutely no warranty, for details, see the license.
Čas potřebný ke zpracování stránky 0.16 sekund