Vítejte na Elektro Bastlírn?
Nuke - Elektro Bastlirna
  Vytvořit účet Hlavní · Fórum · DDump · Profil · Zprávy · Hledat na fóru · Příspěvky na provoz EB

Vlákno na téma KORONAVIRUS - nutná registrace


Nuke - Elektro Bastlirna: Diskuzní fórum

 FAQFAQ   HledatHledat   Uživatelské skupinyUživatelské skupiny   ProfilProfil   Soukromé zprávySoukromé zprávy   PřihlášeníPřihlášení 

Hledám opraváře - servisáka na TNC 407 Heidenhain

 
Přidat nové téma   Zaslat odpověď       Obsah fóra Diskuzní fórum Elektro Bastlírny -> Poptávka služeb, nabídky zaměstnání
Zobrazit předchozí téma :: Zobrazit následující téma  
Autor Zpráva
ronoda



Založen: Dec 12, 2017
Příspěvky: 825
Bydliště: Pardubice

PříspěvekZaslal: út červen 25 2019, 18:09    Předmět: Hledám opraváře - servisáka na TNC 407 Heidenhain Citovat

Hledám osobu která se v tom vyzná (nemusí se tím nutně živit) a pomůže mi udržovat v chodu stroj MCV 750 ze Sezimova Ústí.
(Stroj umístěn v Pardubicích)
Návrat nahoru
Zobrazit informace o autorovi Odeslat soukromou zprávu Odeslat e-mail
standa



Založen: Jun 12, 2003
Příspěvky: 39
Bydliště: Tøebíè

PříspěvekZaslal: st červen 26 2019, 2:14    Předmět: Citovat

Dobrý večer. O jakou opravu by se mělo jednat? Elektro nebo mechano? S Heidnem problémy nejsou,ten je spolehlivý. Celkově MCVčka jsou dobrý mašiny.
Návrat nahoru
Zobrazit informace o autorovi Odeslat soukromou zprávu Odeslat e-mail
ronoda



Založen: Dec 12, 2017
Příspěvky: 825
Bydliště: Pardubice

PříspěvekZaslal: st červen 26 2019, 17:11    Předmět: Citovat

Problém je v silovině, napájecí modul. Mechanicky je ok. No a pak je potřeba poladit, výměna nástrojů, a přepsaní některých strojních parametrů. Celkové zpomalení stroje. Není nikde ve výrobě, a tak stačí když pojede na 70%, není potřeba ho trápit.
Návrat nahoru
Zobrazit informace o autorovi Odeslat soukromou zprávu Odeslat e-mail
standa



Založen: Jun 12, 2003
Příspěvky: 39
Bydliště: Tøebíè

PříspěvekZaslal: čt červen 27 2019, 7:56    Předmět: Citovat

Pokud je napájecí modul KO tak vám nezbude než si objednat nový. V garážových podmínkách se nedá opravit. Jde vůbec zapnout silovinu? Můžou to dělat dveřní zámky,C-STOP tlačítko na stroji nebo na ručním ovládacím panelu a všechny pohonové karty a napájecí zdroj. Občas se stává že vybaví pojistka pro napájecí modul a ten jede na dvě fáze,tak nejde zapnout stroj.A výměna nástrojů jak poladit? Rychlost posuvu a rychloposuvu se dá pro každou osu změnit ve strojních datech.
Návrat nahoru
Zobrazit informace o autorovi Odeslat soukromou zprávu Odeslat e-mail
ronoda



Založen: Dec 12, 2017
Příspěvky: 825
Bydliště: Pardubice

PříspěvekZaslal: čt červen 27 2019, 16:52    Předmět: Citovat

Začnu odzadu. Pod pojmem poladit výměnu si představuji snížit rychlost na polovinu při najetí na bod výměny (strojní parametry přepsat umím, ale v manuálu není rozepsáno které to jsou) a dále lehce změnit bod výměny (osa Z) rychlost výměny je už jen v nastavení pneumatiky.
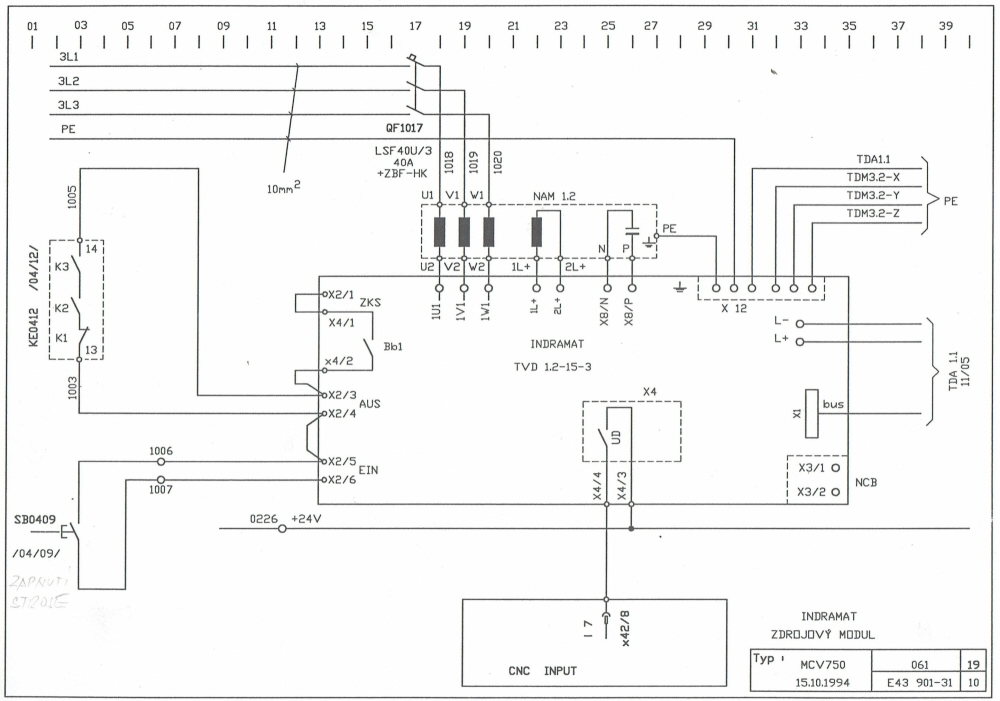
- Jako nefunkční se jeví blok TVD. Všechny starty a blokace jsou změřeny přímo na tom bloku, a pracují správně. Při zapnutí cvaká (cykluje) bezpečnostní (startovací) relé. Na bloku nesvítí zelená led H4, a při držení tlačítka start začne ta čtyrka červeně blikat.
-Závada nevznikla okamžitě, doba potřebná k "nastartování" se postupně prodlužovala, až to nebylo možné nastartovat:-(



TVD.jpg
 Komentář:
 Velikost:  215.91 kB
 Zobrazeno:  224 krát

TVD.jpg



TVDa.jpg
 Komentář:
 Velikost:  26.53 kB
 Zobrazeno:  198 krát

TVDa.jpg


Návrat nahoru
Zobrazit informace o autorovi Odeslat soukromou zprávu Odeslat e-mail
masar



Založen: Dec 03, 2005
Příspěvky: 13973

PříspěvekZaslal: čt červen 27 2019, 17:14    Předmět: Citovat

Už se to řešilo tady.
Wink
Návrat nahoru
Zobrazit informace o autorovi Odeslat soukromou zprávu Odeslat e-mail
ronoda



Založen: Dec 12, 2017
Příspěvky: 825
Bydliště: Pardubice

PříspěvekZaslal: čt červen 27 2019, 20:50    Předmět: Citovat

masar*** já vím, a díky moc za tvoje rady, ale je možné, že to někdo přímo řeší třeba každý den v práci a nebo se setkal přímo s touhle závadou. Pravděpodobnost nízká, leč možnáSmile Navíc opravdu sháním servisáka co nejblíž Pardubicím, starý stroj mívá své mouchy, a já se nemám na koho obrátit. (samozřejmě existuje oficielní servis, ale tady je problém finance, stroj si nejspíš nevydělá ani na elektřinu)
Návrat nahoru
Zobrazit informace o autorovi Odeslat soukromou zprávu Odeslat e-mail
masar



Založen: Dec 03, 2005
Příspěvky: 13973

PříspěvekZaslal: čt červen 27 2019, 21:30    Předmět: Citovat

Jasně, uvedl jsem ten odkaz proto, aby případný zájemce měl více informací o daném problému, s cílem pomoci ho řešit. Abys tady nemusel znovu uvádět informace, které jsi už publikoval v uvedeném vlákně.
Wink
Návrat nahoru
Zobrazit informace o autorovi Odeslat soukromou zprávu Odeslat e-mail
elnovy
Doporučuje se dohled statného moderátora


Založen: Jul 04, 2010
Příspěvky: 903
Bydliště: JČ

PříspěvekZaslal: so červen 29 2019, 11:04    Předmět: Citovat

Napiš do Kovosvitu a popiš závadu formulář je zde
https://www.kovosvit.cz/servis/servis-reklamace-poradenstvi.html
....
dostaneš spojení do elektro konstrukce na konkrétního
člověka .
.....
Taky můžeš požadovat zdarma podle výrobního čisla stroje co máš
tovární nastavení všech parametrů stroje .
To povede na kontakt s člověkem co stroji nejvíce rozumí
a není součástí všeobecných servisních odpovědí .
Vyřešení tvého problému je i v zájmu výrobce .

_________________
Můj e-mail: elnovy@email.cz
Bydliště: JČ
Povolání: Vývoj elektroniky+DPS
Zájmy: Programování C++ ,assembler
Návrat nahoru
Zobrazit informace o autorovi Odeslat soukromou zprávu Odeslat e-mail
Zobrazit příspěvky z předchozích:   
Přidat nové téma   Zaslat odpověď       Obsah fóra Diskuzní fórum Elektro Bastlírny -> Poptávka služeb, nabídky zaměstnání Časy uváděny v GMT + 1 hodina
Strana 1 z 1

 
Přejdi na:  
Nemůžete odesílat nové téma do tohoto fóra.
Nemůžete odpovídat na témata v tomto fóru.
Nemůžete upravovat své příspěvky v tomto fóru.
Nemůžete mazat své příspěvky v tomto fóru.
Nemůžete hlasovat v tomto fóru.
Nemůžete připojovat soubory k příspěvkům
Můžete stahovat a prohlížet přiložené soubory

Powered by phpBB © 2001, 2005 phpBB Group
Forums ©
Nuke - Elektro Bastlirna

Informace na portálu Elektro bastlírny jsou prezentovány za účelem vzdělání čtenářů a rozšíření zájmu o elektroniku. Autoři článků na serveru neberou žádnou zodpovědnost za škody vzniklé těmito zapojeními. Rovněž neberou žádnou odpovědnost za případnou újmu na zdraví vzniklou úrazem elektrickým proudem. Autoři a správci těchto stránek nepřejímají záruku za správnost zveřejněných materiálů. Předkládané informace a zapojení jsou zveřejněny bez ohledu na případné patenty třetích osob. Nároky na odškodnění na základě změn, chyb nebo vynechání jsou zásadně vyloučeny. Všechny registrované nebo jiné obchodní známky zde použité jsou majetkem jejich vlastníků. Uvedením nejsou zpochybněna z toho vyplývající vlastnická práva. Použití konstrukcí v rozporu se zákonem je přísně zakázáno. Vzhledem k tomu, že původ předkládaných materiálů nelze žádným způsobem dohledat, nelze je použít pro komerční účely! Tento nekomerční server nemá z uvedených zapojení či konstrukcí žádný zisk. Nezodpovídáme za pravost předkládaných materiálů třetími osobami a jejich původ. V případě, že zjistíte porušení autorského práva či jiné nesrovnalosti, kontaktujte administrátory na diskuzním fóru EB.


PHP-Nuke Copyright © 2005 by Francisco Burzi. This is free software, and you may redistribute it under the GPL. PHP-Nuke comes with absolutely no warranty, for details, see the license.
Čas potřebný ke zpracování stránky 0.14 sekund