Vítejte na Elektro Bastlírn?
Nuke - Elektro Bastlirna
  Vytvořit účet Hlavní · Fórum · DDump · Profil · Zprávy · Hledat na fóru · Příspěvky na provoz EB

Vlákno na téma KORONAVIRUS - nutná registrace


Nuke - Elektro Bastlirna: Diskuzní fórum

 FAQFAQ   HledatHledat   Uživatelské skupinyUživatelské skupiny   ProfilProfil   Soukromé zprávySoukromé zprávy   PřihlášeníPřihlášení 

PC hdmi a D-SUB zároveň

 
Přidat nové téma   Zaslat odpověď       Obsah fóra Diskuzní fórum Elektro Bastlírny -> Výpočetní technika
Zobrazit předchozí téma :: Zobrazit následující téma  
Autor Zpráva
jasmin



Založen: Dec 10, 2015
Příspěvky: 410

PříspěvekZaslal: ne červen 02 2019, 20:30    Předmět: PC hdmi a D-SUB zároveň Citovat

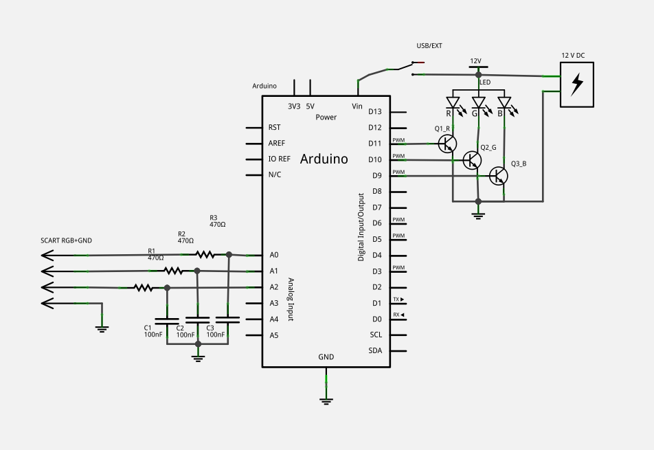
Prosím Vás mám takový problém.udělal jsem si takový ambilight pro chudé.Viz schéma.TV mám spojenou klasickým PC pomocí HDMI, vstup ARDUINa z VGA (D-SUB). Na noťasu pomocí kláves (pro klon obrazovek na LCD i na D-SUB mi to jede jak má).

Na stolním PC mám problém.Jelikož mi Windows to zapojení s ARDUINEM nerozpozná jako monitor ,takže nemohu naklonovat obrazovky a nejde to vůbec.

Nevím jakou metodou by šel obejít VGA out,aby si myslel,že i mé zapojení je monitor a pustil mě do klonování obrazovek.

Když jsem měl zapnutou TV přes HDMI a připojil druhou přes VGA out,tak se ve Windows ozval klasický oznamovací zvuk,že je připojené zařízení.Po naklonování obrazovek jsem měl dva stejné obrazy na obou TV.

Pokud mi někdo pomůže budu velice rád.

jedná se o PC optiplex 390 desktop. grafika INTEL HD graphics



shema.png
 Komentář:
 Velikost:  59.25 kB
 Zobrazeno:  188 krát

shema.png


Návrat nahoru
Zobrazit informace o autorovi Odeslat soukromou zprávu
jasmin



Založen: Dec 10, 2015
Příspěvky: 410

PříspěvekZaslal: ne červen 02 2019, 21:12    Předmět: Citovat

Jde mi hlavně o to,jak vynutit chod obou výstupů zároveň.
Návrat nahoru
Zobrazit informace o autorovi Odeslat soukromou zprávu
Kvicala_r



Založen: Jan 19, 2005
Příspěvky: 3518
Bydliště: Haná / N.J.

PříspěvekZaslal: ne červen 02 2019, 21:47    Předmět: Citovat

Trochu odhaduju, že je to nějakou detekcí připojené impedance. Můžeš mrklnout třeba SEM.
Případně mu vnutit druhý monitor z USB jednoduchou externí "grafikou"
Návrat nahoru
Zobrazit informace o autorovi Odeslat soukromou zprávu
xsc



Založen: Sep 25, 2014
Příspěvky: 8393

PříspěvekZaslal: ne červen 02 2019, 23:13    Předmět: Citovat

Vzhledem k tomu, že u VGA se dalo čekat cokoliv, v některých ovladačích šla detekce na VGA vypnout a tak si výstup vynutit. Standardně detekce probíhá přes piny 12,15, kde jsou k dispozici seriová data. Ale protože to starší monitory neměly, musí jít VGA aktivovat i bez nich. Je taky možné, že si to jen hlídá zakončení RGB, má být 75Ω. Může si hlídat i H a V sync.
http://www.pr-software.net/zapojeni-konektoru-videokaret-15pin/
Návrat nahoru
Zobrazit informace o autorovi Odeslat soukromou zprávu
bu2520



Založen: Jul 16, 2007
Příspěvky: 4792
Bydliště: u HK

PříspěvekZaslal: po červen 03 2019, 6:05    Předmět: Citovat

tuším že u VGA dsub musí být přizeměný 5 pin aby si grafika myslela, ža na ní je připojený monitor, bohužel asi u novějších widlí bude problé vnutit jim rozlišení jaké chceš.
Návrat nahoru
Zobrazit informace o autorovi Odeslat soukromou zprávu
jasmin



Založen: Dec 10, 2015
Příspěvky: 410

PříspěvekZaslal: po červen 03 2019, 19:00    Předmět: Citovat

Tak je to jak jste řikali.Musí být ukončeny větve R,G,B.Připojil jsem na odpory 75R proti GND.Zatím jsem to zkusil jen se zástrčkou ,kterou jsem vložil do PC.
Návrat nahoru
Zobrazit informace o autorovi Odeslat soukromou zprávu
jasmin



Založen: Dec 10, 2015
Příspěvky: 410

PříspěvekZaslal: pá červen 07 2019, 21:08    Předmět: Citovat

Ještě jednou si Vás dovolím obtěžovat. Dnes jsem měl čas vše vyzkoušet.Vše funguje.Jen mám problém s tím,že regulace RGB je znatelná blikáním.
Zkoušel jsem,že jsem na TV dal celé modré pozadí.Na drainu MOS-FETU pro barvu B jsem naměřil 9V. Při videoklipu atd.. se samozřejmě napětí,snižuje a zvyšuje dle vstupního signálu.LED pásek mám napěťový RGB 12V

otázka je : Dá se s tím něco udělat? Napadlo mě snížit odpory R1 a R3,ale nejsem si úplně jistý jestli to bude správná cesta k úspěchu.

ještě doplním,že mám oproti schématu u každého tranzistoru doplněn rezistor 10K mezi Gate a Source. S vlastním programem v ARDUINu jsem žádné úpravy nedělal

EDIT: to blikání je i na noťasu kde jsem nemusel ukončovat signály RGB odpory 75R
Návrat nahoru
Zobrazit informace o autorovi Odeslat soukromou zprávu
xsc



Založen: Sep 25, 2014
Příspěvky: 8393

PříspěvekZaslal: pá červen 07 2019, 23:10    Předmět: Citovat

"regulace RGB je znatelná blikáním."
To by chtělo přeložit do češtiny a upřesnit. Ty ledky mohou blikat ze dvou důvodů. Buď je nízký kmitočet PWM na výstupu. To by pak blikalo, i když na vstup přivedeš místo videa ss napětí. Frekvence PWM je věc Arduina. Neprogramuji, takže netuším, jak se to řídí...
A nebo to bliká, protože na videovýstupu je vždy vertikální zatemňovací interval. Tedy standardně z VGA 60Hz. Zkus nastavit VGA refresh na 100Hz, jestli se něco změní. Jinak by nejspíš šlo úpravou SW, případně s přivedením signálu V-Sync v tomto intervalu LEDky nechat svítit na úrovni posledního řádku. Ale řekl bych, že pro "Ambilight" se bude provádět nějaké průměrování, nejspíš složitější než dělají ty kondenzátory na vstupu.
Návrat nahoru
Zobrazit informace o autorovi Odeslat soukromou zprávu
jasmin



Založen: Dec 10, 2015
Příspěvky: 410

PříspěvekZaslal: so červen 08 2019, 8:45    Předmět: Citovat

Moc díky za odpověď.Zkoušel jsem změnit tu obnovovací frekvenci.Mám na výběr jen možnosti 59 a 60Hz Sad

ovšem udělal jsem takový pokus.V programu irfanview jsem si postupně rozsvítil na celou plochu jednotlivé barvy . Při celé modré nebo zelené sice je blikání zpozorovatelné,ale není to nic hrozného.To by možná šlo opravdu řešit
úpravou PWM.

Ovšem když je na ploše jenom červená barva,tak je to blikání hrozné.Je to jak když bych ubral proud na hranici svítivosti a zase ho rychle přidal.To bude ten hlavní efekt,který je tak hrozný,když zapnu video,ve kterém se všechny 3 barvy smíchávají k sobě

Je mi divné,že to dělá jen červená barva.Mám připojen ten stejný LED pásek na reg.zdroj a tento jev se při tomto napájení neděje.Čili v pásku chybu není
Návrat nahoru
Zobrazit informace o autorovi Odeslat soukromou zprávu
jasmin



Založen: Dec 10, 2015
Příspěvky: 410

PříspěvekZaslal: so červen 08 2019, 9:29    Předmět: Citovat

Večer zkusím připojit na vstup SS napětí pro jednotl.barvu aby se vědělo kde je problém.jestli se zpracováním vstupního signálu anebo s PWM
Návrat nahoru
Zobrazit informace o autorovi Odeslat soukromou zprávu
jasmin



Založen: Dec 10, 2015
Příspěvky: 410

PříspěvekZaslal: ne červen 09 2019, 9:24    Předmět: Citovat

Tak dnes mám na to čas.Udělal jsem si napěťový dělič pomocí potenciometru.nechal zapojené barvy zelená a modrá z VGA výstupu, zapnul celočervenou plochu a do vstupu ,,červená" jsem připojil ten dělič.regulace od nuly do maxima funguje bez blikajících efektů. Takto jsem to zkusil se postupně s ostatními barvami.tento jev se neděje.Tzn. Frekvence PWM je v pořádku.Není potřeba nic s ní nic dělat.Spíš jen upravit (dodělat )tu vstupní část..
Návrat nahoru
Zobrazit informace o autorovi Odeslat soukromou zprávu
xsc



Založen: Sep 25, 2014
Příspěvky: 8393

PříspěvekZaslal: ne červen 09 2019, 11:57    Předmět: Citovat

Tak bych pro jednoduchost zkusil zvýšit kapacitu těch vstupních kondenzátorů, Ze 100n třeba na 1u.
Návrat nahoru
Zobrazit informace o autorovi Odeslat soukromou zprávu
PixelOrgy



Založen: Sep 04, 2007
Příspěvky: 2049

PříspěvekZaslal: po červen 10 2019, 8:46    Předmět: Citovat

Ohldne toho rozliseni, imho je potreba pripojit i2c flash k pinum 11 a 12, a dat PC vedet, jaky rozliseni display podporuje;

https://en.wikipedia.org/wiki/Display_Data_Channel
Návrat nahoru
Zobrazit informace o autorovi Odeslat soukromou zprávu
xsc



Založen: Sep 25, 2014
Příspěvky: 8393

PříspěvekZaslal: po červen 10 2019, 13:09    Předmět: Citovat

Není to nutné, vždyť to ani starší monitory nepodporovaly. Pokud se rozlišení nebo refresh nenabídnou, obvykle lze zaškrtnout "nabízet rozlišení, která monitor nepodporuje". U Nvidie a Intelu si lze i nastavit user mód, měnit snímkový kmitočet a i polaritu synců.
Návrat nahoru
Zobrazit informace o autorovi Odeslat soukromou zprávu
Zobrazit příspěvky z předchozích:   
Přidat nové téma   Zaslat odpověď       Obsah fóra Diskuzní fórum Elektro Bastlírny -> Výpočetní technika Časy uváděny v GMT + 1 hodina
Strana 1 z 1

 
Přejdi na:  
Nemůžete odesílat nové téma do tohoto fóra.
Nemůžete odpovídat na témata v tomto fóru.
Nemůžete upravovat své příspěvky v tomto fóru.
Nemůžete mazat své příspěvky v tomto fóru.
Nemůžete hlasovat v tomto fóru.
Nemůžete připojovat soubory k příspěvkům
Můžete stahovat a prohlížet přiložené soubory

Powered by phpBB © 2001, 2005 phpBB Group
Forums ©
Nuke - Elektro Bastlirna

Informace na portálu Elektro bastlírny jsou prezentovány za účelem vzdělání čtenářů a rozšíření zájmu o elektroniku. Autoři článků na serveru neberou žádnou zodpovědnost za škody vzniklé těmito zapojeními. Rovněž neberou žádnou odpovědnost za případnou újmu na zdraví vzniklou úrazem elektrickým proudem. Autoři a správci těchto stránek nepřejímají záruku za správnost zveřejněných materiálů. Předkládané informace a zapojení jsou zveřejněny bez ohledu na případné patenty třetích osob. Nároky na odškodnění na základě změn, chyb nebo vynechání jsou zásadně vyloučeny. Všechny registrované nebo jiné obchodní známky zde použité jsou majetkem jejich vlastníků. Uvedením nejsou zpochybněna z toho vyplývající vlastnická práva. Použití konstrukcí v rozporu se zákonem je přísně zakázáno. Vzhledem k tomu, že původ předkládaných materiálů nelze žádným způsobem dohledat, nelze je použít pro komerční účely! Tento nekomerční server nemá z uvedených zapojení či konstrukcí žádný zisk. Nezodpovídáme za pravost předkládaných materiálů třetími osobami a jejich původ. V případě, že zjistíte porušení autorského práva či jiné nesrovnalosti, kontaktujte administrátory na diskuzním fóru EB.


PHP-Nuke Copyright © 2005 by Francisco Burzi. This is free software, and you may redistribute it under the GPL. PHP-Nuke comes with absolutely no warranty, for details, see the license.
Čas potřebný ke zpracování stránky 0.15 sekund