Vítejte na Elektro Bastlírn?
Nuke - Elektro Bastlirna
  Vytvořit účet Hlavní · Fórum · DDump · Profil · Zprávy · Hledat na fóru · Příspěvky na provoz EB

Vlákno na téma KORONAVIRUS - nutná registrace


Nuke - Elektro Bastlirna: Diskuzní fórum

 FAQFAQ   HledatHledat   Uživatelské skupinyUživatelské skupiny   ProfilProfil   Soukromé zprávySoukromé zprávy   PřihlášeníPřihlášení 

Lacna elektronicka zataz s meracom kapacity baterii
Jdi na stránku 1, 2  Další
 
Přidat nové téma   Zaslat odpověď       Obsah fóra Diskuzní fórum Elektro Bastlírny -> Měřící přístroje, detektory fyzikálních veličin
Zobrazit předchozí téma :: Zobrazit následující téma  
Autor Zpráva
rnbw



Založen: Mar 21, 2006
Příspěvky: 37008
Bydliště: Bratislava

PříspěvekZaslal: st září 26 2018, 21:28    Předmět: Lacna elektronicka zataz s meracom kapacity baterii Citovat

Uzivatel gepard sem niekam dal tip na lacnu elektronicku zataz. Kupil som tu: https://www.ebay.com/itm/282584562320

Vyzera to slusne, polovodice su bud original alebo pekne kopie. A hlavna vec: funguje to - zdroj zatazuje, kapacitu baterie meria.

Na napajanie je potrebne galvanicky oddeleny 12V zdroj. Ovladanie je enkoderom s integrovanym tlacidlom a dalsim tlacidlom run/stop.
Mody sa prepinaju podrzanim tlacidla run/stop pri zapnuti napajania. V oboch modoch sa da nastavit ukoncovacie napatie a zatazovaci prud. Prud sa da pocas behu menit.

V mode testovania baterie po dosiahnuti ukoncovacieho napatia zobrazi Ah a Wh. Bateriu je mozne pripojit 2- alebo 4-drotovo.

Procesor je STM8S005K6T6C. Su tam dva neosadene konektory, asi na programovanie firmwaru a mozno seriova konzola?



load_1.jpg
 Komentář:
 Velikost:  138.99 kB
 Zobrazeno:  242 krát

load_1.jpg



load_2.jpg
 Komentář:
 Velikost:  107.81 kB
 Zobrazeno:  273 krát

load_2.jpg


Návrat nahoru
Zobrazit informace o autorovi Odeslat soukromou zprávu
Celeron



Založen: Apr 02, 2011
Příspěvky: 20226
Bydliště: Nový Bydžov

PříspěvekZaslal: st září 26 2018, 22:33    Předmět: Citovat

Já jsem před časem pořídil tenhle Burn Tester .
Taky dělá co má, už jsem na něm pár kilowat vypálil a kapacitu mnoha baterií otestoval. Smile

_________________
Jirka

Proč mi nemůže všechno chodit hned ?!!
Návrat nahoru
Zobrazit informace o autorovi Odeslat soukromou zprávu
rnbw



Založen: Mar 21, 2006
Příspěvky: 37008
Bydliště: Bratislava

PříspěvekZaslal: st září 26 2018, 22:38    Předmět: Citovat

Ten som tiez pozeral - vyzera dobre. Ale nevyuzil by som ho, tak som kupil tento slabsi.
Návrat nahoru
Zobrazit informace o autorovi Odeslat soukromou zprávu
Celeron



Založen: Apr 02, 2011
Příspěvky: 20226
Bydliště: Nový Bydžov

PříspěvekZaslal: st září 26 2018, 22:44    Předmět: Citovat

Nojo, něčím musím testovat ty bloky Lionů 6S44P (6 pater po 44 článcích) celkem 24V/110Ah do speleoscoterů. Laughing I tímhle to chvíli trvá ale zase mám teplo v dílně.
_________________
Jirka

Proč mi nemůže všechno chodit hned ?!!
Návrat nahoru
Zobrazit informace o autorovi Odeslat soukromou zprávu
rnbw



Založen: Mar 21, 2006
Příspěvky: 37008
Bydliště: Bratislava

PříspěvekZaslal: pá září 28 2018, 22:31    Předmět: Citovat

Zistil som jeden problem - nastaveny prud nezodpoveda skutocnosti, hlavne pri malych prudoch. Napr. pri minime 200mA je skutocny prud asi 145mA. Pri 1A to priblizne sedi s realitou. Pri vyssich prudoch je naopak skutocny prud vyssi ako nastaveny.

Na meranie prudu to pouziva bocnik 10 mΩ, ubytok sa zosilnuje cez TLC272 a ide to asi do procesora (nechcelo sa mi to zatial hladat a kreslit).

Zmena hodnoty bocnika problem neriesi - skusal som prilozit minusovy hrot na bocnik a najst vhodne miesto tak, aby prud 200mA sedel - potom vsak nesedia vyssie prudy.
Návrat nahoru
Zobrazit informace o autorovi Odeslat soukromou zprávu
Celeron



Založen: Apr 02, 2011
Příspěvky: 20226
Bydliště: Nový Bydžov

PříspěvekZaslal: pá září 28 2018, 23:01    Předmět: Citovat

A při čem, jako zátěž a nebo vybíječ? Otázka je, zda to při vybíjení počítá kapacitu z skutečnýho proudu a nebo z zbožnýho přání, co je na displeji. To by potom na nějaký měření kapacity bylo na dvě věci.
Zítra zkusím přidat ampérmetr k tomu z mýho odkazu abych věděl, jak je přesný. Napěťově jsem ho již kontroloval dřív a s GoldStar multimetrem sedi na 3 setiny voltu. Ampérmetr by neměl nijak ovlivňovat měření, tester má kromě proudových svorek i napěťový na připojení přímo na svorky baterky, eliminace úbytku napětí na přívodních kabelech při velkým proudu.

_________________
Jirka

Proč mi nemůže všechno chodit hned ?!!
Návrat nahoru
Zobrazit informace o autorovi Odeslat soukromou zprávu
masar



Založen: Dec 03, 2005
Příspěvky: 13973

PříspěvekZaslal: so září 29 2018, 8:53    Předmět: Citovat

rnbw napsal(a):
...Na meranie prudu to pouziva bocnik 10 mΩ, ubytok sa zosilnuje cez TLC272 a ide to asi do procesora (nechcelo sa mi to zatial hladat a kreslit)...
Tak si to vyhledej a nakresli, protože je problém právě zde. Je třeba si trochu "pohrát" s nastavením zesílení a ofsetu tohoto OZ (pokud tam ovšem nejsou trimry, které jsou k tomu určeny). Wink
edit: Bude to možná něco podobného, jako je na tomto obrázku:


Naposledy upravil masar dne so září 29 2018, 9:28, celkově upraveno 1 krát.
Návrat nahoru
Zobrazit informace o autorovi Odeslat soukromou zprávu Odeslat e-mail
rnbw



Založen: Mar 21, 2006
Příspěvky: 37008
Bydliště: Bratislava

PříspěvekZaslal: so září 29 2018, 11:20    Předmět: Citovat

Trimre tam, samozrejme, nie su. Idem to preskumat.

Manual prilozeny nie je. Dokonca ani v popise nie je kompletny (chyba tam prepinanie modov). Ale da sa najst na webe:
http://www.vshopu.com/item2/2152-0203/manual.html
Na prepinanie modov som prisiel aj bez toho, ale nevedel som, co znamena bEon a bEoF.
Návrat nahoru
Zobrazit informace o autorovi Odeslat soukromou zprávu
rnbw



Založen: Mar 21, 2006
Příspěvky: 37008
Bydliště: Bratislava

PříspěvekZaslal: so září 29 2018, 16:48    Předmět: Citovat

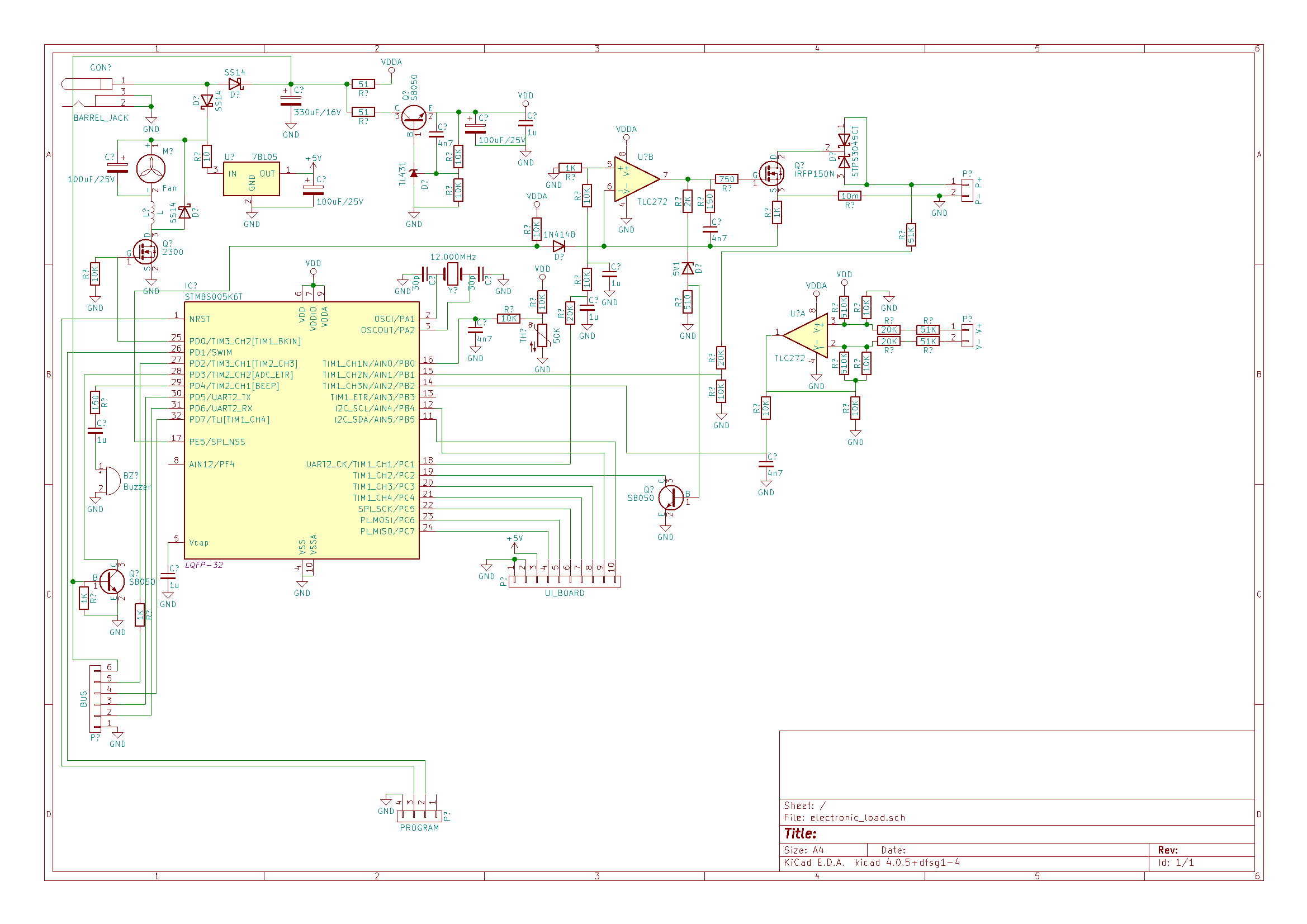
Nakreslil som schemu. Dufam, ze tam nie je vela chyb.


electronic_load.png
 Komentář:
 Velikost:  59.71 kB
 Zobrazeno:  383 krát

electronic_load.png


Návrat nahoru
Zobrazit informace o autorovi Odeslat soukromou zprávu
masar



Založen: Dec 03, 2005
Příspěvky: 13973

PříspěvekZaslal: so září 29 2018, 18:33    Předmět: Citovat

Ten OZ ve snímači má asi špatně odpozorované zapojení ZV. Je to zeslabovač a má dc ofset. Ještě dokresli ten bočník (jestli neplave).
Wink
edit: Jinak samozřejmě záslužný čin. Number one
edit: Připomínku beru zpět, špatně jsem se orientoval. Embarassed
Návrat nahoru
Zobrazit informace o autorovi Odeslat soukromou zprávu Odeslat e-mail
lesana87



Založen: Sep 20, 2014
Příspěvky: 4145

PříspěvekZaslal: so září 29 2018, 18:55    Předmět: Citovat

Vidím dobře, že ono to ten proud vůbec neměří? Embarassed
Návrat nahoru
Zobrazit informace o autorovi Odeslat soukromou zprávu
masar



Založen: Dec 03, 2005
Příspěvky: 13973

PříspěvekZaslal: so září 29 2018, 19:30    Předmět: Citovat

Možná ano na PE5.
Wink
Návrat nahoru
Zobrazit informace o autorovi Odeslat soukromou zprávu Odeslat e-mail
lesana87



Založen: Sep 20, 2014
Příspěvky: 4145

PříspěvekZaslal: so září 29 2018, 19:47    Předmět: Citovat

To je jen blokování toho řízenýho proudovýho požírače. Není to analogový vstup a přes tu diodu by to moc přesný nebylo, vzhledem k velikosti napětí na tom bočníku. A vůbec, bez nějakýho zesílení by to bylo spíš odhadování než měření. Takže ta nepřesnost nastavenýho proudu bude asi daná nepřesností PWM D/A "převodníku" + offset operáku.
Přes PC2 se akorát zjišťuje, jestli zatěžovaný zdroj ten nastavený proud dá nebo ne.

Číňan si to jako vždy usnadnil. Proč se patlat s nějakým zpětnovazebním číslicovým regulátorem, řešit jeho stabilitu, vždyť tam vůbec být nemusí. Kdo to pozná, že?
Návrat nahoru
Zobrazit informace o autorovi Odeslat soukromou zprávu
masar



Založen: Dec 03, 2005
Příspěvky: 13973

PříspěvekZaslal: so září 29 2018, 21:09    Předmět: Citovat

Zřejmě je to jak píšeš. Není to regulace, ale jen řízení.
Wink
edit: Je to taková Potěmkinova vesnice, kde nastavený proud "drží jako přibitý". Bezkonkurenčně. Very Happy


Naposledy upravil masar dne so září 29 2018, 21:23, celkově upraveno 1 krát.
Návrat nahoru
Zobrazit informace o autorovi Odeslat soukromou zprávu Odeslat e-mail
rnbw



Založen: Mar 21, 2006
Příspěvky: 37008
Bydliště: Bratislava

PříspěvekZaslal: so září 29 2018, 21:16    Předmět: Citovat

Takze "fasa", chcelo by to upravit program. Predpokladam, ze sa to riadi cez PWM z TIM1_CH1.
Návrat nahoru
Zobrazit informace o autorovi Odeslat soukromou zprávu
Zobrazit příspěvky z předchozích:   
Přidat nové téma   Zaslat odpověď       Obsah fóra Diskuzní fórum Elektro Bastlírny -> Měřící přístroje, detektory fyzikálních veličin Časy uváděny v GMT + 1 hodina
Jdi na stránku 1, 2  Další
Strana 1 z 2

 
Přejdi na:  
Nemůžete odesílat nové téma do tohoto fóra.
Nemůžete odpovídat na témata v tomto fóru.
Nemůžete upravovat své příspěvky v tomto fóru.
Nemůžete mazat své příspěvky v tomto fóru.
Nemůžete hlasovat v tomto fóru.
Nemůžete připojovat soubory k příspěvkům
Můžete stahovat a prohlížet přiložené soubory

Powered by phpBB © 2001, 2005 phpBB Group
Forums ©
Nuke - Elektro Bastlirna

Informace na portálu Elektro bastlírny jsou prezentovány za účelem vzdělání čtenářů a rozšíření zájmu o elektroniku. Autoři článků na serveru neberou žádnou zodpovědnost za škody vzniklé těmito zapojeními. Rovněž neberou žádnou odpovědnost za případnou újmu na zdraví vzniklou úrazem elektrickým proudem. Autoři a správci těchto stránek nepřejímají záruku za správnost zveřejněných materiálů. Předkládané informace a zapojení jsou zveřejněny bez ohledu na případné patenty třetích osob. Nároky na odškodnění na základě změn, chyb nebo vynechání jsou zásadně vyloučeny. Všechny registrované nebo jiné obchodní známky zde použité jsou majetkem jejich vlastníků. Uvedením nejsou zpochybněna z toho vyplývající vlastnická práva. Použití konstrukcí v rozporu se zákonem je přísně zakázáno. Vzhledem k tomu, že původ předkládaných materiálů nelze žádným způsobem dohledat, nelze je použít pro komerční účely! Tento nekomerční server nemá z uvedených zapojení či konstrukcí žádný zisk. Nezodpovídáme za pravost předkládaných materiálů třetími osobami a jejich původ. V případě, že zjistíte porušení autorského práva či jiné nesrovnalosti, kontaktujte administrátory na diskuzním fóru EB.


PHP-Nuke Copyright © 2005 by Francisco Burzi. This is free software, and you may redistribute it under the GPL. PHP-Nuke comes with absolutely no warranty, for details, see the license.
Čas potřebný ke zpracování stránky 0.18 sekund