Vítejte na Elektro Bastlírn?
Nuke - Elektro Bastlirna
  Vytvořit účet Hlavní · Fórum · DDump · Profil · Zprávy · Hledat na fóru · Příspěvky na provoz EB

Vlákno na téma KORONAVIRUS - nutná registrace


Nuke - Elektro Bastlirna: Diskuzní fórum

 FAQFAQ   HledatHledat   Uživatelské skupinyUživatelské skupiny   ProfilProfil   Soukromé zprávySoukromé zprávy   PřihlášeníPřihlášení 

NZC 300
Jdi na stránku 1, 2, 3, 4  Další
 
Přidat nové téma   Zaslat odpověď       Obsah fóra Diskuzní fórum Elektro Bastlírny -> Audiotechnika
Zobrazit předchozí téma :: Zobrazit následující téma  
Autor Zpráva
Robert18



Založen: Apr 15, 2009
Příspěvky: 348

PříspěvekZaslal: čt srpen 02 2018, 20:07    Předmět: NZC 300 Citovat

Ahoj,

mám tento gramofon ve dvou exemplářích a třetí jsem opravoval kamarádovi.
Všechny kusy zhruba od poloviny slabě brumí. Zkoušel jsem výměnu i navýšení filtračních kondenzátorů, ale nemá to vůbec žádný vliv. navíc když jsem měřil ESR kondenzátory byly ok. Je to vlastnost, nebo závada ?

Přenosku mám tuto

https://www.alza.cz/audio-technica-at-91bl-d511477.htm?o=5

signál z gramofonu se mi zdá poměrně slabý ( zase u všech stejně) nahlas to hraje za polovinou hlasitosti. Na rádio nebo magneťák je signál znatelně silnější.



NZC300-1.jpg
 Komentář:
 Velikost:  108.06 kB
 Zobrazeno:  370 krát

NZC300-1.jpg



NZC300-2.jpg
 Komentář:
 Velikost:  31.44 kB
 Zobrazeno:  444 krát

NZC300-2.jpg


Návrat nahoru
Zobrazit informace o autorovi Odeslat soukromou zprávu
konosuke



Založen: Dec 18, 2006
Příspěvky: 9790
Bydliště: Český Těšín tam v pohraničí

PříspěvekZaslal: čt srpen 02 2018, 20:18    Předmět: Citovat

vyzkoušej pokus-omyl jinej zesil co má vstup phono MM může bejt špatný kontakt zem v headshellu na dutinkách přenosky pozor na křehké kablíky ramínka, ulomí se stářím raz-dva a vymalováno
nebo zapoj jinou přenosku na zkoušku, adekvátní náhrada za Tesla je Sanyo MG09 nebo Sony VL48G, to jsou ty levnější
PS. AT91 dává na výstupu 3.5mV to je dost k vybuzení zesíku tož nevím...

_________________
Co se může pokazit to se taky pokazí. Co se nemůže pokazit to se pokazí taky. (Murphy)
Návrat nahoru
Zobrazit informace o autorovi Odeslat soukromou zprávu
Ivan_Ryger



Založen: Mar 02, 2005
Příspěvky: 1329
Bydliště: Urcene Heisenbergovym principom neistoty.

PříspěvekZaslal: čt srpen 02 2018, 21:53    Předmět: Citovat

casto byva odpadnuty spoj uzemnenia ramienka prenosky. Potom ten brum.
Treba skontrolovat zemne prepoje okolo vstupu z prenosky.
Ivan
Návrat nahoru
Zobrazit informace o autorovi Odeslat soukromou zprávu Odeslat e-mail
konosuke



Založen: Dec 18, 2006
Příspěvky: 9790
Bydliště: Český Těšín tam v pohraničí

PříspěvekZaslal: pá srpen 03 2018, 9:12    Předmět: Citovat

odpájkuj vývod z ramínka v gramci a improvizovaně proměř ss odpor obyčejným ohmmetrem, živý proti zemi (2+2) musí ukázat cca 600Ω nebo něco kolem - podle typu, oba stereo systémy přenosky stejně, jinak je někde přerušení nebo špatný kontakt vedení signálu, prostříkni dutinky kablíků v headshellu kontoxem a zasuň na piny zvovu
_________________
Co se může pokazit to se taky pokazí. Co se nemůže pokazit to se pokazí taky. (Murphy)
Návrat nahoru
Zobrazit informace o autorovi Odeslat soukromou zprávu
Hill
Administrátor


Založen: Sep 10, 2004
Příspěvky: 20991
Bydliště: Jičín, Český ráj

PříspěvekZaslal: pá srpen 03 2018, 9:59    Předmět: Citovat

Pozor na jednu věc: v technických podmínkách přístroje je psáno, že při snímání kmitočtu 1 kHz o stranové záznamové rychlosti 5 cm/s vybudí zesilovač na plný výkon. Nic víc.
Protože přenoska AT-91 dává výstupní napětí srovnatelné s původní VM2204, nebál bych se o vybuzení. Leda bys měl k dispozici úrovňovou měřicí desku a prokázal, že skutečně z toho zesilovače plných 5 W sinus nedostaneš. Pak by to znamenalo, že je něco špatně.
Ostatní vstupy totiž mají citlivost lepší, než 200 mV, přitom výchylkové přenosky poskytují při snímání úrovně 0 dB z desky napětí nejméně 500 mV, výstupní úrovně z jiných zdrojů signálu obvykle respektují 0 dB při napětí 775 mV, například CD přehrávače dávají na linkovém výstupu napětí i 1,5 V. Vstupy tohoto zeslivače je totiž nezatěžují jmenovitou impedancí, protože jsou slučitelné s výstupy zařízení odpovídajících ČSN třídy 36 (potažmo i DIN, přece jen kompatibilita elektroniky v Evropě byla výhodná i pro export).

_________________
Těm, kdo si nevybírají odpovědi na soukromé zprávy, už příště neodpovím. Tak.
Návrat nahoru
Zobrazit informace o autorovi Odeslat soukromou zprávu
Robert18



Založen: Apr 15, 2009
Příspěvky: 348

PříspěvekZaslal: pá srpen 03 2018, 20:21    Předmět: Citovat

Takže i když to dělají 3 kusy stejně nemá to ani slabě brumět ?
Návrat nahoru
Zobrazit informace o autorovi Odeslat soukromou zprávu
Hill
Administrátor


Založen: Sep 10, 2004
Příspěvky: 20991
Bydliště: Jičín, Český ráj

PříspěvekZaslal: pá srpen 03 2018, 20:41    Předmět: Citovat

Jde o to, čemu říkáš "slabý brum": jestli to brumí, když je přenoska položená na desku (to je normální přenos mechanických vibrací od motorku), nebo jestli to brumí, když držíš skořepinu zvednutou nad desku při spuštěném zvedáčku, tak, aby se ho raménko nedotýkalo. V tom případě je dobré projít všechny spoje stínění s kostrou, třeba se ten brum povede i snížit. Ani tento brum však odstranit zcela nepůjde: korekce snímací charakteristiky pro rychlostní přenosku znamená, že na 50 Hz má vstup citlivost o 16 dB vyšší, než na 1 kHz. Celá konstrukce je tedy na odolnost proti indukci napětí o síťovém kmitočtu mimořádně lechtivá.
_________________
Těm, kdo si nevybírají odpovědi na soukromé zprávy, už příště neodpovím. Tak.
Návrat nahoru
Zobrazit informace o autorovi Odeslat soukromou zprávu
konosuke



Založen: Dec 18, 2006
Příspěvky: 9790
Bydliště: Český Těšín tam v pohraničí

PříspěvekZaslal: so srpen 04 2018, 6:14    Předmět: Citovat

AT91 není origoš přenoska pro tento typ gramce použít se samosebou dá...
nespletls při výměně zapojení pinů ? přehodil například živý za zem a podobně ?
kdysi platilo:
- bílá je L
- modrá je LG
- červená je R
- zelená je LG
(barevné označení nemusí být univerzální a všemi výrobci respektované)
též mě napadlo že mimořádně kvalitní a citlivá přenoska může snímat
jinak rušivé vibrace pohonného mechanismu což jiné (méně dokonalé)
jaksi "přehlížejí" to ovšem v případě že zmíněný brum nemá původ elektrický

_________________
Co se může pokazit to se taky pokazí. Co se nemůže pokazit to se pokazí taky. (Murphy)
Návrat nahoru
Zobrazit informace o autorovi Odeslat soukromou zprávu
Robert18



Založen: Apr 15, 2009
Příspěvky: 348

PříspěvekZaslal: so srpen 04 2018, 9:46    Předmět: Citovat

Děkuji za odpovědi.

Brum vzniká, dle mě v zesilovači. Protože je slyšitelný i při vypnutém motorku gramofonu pro všechny signály.

Jak první jsem zkoušel měřit a navyšovat filtrační kondenzátor C 58 a pak jsem kontrolovat C104 a C110.

Potom jsem to vzdal jako vlastnost, protože další kusy na tom byly úplně stejně.
Pořád ale ve mě hlodá jestli by to nešlo zlepšit.

Jinak teda o 100% lepši než ten můj syčící dominant.



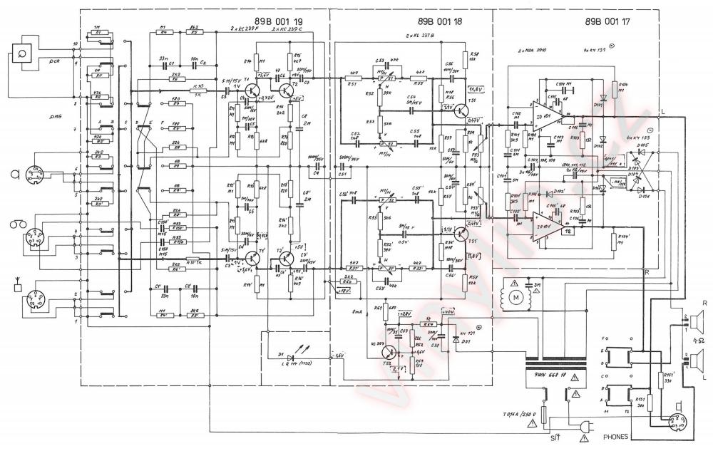
NZC 300-N.jpg
 Komentář:
 Velikost:  111.15 kB
 Zobrazeno:  616 krát

NZC 300-N.jpg


Návrat nahoru
Zobrazit informace o autorovi Odeslat soukromou zprávu
Hill
Administrátor


Založen: Sep 10, 2004
Příspěvky: 20991
Bydliště: Jičín, Český ráj

PříspěvekZaslal: so srpen 04 2018, 10:36    Předmět: Citovat

Bacha, kondíky C107 až C109 jsou tři stejné paralelně a C110 až C112 taky.
Když se ale brum mění s nastavením hlasitosti, pak se mrkni na násobič kapacity filtrující napájecí napětí pro předzesilovače tuším C58 a C59.
Na to, jestli jde o vlastnost nebo na více kusů rozšířenou závadu, by totiž dalo odpověď zase jen měření.

Odpověď, proč Dominant syčí, zatím, co NZC300 nikoli, leží v zapojení korekcí a řízení hlasitosti. Ty šváby v Dominantu opravdu moc dobrou službu nedělají, zatímco v NZC300 nejsou vůbec.

_________________
Těm, kdo si nevybírají odpovědi na soukromé zprávy, už příště neodpovím. Tak.
Návrat nahoru
Zobrazit informace o autorovi Odeslat soukromou zprávu
sinclair



Založen: Feb 02, 2005
Příspěvky: 9923
Bydliště: Luhačovice

PříspěvekZaslal: so srpen 04 2018, 16:01    Předmět: Citovat

Jsem si jist, že NZC300, ani odvozeniny nebyly vyráběny a prodávány s výrobní či konstrukční vadou, jejíž projevem je brum v signálu.
Vyrobilo se jich poměrně dost a mnohé jejich majitelům dodnes slouží.
S různými typy vložek a v kombinaci s jinými přístroji.
Ten kus, ve kterém jsem asi před 10 měsíci měnil původní VM2204 za OM-3, měnil výkonový IO jednoho kanálu a několik dalších součástek, nebručel ani před touto opravou středního rozsahu, ani po ní.
Neopustil by s případným rušivým brumem můj pracovní stůl, dokud by nebyl odstraněn. Nebylo ale třeba žádných zvláštních zásahů.
Chci tím jen říct, že v daném případě nejde o žádnou "typickou vlastnost" aka vrozenou vadu, nýbrž o závadu.
Která se díky charakteru dotyčných součástek může vyskytnout klidně i u tří různých přístrojů - od výroby uplynulo přeci jen poměrně dost času.

Opravdu NZC300 bručet nemá i přes fakt, že je téměř celoplastový a má ostatní vstupy /kromě přenoskového/ i korekční obvody řešeny poměrně vysokoimpedančně.
Vysoké vstupní impedance vysokoúrovňových, lineárních vstupů v hodnotě 220kOhm ostatně striktně předepisovala norma. Tatáž norma také předepisovala minimální odstup rušivých napětí pro danou kvalitativní skupinu. Hodnota celkového odstupu rušivých napětí /šum, brum/ byla u NZC300 vždy s velkou rezervou splňována.

Totéž nelze napsat o zmíněném Dominantu, který i ve fyzickém provedení, nejen na papíře, balancoval s odstupy u dolní hraniční hodnoty, s tím souhlasím.
Návrat nahoru
Zobrazit informace o autorovi Odeslat soukromou zprávu Odeslat e-mail
Osmdesat



Založen: Jan 19, 2016
Příspěvky: 1536
Bydliště: Liberecko

PříspěvekZaslal: po srpen 06 2018, 10:31    Předmět: Citovat

To může být naindukované mg. pole z trafa. Přenoska přibližující se konci desky se přibližuje i trafu, umístěnému strategicky v levém zadním rohu, a tím víc brumí. To se děje i např. u NZC 431, které by mělo být kvalitnější než toto.
Pokud tedy správně chápu "od poloviny gramofon brumí", že je to od poloviny záznamové oblasti desky, ne něčeho jiného. Chtělo by to přesnější vyjadřování.
Návrat nahoru
Zobrazit informace o autorovi Odeslat soukromou zprávu
sinclair



Založen: Feb 02, 2005
Příspěvky: 9923
Bydliště: Luhačovice

PříspěvekZaslal: po srpen 06 2018, 12:45    Předmět: Citovat

Já to spíš pochopil tak, že se nežádoucí brum v signálu z přenosky výrazněji projevuje od poloviny dráhy potenciometru a zvednutém raménku; můžu se ale plést.
Každopádně, nedostatečný odstup není NZC300 "vrozen", třebaže díky mechanické i elektrické konstrukci může mít k horším odstupům náchylnost vyšší, než jiné typy.
Takové NZC150 a NZC160 /srovnatelné kvalitativní třídy/ jsou v tomto ohledu řešeny možná ještě hůř. Přesto ani jeden, jsou-li v pořádku, nebručí někam naindukovaným kmitočtem 50Hz, nebo z vadného napájení. Oba další zmíněné typy používají transformátor stejné velikosti i výkonu.
Jo, pan uživatel se nesvěří s nepodstatnými podrobnostmi, to už je skoro móda. Třeba, zda to bručí i se sepnutým zkratovačem, nebo jen s rozepnutým, běžícím motorkem a přenoskou nad deskou apod.
Zato ale víme, že to dělají všecky tři od poloviny.
Návrat nahoru
Zobrazit informace o autorovi Odeslat soukromou zprávu Odeslat e-mail
Robert18



Založen: Apr 15, 2009
Příspěvky: 348

PříspěvekZaslal: so září 01 2018, 18:49    Předmět: Citovat

Tak opravdu nežádoucí brum při přehrávání desky byl zřejmě způsoben motrokem gramofonu.
Dneska jsem to konečně rozebral kvůli zpětnému dodělání výstupu a vstupu pro magnetofon a při té příležitosti jsem zjistil, že je dost cítit běh motorku.
Pomačkal jsem jeho uležení a je pokoj. Mírný brum při vytočené hlasitosti tam zůstal, ale při poslechu slyšet není.
Návrat nahoru
Zobrazit informace o autorovi Odeslat soukromou zprávu
jakubrosler



Založen: Jun 16, 2009
Příspěvky: 215

PříspěvekZaslal: st listopad 17 2021, 17:37    Předmět: Citovat

Zdravím,
s dovolením zrecykluji tohle vlákno, protože můj dotaz se týká stejného přístroje, byť jde o otázku obecnější. A sice: Co efektivně dělat s chrastícími potenciometry, pokud možno jednou provždy. Rad jsem našel tady i jinde na internetu nespočet, ale všechny zase byly jinde zpochybněny a k nějakému výsledku jsem se nedostal. Možnosti:

1) Používat kvalitní potenciometry - ale to snad rodina TP280 v rámci možností je
2) Prostě je vyměnit za nepoužitý kus - to bych to musel měnit každý rok, už jsem to několikrát dělal, výsledek pokaždé stejný
3) Čistit - vyzkoušen izopropylalkohol, pomohlo asi na měsíc
4) Leštit diavou - nezkoušeno, ale původní diavu nemám a nová je prý k ničemu
5) Nahradit stupňovitou regulací - vyměnit dráhu za nařezaný cuprextit + odpory - bylo by to vůbec lepší?
5a) Totéž s otočnými přepínači - basy a výšky možná (byť by to byla děsná práce), ale dvojitý na hlasitost, který je nejzásadnější, takhle vyřešit nejde
6) Nahradit IO, který se ovládá ss napětím (LM1036, TDA1074, TDA1524 apod.) a chrastění odstranit kondenzátorem na jezdci proti zemi. Tohle jsem chtěl původně udělat, pak jsem zjistil, že jednak obecně se na tyhle obvody dost nadává, že zkreslují a šumí a jednak se už nevyrábějí (v šuplíku mám sice ještě A273D a A274D, ale ty jsou co do šumu snad úplně nejhorší) - doporučili byste nějaký dostupný obvod tohoto typu se slušnými parametry?
7) Nahradit modernějším IO s papírově lepšími parametry (např. TDA7439) + procesorem pro ovládání (má pouze datové rozhraní) - spousta práce (zdroj, programování), stojí to vůbec za to?
8 ) Nahradit poťáky v původním zapojnení digitálními, opět s procesorem - např. DS1801 mi přišel jako slušná volba, jestli dobře koukám, tak tam žádné ss napětí, které by posouvalo úroveň mimo jeho přípustný rozsah není, ale proti 7) je to ještě víc práce a je otázka, jestli to stojí za to.

Řešení jenom pro hlasitost, která mě trápí nejvíc:
9) OTA - PE2/2000 vychvaluje LM13700, ale obávám se, že při napěťových úrovních na vstupu MDA2020 (dle katalogu až 280 mV) to už bude brutálně zkreslovat
10) Někde v AMARU jsem viděl zapojení, kde se původní signál prožene skrz PWM. Teď to nemůžu honem najít - přijde mi to spíš jenom jako zajímavost, ale třeba to funguje dobře.

Preferoval bych samozřejmě ošetření potenciometrů, klidně nových kusů nějak preventivně, aby to vydrželo. Pak případně nějaké elektronické řešení, ale nechce se mi moc stavět orloj, obzvlášť když místo chrastítka můžu dostat šumítko.

Uvítám všechny vaše postřehy, byť budou protichůdné Very Happy
Návrat nahoru
Zobrazit informace o autorovi Odeslat soukromou zprávu
Zobrazit příspěvky z předchozích:   
Přidat nové téma   Zaslat odpověď       Obsah fóra Diskuzní fórum Elektro Bastlírny -> Audiotechnika Časy uváděny v GMT + 1 hodina
Jdi na stránku 1, 2, 3, 4  Další
Strana 1 z 4

 
Přejdi na:  
Nemůžete odesílat nové téma do tohoto fóra.
Nemůžete odpovídat na témata v tomto fóru.
Nemůžete upravovat své příspěvky v tomto fóru.
Nemůžete mazat své příspěvky v tomto fóru.
Nemůžete hlasovat v tomto fóru.
Nemůžete připojovat soubory k příspěvkům
Můžete stahovat a prohlížet přiložené soubory

Powered by phpBB © 2001, 2005 phpBB Group
Forums ©
Nuke - Elektro Bastlirna

Informace na portálu Elektro bastlírny jsou prezentovány za účelem vzdělání čtenářů a rozšíření zájmu o elektroniku. Autoři článků na serveru neberou žádnou zodpovědnost za škody vzniklé těmito zapojeními. Rovněž neberou žádnou odpovědnost za případnou újmu na zdraví vzniklou úrazem elektrickým proudem. Autoři a správci těchto stránek nepřejímají záruku za správnost zveřejněných materiálů. Předkládané informace a zapojení jsou zveřejněny bez ohledu na případné patenty třetích osob. Nároky na odškodnění na základě změn, chyb nebo vynechání jsou zásadně vyloučeny. Všechny registrované nebo jiné obchodní známky zde použité jsou majetkem jejich vlastníků. Uvedením nejsou zpochybněna z toho vyplývající vlastnická práva. Použití konstrukcí v rozporu se zákonem je přísně zakázáno. Vzhledem k tomu, že původ předkládaných materiálů nelze žádným způsobem dohledat, nelze je použít pro komerční účely! Tento nekomerční server nemá z uvedených zapojení či konstrukcí žádný zisk. Nezodpovídáme za pravost předkládaných materiálů třetími osobami a jejich původ. V případě, že zjistíte porušení autorského práva či jiné nesrovnalosti, kontaktujte administrátory na diskuzním fóru EB.


PHP-Nuke Copyright © 2005 by Francisco Burzi. This is free software, and you may redistribute it under the GPL. PHP-Nuke comes with absolutely no warranty, for details, see the license.
Čas potřebný ke zpracování stránky 0.16 sekund