Vítejte na Elektro Bastlírn?
Nuke - Elektro Bastlirna
  Vytvořit účet Hlavní · Fórum · DDump · Profil · Zprávy · Hledat na fóru · Příspěvky na provoz EB

Vlákno na téma KORONAVIRUS - nutná registrace


Nuke - Elektro Bastlirna: Diskuzní fórum

 FAQFAQ   HledatHledat   Uživatelské skupinyUživatelské skupiny   ProfilProfil   Soukromé zprávySoukromé zprávy   PřihlášeníPřihlášení 

Videoton R4400
Jdi na stránku 1, 2, 3  Další
 
Přidat nové téma   Zaslat odpověď       Obsah fóra Diskuzní fórum Elektro Bastlírny -> Opravy a restaurování starých elektropřístrojů
Zobrazit předchozí téma :: Zobrazit následující téma  
Autor Zpráva
5410261230



Založen: Jun 18, 2007
Příspěvky: 206

PříspěvekZaslal: st červenec 27 2016, 10:32    Předmět: Videoton R4400 Citovat

Zdravím bastlíře.
Nemáte někdo servisní dokumentaci k elektronkovému přijímači ORION R 4400. Potřebuji prozatím alespoň proud koncovou pentodou leze mi ke 40mA dál jsem ho nepustil mám pouze jedinou ECL 86. Za pomoc předem díky.
Návrat nahoru
Zobrazit informace o autorovi Odeslat soukromou zprávu Odeslat e-mail
elektrosvit



Založen: Jun 27, 2016
Příspěvky: 2515

PříspěvekZaslal: st červenec 27 2016, 11:29    Předmět: Citovat

Schéma k tomuto přijímači bylo na radiohistorii, ale někam zmizelo. Můžeš si jej stáhnout z radiomusea.org. Vyhledáš tento model, klikneš na schéma, vyplníš mail a mělo by Ti to dorazit. Nebo bude mít jiný kolega. U tohoto rádia jsem měl problém s rozkmitáním konce při přidání výšek- začalo to pískat. S jinou ECL86 problém zmizel. Svitkové kondenzátory v kovových pouzdrech budou mít po letech svod, zde asi bude problém. Hlavně vazební kondenzátor mezi triodovou a pentodovou částí ECL86. Další zdroj problémů je tlačítkový přepínač- hlavně přepnutí na VKV. Ostatní páky kláves jsou na té hřídeli dole jen nasunuty, páka VKV je s ní spojena pevně a ovládá přes ni přepínač na opačné straně soustavy přepínačů. Když se vymačkají nýtky, tak přepínač nesepne a rádio na VKV nejde. Musel jsem to celé rozebrat, nýtky odbrousit, zvětšit otvory a poté sešroubovat. Ve výsledku hraje tento přijímač dobře.
Návrat nahoru
Zobrazit informace o autorovi Odeslat soukromou zprávu
Hill
Administrátor


Založen: Sep 10, 2004
Příspěvky: 21015
Bydliště: Jičín, Český ráj

PříspěvekZaslal: st červenec 27 2016, 12:05    Předmět: Citovat

Co tohle? To ti nestačí? Víc toho na elektrotanya není...

(Mimochodem, netahej do toho Orion, šlo o jinou firmu).



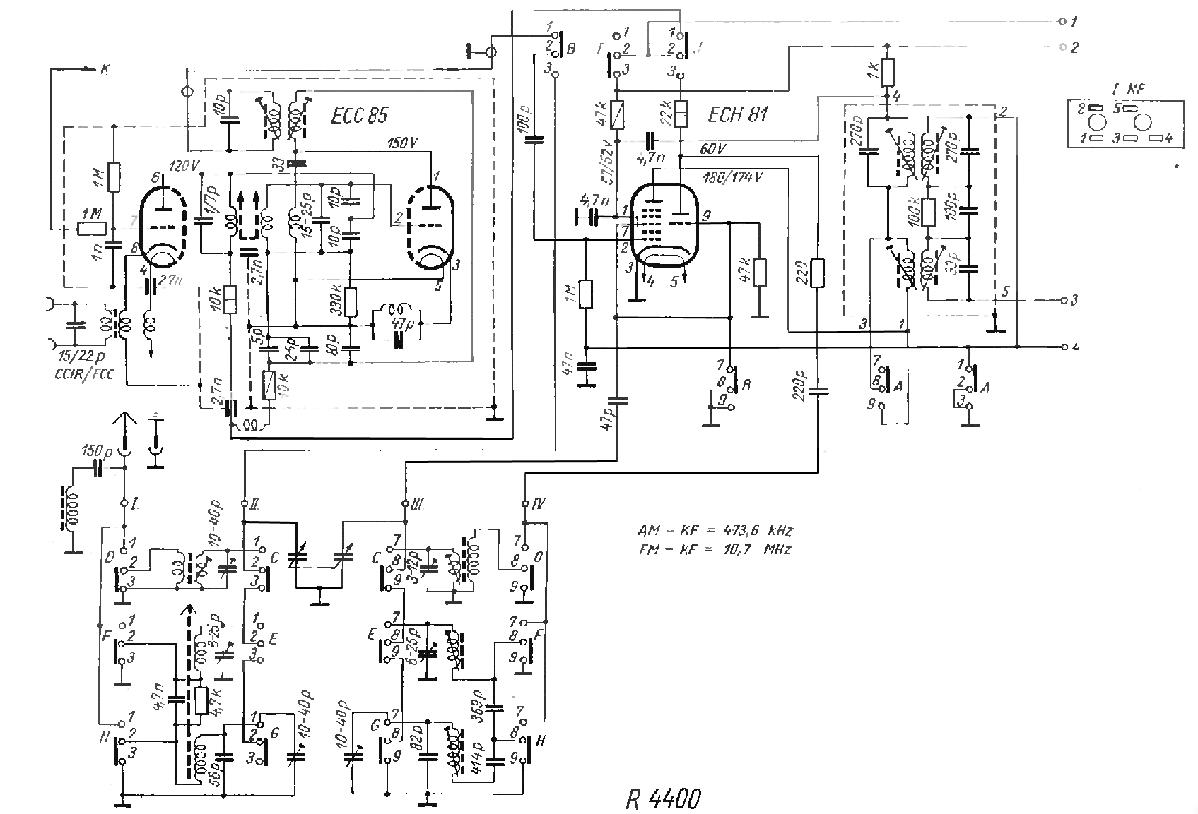
Videoton_R4400a.png
 Komentář:
AM/FM vstupní díl Videoton R4400

Stáhnout
 Soubor:  Videoton_R4400a.png
 Velikost:  276.32 kB
 Staženo:  295 krát


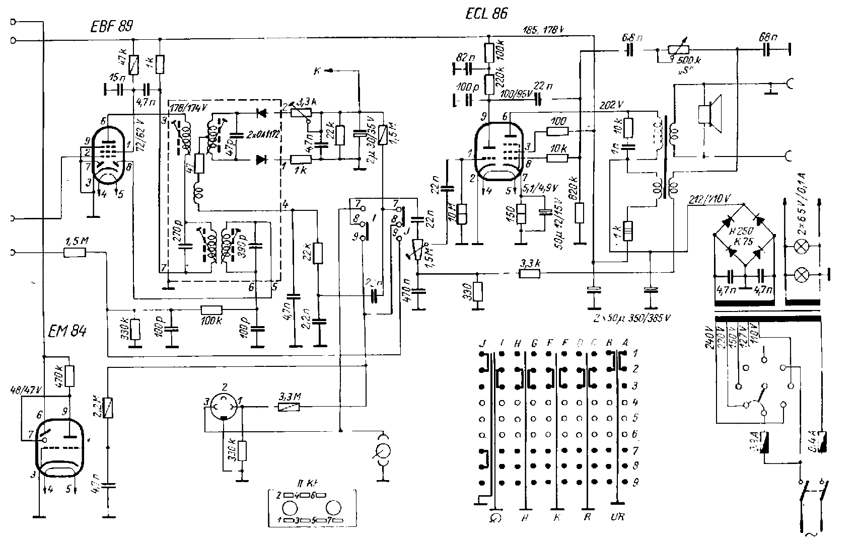
Videoton_R4400b.png
 Komentář:
mefka, detektory, zesilovač a zdroj Videoton R4400

Stáhnout
 Soubor:  Videoton_R4400b.png
 Velikost:  170.93 kB
 Staženo:  311 krát

Návrat nahoru
Zobrazit informace o autorovi Odeslat soukromou zprávu
elektrosvit



Založen: Jun 27, 2016
Příspěvky: 2515

PříspěvekZaslal: st červenec 27 2016, 12:13    Předmět: Citovat

Hille, na stupnici toho rádia je znak firmy Orion. Že by jej vyráběl Videoton a prodávali pod značkou Orion? Nevím
Návrat nahoru
Zobrazit informace o autorovi Odeslat soukromou zprávu
varikap



Založen: Nov 26, 2008
Příspěvky: 50
Bydliště: Praha 4

PříspěvekZaslal: st červenec 27 2016, 13:06    Předmět: Citovat

Zvýšení proudu koncové pentody způsobuje někdy svod vazebního kondenzátoru, zde je mezi anodou triody a g1 pentody. Na zkoušku buď odpojit, nebo zkratovat (krátce) anodu triody na kostru při souč. měření Ia pentody.
Manuál ukrytý pod typem 4500:
http://elektrotanya.com/vt_r_4400_4500_radio.pdf/download.html
Návrat nahoru
Zobrazit informace o autorovi Odeslat soukromou zprávu
elektrosvit



Založen: Jun 27, 2016
Příspěvky: 2515

PříspěvekZaslal: st červenec 27 2016, 13:20    Předmět: Citovat

A nebo vyjmout ECL86 a měřit napětí na g1 pentody proti zemi. Musí tam být 0V. Pokud ne, má vazební kondenzátor svod. Alespoň tak to dělám já.
Návrat nahoru
Zobrazit informace o autorovi Odeslat soukromou zprávu
Hifista



Založen: May 15, 2005
Příspěvky: 758
Bydliště: U Ostravy

PříspěvekZaslal: ne červenec 31 2016, 13:57    Předmět: Citovat

U těchto elektronek z polské produkce (Polam, Telam) se nedlouho po zapnutí rádia velmi často objevovala sekundární emise, která vedla až ke zčervenání anody a samozřejmě i zkreslení reprodukce. Než došlo v rámci RVHP k přerozdělení výroby jednotlivých typů elektronek, tak u zde dostupných ECL86 z výroby Tesla nebo Tungsram se tento jev vyskytoval velmi vzácně.
Návrat nahoru
Zobrazit informace o autorovi Odeslat soukromou zprávu
TubeGuru



Založen: Dec 21, 2011
Příspěvky: 514
Bydliště: Havířov

PříspěvekZaslal: ne červenec 31 2016, 16:46    Předmět: Citovat

Zdar, 5410261230 Tvé potíže určitě vyřeší nahrazení dvou kondenzátorů:
1. Vazební kondenzátor 22nF - 100/95V nahraď nějakým foliovým (MKT, MKP a pod. vyhověl by i Tesla TC205 ze šuplíkových zásob)
2. Katodový blokovací 50μF/12-15V nahraď nejvyšší kapacitou, kterou seženeš ve foliovém provedení; elektrolytický není pro tuto pozici vhodný, neboť vlivem stárnutí a tím zvyšování svodového proudu je příčinou snížení záporného předpětí mřížky, zvýšení anodového proudu atd. Kdybys slyšel nějak podstatný úbytek basů, klidně dej několik foliáků paralelně. Po těchto výměnách si bude ECL86 chrochtat blahem a pokud má ještě dostatečnou emisi, vydrží roky.
Návrat nahoru
Zobrazit informace o autorovi Odeslat soukromou zprávu
elektrosvit



Založen: Jun 27, 2016
Příspěvky: 2515

PříspěvekZaslal: ne červenec 31 2016, 18:30    Předmět: Citovat

Nechci se hádat, ale ta napětí uvedená ve schématu jsou provozní napětí v jednotlivých bodech přijímače. Kondenzátory, zejména ty v anodových obvodech, jsou dimenzovány na vyšší napětí uvedené na plášti kondenzátoru a toto napětí je třeba při výměně dodržet. Do tohoto přijímače by stálo za úvahu dát i krabicové svitečky, protože původní kondíky jsou v radiálním provedení. A na pozici katodového elektrolytu dát opět elektrolyt. V tomto přijímači není žádné místo, nevím, kam by tam ty fóliáky narval. Já ty katodové kondy měřím ESR měřičem a pokud jsou OK, tak je nechám. Pokud jsou vadné, nahradím modrým tesláckým TF na 50 V nebo 63 V podle kapacity. Takový kond tam vydrží do konce analogového vysílání Wink a konkrétně toto rádio hraje dobře bez jakýchkoli úprav. A pokud má tazatel vadnou ECL86, tak tam nepomůže narvat ani 10 fóliáků.
Návrat nahoru
Zobrazit informace o autorovi Odeslat soukromou zprávu
TubeGuru



Založen: Dec 21, 2011
Příspěvky: 514
Bydliště: Havířov

PříspěvekZaslal: ne červenec 31 2016, 20:09    Předmět: Citovat

Dobrý večer, k hádání není žádný důvod. Na tom, že na pozici katodového bloku je elektrolytický kondenzátor potenciální průser však trvám. Jeho svodový proud se s teplotou zvyšuje to způsobí (jak jsem už napsal) nižší spád napětí na katodovém odporu = nižší předpětí lampy. Koncová pentoda se více otevře, tím začne být teplejší a dále ohřívá katodový blokovací kondenzátor (kladná teplotní vazba) až dojde anodový proud do nasyceného stavu a elektronka velmi rychle pozbude emisi. Pro mě je to zcela logické. Tím neříkám, že "nový" modrý TF by tam nevydržel, pokud by na něj přímo nesálalo teplo z lampy, ovšem foliáky jsou ultimativní řešení. Katodový kond 50μF s odporem 150Ω dává kritickou frekvenci cca 21Hz a to je sice spodní kmitočet akustického pásma, ale v radiopřijímači zcela zbytečný neb ani reproduktor jej nevyzáří. ECL86 toho snese hodně, teď by (po tom trápení vysokým Ia) však už mohla mít nízkou emisi. Co by na ní mělo být jinak vadného? Napěťové dimenzování kondenzátoru je tady na EB asi většině jasné a i tazatel bude jistě schopen vybrat z vyráběné řady ten správný, osobně bych na pozici vazební použil 250V a blokovací 16V nebo méně.
Návrat nahoru
Zobrazit informace o autorovi Odeslat soukromou zprávu
xsc



Založen: Sep 25, 2014
Příspěvky: 8448

PříspěvekZaslal: ne červenec 31 2016, 20:29    Předmět: Citovat

To by ten svodový proud musel být v řádu mA a to se nestává. Lze tam použít jak modrá Tesla (ostatně předtím tam nebylo nic lepšího a jak dlouho to vydrželo), tak i nějaký 105°C elyt slušného výrobce, pokud je obava o provozní teplotu.
Návrat nahoru
Zobrazit informace o autorovi Odeslat soukromou zprávu
elektrosvit



Založen: Jun 27, 2016
Příspěvky: 2515

PříspěvekZaslal: ne červenec 31 2016, 20:37    Předmět: Citovat

TubeGuru:
Jasně, v tomto všem máš pravdu. Ale to rádio je značně stěsnané a moc místa nazbyt v něm není. Proto bych tam raději dal TF elyt (sám jej ve svém mám). Teplo z elektronky na něj určitě přímo nepůsobí, protože se nachází na plošňáku kus od patice. Pod plošňákem taky není místo, protože tam jsou vahadla ovládající posuvné přepínače.Tady jsou nějaké fotky. Rovněž nezpochybňuji, že toho ECL86 snese hodně, ale ty polské moc kvalitní nejsou, viz příspěvek Hifisty. Sám jsem se setkal s vadnými kusy- jeden trpěl mikrofoničností a druhý měl upadlé přívody ke žhavení. Jinak vazební kondíky radši dávám 400 V. Wink
Návrat nahoru
Zobrazit informace o autorovi Odeslat soukromou zprávu
elektrosvit



Založen: Jun 27, 2016
Příspěvky: 2515

PříspěvekZaslal: ne červenec 31 2016, 20:58    Předmět: Citovat

xsc napsal(a):
To by ten svodový proud musel být v řádu mA a to se nestává. Lze tam použít jak modrá Tesla (ostatně předtím tam nebylo nic lepšího a jak dlouho to vydrželo), tak i nějaký 105°C elyt slušného výrobce, pokud je obava o provozní teplotu.

Přesně tak. Wink Škoda, že tazatel (zatím) neupřesnil, co zjistil.
Návrat nahoru
Zobrazit informace o autorovi Odeslat soukromou zprávu
5410261230



Založen: Jun 18, 2007
Příspěvky: 206

PříspěvekZaslal: pá srpen 05 2016, 11:40    Předmět: Citovat

Zdravím.
Konečně jsem kousek pokročil, po výměně C106 klesl proud na 32 mA. Na původním katodovém C je 5,1V. Po několikanásobném rozebráni potenciometru regulace hlasitosti OK. Regulace výšek u konce trochu prská také se projevilo pískání. Po připojení reproduktoru je zatím klid i při plných výškách. K oživování používám starý ruský měřáček pro amatéry C4323-M1. 1kHz do gramo vstupu je slyšet skoro od samého počátku regulátoru hlasitosti tak asi OK. Nejhorší byly přepínače, ulámané držáky pružin, rozebrání a čištění velice snadné. Potřebuji nové pružiny ty z propisovaček jsou slabé. Musel jsem demontovat a vyčistit ladicí kondenzátor. Po jeho vložení pípátko na 465kHz je slyšitelné na 15 cm od přístroje ale na anténu na kterou chytám min. 2 stanice na DV, SV i KV ticho jen na samém konci ladicího C lupání. VKV zatím neřeším.
Návrat nahoru
Zobrazit informace o autorovi Odeslat soukromou zprávu Odeslat e-mail
elektrosvit



Založen: Jun 27, 2016
Příspěvky: 2515

PříspěvekZaslal: pá srpen 05 2016, 12:32    Předmět: Citovat

Těmi držáky pružin jsou myšleny ty plastové výlisky nahoře nad přepínači? Nezůstává některý z přepínačů vlivem "slabé" pružiny v mezipoloze? Může tam být také studený spoj.
Návrat nahoru
Zobrazit informace o autorovi Odeslat soukromou zprávu
Zobrazit příspěvky z předchozích:   
Přidat nové téma   Zaslat odpověď       Obsah fóra Diskuzní fórum Elektro Bastlírny -> Opravy a restaurování starých elektropřístrojů Časy uváděny v GMT + 1 hodina
Jdi na stránku 1, 2, 3  Další
Strana 1 z 3

 
Přejdi na:  
Nemůžete odesílat nové téma do tohoto fóra.
Nemůžete odpovídat na témata v tomto fóru.
Nemůžete upravovat své příspěvky v tomto fóru.
Nemůžete mazat své příspěvky v tomto fóru.
Nemůžete hlasovat v tomto fóru.
Nemůžete připojovat soubory k příspěvkům
Můžete stahovat a prohlížet přiložené soubory

Powered by phpBB © 2001, 2005 phpBB Group
Forums ©
Nuke - Elektro Bastlirna

Informace na portálu Elektro bastlírny jsou prezentovány za účelem vzdělání čtenářů a rozšíření zájmu o elektroniku. Autoři článků na serveru neberou žádnou zodpovědnost za škody vzniklé těmito zapojeními. Rovněž neberou žádnou odpovědnost za případnou újmu na zdraví vzniklou úrazem elektrickým proudem. Autoři a správci těchto stránek nepřejímají záruku za správnost zveřejněných materiálů. Předkládané informace a zapojení jsou zveřejněny bez ohledu na případné patenty třetích osob. Nároky na odškodnění na základě změn, chyb nebo vynechání jsou zásadně vyloučeny. Všechny registrované nebo jiné obchodní známky zde použité jsou majetkem jejich vlastníků. Uvedením nejsou zpochybněna z toho vyplývající vlastnická práva. Použití konstrukcí v rozporu se zákonem je přísně zakázáno. Vzhledem k tomu, že původ předkládaných materiálů nelze žádným způsobem dohledat, nelze je použít pro komerční účely! Tento nekomerční server nemá z uvedených zapojení či konstrukcí žádný zisk. Nezodpovídáme za pravost předkládaných materiálů třetími osobami a jejich původ. V případě, že zjistíte porušení autorského práva či jiné nesrovnalosti, kontaktujte administrátory na diskuzním fóru EB.


PHP-Nuke Copyright © 2005 by Francisco Burzi. This is free software, and you may redistribute it under the GPL. PHP-Nuke comes with absolutely no warranty, for details, see the license.
Čas potřebný ke zpracování stránky 0.22 sekund